Fórum témák
» Több friss téma |
Fórum » Csöves erősítő készítése
Ne feledd betartani a fórum viselkedési szabályait, és a topik megmaradásának feltételeit. [link]
A téma átmenetileg fagyasztva lett, hozzászólni nem tudsz!
GU50 kibírna 12 Voltos fűtést? Mert akkor egy 12 Voltos toroiddal fűteném, és az anódnak elég lenne egy 150 wattos SU trafó
Hogy érted?A 12,6 helyett 12V.Nekem a PCL86 vígan ment egy 12V-os trafóról,szerintem a GU-nak is elég.De majd a többiek megmondják,én még elég amatőr vagyok a csövesek világában
.
Hopp,megelőztek
Remélem sikeres lesz a holnapi csővadászat....(6SN7-re,és foglalatára vadászok) Tényleg,múltkor ilyen 5-10-es csoportokban érkeztek a csőrajongók,ők is innen,a fórumról "valók"?Kéne mindenkinek egy névtábla,és akkor tudnám,tudnánk,ki kicsoda Akkor mindenkinek jó börzézést :yes:
Tudtátok, hogy ha egy rossz DVD lejátszót és egy műholdvevőt összecsavaroztok csöves erősítő leszen belőle ?
Szóval kész a mahina. Köszönet Edgarnak és Sturbinak. Nélületek még most is kínlódnék.Nem egy nagy csúcs gép, de az állam leesett, a hangszerek nem mosódnak össze hömpölygő masszává. 2 hónap kemény munkám van benne, de megérte, tranyóstól ilyet még nem hallottam. Méghogy a hangszóró a leggyengébb lácszem.
Na végre !
Azt hittem , hogy feladtad , de szerencsére látom , hogy nem .. Kíváncsian várom milyen lett ! Szigetelés vizsgálatával én nem igazán időznék , az alapból jó , ha precíz voltál , az átvitele az már nem ennyire evidens .
Sajnos azért mindenki nem! Van akinek messze van (200Km), na de majd egyszer talán.Én is készülök már régen, de az idő meg a pénz kevés, pedig az információszerzés miatt is megérné.
Én meg tegnap jöttem haza Pestről ... Múlt hét szombaton meg fenn voltam. Valahogy sose jön ki a lépés
![]() (hétfőn küldöm az IC-ket)
Te vandorbot, nagyon-nagyon szép erősítőt faragtál, gratulálok !
(az "Ankaro" felirat nekem ... )
A dizájnozás még hátravan. Még studérozok rajta milyen legyen a végleges látvány.
Eredetileg retro külsőt akartam, de találtam itthon két kiszuperált vasdobozt amibe pont belefértek a cuccok. Kicsit meg is bántam, mert ez a fajta lemez nehezen megmunkálható. Most tucat seb éktelenkedik a kezeimen, a bal kezembe sikerült belefúrnom. Úgyhogy aki ilyen anyaggal akar dolgozni az szerezzen be valami gyámánt keménységű fúró-vágó szerszámot, vagy lézervágót. A csöveknek alávilágítottam kék és vörös ledekkel, nem tom a képen mennyire látszik, gyenge fotós vagyok. Teljesítmény azért nem akart kijönni belőle, mert a fűtés 5V volt a fűtéslágyindító hibája miatt. A táptrafóra is tekertem egy picit. Ami számomra érdekes, hogy eff 240V, egyenirányítás pufferelés után terhelés nélkül +300V a fesz. ..... Kellemes meglepi, hogy a számítások ellenére 60Hz-ig lemegy. Toroid kimenőkkel. A magasátvitel is szuper. A primer menetszámokkal vigyázni kell, mert ha sok, az a magasátvitel rovására megy, ha kevés az pedig a mélyére. A következő erősítőm ez lesz. rajz csatolva. Mi a véleményetek ?
Távol álljon tőlem a kötekedésnek még a látszata is, de a GU 50-nek szerintem kevés lesz a 165 V hogy kijöjjön belőle az ördög, bár gondolom a tápfeszeket és a meghajtást a GU 50-hez igazítod majd (?).
Ez nem parallel push pull??? A Quad az a katódkörbe kötött vissazcsatolótekerccsel ellátott kapcsolás nem? Az ultralineár egy "módosulata", ott előnyös, ahol a segédrács nem lehet az anódfesz közelében (PL509 ? )
Mármint kérdezem, nem mondom
![]() Na megyek csévetestet reszelni
Bár lehet a Quad cég fejlesztette ki a PPP-t is, nem tom
Bocsi, hogy beleszólok.
Az elektroncso.hu szerint a te kapcsolásod simmetrical push-pull. SPP. Az én kapcsolásom pedig SPPP. A +1 P azt jelenti: paralel, vagyis a végcsövekből 2-2 párhuzamosan van kötve.
Jaja, ugyanaz a kettő, A Tied, meg Vándorboté. Ugyanaz a szimmetrikus táp, meg az "autortrafo" kimenő. Ez a Paralell Push-pull, avagy PPP.
A quad az "sima" végfok, lehet SE, vagy PP is, a lényeg az, hogy van egy visszacsatolótekercs a kimenőn, amit a végcső katódkörébe kötnek be.
Neked van igazad , teljesen jól definiáltad ....
Ezt a kapcsolást circlotron néven lehet megtalálni.
Nekem fémbúrás telepes csöveim vanak, azokból kéne csinálni valami okosat, és szépet...
Úgyis kopott a festése egy-kettőnek, lehet megcsisszantom, és lefestem ARANY színűre! Nameg a kimenőket is! De csak mert van egy flakon arany színű festékem....
Na és mindezt egy fekete doboz-ra építeni!
csak kérdezem hogy ált milyen sűrűséggel vannak csöves börzék?
mert egyszer el kéne mán mennem egy ilyen börzére!
Zoli !
Szép lesz , várom a megvalósítását . Tetszik , hogy ennyire kreatív vagy és kitartó ...
öhm az engem érdekelne! valaki esetleg befirkantaná? vagy akár privátba is jó! off: most írtam egy kedves ismerősömnek sms-t netről és baromi fura hogy ott nem lehet ékezetet használni,mert írásnál ugyan megjelenik,de a fogadott üzenetből kimarad az ékezetes betű!
majdnem ide is ékezet nélkül kezdtem el írni/amit nagyon nem szeretek/
Bent vannak az újonann tekert kimenők a 6P7C SE kezdeményben.
Ott hátul az a kibelezett orsósmagnó motornak látszó tárgy (ami valójában egy kibelezett orsósmagnó motor), duplafojtó-ként funkcionál (egyik fele az egyik, másik fele a másik erősítőhöz tartozik). A tetem 6 W leadására képes UL bekötéssel (25 %). Sajnos van egy aprócska zizegésem letekert potinál, amit még nem sikerült elhárítanom (ez a szkópon keskeny tüskék formájában látszik a 2 mV-nyi brumm csúcsainál, a hangerőpoti feltekerésével arányosan csökken, teljes hangerőnél (bem.jel nélkül) már nincs.
Én úgy oldottam meg a búgáscsökkentést, hogy 22k-s hangerőpotit alkalmaztam. Próbáld ki, neked is segiteni fog. Főleg, ha feltekert potinál csökken a búgás (vagy a poti nincs megfelelő helyen földelve vagy a jelforrás bemeneti impedanciája söntöli a cső bemenő ellenállását, ezért szűnik meg a búgás)
Szevasztok!
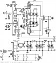
Két kérdésem lenne: 1. Van egy pár légrés nélküli M85a magom, jelenleg 220V/11V hálótrafók. Egyrészt tudni szeretném, ekkora mag elég-e egy kb. 2x15W-os EL84 PP-hez? (Azt hiszem, 10-12 cm2-t ajánlanak, a magnál én 9,28-at mértem, a táblázatok szerint 8,66.) Szerintem mondjuk elég lehet... A lemezek 0.5mm-esek, s egyik oldalukon zöldes gyöngyházfényű vékony festék (?) réteg van, úgy értem, minden egyes lemeznek egy oldala kezelt, s úgy vannak összerakva, hogy festett oldal mindig festetlennel találkozik. Na, ezek a rétegek maradjanak vagy csiszoljam le őket a lemezekről? 2. Mellékelek két EL84PP kapcsolási rajzot, egyik már itt is szerepelt. Melyiket válasszam szerintetek? Melyikkel van konkrét tapasztalatotok esetleg? A "másik"-nál konkrét fesz. értékek szerepelnek, amelyek segíthetnek a megfelelő munkapontok beállításában, s úgy néz ki, valaki már megépítette ezt a kapcsolást. Ami fura, az a fázisfordító rész, nem tudom pontosan megfogalmazni miért... Előre is kösz!
Sziasztok, ha egy középleágazásos trafóra teszek két PY83-at és közösítem a katódjaikat ezáltal kétutas egyenirányítást létrehozva, a közösített katód és a középleágazás (föld) közé mekkora puffert illik betenni maximum? Értem ez alatt azt, hogy adatlap szerínt mekkorát visel el tartósan (mint példáúl az EZ80 - 60 mikrófarádot)? Sajnos sehol sem találtam erre adatot ezért kérdezem hátha tudjátok. Köszi.
|
Bejelentkezés
Hirdetés |


.
Szóval kész a mahina. Köszönet Edgarnak és Sturbinak. Nélületek még most is kínlódnék.


) 








