Fórum témák
» Több friss téma |
Fórum » Ki mit épített?
Ez a téma ha úgy tetszik a mi "kiállítótermünk", nem pedig a ki mit csinált volna másképpen, mások helyett, és legfőképpen nem javítós téma.
Minden készüléknek van saját témája, ott kell kitárgyalni a részleteket!
FONTOS! A kapcsolási rajzok keresésére is van saját téma, ott keressetek rajzokat!
Volt egy kis időm a múlt héten és a hangfalaimat felújítgattam, íme:
üdv
Ha szabad érdeklődni azt honnan szerezted be és mennyiért? Mekkora a cső magassága, átmérője?
Helló Vicsys!
Megmutatnád a kijelző paneljának fólia oldalát? Amúgy nagyon jó lett, van ezeknek a csöveknek egy varázsa, én mindig csak ámulok-bámulok. Ezért én is építek majd egyet!
Csatolom a rajzot és cső adatlapját. A csövet nem én vettem, semmi infóm nincs róla...
Igényesen néz ki! Milyen paraméterekkel rendelkezik majd?
Igen. Múltkor, amikor szétszedtem észrevettem az ellenálláshuzalt benne. Nekem így is megfelel.
Nagyon szép lett, grat
Publikálni fogod?
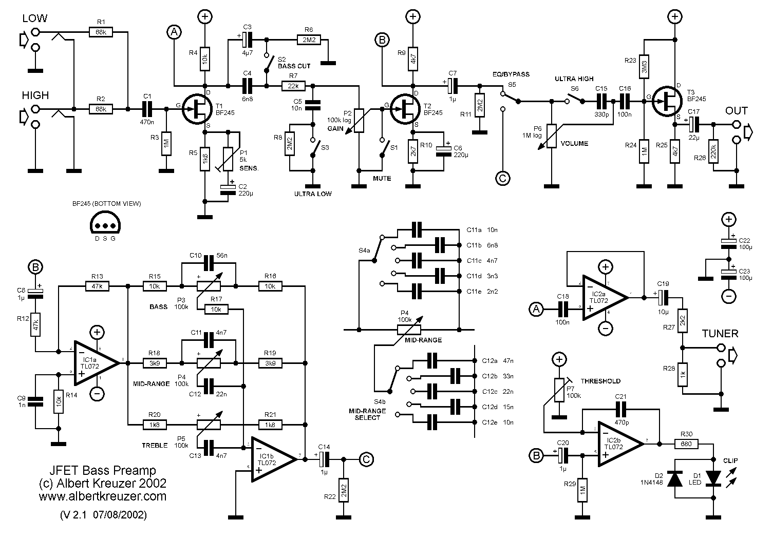
Sziasztok! Sikerült összedobnom a Kreuzer-féle fetes basszusgitár előfokot! Nagyon pöpecül szól
![]() Semmi gond nemvolt az élesztéssel sem, elsőre működött ahogy kell. A nyákot vasalásos technikával csináltam. Második próbálkozásra sikerült szinte tökéletesre legyártani. Aki akar egy jó előfokot, érdemes megípítenie! Fet miatt nagy bemenő impedancia, jó kivezérelhetőség, stb... Fetnek BF245C-t használtam. Egy módosítést eszközöltem a nagyobb érzékenység miatt, az R5 ös ellenállás értékét 10Kohm ra módosítottam.
Hello!
Köszi! Próbálok egyre igényesebben jobban dolgozni építeni, terveim szerint +- 0-30V kb 2A, rövidzárvédett áram korlátolt kapcsolás lesz benne csak még el kell készíteni a panelt!
Hourofil Vic barátom, nem is vártunk Tőled ás alkotást!
Tényleg! Át kéne már írnod a nicked Sylar-re!
Helló
Végre elkészültem majdnem véglegesen a labortápommal. Lassan egy fél éve készülget. Még hiányzik az előlapi feliratozás, de az már egyszerű feladat. Örülök, hogy ezzel is megvagyok. A tápról annyit, hogy duplatáp, lekapcsolható a kimenete, 0-30V és 0-3A között szabályozható. A táp a jó öreg 723-as IC-vel működik. Végtranyók két párhuzamosan kötött 2N3055. Még gondjaim vannak az áramgenerátor kijelzéssel, ezért azok a ledek nincsenek benne (felül azért vannak a lyukak). Nagyjából ennyi.
Sziasztok!
Ma elkészültem az AVR-Doperemmel. A Topi féle kapcsolás építettem meg. De a nyák saját tervezés mivel nem akartam kétoldalas nyákot.Sajnos mivel egyoldalas, kellett rá néhány átkötés de töbségében inkább az ellenállások lábtávolságának a változatásával oldottam meg a dolgot. A belevaló procit deguss programozta fel ezért köszönet neki.A nyák llevágása sajnos nem lett a legszebb de ez legfőképpen azért van mert vágás közbe eltört. Szerencsére elsőre felismerte a gép de sajnos a progrmozás nem sikerült elsőre mert egy helyen szakadt volt a GND de most már működik. Üdv!
Szép munkák, már 2 órája nézegetem őket.Én csöves erősítőket építgetek, javítok, Trafókészítéstől a gitárhangszedő tekercselésig. Néha építek ic-s és tranyós végfokot is, de csak kényszerből.
Most egy Soldano Slo50 gitárerősítőt csinálok, végefelé járok, 1 kondim hiányzik a tápegységből. Calestion gitárhangszórót hajtok majd vele, az is most észül, majd teszek fel képet. 2x12" hangszórók, 98db érzékenység, A Marshall cég is ezt használja.
Na ez minőségi munka, olyan szép, hogy biztos remekül szól!!! Le a kalappal!
Még nem élesztettem fel mert hiányzik egy 47 Mf 450V-os kondi. Már 3 helyről rendeltem, de mind a 3 helyjről 400 Voltost kaptam. Sajnos ahol lakom, nincs a környéken elektronikai bolt. Egyébként ezek az erősítők tényleg nagyon jók, az eredeti gyári 350 000 ft. Vannak kissebb átalakítások az elektronikában. Metálossabb hangra készült
Szép munka, gratula! Ha nem vagyok indiszkrét, honnan rendeled a csöveket meg a kondikat? Van egy Mullard 520-som és fel kéne újítanom...
A csöveket a csőbarlangból rendeltem JJ ELECTRIT márkájú. Ők a legkorrektebb csőforgalmazók. Pl ECC83 náluk 2200 ft máshol ugyanez a márka 3600ft. A kondik Remixek, amik a kapcsolásban vannak, elég jó minűségűek, igazából Mallory volna jó de az 3-5 euró / db ,és kell 14 db. Remixek is jók, és olcsóbbak is. Ezeket Kecskeméti Digital alkatrészboltban vettem, és a tápegység kondikat is, 220mf 450 volt. ebből kell 6 db és 800 ft /db. A trafókat én tekertem. Az optókapukat /4db 1500/db/ A TME Elektriktől. ha kell küldök pontos címet.
Tessék, itt vannak.
Köszi a segítséget. Online tudok kondikan rendelni?
köszi a képet. hát az axiális elkókat lehet hogy nem nagyon kapsz, a linket nézd meg hátha van nekik. . radiálisban biztosan va. fóliakondik is vannak , szerintem be tudod szerezni őket. a csöveket is. ha ló látom Tungsram csövek.. Ja a csövet párban kell venni.
http://www.tme.eu/hu/katalóg
Juuj de komoly szerkezet, mit tud a masina ha szabad kérdezni?
2x36W sinus. Csöves dög, gondolhatod, hogy miért szeretném felújítani... Nagyon szeretek vele zenét hallgatni, van egyfajta csodálatos mélyhangja amit a (szilicium) félvezetősökbe nem találtam meg.
Sziasztok!
Megépítettem Source2 által publikált RGB-ledes futófényt. Nagyon látványos kis kapcsolás, sok programmal.. Legalább kipróbáltam a Sziva féle pic-programozómat is. Ez az első Pic-cel épített kapcsolásom
Szép lett, csak így tovább!
Aztamindenit, 2*35 egész watt csöves hangzás??? Jujj de irigyellek, gyönyörű hangja lehet, szívesen meghallgatnám, egyszer építek már egy GU-50 -es SE csövest, már régóta fenem rá a fogam.
Üdv
Szép munka, grat!!
csak az a fránya kimenő aggaszt még mindig
|
Bejelentkezés
Hirdetés |




























