Fórum témák
» Több friss téma |
Hali mindenki
Én egy olyan áramkört szeretnák, amivel a fordulatszámmérőhőz tudnék jjeladót csinálni és a gyújtásról vennénk a jelet, Lehetséges??? Van valami kapcolási rajz, Ja motorhoz kell nem autóhoz és a tekercsek csak 6V sak ill alapjáraton mégkevesebb nagyobb fordulaton még több
Célszerűen HALL generátoros érzékelőt használnék. Van egy csomó ilyen kapcsi a neten.
ÉN inkább ragaszkodom a megszakítóhoz, mert ilyen (nem hallos,infrás,de nem koszolódik mert zárt helyen van) van, faterom azt mondja ne nagyon basztassan a főtengelyt ilyyen súllyel mert cska jobban megezsi a csapágyat
te figy, nekem rohadtul nem asztalom a pic, de szerintem azzal 1szeű lesz neked a jelfeldolgozás.
Én csak a jeladóra teszek javaslatot: Ott a te jó kis megszakítód a simsonon (gondolom, hogy az, mert 6volt) leveszed róla a jelet, és az pontosan a fordulat. másik 5let: van egy bazi nagy lendkereked, ami egyben a váltóáramú generátorod mágnese is. VÁLTÓÁRAM!!!!! neked csak az egyik tekercsed (1.:gyujtás, 2.: világítás, 3.: töltés.) frekvenciáját kell mérned! Az a fordulat!
egyutas egyenirányítás után schmitt trigger - és ott a jel.
Na jó,de azé szeretném még ha lenne szikra is, úgy lesz is értelme a fordulatszámmérőnek, ja egyébként meg találtam már
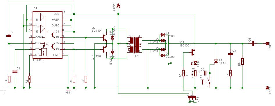
a BSS elektronika oldalán van egy digitális fordulatszámmérő kapcsolási rajza és az 6 V motorokhoz is jó azt fogom használni, ha akord megnézheted és megmondhatod hogy jó lesz e, ha megnézed előre is köszi dimatic
Az teccik benne, hogy nem kell egy picet programozni (amit az ember nem ismer, vagy nem tud, attól idegenkedik).
Látod, ott az elején egy 10k-s ellenállat után e zener, hogy a gyújtótekercsed önindukciója ne lője túl a feszkót, aztán zavarszűrés, mégegy ellenállat, mégegy zavarszűrés, utána a soros csatolókondi még levágja a zavaró járulékos frekvenciákat, aztán egy ellenütemű dióda védelme után érkezik a vezérlőjel a tranyóra. Ott a schmitt-trigger, amiről a gatyába rázott impulzus megy a mérőáramkörbe. A többit nem néztem, de eddig sztem korrekt.:yes:
A PIC programozást szeretném megtanulni, de nem igazán akar sikerülni elolvastam a cikket amit TOPI írt de én nehéz felfogású vagyok és nem nagyon értettem és mondjuk ő végig leddel dolgozik, semmi ilyen hogy jelbevitel (komolyabbszintem) és kijelzőre való iratás (LCD és LED), ezeket hoana lehet megtanulni??? Ha lehet pascalllal példázni akkor könyebben megértem mert abba tudok programozni mostmár elég jól
OK a smittrigger az mi??? Ne mézz Hülyének kezdő vagyok, de van ilyen IC az tudom mert láttam a lomex árlistában
megnéztem az árlistában és ott van ilyen HEX smitrigger 2 bemenetű NAND ~ HEX kell ugye, ja ha elmondod nem haragszom meg mi az a smittrigger Köszke
A schmitt trigger magyarul küszöbértékkapcsoló. Ha a bemenetén az analóg jel elér egy bizonyos szintet (küszöbértéket), akkor vált át a kimenete nulláról egyre.
Ha jól emléxem (most nincs előttem a rajz) az a tranzisztor kapcsoló üzemmódban működik, tehát ha a bemenetén a feszültség elér egy szintet, akkor kapcsol. Mit kapcsol? Van ott egy ellenállás, amin keresztül kap az ic bemenete asszem 5 voltot. Amikor kapcsol a tranyó, akkor az ic bemenetét a földhöz zárja. Vagyis addig 1 a bemenet szintje, a kapcsolás után pedig 0 lesz.
Hali!
A st-ről még annyit, hogy mivel adott küszöbértékeken vált logikai szintet a kimenete, zajos jelek feldolgozásához kiváló. A PIC-eknél a meghatározott logikai szintek kellenek, ezért a jelfeldolgozás...
A kapcsolást s a nyáktervet megtalálod SzocimotoroSOKK.hu címen mivel nekem is 6v-os a Jafám
Ott nincs fordulatszámmérő (digitális), csak ledes, de én egy egészen újat szeretnék,de még csak tervezgetünk
Hali!
Ez egy kisérleti példány..de nézd meg hátha...[link=http://tacho.atw.hu/]http://tacho.atw.hu/[/link] (az oldal még nincs befejezve...)
Hol az ASM?? vagy az még nincs kész??
Fent vannak a források+nyáktervek...
A fényképek még váratnak magukra
szevasztok
van nekem egy trabant gyújtásom amiből a jeladó működik de az elektronika az vmiért nem. a gyújtás néhány ellenállásból tranzisztorból és vmi hosszú hálóellenállásra hasonlító dolog. Ehez tudnátok vmi kapcsolást adni vagy hogy miaz ami tönkre szokott menni?
Hello mindenkinek!!
Egy tirisztoros gyujtással lenne problémám: megépítettem, mondhatni működik is mert beindul vele a motor tényleg sokkal nagyobb szikrát ad még túúl nagyot is mert áthúzott mindenen, de ez nem gond másik trafó és meg is van oldva..A gond az, hogy pont ami az egyik előnye lenne, hogy nagy fordulaton is ugyanakkor szikrát ad ez ennél pont fordítva van tehát kb3000ford/s ig joo aztán már csak dadog..Ha kézzel kapcsolgatom akkor látni a 3-4cm-s szikrákat de ha gyorsabban kapcsolgatom akkor már látni, hogy kisebb..Olyan mintha a kondenzátor egész egyszerűen lassan töltődik fel. Próbáltam fele akkora tehát 470n-os kondival..valamivel jobb lett ha nagyobbat rakok akkor tényleg csak alapjáraton megy, ezért is gondoltam, hogy a kondi feltöltődésével van a gond. Próbáltam egy kb 50wattos trafóval az 5w-os helyett, valamivel jobb lett de nem tökéletes.. a gyjtótrafó primer induktivitását nem tudom tehát nem lehet igazán kiszámolni a kondi feltöltődését, (3 ohm az ellenállása). Én hiányolom a pufferkondit a gréc után, bár ha az ember jobban utánnagondol valószínüleg mikor begyujt a tirisztor akkor az is kisülne és pont ellentétes munkát végezne.. Kérdés valami hiba van a kapcsolásban és csak nagy teljesítményű trafóval működik vagy valami más baja van ..??
csá
én ezt átbuheráltam a csatolt... ra nah most ez a cucc 50Hz re tervezett trafót működtet kb 3KHz-n nekem ez nem teccettt. lehet hogy egy kicsit lejjeb kellene venni a frekit (a primmernek (gyári sec) van egy induktivitása ami 50Hz-n az ami (2pi*f*L)de 3000Hz meg 60szor nagyobb vagyis a felvett áram kisebb így--> a felvett teljesítmény is -->meg a leadott is szal lehet hogy a kondi töltéséhez kevés!!! (ha meg kicsi a kondi akor szar lesz a szikra a gyári 1 µF az jó) az én cuccomba 40KHz re féretezett trafó van (ferrit) és nem single üzemű hanem ellenütemű konverter vagyis 1 periódus alatt megkapja a + és - tápot is szemben a tieddel ami csak egy + pmpulzust kap!! szal ha az ellenüteműt egyenirányítod akko szinte nem is lesz szünet a 2 feszcsúcs között (magyarul nekem sokkal gyorsabbak az inpulzusaim alapból és minden periódus alatt 2* annyi van mint neked ) ezt jól megmondtam értékek nincsenek a rajzon mert az eaglem közbe beszart én 1 sem akar menni szal szem a trafó környékén lesz a hiba csá
köszz
Én is erre gondoltam, hogy tekerek trafót mint a kapcstápomban..Csak mondom hátha én vok hülye és elrontottam valamit, nekem is fura volt, hogy csak így használjuk nyugodtan az 50Hz-re méretezett trafót.. Neked amúgy műűködök is rendesen, meg jobb lett..??
a helyzet az hogy még nincs kész mert szar a nyomtatóm és nem tom kinyomtatni a nyák furatainak a helyét kókány szar nyákot meg nem akarok
(haweroknál meg sehogyse jön össze a raszter távolság )de mennie kell trafóméretezés :ittt hy
Kicsit bővebben,ha lehet:hány köbcentis,kettő vagy négyütemű a motor? A csatolt rajzon levő R9, C4, C5, soros csillapitóhálózat nem szükséges ehelyett tegyél ugyanide egy BY299 diódát úgy hogy a katódja az 1u kondi + ra az anódja pedig a testre csatlakozzon.
Azt a shotkit minek tegyem még oda ha egyszer már egyenirányítva van ? A trafó viszzarugás ellen? Amúgy MZ 1 henger 123ccm kétütem ...
Jameg az az oldal biztos, hogy joo az a trafóméretező? Mert én láttam benne érdekes dolgokat..
A BY 299 nem shottky csak egy gyors dióda, azért kell,hogy amikor a tirisztor teljesen kisüti a gyójtókondit, az áramirány megváltozik a gyújtótrafó tekercsén (ahogy fogalmaztál...visszarúg) ezt egyenirányitva bizonyos mértékbe visszatölti a kondit tehát nem nulláról kell kezdeni az elektronikának. Egyébként javaslom,hogy épits valami egyszerű jegenerátort mondjuk 555-el ami tűimpulzusokat ad ezzel helyettesitsd a megszakitót és igy szemrevételezve a szikrát el tudod dönteni, elég-e a trafónak a teljesitménye. szerintem a megszakitód nagyobb fordulatszámon prellezik ezért gyengül a szikra.
Amúgy szerinted is az a baj, hogy kicsit a trafó teljesítménye mert az 50Hz-re méretezett trafó túúl van gerjesztve mert nagyságrendekkel több a primer menetszám??..Amúgy hall-os gyujtásom van szóval a megszakító kilőve..most egy tranzisztoros gyujtás van fennt amit én csináltam..joo semmi baja leforogja a 8000 csak jobb a tirisztoros..
Az szentigaz,hogy az általam látott ,javitott ,ezen az elven működő elektronikákban kizárólag ferrittrafókkal találkoztam. Ezek is 40-50KHz-n dolgoztak kisméretűek voltak. Kb-4ms alatt töltöttek fel 1µF kapacitást 300V-ra, vagy más tipusnál 2µF értékűt 220V-ra. elérve a beállitott értéket az elektronika leállt. Arra az időre is leállt amig a tirisztor bekapcsolt, igy biztositva,hogy az ki is tudjon kapcsolni. Ha nem igy van akkor a tirisztoron állandóan folyik áram....elegendő teljesitmény esetén bekapcsolva marad.
|
Bejelentkezés
Hirdetés |




a BSS elektronika oldalán van egy digitális fordulatszámmérő kapcsolási rajza és az 6 V motorokhoz is jó azt fogom használni, ha akord megnézheted és megmondhatod hogy jó lesz e,







