Fórum témák
» Több friss téma |
Szia!
Haverommal megépítettük ezt a kapcsolást. Már 2 éve. Azóta kifogástalanul és nagyon szépen szól. Nem vagyok túl vájt fülű, de minden hangot szépen átvisz. Most akarom én is megépíteni mégegyszer, szintén subwoofernek
Helló! A SING = SGP ugyanaz csak még nem próbáltam hogy fizikálisan is ugyanaz-e mint a régi SING-es. Ez a jobb, de hogy ugyanaz a minőség-e azt még nem sikerült kipróbálnom. Mivel SGP-s 7294-et láttam már fogtam kézben és nem tom de valamitől a kimenete a testhez képes negativ tápra volt szóval kiült a kimenetére valamitől az egyenfesz.
a sztereo verzióhoz egy 4700mikroF az nagyon kevés úgy tényleg nem bírja átvinni a mély hangokat rendesen,én egy tda2030hoz 2db 6800mikroF-os kondit használtam.
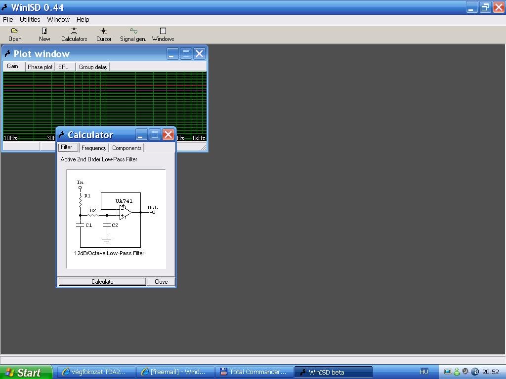
Aluláteresztő szűrőnek én a winisd betaval tervezhető 12db/oktávost építettem meg nem volt vele baj és egyszerű is megépíteni. Milyen hangszóróvédelemre gondolsz?
Helló
Nekem selyemdóm magassugárzóm van (a titán meg a műanyag dóm hangja szerintem túl "éles") Én arra gondoltam hogy azért lehet jobb a TDA2030 mert ahhoz könnyebb túlméretezett tápot csinálni (pl A tda2030 14Wattos neki az 50Wattos tápegység olyan mint a7294-esnek a250Wattos ha jól tudom a 7265 2x25wattos bár azt még nem próbáltam. A piezo magas meg szerintem csa ronthat bármelyik erősítő hangján
"winisd betaval tervezhető 12db/oktávos"...? Ez nekem új. /Látom a google képein mutatja, hogy az ember maga tervezheti/ Vagy ebben esetleg nincs is aktív alkatrész? (Mert láttam olyan rajzokat is...) Egy rajz jól lenne a végeredményedről.
Hangszóróvédelem; ez a koppanásvédő kapcsolás amiről van itt pár topic, de eddig még sosem építettem egyik végfokomhoz sem. Érdemes vagy sem?
Erre gondoltam :itt be lehet állítani a törésponti frekit és kiszámolja az ellenállások meg a kondenzátorok értékét.
Soha nem csináltam még koppanás gátlót ,és ebből soha nem volt bajom még.Persze ha nem túl nagy teljesítményú hangszórót használsz reflex dobozban akkor nem árthat. Tényleg milyen ládát tervezel hozzá?
Aham értem...
Még nincs meg a konkrét hangszóró, addig nem is tudom mekkora lesz a doboz. Elviekben, lefelé szeretném ha lenne a membrán. Esetleg van egy jó hangszóró doboz tervező? Mert próbáltam régebben párat, de ha jól emléxem épp a lényeget, a lapméreteket nem adta meg...
Nem ismerek sok hangfaltervezőt amit eddig én láttam azok közül egyik se adta meg a lapméreteket,de szerintem ez könnyen kiszámítható
Nekem a már emliített winisdbeta vált be legjobban meg ennek az alpha változata.
Sziasztok!
Ebben a kapcsiban a nem elko kondik fóliák vagy kerámiák?
Köszi a választ, akkor kerámia lesz
Na most elakadtam,de nagyon :no:
Szóval, a tranyóknál, ha megnézed a kapcsolási rajzot, a felső, BD712-es tranyó lábai nem egyeznek meg a NYÁK-os elrendezéssel (a NYÁK itt a beültetési oldalt mutatja), vagyis a kapcsirajzon a BD712-es tranyó collectora megy a +U-hoz, ami jó, viszont a NYÁk-os elrendezésen az emittere megy a +U-hoz, ami ugye magában is rossz, hacsak nem PNP, amiről meg nem írnak semmit hogy az kéne vagy NPN, szóval vagy a NYÁKrajz rossz vagy PNP kell.
Szerintem meg a rajzon is az emitter megy a +U-ra. Akkor mi az, amit nem értesz?
Ui: A Zoli meg gyorsabb.
Szóval akkor PNP a felső
BD712-be akkor csak PNP van? Mert alldatasheeten van PNP és NPN is az adatlapba és az zavart össze. HQ-n pedig amit bejelöltem az jelenti hogy PNP vagy NPN-e a tranyó?
Na mostmár teljesen tisztában vagyok
Nagyon szépen köszönöm a segítséget!
Sziasztok
Csinaltam egy TDA2030 as erosittot es 12v al hajtottam meg de nagyon torzitott mar 2fajta kapcsolast is csinaltam de mind a 2 nagyon rossz hangu volt! nem tudjatok h mi lehet a baj? mind a 2 kapcsolas ugyan abbol az IC-bol volt! Koszi
Tuti h minden jo volt !! (lehet h hamis volt a TDA2030??)
Akar milyen hangszoron probaltam mar viszonylag kis hangnal is nagyon recsegett!
Sziasztok!
Úgylátszik lassan minden alkatrész meglesz EHHEZ az erősítőhöz. Az lenne a kérdésem, hogy a 1,4ohmos ellenállás milyen terhelésű legyen?
Szia!
Sima max. fél wattos elég oda, vagy kisebb.
Üdv mindenkinek! Tudna valaki adni a mellékletben lévő kapcsolási rajzhoz NYÁK-rajzot adni? A válaszaitokat előre is köszönöm.
Üdv mindenkinek! Ha már NYÁK rajzot nem kaptam, nem baj, terveztem egyet nagy nehezen, viszont még egy kérdésem lenne. Milyen tápot készítsek az erősítőmnek? Ha tudtok, linkeljetek már be tápegységeket ehhez az erősítőhöz. A válaszotokat előre is köszönöm.
U.i.: Az erősítő kapcsolási rajza itt található
Ez ún. egytelepes beállítása az IC-nek. Egy trafó, egy gréc, és egy - legalább - 4700 mikrós kondi. Primerben kapcsoló bizti.
Ahogy megfigyeltem a kapcsolási rajzot, ott az Ut-nél rögtön van két kondi egymással párhuzamosan kötve, az nem direkt szűrőkondi? Nem vagyok egy villmosmérnök, szóval hibázni még hibázhatok.
Értem, lényegében egy stabilizálatlan tápegység lesz.
Üdv. Ha valakit érdekel van 2 db A 2030H komplett végfok modulom, ingyen adom.Az igazság az hogy gőzöm sincs mibe volt. Valami NDK-s gépbe.Valószinü hibás mert munka lap szám van rajta. De nem javított. Öreg Tom.
Ja igen. Még egy kérdés. Milyen diódát alkalmazzak Graetz hídnak? 4 db 1N4148 jó lesz?
Még egy kérdés, hány VA-es trafót vegyek? Bocs hogy ennyit kérdezek, csak nem szeretnék felrobbantani semmit se.
Na, itt az általam tervezett tápegységem, amit az erősítőhoz használnék fel. Kérdésem az lenne, hogy jó lesz-e ez a tápegység. A transzformátort helyén egy 20W-os trafó lesz, a kondenzátor 2000 µF helyett 2200 µF lesz. A negatív pólust leföldeltem, mivel az erősítőnek csak a pozitív fesz kell. Szóval arra lennék kíváncsi, hogy jó lesz-e ez a táp. Nem fög-e füstölni, robbani stb.
Az erősítő kapcsolási rajza itt található. A tápegység rajza pedig a mellékleten található. Annyit még hozzáfűznék a rajzhoz, hogy egy füzetből scanneltem be. Nincsen kapcsolásirajz tervező programom.
Igen, jo lesz a tapegyseg ugy ahogy rajzoltad. A foldpontot NE kosd a halozati vedofoldhoz ... remelem nem erre gondoltal amikor azt irtad, hogy a negativ polust lefoldelted.
Az erosito kapcsolasi rajzahoz lenne meg 1-2 javaslatom: - nem kell a C6-os 1nF-os kondi a bementre - a kimeneti C4-es csatolokondit nyugodtan megnovelheted 2200µF-ra - a C3-as 100nF-os kondi pedig lehetoleg keramia kondi legyen. Sok sikert!
Szia!
Miért ilyen alacsony feszültségű trafót használsz? Így kb. 6W lesz a kimenő teljesítményed! Ennek az IC-nek egytelepes táplálás esetén kb. 28V kell, ami 20V váltót jelent! |
Bejelentkezés
Hirdetés |















