Fórum témák
» Több friss téma |
Fórum » Wand Clock
Szia Mex!
A hid melegszik rendesen, 5V-nál 0.5A, és rohamosan nő az áram terhelés nélkül! Ha megterhelem, látszik hogy lesz belőle valami, (rezeg a mágnes mindkét végállásban erősen), de még dolgozni kell rajta. Főleg a hid meghajtó áramkörön. Hali.
Az előző hsz-ek egyikében irtam a vas telitődéséről,valószinű itt is ez a baj,hogy csak az ohmos ellenállása a huzalnak ami korlátozná az áramot.
Igazad van elkezdtem rajzolgatni én is és tényleg nem jó az elképzelésem . (fejben jónak tűnt) A te verziód lesz a jó.
Szia Mex!
Tekercsek nélkül is melegszik a hid, nem tudom miért. Nics rajta vezérlés a bázisokon akkor is folyik áram a feszültség függvényében. Csak a hiddal van valami bajom. Megnéztem néhány más ilyen kapcsolást, ott pont forditva vannak a tranyók bekötve, (a kollektorok vannak tápfeszen), egy ilyet is összeraktam, de egyelőre nem tökéletes az sem. A vezérlését kell megoldani ellenütemben hozzá. Hali.
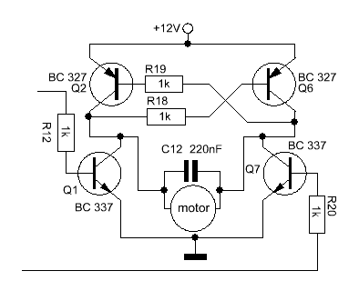
Én ezt használom, teljesen jó. A tranyók cserélhetők nagyobbra is.
Igen most ahogy jobban megnéztem,valóban nem jó a kapcsolás,mert a bázisok közt áram tud folyni vezérlés nélkül is.Bocs a rossz link miatt.
A vicsys-féle az jó lesz,de a kondi értékét lehet,hogy módositani kell, a keletkező tüskék nagysága függvényében.
Persze-hiszen ez alapvetően 1 kis motorhoz lett készítve.
Szerintem a kondi helyett lehetne a tranyók védelmére itt is diódákat használni.
Szia Vicsys!
Módosítottam erre a kapcsolásra a hidat. Valóban jól működik, BD139-140 párokkal. 700-800mA-ig felvittem, már szinte búgott, rezonált, melegedett minden, de tartósan nem rezgett be a lengőnyelv. Nem találtam rezonocia pontot sehol, (5Hz-től, 400Hz-ig), Valószinű, hogy sokkal merevebb lemez kell, mert itt csak olyan 20-30Hz-en lehetett valamit látni. (Egy kétkimenetes ellenütemű multivibrátorral nagyon szépen vezérlelhető a hid). Meg kéne tudni, milyen most az a lemez az eredetiben! Szia.
Tedd még meg,hogy a kondit lecseréled diódákra,mert lehet,hogy más frekin rezonál a tekercs a kondival mint ahol jó lenne.
Amúgy a mágnesek most hogyan állnak?
Szia Zoly15!
Nagyon kéne az a pár adat a lengőnyelvről. Ha a freki nem mérhető meg, legalább "saccold" meg a rezgésszámot. Hali.
Szia Mex!
Semilyen kondit sem raktam a tekercs mellé! 4 db dióda van védelemre. - Azt hiszem, újra kell tekerni a lágyvas-magot, mert szerintem túl kevés a menetszám. Legalább a duplájára fogom emelni. ( A széleknél, ahol legerősebb a mágneses tér, ott aztán rángatja a nyelvet rendesen...). Kell még néhány apró, de nagyon erős mágnes is. Szia.
Úgy érted,hogy a széleken rángatja erősen,de az egyik széltől a másik szélig önmagától nem tér ki?
A széleknél viszont mennyi a kitérés? (még mindig kérdem hogyan áll a mágnes)?
Szia Mex!
A mágnes beállítása annyira körülménye itt, hogy hosszú ideig csak azt forgattam tekergettem szinte mindenféle írányban. At a legnagyobb baj ezekkel az apró mánesekkel, hogy nem nagyon lehet kitalálni az E-D írányukat. Arra hagyatkoztam, és úgy néz ki jó valamennyire, hogy a lengőnyelvet kitoltam erősebb mágneses helyzetig, és ott vizsgáltam meg, mennyire próbálja a kart rezgetni. A legjobb helyzetet megjegyeztem, mert ilyen csak egy volt tapasztalható. (Legerósebb berezgés). Itt lett rögzitve a mágnes. Ezt a műveletet több kis mágnessel is elvégeztem, egy kicsit túltehelve a tekercseket. Igy állítottam be 2-3 mágnestípust is, amit tudok cserélgetni a lengőkaron. Még nincs jó eredményem, mert szerintem túl kisfrekveciás a lengőnyelv, (ez egy kis fürészlap most). Szia.
Szerintem a mágnes legjobb helyzetét és a polaritását,valamint a tekercsek megfelelő bekötését egyenárammal lehet a legkönyebben elvégezni. Talán már irtam az áramkorlátos táp használatát,igy a tekercs sem károsodik. A H hid bemenetét manuálisan vezérelve sokmindent megtudhatsz.
Na de befejezem,sok sikert,és kiváncsian várom a fejleményeket. Üdv.
Szia Mex!
A tekercsek bekötésével kezdtem el a műveleteket, természetesen egyenárammal. Ha felcseréltem a végeket, azonnal tapasztalható volt a mágneses térerő minimálisra esése, amit szintén a végeknél lehetett tapasztalni. a legjobban. (Ha a két tekecset nagyon közelre helyeztem egymáshoz, szintén tapasztalható lett a különbség). Szerintem ezzel már itt nincs gond. Szia.
Szia Mesx!
Mégegyszer megnéztem az egyenáramú üzenben tapasztalható kis mágnes viselkedését. Igazad van, itt sokkal könnyebben el tudtam dönteni, hol a legjobb és milyen a helyzete, vagyis mennyire "taszitja és vonza" a tekercspár. Ez szinte ugyanazt az eredményt hozta mint az előző, csak jóval rövjdebb idő alatt. Nem kellett a mágnest eldönteni, vagy ferdén felerősiteni, igy viszonylag könnyü felerősíteni, majd ragasztani a rezgőnyelvre. (A beállítása szinte pontosan megegyezik a régi, ...3-ig képen láthatőval! Pedig ott még semmi nem volt biztos). Igy működik a leghatásosabban. Felszerelve a lengőre, ugyanúgy nem sikerült még berezgetni. Ma egy másik nyelvet fogok kipróbálni. Szia.
A mágnes erővonalainak nagy része az acél fűrészlapon át záródik mindkét oldalon. Erre gondoltál már? Talán jobb lenne ha ez a rész már nem mágnesezhető anyagból készülne. Akkor most a pólusok párhuzamosak vagy merőlegesek a tekercsre?
Szia Mex!
Gondoltam, igen. Csak az a baj, hogy nem láttam még ilyen szerkezetet összeállítva sehol. Legalább ezekröl lehetne feltenni jónéhány közeli képet. Most addig felfüggesztem a további kisérleteket, amig meg nem győződöm milyen módon van kialakitva az eredeti. Mindenképpen látni szeretnék egy működő ilyen eszközt, ha másként nem megy megvásárolok egyet... Szia.
Meggyőződésem,hogy megtudod csinálni,nem kell ezért venni ....
Abban is biztos vagyok,hogy egy mágnessel is működik,úgy ahogy az "elrendezés 2 " pdf-ben rajzoltam. Ott csak az a bibi,hogy a lengőnyelvnek csak az alsó részét kell rugólemezből késziteni,majd ennek folytatásaképp kellene a mágnest a ledeket is hordozó nyákra rögziteni. Ezt természetesen a rugólemezhez 90°-al elforditva kell csatlakoztatni. Tehát ha szemből nézed akkor a mutató teljes szélességben látszik,a rugólemeznek meg csak a "vastagsága". Magát a mágnest egyszerűen a mutató alsó részén beleilleszteném a nyákba,és ragasztanám. Mágnesnek kiváló a rossz cd-dvd irók fejpozicionáló darabjai. Kicsik,erősek,és én még csak olyannal találkoztam ami a legnagyobb felületű oldalán van mágnesezve,és ez éppen megfelel.
Szia Mex!
Most ahogy elolvastam írásod, újra átgondoltam a dolgokat, lehet hogy átalakitom. A rugólemezt, tekercshez közeli pontján elvágom. és egy nyákcsíkot próbálok hozzá rögziteni. Itt már a rajzokat átnézve, azok alapján, el lehet indulni egy újjabb kisérlettel. Az nagyon jó gondolat, hogy kis mágnest kiszedni roszz CD-s eszközökből. Van sokfajta a fiókomban, de egy sem olyan erős, mint amit emlitettél Itt nálam is akad jónéhány szétszedhető CD. Kösz a "frissitést", folytatom. Szia.
Úgy gondolom,hogy az "elrendezés 2 " fölső részén látható összeállitás egyből megy,és ha netán még rezonanciába is tud kerülni akkor hatalmas kitérést produkál. A tekercsek és a mágnes közti légrést érdemes lenne állithatóra alakitani. Ja és még fontosnak tartom,hogy ne keletkezzen mágneshid a két tekercs között. Tehát a két tekercs egymáshoz rögzitésénsél jó lenne réz,vagy egyéb nem mágnesezhető anyagú távtartó és csavar.
Szia Mex!
Sziasztok! ELINDULT a rezgettyű! Egy kicsj mágnessel, eléggé távol a tekercsekhez (?), új kis rezgőnyelven egy darab 1mmx60mmx5mm nyáklemezhez erősítve, (erre van felrakva a mágnes), most kb. 15-18 Hz, és rezeg. A feszültség az áramkörön 9.5V/0.2A. A feszültség növeléssel nagyobb a végkitérés is. Néhány kép az egyszerű összeállításról. Felrakom nemsokára a vezérlő teljes kapcs. rajzát is. Teszek majd fel MOV-ot is a müködésről, de túl nagy lesz a file amit csinál a fényképező,, min.3.5MB!
Örülök a sikernek! A mov-ot tedd fel pl.a data.hu-ra,és linkeljed,de ezer más hely is van.
Jut eszembe:ha a rézfóliát lehúznád még jobb eredményt kapnál,ugyanis az felfogható egy rövidrezárt menetnek,amiben örvényáram indukálódik a tekercs és a mágnes kölcsönhatása miatt, és fékezi a rendszert. :yes:
Én is örülök hogy sikerült.
Mekkora az amplitúdó 200mA-nél?
Szia Mex!
Javítgattam kicsit a szerkezeten, és most 5V/0.16A-nál teljes végkitérést csinál!!! A PDF_2-ben az alsó rajz szerinti a legtökéletesebb. Mindkét tekercsben párhuzamos a kialakult mágneses erőtér. A tekecsek sorban vannak bekötve. Még nem szedtem le a rézfóliát, de majd azt is kipróbálom. Nem kell beindítani, elindul magától és gyorsan beáll a rezgés. Hamarosan fent lesz egy nagyobb MOV állomány a data.hu-n, és rakom a linkjét azonnal ide. Egy pici movocskát azért felteszek. Szia.
Kitűnő! Mondjuk én a felső rajzhoz nagyobb reményt fűztem. Kicsit hagy kekeckedjek: a mágnespólusok irányát hogy állapitottad meg? Mármint,hogy párhuzamos,vagy merőleges a tekercsekre. Csak azért vagyok kiváncsi,mert egyáltalán nem lehet ránézéssel megállapitani milyen irányokban van felmágnesezve például egy téglatestalakú mágnes. Lehet a legnagyobb felület a kitüntetett irány de ezen kivül lehet a hosszabbik éle,és a rövidebb is. Szóval képről nem tudom.
Rajzoltam mégegyet. Nem erre hasonlit inkább az elrendezés? A lényeg a pólusokon van,ebben az esetben is merőlegesek a lengő mágnespólusok a tekercsre,csak a mágnes méretein nyújtottam.
|
Bejelentkezés
Hirdetés |





A vicsys-féle az jó lesz,de a kondi értékét lehet,hogy módositani kell, a keletkező tüskék nagysága függvényében. 






