Fórum témák
» Több friss téma |
Valószinű 555 is tudja ezt egy RC taggal a 2 lábán monostabil módban de a 4541 vagy a 4538 szintén az indító ill reset lábán egy RC tagot alkalmazva jó lehet neked.
Hali!
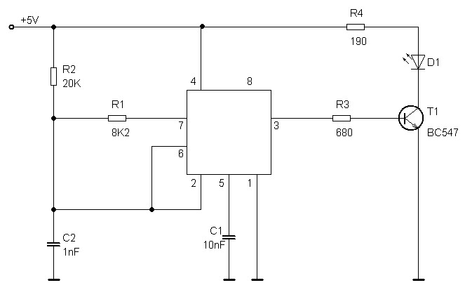
Nekem olyanra lenne szügségem hogy két infra LEDet 36kHz-en kéne meghajtani 555-ös IC segítségével 5 volt tápfeszről! A LEDek 1.2 voltosak és 20 mA-esek. Aki tudna egy kapcsolást segítsen!
Pixi! Ahogy elnézem nem ma regeltél...
Az oldalon van 555-ös segédprogi,miért nem használod a számitásokhoz? Azért rajzoltam a kivánalmaidnak megfelelőt. A potival pontosan be tudod állitani a 36kHz-t.
Hali!
Köszi a rajzot! Amúgy megnéztem az oldalon lévő progit, de nemsikerült benne összehozni a megfelelő frekit! Ezért kértem a segítségeteket!
Sziasztok!
Nekem egy olyan kapcsolásra lenne szükségem, mely egy nyomógomb lenyomásakor behúz egy relét, majd a nyomógomb felengedésétől számítva 30s múlva a relét elengedi. A segítséget előre is köszönöm.
Sziasztok.Olyan kapcsolás kellene nekem 555-tel,amely állandóan rajta lévő tápfesznél egy impulzusra be,majd köv.impulzusra kikapcsol.magyarul:bistabil multi,vagy JK flip-flop.Egy erősítő vezérlésére lenne alkalmazva.
Idézet: „Olyan kapcsolás kellene nekem 555-tel,amely állandóan rajta lévő tápfesznél egy impulzusra be,majd köv.impulzusra kikapcsol.magyarul:bistabil multi,vagy JK flip-flop” Mindent tudsz Eddig hol tartasz a kapcsolással, mutasd megnézzük segítünk.
Dehogy tudok mindent, :no: akkor már rég összeraktam volna.Két tranyóval is megoldható,de ahhoz nincs kedvem...ezzel az ic-vel szinte mindenféle imp-technikai áramkör létrehozható,cs.nem tudom,hogyan.egyszerű alapkapcs.kellene-->sehol sem tartok.
Kicsit nézegeted a topicot rátalálsz pár megoldásra
monostabil Szívesebben segítenék ha látnám, hogy próbálod a kapcsolást te is összehozni.
A te barátod a 4013-as IC lesz! :yes:
Ezzel könnyedén meg lehet oldani. Persze sokféle megoldás létezik... S hogy kicsit segítsek! Kattints IDE!
Oké,de nekem bistabil kellene.Nem mono...ha próbálkozok,azzal csak tönkreteszem az ic-t.
Sajnos 4013-asom nincs itthon.555 van...de már megoldottam két(három)tranzisztorral.A harmadik tr.szilárdtest-relét vezérel,az kapcsolja a trafót.Nem túl elegáns...de működik.Az erősítő dobozán a"power"-gomb egy mikrokapcsoló,azért kell ez a megoldás.Egyébként köszi,jó az oldal...
Itt kapsz egy kapcsolast:
Bővebben: Link
Köszönet!! Ez már pontosan az,ami nekem kell. :yes:
Hogyan tudnám azt megoldani egy 555-ös IC-vel, hogy KB 2 percenként bekapcsoljon 5MP-re?
Elég extrém segédprogramok /képletek 555 rovat 680K 15K 220 mikrofarad kimenet invertálva vagy a pluszhoz képest.
Akkor hogyan lehetne ezt a legegyszerűbben megoldani?
A rajz ott van a kimenetre meg nem tudom mit akarsz kötni.
Bővebben: Link < 555 Astabil MV. > [off] ( S megoldható az is, hogy a töltés és kiütés (T1-T2) idejét külön ellenállással állítod be két diódával. )
Segítséget kérnék!
Van egy 12V = behúzótekercses relém, ezt szeretném mp.-ként kapcsolgatni. Tudna valaki segíteni?
Sziasztok! Elkészítettem az alábbi kapcsolást de csak félig működik tökéletesen. A led nem csak akkor világít amikor az érintkezőket víz éri, hanem alaphelyzetben is nagyon halványan világít. Nem tudom mi lett elrontva. A trantisztor bc547 , de nem hiszem hogy ez lenne a rossz.
Próbáld meg csökkenteni az 1M Ohm-os ellenállást. Szerintem a túl nagy ellenállás miatt nem tud lezárni teljesen a tranzisztor.
Szia!
A válasz ott van a képen... A nyitott kapcsolónál a LED feszültsége megközelíti a küszöbfeszültségét (1.68V). Az 555 kimenete és a LED közé egy áramkorlátozó ellenállás kellene kb. 180-220 ohm. Szia
Sziasztok! Kísérleteztem mindegyik általatok javasolt megoldással, de a dióda lett a megoldás. Köszönöm a segítséget.
Nem szép ( s nem korrekt megoldás ), hogy az 555-öst HÁTBA TÁMADOD a LED-en keresztül.
( Szerencsére csak a LED-en keresztül jut idegen feszültség az IC kimenetére. ) Miért nem a RESET bemeneten keresztül tiltod le az 555-öt. ( !? ) Vagy a LED-et kell a VCC-pontra átkötnöd. [off] S ez pont egy olyan téma amit itt is ki lehetett volna tárgyalni...
Én is gondolkodtam ezen,de elemes táplálásnál ez a kapcsolás szerintem egyáltalán nem korrekt.
Egyrészről kapcsolóüzemű táp hogy keveset fogyasszon ,más részről meg egy "hátbatámadott" folyamatosan fogyasztó 555 ... |
Bejelentkezés
Hirdetés |











