Fórum témák
» Több friss téma |
Mielőtt kérdezel, a következő két dolgot ellenőrizd!
I. A helyes tápfeszültségek megléte.
II. A kimeneten van-e egyenfeszültség.
Élesztés.
Szia!
Amiért az van írva a tranyóra, hogy Sanken, nem biztos, hogy ott is készült! Durva végfok zárlat esetén érdemes a végfokok környékén lévő kisjelű diódákat, tranzisztorokat cserélni! Szeretnek kontakt hibásak lenni, és ha a munkapont beállításban is részt vesznek, a következmény drasztikus is lehet!
Szia!Ha nem a HQ-nál veszem meg hanem máshol, ott is (sanken-t) tudnak adni és arra sincs gari hogy eredeti.
Mondjuk én a kültséghatékony alkatrészen azt értettem hogy eggyes gyártmányú alkatrészek nem teljesítik a katalógus adatokat, de ezekszerint rosszul gondoltam?Átmértem a panelt és pár ellenálláson meg a két végtranyón kívül nem ment tönkre semmi feleslegen meg nem akarnék cserélni semmit,de ne érsd félre én nem kételkedek benned csak nem túl egyszerű felípétűső végfokról van szó úgyhogy van benne cucc bőven...Amúgy a PMA-700V végfokához hasonlít szinte ugyanaz kissebb változtatásokkal, ha gondolod feltehetem hátha tudsz valami okosat mondani...
Ja azt multkor elfelejtettem megemlíteni hogy nem azért ment tönkre mert letakartam papírral a tetejét hanem mert összeért a hangfal zsinór csak másnap vettem észre szóval előtte stabil volt a végfok, így is az a véleményed hogy valamelyik tranyó kontakthibás lehet?
Baji féle fetes egyébként!
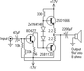
Nézd meg ezt a két rajzot!
Az 50W-osban a T5, a másikban a két 1N4004 dióda állítja be a nyugalmi áramot! Végtranzisztor zárlatnál ezeken az alkatrészeken nagy áram folyhat! Ha bármelyik kontakt hibás lesz, kimérni szinte lehetetlen, de hiába építed újjá az erősítőd, egy pillanatnyi megszakadás is elég ahhoz, hogy a vadi új végtranzisztorokat teljes nyitásba küldje, azaz a túlvilágra! El kell gondolkozni rajta, hogy egy-két párforintos alkatrész megspórolása ér-e többet, vagy az új végtranzisztorpár!
Ok meggyőztél kicserélem a nyugalmi áramért felelős tranyót, csak nekem ez még új dolog hogy egy tranyó kontakthibás legyen.Nem a pár forintos tranzisztor nem akarom megvenni, csak nem akarok felesleges forrasztásokat a fólián csinálni de hiszek neked te már tapasztaltabb vagy, és nem vedd kételkedésnek az előbbit.Látom az 50W-os az a VIDI végfok anno sokat javítottam olyat...
Egy végfok csinálja ezt, vagy több is?
Ellenőrizném a C11, C13-at, D6-D7-et, R21-R22-őt! De ha a pár másodperc után jól működik az erősítő nincs semmi baj. Illetve gyanús, mert jobban megnézve az R20-C3 időállandója kb. 3másodperc! Ennyi kellhet neki a felálláshoz!? Próbáld ki, cseréld ki a C3-at 33µF-re, és merd meg mennyi idő alatt áll fel az erősítő!
Nem vettem kétkedésnek, én is csak a tapasztalataimat írom le.
Amúgy jó ha úgy állítom be a nyugalmi áramot ha a jó oldalból kiveszem a + ágban lévő biztit és műszert kötök be hogy megtudjam hogy mennyi,majd ugyanígy a másik oldalnál is és erre az értékre állítom be?
Két végfok is ezt csinálja de én is erre gonoltam hogy kell neki 2-3másodperc,hogy beáljon majd holnap magpróbálom a kondicserét!Kössz szépen az infót!
Nos kicseréletm benne a 100µF kondit 47µF ra és egyből indult jó áram felvéttel de sokkal gyengébben szól !
Bár ha jobban megnézed a rajzon akkor szerintem a nyugalmi áramért felelős T501 mégsem kaphatott nagy áramot mert előtte ott van 2db 1K-os ellenállás.Meg a végtranyókat hajtó tranzisztorok is megmaradtak ráadásul ennél a végfoknál dupla hajtást kap a végtranyópáros.Mondjuk ez teljesen nem eggyezik meg az én erősítőmmel de minimálisak a külömbségek a főbb külömbség hogy nekem csak egy pár végtranyó hajtja a hangfalat, de még a kondikat is átmérem a biztonság kedvéért.Amúgy konkrétan ezek az alkarrészek mentek tönkre R551,R553,R559,R567,R569 és TR511,TR515 az ellenállások szabály szerint kiégtek...
Lenne egy kérdésem csináltam egy 300Watt os tranyós végfokot és nincsen csak 2,2Ohm 5Watt os ellenállásom szerintetek az jó lenne emitter ellenálásnak vagy inkább vegyek bele 0,33ohmot?
Mert a kapcsolási rajzon is 0,33Ohm van.
A gyári értéktől ne térj el, se lefelé, se felfelé. A 2,2 Ohm nagyon sok, még 0,47-tel próbálkozhatnál, de az is befolyásolná a működést.
Lehet hogy nem jó helyre írok de az erősítőmön van két led ami külön külön végfokra van kötve de amikor feltekerem a hangerőszabályzót elkezd villogni. Csak angolul van a leírás de nem tudom mit jelent annyit kitaláltam hogy figyeli a kimenetet. Vagy a hangszórót is figyeli? ha valaki letudná fordítani azt megköszönném.Mert a haverral már mindent kipróbáltunk de ugyan úgy villog vagy világít.
Szia!
Amiről írsz az a clip jelző led. A villogása azt jelzi, hogy a végfok a maximális kivezérelhetőségének a közelében jár.
Sziasztok!
Kutatgattam a neten erősítő ügyben.. Találtam is egy kapcsolást (csatolmány). A tranzisztorokat mivel helyettesíthetném? A BD135-136 páros csak 12.5W míg ami benne van az 20W Ha a BD-kel építeném meg elpukkannának? A teljesítményt úgy szeretném lejjebb venni hogy csökkentem a táp feszt.. Mer nekem 4OHM-on már sok lenne az a 10W elég lenne 5-6W-is.. Mennyire csökkenthetném le? +/-12V? Ha nem építhető meg a BD-kel valaki nem tudna javasolni valami helyettesítőt? A meghajtótranyót mivel lehetne helyettesíteni? (ilyen pont nincs itthon) Ha szabad feltenni a kérdést a meghajtótranyó miért 40W-os? Vagy ilyen "jutott" oda? Ebben a kapcsolásban a kinemeti elkó miért kell? Bocsi az amatőr kérdésekért evvel kezdeném az "erősítő ipart" üdv!
Nem sok jót nézek ki ebből a kapcsolásból. :no:
Ha egyszerű,olcsó minierősítőt akarsz, jobban jársz egy TDA 1554 megoldással.(600 Ft-os ic)Az csak szimpla tápos és alig kell hozzá alkatrész, és még jól is szól.
Szia
Én a barátja vagyok. Egy kérdés Egyszerűbb,ha én írom,mert jobban tudom a saját gondolatom ![]() Tehát: Amit próbálkoztunk: Hangváltót építettük át (áttekertük és jobban beszabályoztuk) De csak csökkent a villogás...meg nem szűnt.Ha a mélyre rajtahagyjuk a 47mikrós kondit,akkor szinte 1/3ad teljesítményen is villog. És jobban is melegszik. Most kondi nélkül van,így a mélyre egyáltalán nem villog. A kérdésem az volna,hogy pontosan mit mér ez a clip rendszer? Kimenő négyszögjelet, U-csúcsot,visszacsatolást(pl kondi által), Avagy egy beszabályzott maximumot. Az utóbbit nem hinném,mert akkor miért módosul,ha mi építettük jobbra a hangváltót. Köszönöm válaszod
Hogy a clip jelző rendszer az adott végfokban pontosan mit figyel azt nem tom, de végeredményben a kimenő teljesítmény felső határánál lép működésbe.Amikor klippel az erősítő, akkor már kezdi levágni az amplitudó csúcsok tetejét, ilyenkor kezd el számottavően torzítani.Ha a 47 mikrós kondit a mélysugárzóra párhuzamosan kötöttétek, magasvágás gyanánt,akkor azzal a meddő teljesítményt nőveltétek, azt amit az erősítő leadni kényszerül, de sehol sem hasznosul és még a fázismenetet is frankón eltolja.Passzív hangváltót készíteni majdhogynem művészet, tökéleteset lehetetlen csinálni, jól használhatót is csak erős kompromisszumok árán lehet, és mindig az adott hsz.-hoz kell tervezni őket. Az M.N.C. , a SAL, Conrad stb. univerzális hangváltói sajnos csak kivételes esetekben hoznak elfogadható eredményt.
SZia
ok..akkor...ez mitől keletkezik? A hangszóró kicsi? Az erősítő kicsi? Ui.: A hangszóró azért nem lehet kicsi,mert a mélynél megszűnt a villogás,hogy a hangváltót beszabályoztuk a hangszórókhoz. Illetve kivettük a hangváltóból a mélyhez való kondit. Az erősítőre meg megint nem értem,mert mi ugye nem tekerjük túl a villogásnál....így innen tudjuk,hogy mikor lett jobb a hangváltó,mert később kezdett el villogni sokkal)...jelenleg itt tartunk,hogy közel a maximum most már,de még nem az... Remélem még érthető
Szia
Értem...azaz remélem ![]() Pont ezt próbáltam leírni,hogy ezért építettük át sokadjára a hangváltót...mindig javítva valamelyest,hogy ez már ne lehessen gond. A kondis válaszodat köszönöm!...ez magyarázat... Egy dolgot leszámítva....ideiglenesen bekötöttük 4 utasra a hangfalat,hogy azt a 47mikrót hasznosítsuk egy mélyközép hangszórón. Az eredmény icipicit javult csak. Ezért nem építünk át egy ládát. Passzív hangváltót pedig azért kell ebben az esetben,mert itt még nem beszélünk akkora teljesítményről,hogy otthon ne lehessen elkészíteni egy kis számolás és egy jó műszer segítségével. Nálam már külső tanácsok sokasága kellett... De úgy látszik itt is elfér pár,mert már tényleg nem tudjuk végleg megszüntetni. Köszönöm amúgy!
Ezt én nem értem.
"ok..akkor...ez mitől keletkezik?"...mi? "A hangszóró kicsi? Az erősítő kicsi?"...??? Ami meg utánna jött azt úgy ahogy van nem értem. Mi az hogy "beszabályoztuk a hangváltót a hangszórókhoz"? "Az erősítőre meg megint nem értem,mert mi ugye nem tekerjük túl a villogásnál"...ezt a mondatot nem értem, csak a második tagmondatot. Az hogy hol a maximuma egy végfoknak azt szkóppal tudod megnézni, és nem clip led-del.
Nos a mélysugárzó szűrőjét kell a legkörültekintőbben elkészíteni.Nagyrészt a hangszóró eredő induktívitása határozza meg hogy milyen értékű kondit lehet a hangszóróra kötni és hogy ezáltal milyen frekitartományt lehet a hangszóróval megcélozni.(ebből a szempotból...van még számtalan
)
Ok..elnézést...érthetőbb leszek.
Egybe szerintem meg tudom fogalmazni: Mi tudunk hangváltót készíteni....kicsi és gagyi termékekkel megáldott boltok miatt rákényszerültünk az elsajátításra.De élvezzük. Akkor: Ugyanarra a hangfalra hogy lehet más erősítő maximum,csupán azzal,hogy a hangváltót módosítjuk vágási szempontból. És nem 10-20W vagy 2-3dB különbség van hangzásra..hanem hát sokkal több... Eddig azt hittük,hogy rossz erősítőt vettünk,mert túl kicsit....átalakítottuk a hangváltót,hogy pontosan illeszkedjen a hangszórókhoz és a vágási frekvenciákhoz.
Ok....ezt is értem most már
Minket a kondenzátor hiánya nem zavar,mert nem ijed meg a mély 600-700hz-től...jelgenerátorral sem vészes,csak szerettük volna,ha mindenki azon a frekin dolgozik,ahol jobb neki.A hiba amúgy még a közép és magas tartományra áll fent. Teljes mélytartomány egészen a torzításig tökéletes.... De a közép és magas akár együtt,akár külön még bevillog. persze már nem annyira,mint,ha nem nyúltunk volna hozzá a hangváltóhoz....csupán elfogyott az ötletünk,hogy miért áll még mindig fent. Persze ezen kérdésem csupán arra irányul,hogy ha még nem torzít,akkor miért jelez mégis.
Ha villog clip, akkor a végfokból kimegy az a bizonyos teljesítmény, csak éppen elveszik a remek passzív hangváltó tekervényeiben :yes:
A magassugárzó direktben, végfok előtti aktív szűrővel sem tudná megvárni szegény hogy klippeljen vele a végfok, mivelteljesítményétől függően, kb 30-80 W körüli teljesítményszinten végleg elhallgatna |
Bejelentkezés
Hirdetés |









Vagy ilyen "jutott" oda?








