Fórum témák
» Több friss téma |
Fórum » Csöves erősítő készítése
Ne feledd betartani a fórum viselkedési szabályait, és a topik megmaradásának feltételeit. [link]
A téma átmenetileg fagyasztva lett, hozzászólni nem tudsz!
Á a tükör nem mindig zavar... de borotválkozáskor akár még hasznos is lehet
Amúgy szépen működik most már a kincsem, pedig egy MÉH telepen bukkantam rá. Ami a csoda, hogy a trafókat nem belezték ki belőle és esztétikailag is szépen néz ki.
Az tényleg csoda. A félvezetős TV-kből még a hűtőbordákat is kitépik.
Az hagyján, nálunk lomtalanításkor a színes fémkereskedők (akik egyben színesfémkereskedők
), a hibrid tévékből kiszedték a hangkimenőket, szétlemezelték, elviték a tekercset, a lemezeket eldobálták, a hipersil képkimenőkkel ugyanígy tettek. Meg ugye alap, hogy a képcső végét tekercsestül letörik
Igen, a 666. Az a vicces, ha azt mondanád neki, adja oda - egyben - egy százasért, senki sem járna rosszabbul. De erre már nem futja.
Szerk: Nálunk most volt lomtalanítás, de már csak műanyagkávás TV-k voltak kihajigálva. Vidéken jobban "kihasználták az üzemidejét" a TV-knek.
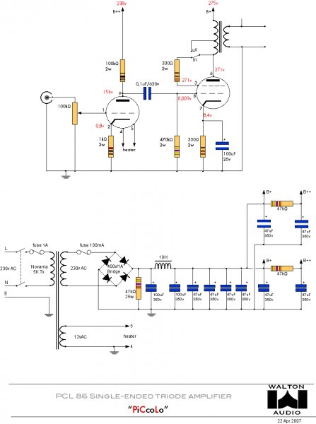
Na megszolalt a Se pcl-tal, de adodot egy másik hiba, a pentodának a nyugalmi árama 5perc zene halgatás után megurik. A katodon a feszültség 12volt, fel megy 30voltra. S nem tudom van egy alap brumja, hogy lehetne ezt megszüntetni?
Itt rajz nálam a tápfesz 320volt, a katod ellenállás 470ohm
Gázos a cső, cseréld ki.
Ui: Ha nem segít, nézd meg a pentóda rácsára csatoló kondit, lehet, hogy átvezet.
Én is néztem ezt a rajzot már, szerintem kevesebb kéne, de itt ez szerepel. Én max 220 Ohm -ot tennék.
kosz szépen, igen a cső volt a hibás :yes:
egyet sem dobok ki, még jó a gyüjteményemben! :yes:
akkor nagyobb watot ad le?
Ezek csak barbár mocskok akik selejtjei az emberiségnek és borra váltják az amúgy még értekes dolgokat, de legalább akkor ne lennének irígyek a náluk okosabb emberekre !
ebben egyetértek veled!
Idézet: „akkor nagyobb watot ad le?” Itt arra gondolsz, hogy mi történik a csővel, ha gázos? Leírom, ha mégsem erre voltál kíváncsi, akkor bocs. Az történik, hogy a nagy sebességgel repülő elektronok nekiütköznek a búrában található gázmolekuláknak, és leszakítanak róla egy elektront. Ezzel + ionokká válnak, amik a negatív elektródák felé veszik az útjukat. Legfőképpen a vezérlőrács felé. Ezek - ahogy növekedik a számuk, mert hogy kezdenek felforrósodni az elektródák, amikben megbújtak - nyitásba vezérlik a csövet, amely szinte "öngyilkos" lesz.
Jaaa!
Ezt jól benéztem. Az a gyakoribb beállítás, TV-kbe is ilyesmi volt.
Imi65 írta:
„P-zero, ECL82PP (mi mindenből lehet jó erősítőt csinálni...)” Ez így van. És ugyanezekből sikerült a Pioneernak kegyetlen rossz hangút is csinálni. Azért itt sem volt fenékig tejföl minden, CD-ről pl. nekem egyáltalán nem tetszett (kicsit karcos, szintetizátoros volt a hangja, amolyan jófajta tranyós hangnak tűnt), át is kötöttük rádióra (Swiss jazz és Swis classik), ott már jó volt, persze ez mitsem csökkent az Atlantis képességein. A többiek megmagyarázták, hogy azért nem jó CD-ről, mert átviszi a cd hibáit is, de én ebben nem hiszek, szerintem valami nem stimmel az erősítővel, de majd még próbálok hallgatózni, ha hasonlítani tudom az általam készített PP-vel.
Egy jó erősítő lehet "válogatós" az eddig legjobb hangminőséget produkáló 6P45Sz PP "nem szerette" az MD hangját ( a kazettásét még úgy se), de a CD-vel semmi baja nem volt. Valószínű, hogy "neki van igaza", mert a kazettás is gyengébb felvételt produkál az MD-ről, mint a CD-ről, ugyanakkor félvezetős erősítővel a két digitális jelforrás között nincs számottevő különbség. (A műsoranyag ugyanaz, mert az MD-re optikai úton másolt CD-t nem sokan tudják az eredetitől megkülönböztetni. Ha sikerül szinkronban elindítani, akkor egyik jelforrásról a másikra "menet közben" is át lehet állni, hangerőben kiegyenlítettek.)
én ugy értem nagyobb teljesitményt tud átadni a cső a kimenő tekercsnek?, ha kisebb értékű ellenállást használok!
Ez a DC csatolt meghajtás legvége a PP végfok . A végét is teljesen szimmetrikusra csináltam , lehet kicsit eltérő a megszokottól . Mérések és a meghallgatás dönti el , hogy lesz-e átfogó visszacsatólás .
Végre van internet, srácok vissza tértem közétek!
De látom, hogy szépen termeltetek addig is, gratula Müszi
Feltűnt ám, hogy nem szólsz hozzá, csak nem tudtam az okát!
Igyekeztünk. :yes:
E esemény volt okozója, de fő hogy van.
Én is termelek, egy félvezető nélküli csöves EBL21 erősítő monoblockot, elektronikai versenyre, a kapcsolás kifejlesztve, csak a dobozolás van hátra. A kimenő egy képkimenő, szerintem szépen szól 250V-ról. üdv
Áhá, költöztél. Így világos, de az a lényeg, hogy itt vagy. Sok sikert a versenyhez, azt gondolom, hogy ehhez hasonlót sem látnak majd senkitől. CSAK TŐLED.
Nagyon igényesen szeretném a dobozt elkészíteni, bár nem lesz egyszerű. De a szilícium mindenképp ki van űzve ebből a csövesből.
üdv.: Müszi
Szia Müszi,
mi lesz az előfok meg az egyencső? Ugye a 21-es sorozatból valók?
ezek a katódba kötött visszacstoló tekercsek a Quad kapcsolásra "hajaznak" ? Kíváncsi vagyok amúgy a hangjára! nekem is át kellene térni már a PP-kre
![]() tegnap megtekertem egy PCL86 PP hálózatiját, ma jön az egyik kimenő, csak előtte még egy El84 PP gitárcucc hálózatiját kell befejeznem
Sziasztok,
Az lehetséges hogy beraktam egy 330 ohm / 2W-os huzalpotit fűtésközepelésnek és egyszerűen nem hallok semmi válltozást ha tekergetem? Annyira nem nagy gond mert nem brummog csak "súg" legalábbis még így szétszedett állapotban üres bemenettel (összerakva közelebb-egészen közel kerül a csőfoglalat és így az alkatrészek is a toroidhoz )!
lehetséges! A zaj okát nem (biztos hogy) a fűtés okozza. "súgás" lehet hibás bemeneti imoedancia illesztéstől is, lehet rossz minőségű (pl szénréteg ) ellenállástól, vezetéktől ..stb ezer meg egy oka lehet Ha van szkópod, akkor mennyél rajta végig hátulról előlre, hogy melyik fokozatnál kedődik a zaj
|
Bejelentkezés
Hirdetés |


), a hibrid tévékből kiszedték a hangkimenőket, szétlemezelték, elviték a tekercset, a lemezeket eldobálták, a hipersil képkimenőkkel ugyanígy tettek. Meg ugye alap, hogy a képcső végét tekercsestül letörik 
)! 