Fórum témák
» Több friss téma |
Fórum » Kutya macska (vad) riasztó
Erről már én is hallottam, sőt ez itthon is működik, de én megelőzni akarom a problémát nem pedíg követni...
Azért köszi...
Én is macsekos vagyok, együttérzek veled
![]() Csak egy felvetés, hogy az milyen lenne ha egy rádió adó-vevős kütyü, és ha a cica nyakában a vevő nem érzékeli az adó jelét, vagy fordítva akkor jelez? Meg lehet ezt valósítani?
Akkor már túl késő... nem érzékeli a jelet, a macska eltűnt... ugyanúgy keresni kell.
Én arra gondoltam, hogy a kerítés illetve a terület köré érzékelőket helyezni a cicára meg egy adót és ahogyan közelít hozzá úgy kezd el több led világítani, ha meg teljesen mellette van, akkor meg egy piezzo sípolna így még idejében rá lehetne nézni a macskára és nem csak a hűlt helyét találnánk.
Most csak "hangosan gondolkodok"... ha a kerítést használnád "antennának"? És a macsek nyakában az adó, és több vevőt építeni. Azoknak az antennája a kerítés, és ha a vevő minél erősebb jelet vesz annál jobban nő a jelzés mértéke? Csak elmélet, kapcsolást nem tudok
Van egy bizonyos frekvencia amelyet az álatok nem szeretnek pl.a postások használják kutyák el riasztására. Ezzel a frekvenciával megtudnád oldani, hogy ne szőkjőn meg, vagy van egy jobb megoldás Maslow effektust kihasználni megtanitani neki, hogy pl a kajával öszekőtni valami ingert. Maslow egy kutyát tanitott meg mikor felkapcsolta a villanyt a szobába azután kővete a kaja, egyszer nem adot kaját a kutyának, de viszont a kutya már elkezdet "nyálazni" felkészülve az emésztésre.
Tehát szerintem kikéne alakitani ezt az effektust, én az elektros részét ugy oldanám meg, hogy egy üzenetrőgzités cucra vagy valami hangtárolora vetenéd rá a hangodat ez lenne az inger és eszt a macsek meghalaná és vissza fordulna a kajáért valami jutalomért!!!!
Igen igen, erre gondoltam csak azért nem úgy írtam, hogy sípol és egyre erősödik, mert akkor lehet egész nap halkan sípolna az egész ketyere, ami idegesítő lenne, ezért csak pl egy 12ledes kivezérlésjelző ledei világítanának, esetleg a 12. led helyére lehetne bekötni egy előerősítőt és egy piezzót, hogy ha már azt a szintet eléri akkor sípoljon.
Nos, az elmélet jó és van is benne fantázia...
Ellenben nem ismered az én tréfás szürkémet! Tán azzal kezdeném, hogy egy Kardhauzi kékről beszélünk. Roppant értelmes és roppant fifikás kis dög. Elösször is, ellentétben más rendes macsakával a ciccegésre nem hallgat. Kiskorától füttyre van szoktatva! És még sorolhatnám a szokatlan tulajdonságait! Valamint simán hallagat a nevére is. Mit is mondjak, az én nevelésem!!! Itthon körbe betonkerítés van (persze mintha nem is lenne) Viszont a kapu az kovácsoltvas... Mindenesetre nem a kerítés a lényeg. Meg van tanítva, hogy nem szabad kimenni és figyelünk is rá (csak akkor van kint amikor mi is) Viszont rendszeresen megpróbálja érvényesíteni a palánkjegyet. Ilyenkor elég rászólni és már fordul is vissza... Mindenesetre neki is néha szerencséje van és ő a gyorsabb... Nos ezt akarom megelőzni...
Nálam ez a kerítés antennás dolog nem igazán jön be, mert vasbeton...
Arra gondoltam, hogy a kerítésre szerelnék mondjuk az oszlopokra (2m) infra vagy fotocellás kapukat mondjuk térdmagasságba és azok vezérelnének egy "sokkoló" hanghatást amitől egy idő után elmenne a kedve a szökéstől. Vagy?!?!?!? Ha már antennáról beszélünk. az szerintetek megoldható-e, hogy Pl: szintén térdmagasságban végíg fut egy drót, mint antenna. Macsek nyakában egylehetőleg passzív érzékelő vagy jeladó és ha bizonyos távolságra megközelíti az antennát akkor indul a "sokk" int amolyan elijesztés... Nos? Ja, a kerítés hossza összesen kb 80m...
Macskusz Amatőrikusz működését megfigyelve arra kellett jutnom, hogy csak a fizikai korlát megoldás.
Ez a példány lakásban él, azon belül akartam korlátozni helyét. Volt tanács az alufólia, melyet nem szeret a macs, ezért kerüli. A miénk úgy félóra alatt megbarátkozott vele és nyugisan járt-kelt-aludt rajta. Nem hiszem, hogy bármi mást ( sokkoló ) is komolyan venne...Az új dolgoknak ( pl. mosott ruha ) semmi macskaszaga nincs, amit sürgősen pótolni kell - rajtaalvással és kaparással. Most új TV került a házba, remek kaparó- és alvóhely. Megoldás: a hűtőgép felesleges rácsát tettem a TV tetejére. Eléggé lejt és kényelmetlen, hogy csak a TV elején aludjon... Gondolkodtam a áruvédelmi ( Electronic Article Surveillance ) megoldásokon. Az EM ( elektromágneses == amorf fémes == fémüveges ) változat elsőre jónak tűnik. A macson apró cimke ( cimkék ). Kerítés pedig tekercsrendszer. Mivel a cimke passzív, ezért aránylag nagy teljesítménnyel kell gerjeszteni. Talán pár kilowattból megúszható. Már nem is olyan szép ![]() 2in1: határon sokkolót már kifejlesztették: villanypásztor néven De csak a más macskájának...
Fergeteges a főbérlőd!
Az enyém szerencsére egy nagyon rendes példány. Valóban semmit nem szed szét és nem is kapar... csak azt amit amúgy is erre a célra kapott. Viszont amit kint művel (fentebb leírtak) lásd szökési kísérletek, akarom megakadályozni. A legutobbi illegális körletelhagyás óta nincs kimenő! Persze ez nekünk sem olyan vidám... Ezért keresem a megoldást...
Idézet: „Hosszú, zsemleszínű szigetelőanyaggal ( szőrrel ) borított.” Húú...... még mindig fekszek a röhögéstől ![]() Ilyet kitalálni, hááát hihetetlen ![]() OFF : ez a smiley egyáltalán nem tükrözi a "jókedvemet", ezt még szorozd meg kb. 1000-el. Az én macsekom is zsemlés színű, csak nem perzsa. /OFF ![]() De köszi, nagyon jót nevettem. Idézet: „Pedig nedves pisze kis orrocskája ideális földelés - ellentétben Blöki fülével.” Ezen lementem hídba!
Sziasztok!
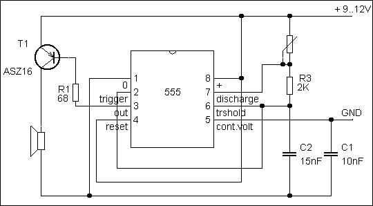
Nem tudjátok megmondani, hogy az ASZ 16 tranzisztor helyett mit lehetne berakni? Sajna már nem lehet beszerezni. Köszi
bármilyen pnp jó ide sztem, valami BD*** pl...
Szia!
Szerintem felesleges a kerítést végigantennázni, egy vevő+vezérlés+piezo a nyakörvre, egy vagy több adó azokra a helyekre, ahol szeretnéd, ha viszonylag magas lenne az előfordulási valószínűség. A vevőnek kb. annyit kellene talán tudni, hogy az adott jelet felismerni, erősségét valamilyen mértékben meghatározni, tudni, hogy mikor hallotta utoljára, erősségtől függően 1-3 hangerőt produkálni (esetleg ha már jó pár ciklus eltelt és nem használt, akkor fokozni). E mellett "kényelmi" funkcióként valahogy jelezhetné, ha az akkufeszültség már elég alacsony. Az adó(k)nak csak ki kell tudni adni időnként egy meghatározott jelet. Ez üzemelne akkor is, ha már meglépett (sőt, leginkább akkor). Ha annyira fifikás, rájön, ezért is jó, ha van pár fokozata a bűntinek. Cserébe áramszünetre gondolni kell, mert ha ezzel a nyakán bezárod a házba és elmegy a delej a hálózatról üzemelő adókból, akkor szerintem szétvési a berendezést... A másik, hogy épp a több fokozat és a fifika miatt rájöhet, hogy mikor merült le a nyakörve (amikor nem sípol ott, ahol máskor már kicsit szokott), ezért kell előbb tudnod. Spikk
Szia!
Nem ér semmit! Már mint a növény. Szó szerint lesz..rta!
Szia Topi! Azt szeretném kérdezni, hogy hogy állsz a kutyariasztó kapcsolásának elkészítésével? Honnan tölthető le, ha már megvagy?
Én is szeretnék a közeljövőben elkészíteni egyet, ráadásul valami izmos darab kéne, hogy leheőleg a falon keresztül is működjön. )Szóval akár az autótrafó is szóba jöhet. No meg arra nem is találtam utalást, hogy a hangot milyen hangfallal adod ki. Tudnál segíteni a dologban?
hmmm, az a 29.900 egy kicsit megtestesíti a tisztességtelen haszon fogalmát
![]() láttam már 13.000ért sőt valahol 8999 ért is. de eddig mindet sokkalltam, mert kísérletezni drága, mert ha nem válik be, bizton nem veszik vissza. a végeredmény az lett, hogy vettem kb. 80 ft-ért 2 füldugót és azóta nem ébredek fel a kutyaugatásra.
Sziasztok!
Kutyariasztó ügyben gyakorlati tapasztalattal is szolgálhatok...Rendeltem egyet az USA ból és egyet a vateráról. A vaterásról nem szólnék mert nem is érdemes megemlíteni...De az USA tipusnál is a mi rotveilerünk közvetlen közelről (1m) csak érdeklődve forgatta a fejét jobbra balra hogy mi a bánat ez...aztán közelről szagolgatta, végül unott pofával lefeküdt a lábamhoz. A max reak cióm ezekután az volt hogy bekapcsoláskor megemelte a fülét... Pedig ha magam felé irányítottam akkor bekapcsolt állapotban tompa nyomást éreztem a fülemben, hallani persze nem hallottam semmit. Szóval power azért volt ott bőven, de eredmény az nem.
Engem az érdekelne,hogy valaki tesztelte-e már a szomszéd idegen kutyákat generátorral? Érdekelne a tapasztalat,hogy valóban 23kHz(?), és hogy sinus?
Mert ugye saját kutya legfeljebb elmegy tőled arrébb (mint az én két kutyám),de a szomszéd ugatós kutyáját csak "idegesítettem" vele, olykor erősebben ugatott.(próbálgattam frekit állítgatni,de 20kHz körülinél ment arrébb, 25-nél visszajött) A Dazzert én egyszer kipróbáltam (made in NDK - postásoknak adták), az jó volt. Viszont én abban úgy emlékszem nem piezzo volt.Nem tette rá valaki a szkópot a dazzerre? (én is lerajzoltam anno,de eltér a rajzom a közölttől-persze elnézhettem,meglehet) Egy külföldi fórumon ezt írták a teszteléshez: "If you are not severely maimed, or dead, your Dog Dazer is probably working. However, it might just be that the dog didn't consider you appetizing enough for lunch." "Ha nem lettél megcsonkítva, vagy halott, a Dog Dazer valószínűleg dolgozik. Mindazonáltal lehet az is, hogy a kutya nem tekintett elég étvágygerjesztőnek téged ebédre."
Én már nem emlékszem milyen kütyü volt az , DAZER vagy más...? A vaterásban két db tranzisztor volt, egy trafó meg ergy óra piezo. Az amcsiban egy 4069, 4 db transzitor, BD sorozatú darlingtonok ból felépített híderősítő egy trafó és egy nagyon izmosnak kinéző piezo. Ne olyat képzelj el mint ami az órákban van, KB 1,5 cm vastag kerámia test, a tetején lyukakkal...stb. 22 KHz en ment. Nem rajzoltam le de a kapcsolás kísértetiesen hasonlított ahhoz amit egy 1987 es évfolyamú RT ben leközöltek. AQzzal a különbséggel hogy ott nem volt trafó, a hídágban közvetlenül a piezo volt.
Tisztelt Fórum!
Én elkészítettem a Dazzer ebriasztónak a deszkamodeljét, de nem működik. A kapcsolási rajzot innen szereztem: Link Minden bekötés jó, de mégsem rezeg be. Az nem lehet, hogy a kapcsi rajz hibás?
Én elkészítettem a Dazzer ebriasztónak
a deszkamodeljét, de nem működik. Minden bekötés jó, mindent ellenőriztem, de mégsem rezeg be. Az nem lehet, hogy a kapcsi rajz hibás? Bővebben: Link Én trafónak a 100 Ft-os boltokban kapható Igniter elemes gázgyújtó "gyűszűnyi, kék színű" trafóját használtam volna... Neked sikerült-e elkészíteni?
Hello!
Ezt minek írtad le 2×? Másik: honnan tudod, hogy nem rezeg be? Esetleg tegyél fel egy pár képet a munkáról, hátha valakinek feltűnik valami hiányosság, rosszaság!
Vásároltam két darab kutyariasztó készüléket az Ebay-ról. Amíg működtek érezhetően lecsitították a szomszéd idegbeteg kutyáját. Sajnos a tél, a köd gondolom megtették a hatásukat az elektronikán, és egyre kissebb hatósugárral műxik a ketyere. A lényeg javíttani tudtommal nálunk nem lehet.
Az elektronikát látva, nem találta bonyolultnak az egyik amatőr ismerősöm, aki ezzel együtt sem vállalta hogy javítja. Kérdésem az van-e valaki a fórumon aki ilyesmire vetemedne , Akár privátban is. Egyébként ha műxik az eb megtalálja azt a távolságot illetve hangerőt amin számára elviselhető a zümmögés, vagy besem indul a készülék. Nekem mindkettő jó mert ha halkan ugat már nem zavar, és az sem, ha elhúz az ablakom alól. Idézet: „Akár privátban is.” Sőt, kifejezetten csak privátban! Ilyesmi nem fórum-téma.
Itt van a kapcsolás és a NYÁK rajz:
Bővebben: Link Meg a progi a mikrokontrollerbe: (a progi 9,6 MHz-es belső oszcillátor frekvenciára van megírva): Bővebben: Link A 8. oldalon vannak valami macska meg kutya riasztokra utalo leirások de nem tudom megnyitni.Tudja e valaki ennek a modját és ha segitene megnyitni meg normális modon hozáférhetövé tenni a rajzot,nagyon hállás lennek.Köszönöm Linkek javítva. -- kobold
Teljesen normális fájlok, Eagle programhoz. (Az írásodon még csiszolj egy kicsit, légy szíves, mert csak harmadszorra bírtam megfejteni, mit is szerettél volna írni. Köszönöm.)
|
Bejelentkezés
Hirdetés |





) is komolyan venne...



Másik: honnan tudod, hogy nem rezeg be?
Az elektronikát látva, nem találta bonyolultnak az egyik amatőr ismerősöm, aki ezzel együtt sem vállalta hogy javítja.
Kérdésem az van-e valaki a fórumon aki ilyesmire vetemedne , Akár privátban is.
Egyébként ha műxik az eb megtalálja azt a távolságot illetve hangerőt amin számára elviselhető a zümmögés, vagy besem indul a készülék. Nekem mindkettő jó mert ha halkan ugat már nem zavar, és az sem, ha elhúz az ablakom alól.
