Fórum témák
» Több friss téma |
Fórum » Wand Clock
Most kiváncsi vagyok ,hanyan kattannak rá az órára ? Kezdjük az alapoknál -- 2* 850 menet ?Ívesre fogom csinálni a vasmagot , épp ma szereztem trafó lemezt, és rádiuszba fogom kivágni. 0.25 ös huzalból tekerem . Ird meg légyszi a pontos forrását a beégetendő programnak.
Küldhetnél a karról és a mágnes berögzitéséről közeli képeket. Ma kaptam meg a PIC eket ,Vettem SMD ledeket 3.5*2.9 mm 150 mA/6000 mCd piros és kék.5 V ról 470 ohmos ellenállásról igen szép.
Szia Zoly15!
Jaaa, az a kékes felszálló spirális "csavar" az a fényképezőgép sajátos hibájából ered, ugyanis azzal tudok MOV-ot késziteni, maj abból AVI-t! Szia.
Szia Pittyu!
Csodákat ne várj, mert amit küldök azok egyáltalán nem különleges vagy "speciális" módban készültek el. Ezeket a tekercseket már régóta alkalmazom (a vázat is), a kisérletekhez. 2x 760 menet, 0.22mm CuZ huzallal. A mágnes és a kar is "egyedi", mert az egyik az egy winchester (fél)mágnesdarab celluxal felerősítve, a másik a kar pedig 1mm * 5mm-es nyáklemezből van és 125mm, plusz a kijelző 50mm, Ebből a karból a tekercspárban van kb. 30mm a mágnes és a rugólemez rögzitéséhez elhasználva. A rugólemez egyszerü forrasztható vezetékkel van "bandázsolva" a karhoz, ami nagyon stabilan összeköti. Egyelőre ennyi és működik, megy egy csomagolt állomány képekkel. Szia.
Hello!
A kijelzőnek a kapcsolását mi alapján építetted meg?? Tudnál felrakni vagy linkelni nekem egy kapcsolási rajzot???
Köszi. Új tekercset csinálok, de ne fogom ívesre vágni ,neméri meg .A 760 menet az kb öt sor?(réteg ). Van egy kis gond a hiddal is Neked nemlátom a két végpont érzékelőt, (vagy az maradt fent a két reflexiós ,) a tekercs alatti pedig a PIC -é. A másik gondom a hidammal van Megpróbálok fényképet mellékelni. Az ábrán van a hasznos +-- - feszen kivül egy ellentétes káros inpulzus is . mitől lehet hiszen azért csináltam új hídpanelt ,hogy ezt megszüntessem.
Szia.
A LED-ek bekötése a Propeller Clock topikban leírtak szerint van. De egy kapcsolást ide rakok, ahol piros körrel bejelőltem melyik LED-eket kell bekötni. Szia.
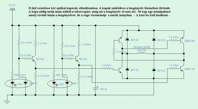
Szia Pittyu!
A tekercseket én "vad" tekercseléssel, kézzel készitettem el. Te ennél csak sokkal jobbat tudsz készíteni, mert láttam a tekercselődet egyik képen. Ide teszem azt a H-hidas kapcsolást amit most is használok az tekercsek meghajtásához. Szia.
Szóval ez astabil nem optós.!! Most készült el a legújabb legmodernebb tekercselőm. Ma megcsinálom a tekercseket és szunya. Holnap meló.
Szia Pittyu!
- Nem optós, mert azzal jóval kisebb lenne a kilengés! Kb. a harmadára esne vissza a lengés. A laprugó elég erős, (0.5mm*alul-22mm*felül-10mm*85mm), igy az optós vezérlést egyelőre feladtam. Ha lenne kicsi időm, akkor egy 555-el oldanám meg valahogy a hid vezérlését, mert szerintem ott lehetne az optóról valahogy szinkronizálni. Az a helyzet, hogy ilyen kis frekvencián egyáltalán nem "kényes" a rezgés stabilitása, de nagyobb frekin bizonyára kell majd a korszerűsitése. Szia.
Szia Pittyu!
Már harmadik napja megy a rezgettyű és semmi zaja, baja nem történt. Szép csendben rezeg a kar, amit jó lenne majd egy 1mm* 6mm* 170mm-es kivitelben, (kétoldalas), úgy elkészíteni, hpgy azon legyen a kijelző áramköre is az elvezetésekkel, nem külön. Ezután lekarcsúsítva a kijelző aljától a mágnes és a laprugó rögzitési pontjáig. A rugó rögzitése a nyákhoz egy 10mm-es befürészelt résben van beillesztve, ez van "betekerve" 0,5mm-es rézhuzallal, majd leforrasztva. Igy stabil marad a derékszögű illesztés. (Sehol sincs fúrat a laprugón, alul is csak egy szorítólemezzel van rögzitve az alaplemezhez). - A multis H-hid áramköréhez azért kell egy stab fesz, amit egy 7805 GND-je és a föld pont közötti soros 2 diódával 6.2V-ra emeltem. Igy most 160mA/6.2V, vagyis 1W! Pittyu! Felteszem ide azért az optikai meghajtás rajzát is, de ennek analógiája, átgondolva nem igzán tökéletes még. Kisérletezz vele ha van kedved. Itt lesz még a LED-ek, és az egész kapcsolási rajza is. Szia.
Köszi. Ez a propell rajz van meg nekemis.Ma szereztem kölönböző vastagságú lemezeket. Ezek tényleg acélok.Most kezdtem el az astabilos panelt tervezni, holnap Zoli 15 el égetjük a PIC et. Van már módositott HEX ? Holnap mit égessünk be (konkrétan mutass rá légyszi.)
Szia Pittyu!
Egyelőre csak azok a programok vannak meg, amit a propeller clockhoz használunk. Módosított programról még nincs hir, de ezzel is jól működik az óra. Mindenkáppen a távis beavatkozással lehet a beállításokat elvégezni. Ezalatt azt értem, hogy: 1. ki kell kapcsolni az analóg "számlapot" , 2. ki kell kapcsolni az analóg órát, 3. ki kell kapcsolni a dátumot is. (Fejjel lefelé jelenik meg, tükrözve).. A digitális óra legyen bekapcsolva, ezt be is kell állítani. Ezután mehet a szöveg kiírás, vagy a külsőkör be/ki használata is. Egyelőre igy lehet működtetni! Felteszek egy asm és egy hex állományt, de az nem biztos hogy Nálad is jól működhet a távrányitód. kódjai miatt. - Azon dolgozok, hogy a bázis áramkör módosításával hogyan lehetne teljesen "távirányitósra" alkalmazni az egészet. Szia.
Sziasztok!
Egy teljesen új mechanikai verziót épitettem meg amelyről készitettem fotókat a műveletek során. Azt hiszem igy sokkal könnyebben lehet majd utánépiteni. Egy archivumban tömöritettem a képeket. Ha valami kimaradt volna, akkor kérdezzetek. A tekercseket 4+4 darab trafólemezből raktam össze, és 2x660 menet CuZ 0.35mm átmérőjű huzallal készitettem. Sziasztok.
Gratulálok ! Szép élesen írja a karaktereket.
Szia, és köszönöm.
Egy képsorozatot még felteszek, hogyan is néz ki az óra "nyersen". Szia.
Gratulálok , nagyon biztató. Ma elszaladtam zoli 15 höz , és beégette nekem a PIC eket (kettőt a biztonság kedvéért,/ mire végzek egyet kiégetek a beégetettből vagy beégetek a kiégetettből /)Most egy olyan ötletem támadt, hogy mivel az astabilos hid elindul a tápfesztől meglehetne úgy csinálni mint a propellnél távirányitható lenne a ki--be kapcsolás.Nekem a szobám világitását távszabival lehet kapcsolni,ezen az elven pic nélkül is megoldhatóaz órát ki és bekapcsolni.Na egy kicsit belekeveredtem.
Szia Pittyu!
Pontosan igy néz ki nálam is, amikor bekapcsolom az órát. A kijelződ az nagyon jól néz ki, tetszik! Ha távirányítóval tudnád vezérlelni, akkor meg is lennél vele. Az optó helyzetének változtatásával, vagy inkább a forgatás funkcióval tudnád helyre húzni a karaktereket. Felteszek ide egy kis AVI-t, amelyen a forgatás jól látható. Szia.
Sziasztok!
A Wand Clock működésével kapcsolatban megint olyan helyzet állt elő, amelynek megoldása szintén nagyon fontos lehet a továbbiakban. Az alap-program átírása egy igen fontos lépés lenne, ahol egyelőre olyan módosításokat kellene elvégezni, ami szerintem egy PIC-programozást jól ismerőnek nem lenne olyan nagy feladat. A Propeller Clock programban ezeket a funkciókat kellene átírni: 1. A dátum kiírás be van kapcsolva, ezt alapban kikapcsolni. 2. Az analóg óra be van kapcsolva, ezt is ki. 3. Az analóg "számlap" be van kapcsolva, ezt is ki. Ha ezeket alapban le tudnánk kezelni, akkor már csak a digitális óra maradna bekapcsoláskor, és igy máris a célnál lehetnénk. Sziasztok.
Sziasztok!
Csináltam egy újabb áramkört, amelyen a "bázis" á.k. is helyet kapott a multis vezérlő á.k. mellett. Egy 7805-ön van a két PIC, és egy TSOP1738-as optón. Az LM2941-es az órát hivatott be/ki vezézlelni, kapcsolni. A képsorozatot az elkészülés sorrendjében archiváltam. Sziasztok.
Ez igen ! Jól halad az órád. Azért irtam a távval ki-be kapcsolást , hogy ne keljen mindig mindent beállitani. Tápfeszen maradna, és gombnyomás után 5 max 10 mp ki is irná az időt.
Szia Vicsys!
Megvan a távírányitós Wand Clock "nyers" változata. Egy AVI, és néhány kép egy archivumban már itt is van róla. Szia.
csak csorgatom a nyálamat nagyon jo lett gratula
Helló!
Lehetne pár kérdésem? Elég kesze kusza nekem a dolog mert nem rég kezdtem el a topik olvasását, először is amit most tettél fel utoljára képeket az áramkörről nagyából értem hogy mi miért van rajta, de van 3 alkatrész amit nem tudok hova tenni először is a az a kis zöld valami? aztán az a sok lábú alkatrész a hűtőbordával majd végül a másik ic ami nem a kijelzést vezérli, ja és a H-híd kapcsolása szerint csak 2 db 1u kondi van benne neked mégis 4 van az áramkörben? Lehet hogy csak én vagyok tudatlan akkor el tudnád mondani nekem hogy miért van ez?? Üdv!
Szia Yello!
- Az a kis zöld alkatrész egy trimmerkondenzátor, amivel a kvarc frekijét "kicsit" el lehet húzni, igy pontosítjuk az órát. - Az az 5 lábú alkatrész egy LM2941 IC, (a 2-es lábáról lehet be/ki kapcsolni), amit a 2-es számú PIC kezel, eza bazis áramkör. Neki csak annyi a dolga, hogy a táviról be tudja kapcsolni az órát, vagy készenlétire lekapcsolni. - Azért raktam be 4 db. 1 mikróst, (nem találtam 0.47 mikrót már ithon), mert ezek most 2/2 sorbakötve van, igy csak félmikró a kapacitásuk. A frekihatár igy jóval magasabb lett! Viszont, ha kisebb freki kellene, egyszerűen 1/1-et rövidre zárhatok az áramkörben. Szia.
Gratulálok!
Ez atomjó lett Jobb mint a gyári mert azt "be kell lökni" üdv! |
Bejelentkezés
Hirdetés |

















