Fórum témák
» Több friss téma |
Mielőtt kérdezel, a következő két dolgot ellenőrizd!
I. A helyes tápfeszültségek megléte.
II. A kimeneten van-e egyenfeszültség.
Élesztés.
Hat az a gond hogy en se ertek angolul
De azert koszi
Szia!
Ezt a kapcsolást én max. hangszererősítőnek ajánlanám egyszerűségénél fogva! Szerintem jobban jársz TDA7294 plusz +-35V-os inverter!
Szia!
Ha rám hallgatsz, nem az előfok variálásával kezd! Válassz inkább egy jó végfokot(itt a HE-n is van sok!), építsd meg, és ha tetszik a hangja, utána kezdj el azon gondolkodni melyen előfokot építs hozzá!
Sziasztok!
Komplett erősítő kapcxsolási rajzot szeretnék, 100W-oast, mert van egy trafóm, és ez lead 26.5V-ot (középkivezetés nélkül) ez egyenirányítva 37.5V körül mozog! Az lenne a kérésem, hogy ez az erősítő +36V-ról pöccenjen, és ne kelljen neki szimmertikus táp! (nem akarok bajlódni a trafó ujratekercselésével ) egyébként az arősítő mélyládához lesz (250W). előre is köszi!
Szucsy3, ne verj át. Akkor mi az ördögnek azt írod, hogy 2x26,5V (?), mikor csak egyszer méred. Ezt a rajzot Te tetted fel.
No, mindegy. Erről a feszről megy kb. az Orister végfokozata (15W), az egytelepes. Hidalás nélkül nem számíthatsz komoly teljesítményre.
Egyébként itt van egy hidalt erősítő, de nem 250W-os.
Kicsit higgadjatok le ezekkel a Wattokkal.
Számtalan kapcsolást találhatsz itt PL a fórumban is , de sima +37.5voltos táppal csak elégedett legyél ha találsz 40W os kapcsolást
Na ezt sasoljátok meg!frankó kis erőlködő!Hangszererősítő
Honnan tudjam hogy nekem melyik lesz a jó végfok?
Az én szempontjaim. -Van egy +-45 voltos tápom (kb.150-160watt) - Viszonylag egyszerű legyen (ne kelljen szarakodni a beállításal) - Szépen szóljon. (legyen mélye, és csilingelő magasai HIFI**) - strapabiró legyen. -sok alkatrészt ne tartalmazzon. A sok kapsolás közül ránézésre nem tudomeldönteni (mert nem ismerem őket) melyik a jó. Segitetek?
Szia!
Mivel adott a tápod ebből kell kiindulni! Ha IC-set akarsz csinálni a tápfesz miatt csak a TDA7293 jöhet szóba! Esetleg a TDA7250! Tranzisztoros erősítők közül már több is van. A QUAD 405-öt mindenféleképp meg kell említeni, de felteszek még egy-két egyszerűbbet! Választani viszont neked kell!
Köszi szépen.
Az rt100-at megépitettem, de valami miatt csak kattog a zene ütemére.. bekerült a fiókba.. A "120watt.gif" -et nézegettem.. mintha valahol láttam volna már ezt a kapcsolást.. Valakinek véleménye róla?
azt szeretnem kedezni:ha szeretnek epitenei egy sztereo erositot meg is van a ket csatorna es a tapom az alabbi rajzon lathatoan nez ki akkor gond nelkul mindket csatornat taplalhatom ugyanarol a helyrol vagy kell meg egy "trafo"
A trafód teljesítményének keretein belül bűntetlenül táplálhatsz akárhány végfokot egy tápról.
Sziasztok.
Lenne egy nagy problémám. Van egy végfokom de valamiért a tápja nemszuperál. Eleinte jóvolt mikor összeraktam, de javsolták hogy a cseréljem a veztékeket mert PC tápjának a vezetéke nemigazán jó erre a célra. +-60Volt ment rajtuk. Kicseréltem és azota akármit csinálok kivágja a 230 és a trafó közti biztositékot. Arra gondoltam talán zárlatos lett a greatz, de megmértem és nemaz. Kiszedtem és megprobáltam hogy csak az volt rákötve a trafóra, ugy jó volt. Ráakasztottam 2db 63V/10000uFes puffert és ugyis jóvolt. Visszaraktanm a helyére és akkor már nem. Milehet a baj? Végfokozatok azok jók. Érdekes mert elsem jut az fesz a pufferekig mert mient bekapcs már pukkan is el a bizti. 2amperest raktam bele. 430Watt a trafó.
Ha az IC-t nem szigeteled el a hűtőtől, és a borda lemegy testre, akkor a lecsavarozott G.-nek lehet nem tetszik, mert kitudja mien fesz van az IC hátulján....
Amit beletettem az 2es kábel. Valamikor még a fater hozta a gyárból. Jó vastag. nemhinném hogy zárlat lenne, mert ha kiveszem a dobozból a greatzet meg a puffert akkor meg jó. De akkor megint kicserélem másikra. Visszarakom a PC táp veztékeit. Azzal is ugynugy mükszik nem? 300V mehet rajta maximum. És azis réz. Átnézem még párszor de már kezd az idegeimre menni.
Üdv!
Kaptam ma egy ilyen kis kütyüt. Bővebben: Link Sajna nem is szól. Azt szeretném megkérdezni tőletek szerintetek merre és mit méregessek vagy hogyan kezdjem a vizsgálatot,hogy életet tudjak bele lehelni? Azt tudom,hogy TDA 1558q IC ketyeg benne. Táp 22V lemértem és a kimeneten nem mértem a tápfeszt.
Ezt szeretném megépiteni egy végfok előtt lenne, a bemenetére ha rakok egy potit, a hangerőt is tudom vele szabáyozni, vagy halkabb lenne??
Jó az elképzelésed, teheted a potit a bemenetre vagy a kimenetre is, de a tápját én mindenképpen szimetrikusra csinálnám. :yes:
Találtam jobbat
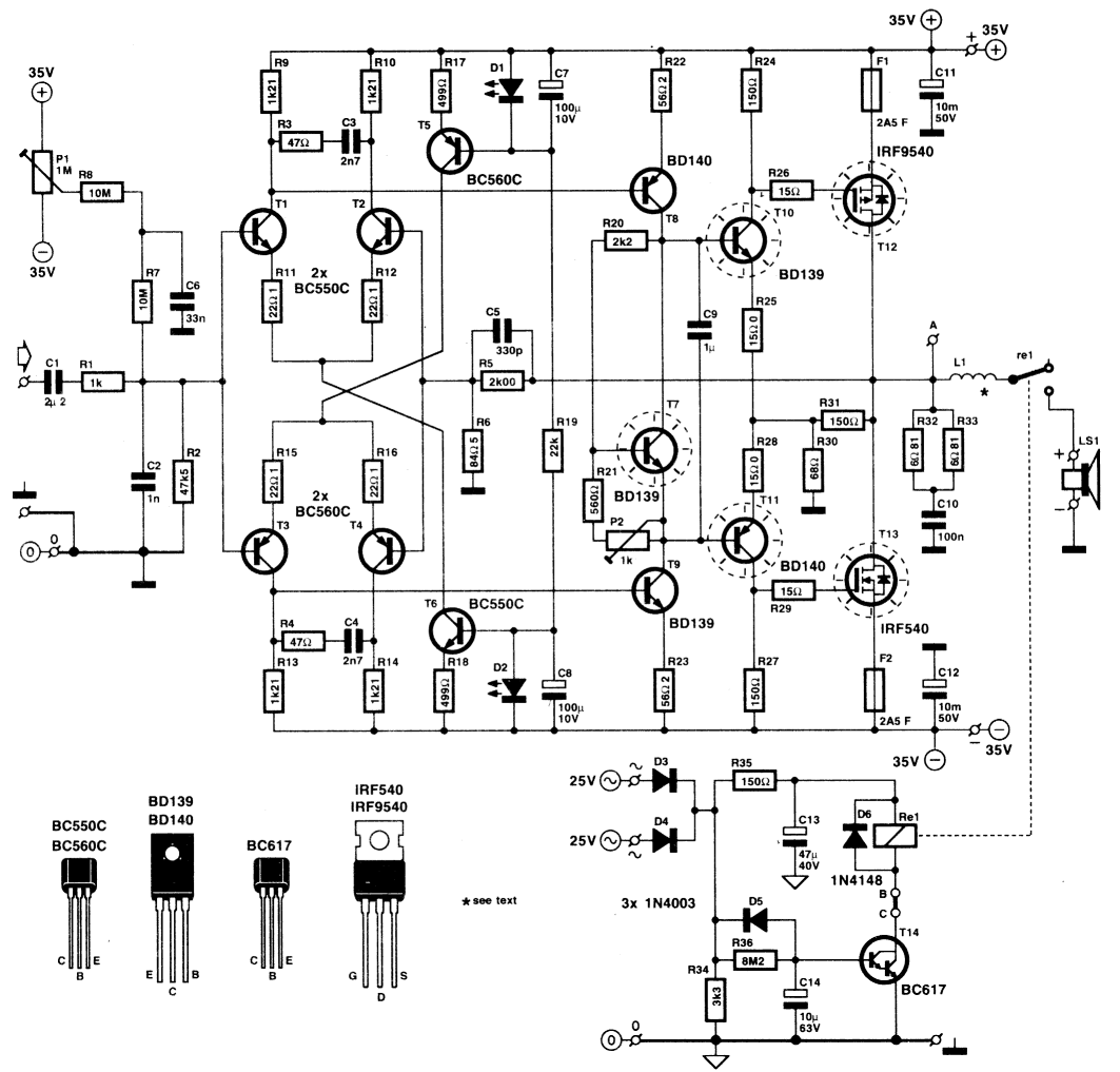
ez lesz megépítve...
A bemeneten lévő 4.7 k poti egy kicsit kevés, min 22k, de inkább 47k, mivel nem minden jelforrás szeret 4.7k -ra dolgozni.
Ha pedig már a jónál tartunk, az a legjobb, ha egyáltalán nincs hangszín, mivel minden elektronika a jelútban csak rontani tud a minőségen. / a hifi alkotmánya / :yes:
Hello!
Tudtok egyszerű max 2*5W-os végfok ic-t aminek nincs nagy áramigénye? PSP-hez lenne
Üdv!
Kérdezném hogy -+65V nyugalmi DC feszültségű, 450VA-es táppal rendelkező erősítőkaszniba, tudna-e valaki kiváló hangminőségű végfok kapcsolást ajánlani?(lehetőleg teljes dokumentációval)
Huha! Csak nem megvetted a CAV erositot?
Nagyon jól vagy informálva Lamalas barátom!
|
Bejelentkezés
Hirdetés |





Kicsit higgadjatok le ezekkel a Wattokkal. 



ez lesz megépítve... 




