Fórum témák
» Több friss téma |
szóval a korlátozó uganúgy legyen mint a rajzon?
Mindegy milyen csak NPN legyen? Fotoellenállás is mindegy?? esetleg valami trimmerrel állítani? Idézet: „szóval a korlátozó uganúgy legyen mint a rajzon?” Igen! Idézet: „Mindegy milyen csak NPN legyen?” Gyakorlatilag igen!Az osszefugges a kovetkezo: Rtranyo=Rfotoellenallas/tranyoBetaja. Tehat ha lemered az ellenallas erteket a kulonbozo megvilagitasi felteteleknel, megkapod, milyen erteket fog kepviselni a tranyo ebben a kapcsolasban. Sotetben elkepzelheto, hogy tulsagosan le fog zarni..., ezt elkerulendo koss egy akkora ellenallast a foto(valamivel) parhozamosan, ami a fenti keplet alapja a minimalis hattervilagitast adja. Ekkor a hattervilagitas a korlatozo ellenallas miatti max fenyero, es a parhuzamos athidalo ellenallass miatti min kozott fog valtozni a kornyezeti megvilagitastol fuggoen... Idézet: „esetleg valami trimmerrel állítani?” Az itt nemigen hasznalhato...
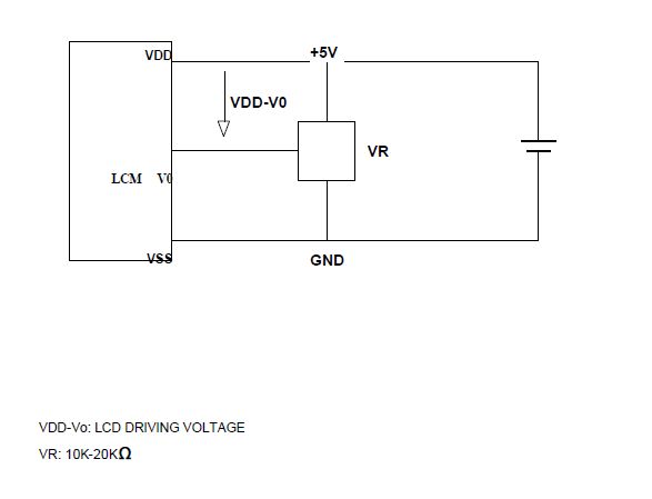
Sziasztok!
Tudnátok segíteni, hogy a háttérvilágítás ki/be kapcsolását jól oldottam e meg? Nem akarom elfüstölni a kijelzőt (EW20400YLY)... Köszi! Üdv.: Zoli
hi
PNP tranyót használj, vagy NPN és akkor az Rkorlátozó(R14) ellenállás egyik vége a Vcc-re másik vége a VLED+ra megy, a Vled- pedig az NPN tranyó kollektorára, az emitere pedig a GND-re. + Rbázis ellenállást is használj pl 10k. üdv
Hali!
Így gondoltad? Nem vagyok túl jó elektronikából... Miért kell olyan nagy ellenállás? Nem elég egy 1K-s? Köszi szépen!
hi
Igen jól rajzoltad, ha nincs 10k ellenállás az 1k is jó lesz. üdv
Oks, köszi!
Lenne még egy olyan kérdésem is, hogy foglalkoztatok-e már érintő képernyővel? Mennyire drága és mennyire nehéz összehozni a pic-kel? Köszi
lol, a másik témába amibe feltetted ezt a kérdést már válaszoltam
Sziasztok szeretnék pici segítséget kérni vettem egy 2*16 karakteres lvd kijelzőt
a tipusa:ATM1602B de sajnos az adatlapját egyáltalán nemtudtam megnyitni a kérdésem az lenne hogy mekkora feszültségröl és megkora elötétellenállásal üzemeltessem. segjtséget előre is köszönöm. Üdv
Szia!
Nekem is nehezen sikerült megnyitni, remélem jó táblázatokat mentettem ki neked.
Sziasztok!
Nekem van egy ilyen gagyibb féle digitális hőmérőm, LCD kijelzővel, "háttérvilágítással". A gond csak az, hogy a háttérvilágítás nagyon gyér. Elég primitíven van megoldva, az LCD mögött van egy plexilap, enyhén érdes felülettel, egyik oldalon egy kis izzóval, amire ráül a plexilap (ki van alakítva rajta egy kis "üreg" neki). Sajnos ezáltal a megvilágítás sem éppen jó, alig világít be valamennyire, gyakorlatilag semmit sem ér így. Fel lehet ezt valahogy javítani? Másik fényforrás (LED), esetleg a plexilap "faragásával"? a széleire jól vezeti a fényt a plexi, csak itt nem erre lenne szükség, hanem hogy a nagy felületen szórja szét. Esetleg még a háttérvilágítás "színezését" is szeretném megoldani ![]() Előre is köszönöm a válaszokat!
Sziasztok.
van nekem 1 samsung lcd tv-m tipusa:LE27T51B az a gondom vele hogy nincs háttérvilágíttás így persze kép sincs vagy a képnek mennie kéne,úgy mint a telóknál?tápegységen cseréltem 6 db elkót mert már majd ki pukkadtak íg már bekapcsolt a tv, valaki tudna tanácsot adni mit mérjek ki vagy cseréljek ki? előre is köszönöm
Szia!
Én pár hete javítottam a samsung 46" LCD tévémet, kidobáltam a csüveket belőle és helyette LED szalagokat tettem bele. Jó lett és kevesebbet is fogyaszt. Annyi a hátránya, hogy fényerőt szabályozni távirányítóról nem tudok, de később talán azt is megcsinálom talán. Amúgy szerintem semmi értelme ha egyszer beállítod.
Megy a kep hattervili nelkul. Fuggetlenek. Szerintem is ledesitsd.
Sziasztok!
Nekem egy navigációval lenne problémám. Konkrétan nincs háttérvilágítás. Ha megdöntom látszik a kijelzőn a kép. Próbáltam rábarkácsolni egy másikat (törött kijelzőről, de azzal sem megy) Van esetleg ötletetek? Előre is köszi!
Eloszor tudni kellene, hogy milyen tipusu a hattervili.
Feltetelezem, hogy ledes. A kepernyobe belemeno vezetekek kozul ketto a hattervilagitasert felelos. Ezt pedig egy vezerelt aramgenerator hajtja meg. Szerintem az aramgenerator felvezeto kapcsoloeleme adhatta meg magat. Sokat segitene egy fenykep a cucc belsejerol, kulonos tekintettel a kepernyobe meno ket vastagabb vezetek kornyekerol (vagy foliakabel-csik kornyekerol).
Sziasztok.
Egyre többet találkozom olyan LCD monitorral melynek gyengül a megvilágító csöve. Persze még szépen világít és egy vagy több évet még ki is húzna de a védelem kikapcsolja. Tudja e valaki hogy lehet ezt a védelmet kikapcsolni vagy módosítani. Van egy laptop a cégben amiből kifelejtették ezt a védelmet. A monitorja már piroslik de még mutat. Háttérszolgáltatást végez és oda pont jó. Előre is köszi a segítséget.
Szia! Egy monitorban egy dupla inverter van általában a laptopban meg csak egy.. A dupla inverterek akkor tiltanak le ha túl nagy áram folyik vagy nem egyforma a két cső áramfelvétele. Legtöbb esetben nem a cső szokott ludas lenni hanem a kis trafók közül valamelyiknek a szekundere menetzárlatos lesz és megugrik az áram. Sajnos a trafókat csak cserélni lehet javításra nincs lehetőség és nem segít ha a védelmet kiiktatod akkor valami engedni fog.. Laptopban csak egy cső van ezért ott egyszerűbb minden . Valójában négy cső van ami két 2x2 csövet jelent de én egynek tekintem meghajtásból a párokat..
Köszi a gyors választ. A trafóra nem is gondoltam. Van egy magasfesztrafó menetzárlat kivizsgálóm tévékhez. Lehet hogy ezeknél is működni fog. Aztán a csere is gond. Szinte csak bontóból lehet ugyanolyan trafót beszerezni. De majd meglátjuk hogy alakul.
Még egyszer köszi. Majd jelentkezem hogy mire jutottam.
Szia! Én is egy ledsoros HR teszterrel szoktam megnézni de meg is szoktam mérni LCM3 műszerrel az induktivitását..
Üdv Mesterek!
Van egy kis mp3 lejátszóm (mobiblu cube 3), de a háttérvilágítása elszállt. Korom sötétben nagy nehezen olvasható, de ahogy kicsit világosabb van, semmit nem látni a kijelzőn. Minden ötletre, lehetőségre nyitott vagyok! Előre is köszi a segedelmet!
Sziasztok!
Van egy ilyen lcd led képernyőm, ami összetört, de a háttérvilágítást meg tudtam menteni belőle. De nekem csak egy 10 eres szalagábel lóg ki belőle. A lényeg annyi lenne hogy viágítson fehéret a fólia, mert eléje szeretnék reklámot nyomtatni.
Sziasztok!
Van egy autórádióm, aminek az LCD háttérvilágítása kezd haldokolni (nappali fényben már szinte nem lehet leolvasni a kijelzőt). Az lenne a kérdésem, hogy lehet e ilyen EP panelt kapni, vagy helyettesíteni valami LED-es megvilágítással?
Sziasztok!Tudnátok nekem segíteni, autórádió lcd világosban nem látszik viszont a háttérvilágítás működik.Az a kérdésem,hogy az lehetséges , hogy idővel elfárad a led és halványan világít vagy más a probléma?Illetve még egy kérdés,találtam a neten egy hasonló háttérvilágítást ami 8-13 volton üzemel használható lenne ez?köszönöm
Van egy digitális órám BRAUN BNC014BK, de nincs háttérvilágítása az lcd-nek, mennyire bonyolult egy hozzá nem értőnek leírás alapján beszerelni egyet? Esetleg tudtok ajánlani helyet/embert aki megfelelő áron beszereli nekem?
Csak annyira bonyolult , hogy hiába teszel mögé , vagy oldalra ledet , nem lesz jó.
Akkor ez nem megoldható? Van hasonló óra ahol be van építve TFA 60.4508
Utólag nem lehet vmi hasonlót?
Sziasztok!
Kaptam egy samsung lcd tv-t aminek döglött a kijelzője. A Lomjaim között találtam hozzá illő vezérlésű kijelzőt. 19" helyett csak 17" remekül viszi viszont a ccfl világítás csatija meg mérete is más. kérdés 1: ha kisebb ccfl-t hajt meg a panel abból lehet -e gond? kérdés 2:van-e polarítása a ccfl csöveknek? kérdés 3:hogyan tudom kideríteni a megfelelő polarítást? Üdv!
Nincs polaritása, mert a CCFL cső váltakozó árammal működik. Egyenáramon nagyon hamar tönkremenne, mert elfogyna az egyik elektróda. Ha nagyobb teljesítménnyel hajtod, hamarabb kikészül. Kb. a teljesítmény arányában, 19:17, azaz nem vesztesz sokat.
Ha túl világos és visszaveszel a fényből, ez a gond is kipipálva. ![]() .
Sziasztok!
CCFL működési feszültsége mekkora? Multival szeretném kimérni az invertert. 750V méréshatár elegendő? Nem szeretném kinyírni a multimétert. Köszönöm! |
Bejelentkezés
Hirdetés |


















