Fórum témák

» Több friss téma
Fórum » Csőtermosztát bekötése
 
Témaindító: csatur, idő: Nov 21, 2008
Témakörök:
Lapozás: OK   1 / 22
(#) csatur hozzászólása Nov 21, 2008 / 1
 
Sziasztok Hobbielektronikusok!

Ismét a sergítségeteket kérném.
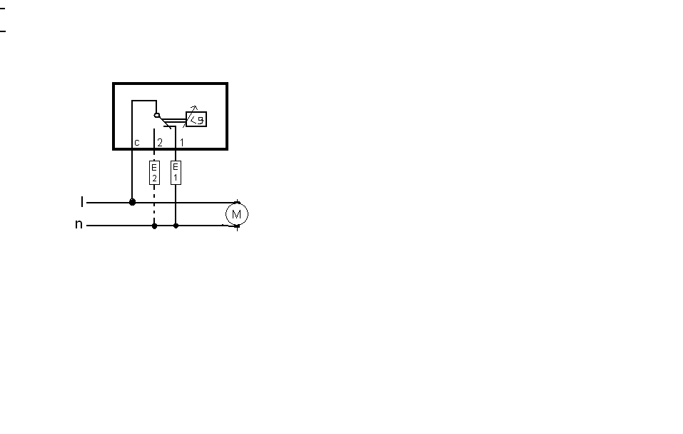
Vízteres kandallóhoz vettem egy csőtermosztátot,(a bekötési rajzot mellékeltem) Siemens,a rajzot értem asszem,de hogyan kell ezt huzalozni élesben?Milyen messze legyen a kandallótól?
S még egy kérdés.Ha tegyük fel éjszaka kialszik a tűz (s a termosztát 70-40 C fokon dolgozik) akkor egész ejszaka keringeti a vizet?Vagy mi a megoldás?

(#) (Felhasználó 1947) válasza csatur hozzászólására (») Nov 21, 2008 / 2
 
Szia !

Csak akkor kell keringetni a vizet ha már elért egy x hőfokot,és addig, amig nem megy y hőfok alá,ha jól értem.
Ha jól értem ezzel szeretnél egy keringetőszivattyút kapcsoltatni.
Mi a termosztát pontos tipusa?
Amit rajzoltál abból sok nem jött le, meg ahogy nézem nem is jó a rajz.

Üdv! Luki
(#) Gafly válasza csatur hozzászólására (») Nov 21, 2008 / 1
 
Gondolom arra lenne szukseg hogy amikor megmelegszik a
viz a kandalloban, akkor elinduljon a keringeto szivattyu,
ha pedig lehul a viz akkor lealljon. Igy futeni is fog ha
tud, es a viz sem forr fel a kandalloban...

Ehhez egyszeruen sorba kellene kotni a termosztat munka
erintkezojet (ami akkor zarodik ha magas a homerseklet)
a keringeto szivattyuval.

A rajzodon szivattyu nelkul egyszeruen bekototted a
termosztatot a fazis es a nulla koze. Ez igy semmi esetre
sem jo, legfeljebb kiveri a biztositekot es tonkreteszi a
termosztatot...
(#) csatur válasza Gafly hozzászólására (») Nov 21, 2008 /
 
Köszi a válaszokat.
A rajz a termosztát papírján volt. A típusa Siemens RAM-TR.
(#) idlob válasza csatur hozzászólására (») Nov 21, 2008 /
 
Ha ez így rajta van a papíron, akkor elég értelmetlen (értelmezhetetlen).
Mindenesetre szerintem így kéne bekötni (tehát szerintem nem a munka hanem a nyugalmi kontaktusra, mert az a küszöbhőmérsékletet fölött zárt).

hameleg.GIF
    
(#) Ferkógyerek válasza csatur hozzászólására (») Nov 21, 2008 /
 
Szia!
Milyen szerencse hogy ma kötöttem be egy pont ilyen termosztátot az egyik ismerősömnél.
A termosztáthoz mellékelt rajzon a nyugalmi állapot van feltüntetve, tehát amikor nincs bekapcsolva!
A fázist kösd a közös érintkezőre, a termosztáthoz menő kapcsolószálat pedig a rajzon szaggatott kivezetéshez. Majdnem ahogy idlob rajzán látható, csak a motort a szaggatotthoz.
(#) tibcsi62 válasza csatur hozzászólására (») Nov 21, 2008 /
 
A ferkógyerek amit írt az a jó bekötés. Csak annyit fűznék a témához hogy a csőtermosztátot a kandallóból kijövő csőre kell rátenni. A termosztát és a keringető nélkül a felfort víz szétnyomhatja a kandallóban lévő csövet. Csőtermosztátnak van egy differenciálja a be és kikapcsolás között. A keringető ettől a diferenciától függ hogy meddig megy. A beállított érték kb. 60C fok. Ha a víz hőfoka eléri a 60 fokot akkor kapcsolja be a keringető szivattyút. Üdv. Tibcsi
(#) csatur válasza tibcsi62 hozzászólására (») Nov 22, 2008 / 1
 
Nagyon köszi a válaszokat.Azt hiszem meg fog oldódni a probléma,egyre közelít.
Most úgy van kötve (rosszul)hogy a fázison van sorosan.
" egyszeruen sorba kellene kotni a termosztat munka
erintkezojet (ami akkor zarodik ha magas a homerseklet)
a keringeto szivattyuval. "

De így pont fordítva működik,tehát a beállított értékig keringet utánna,leáll és bummm

"A fázist kösd a közös érintkezőre, a termosztáthoz menő kapcsolószálat pedig a rajzon szaggatott kivezetéshez. Majdnem ahogy idlob rajzán látható, csak a motort a szaggatotthoz."

Itt a fázishoz vagy a nullhoz menjen vissza?
A pontos rajzhoz légyszi rajzolja be valaki a pontos bekötést!

Már izzítanám a kicsikét. A gyors válaszokat gyorsan megköszönöm. Üdv: Csatur
(#) csatur válasza csatur hozzászólására (») Nov 22, 2008 /
 
Hja és nálam itt van a keringető.
(#) Ferkógyerek válasza csatur hozzászólására (») Nov 22, 2008 / 4
 
A nullát és a nullázót közvetlenül be kell kötni a keringetőbe. A fázist pedig a termosztáton keresztül.
Mégpedig úgy hogy a rajzon "E2"-vel jelölt terhelés maga a szivattyú. Tehát a "C"-re a fázis és a "2"-es érintkezőt összekötni a szivattyú fázisával.
(#) csatur válasza Ferkógyerek hozzászólására (») Nov 22, 2008 /
 
Köszi sikerült!
Üdv:csatur :wave:
(#) Naki585 hozzászólása Jan 7, 2009 /
 
Sziasztok! most vettem egy csőtermosztátot amit szeretnék bekötni,mellékelem a rajzát (nem bekötési), valaki esetleg ezen fel tudná vázolni hogyan kössem be ha azt akarom elérni hogy a beállitott érték fölött kapcsoljon egy szivattyút? köszi
(#) kobold válasza Naki585 hozzászólására (») Jan 7, 2009 /
 
Az 1-es pontra kösd be a fázist, a 2-est hagyd üresen, a hármasra a motor egyik vezetékét, nullára pedig a motor másik vezetékét.
De előtte azért ellenőrizd, hogy a termosztát mekkora terhelést tud kapcsolni.
(#) Naki585 válasza kobold hozzászólására (») Jan 7, 2009 /
 
köszi, a papirjára ez van irva:
Kapcsolható elektromos feszültség: 250v~50Hz, 15(2,5)A
(#) szaszameister válasza kobold hozzászólására (») Jan 23, 2009 /
 
Szia!

Nekem ugyanaz a gondom nem tudom bekötni.Ha el tudnád nekem magyarázni kicsit "szájbarágósabban".Addig értem hogy az 1-es pontra kössem be a fázist 2-es üresen marad.A hármasra mindegy hogy a szivattyú melyik vezetékét kötöm?Amit nem értek az mit jelent hogy a nullára a motor másik vezetékét? A motor másik illetve a konnektor felől jövő nullát simán kössem össze?Ne haragudj hogy ilyennel zavarlak de inkább megkérdezem. Erdészként nem sokat konyítok hozzá sajna de igyekszem.A termosztátom rajza ua. mint Naki585-nek. Előre is köszi.
(#) feco50 válasza szaszameister hozzászólására (») Jan 23, 2009 /
 
A gyakorlatban ez így néz ki.A konnektortól hozol egy kábelt a fázist bekötöd az 1-es pontra az érintés védelmet a megjelölt helyre.Szabadon marad a nullád.A motorhoz menő kábeled a következő képen kötöd:a fázis 3-as pont érintés védelem közösítve a bejövő vezetékkel a Nulla vezető sorkapoccsal összekötve mivel úgy látom a rajzon hogy nincs számára kötési lehetőség.Tehát a leg egyszerűbb lehetőség ha a motoron levő vezeték elér a termosztátig Kisem kötöd a motorból csak a dug villát veszed le és a termosztátbankötöd össze.Talán így érthető.
(#) szaszameister válasza feco50 hozzászólására (») Jan 23, 2009 /
 
Köszönöm a segítséget megyek csinálom majd visszajelzek. köszi
(#) szaszameister válasza szaszameister hozzászólására (») Jan 23, 2009 /
 
Sikkerült köszönöm szépen a segítséget. örök hála
(#) feco50 válasza szaszameister hozzászólására (») Jan 23, 2009 /
 
Örülök hogy sikerült
(#) Jostí válasza szaszameister hozzászólására (») Jan 28, 2009 /
 
Sziasztok! villanyszerelö vagyok ha valakit érdekel a csötermosztát be kötése akkor írjon e-mailt és a szájába rágom! Címem:stave22@ciromail.hu
(#) Cseri Zsolt válasza Jostí hozzászólására (») Feb 4, 2009 / 1
 
Szia Jostí, látom te nagyon segítőkész vagy. Én egy béna, elektronikától nem félő, de drága szakembereket nem szerető ember vagyok, és segítséget kérek? Olyan csőterm-van, mint a NAKI585-nek, és én is olyan rajzot kaptam. Szeretném, ha a számba rágnád. A szivattyúból jön egy sárga/zöld, kék és egy fekete, a konektorból ugyan ez sárga/zöld, kék és egy fekete,(gondolom ez a fázis). Valahova ide a kettő közé kell beraknom a term-ot. Szóval egyesével? Mit hova?
Előre is köszönöm.
(#) Jostí válasza Cseri Zsolt hozzászólására (») Feb 9, 2009 /
 
Szia Zsolti!
Előszöris a szivatyu fekete kötés dobozzát nyisd fel amiben mennek a vezetékek a dugvillából! Majd nézd meg meik a fázis ami valoszinüleg a fekete de jobb ha használod a fázis ceruzát! Ezt a fázist hagyd benne a szivagyuban ahogy volt. a 0 (ami valszeg a kék) egy sorkapoccsal kösd össze a csö termosztát 2-es pongyával és a termosztát C pongyát kösd vissza a szivagyu kötés dobozában ahol eredetileg az a vezeték volt amit sorkapocsal a termosztátba kötöttél! evvel egy szakitott nullád van! innen kezde csak a védelmet a zöld sárgát kösd be a termosztát meg adot helyére és tekerd össze a dugvillából jövö zőld sárgával és ezt kösd vissza a szívaty földeléséhez ahol volt! ha valami nem tiszta zaklas
(#) Cseri Zsolt válasza Jostí hozzászólására (») Feb 10, 2009 /
 
Köszi, hülye vagyok, nem értem!
Csatoláson a 2 pontba bekötöm a kéket. A fekete a fázis, nem bántom. A sárga/zöld a föld, megy a földelés jelhez. Eddig OK.
Melyik C pontot kötöm hova? Kössem össze az 1-3-at?
Zsolt

csöterm.jpg
    
(#) Jostí válasza Cseri Zsolt hozzászólására (») Feb 10, 2009 /
 
Igen a fázis marad a szivagyuban a fekete! A dugvollábol jövö kéket pedig össze kell kötni egy csokival a termosztát 3-as pontyával és az 1-es pontott pedig belle köni abba a ponba ameikben a dugvillából jövö kék volt.
(#) Jostí válasza Cseri Zsolt hozzászólására (») Feb 10, 2009 /
 
Most néztem meg a rajzot és felejsd el a 2-est meg a C-t ez egy másik termosztát ennél a 1-es pont meg a hármos az igaz!
(#) myke01 hozzászólása Márc 11, 2009 /
 
Üdv !

Nem igazán kapcsolódik a témához a kérdésem ,de csőtermosztáttal kapcsolatos ,és nem akartam új topikot nyitni neki.

Nemrégiben vásároltam egy Siemens gyártmányú csőtermosztátot vegyes tüzelésű kazán keringtetőszivattyújának vezérlésére. A pontos típust nem írom ide , a kérdés szempontjából nem fontos.
Kicsit megugrott a villanyszámlám ,és gyanakodni kezdtem a csőtermosztátra,hogy az nem kapcsolja ki megfelelő időben a szivattyút (elavult régi darab 75W-ot eszik óránként,de a kérdés szempontjából ez sem fontos).
A napokban ki is "lestem" a működési hőfokokat:
-a bekapcsolás pontosan a beállított értéken történik , jelen esetben 45 fokra van beállítva (bárhová tekerem ,mindig az adott hőfokon kapcsol be)
-a kikapcsolás viszont már zűrös: 30 fok körül történik ez
(Tehát kb 15 fokkal kisebb értéknél történik ez .)

A kérdésem : normális-e ez így ,hogy ilyen hőmérséklet intervallum (15 fok) között történik a ki-be kapcsolás?

Tisztelettel:
myke01
(#) Trebor79 hozzászólása Márc 22, 2009 /
 
Segítséget szeretnék kérni, szintén hozzáértő szakembertől csőtermosztáttal kapcsolatban. Én egy WPR-90GD típusú eszközt vettem. A leírásban azt közlik, hogy a hőfokváltozás hatására a beállított hőmérsékletnél feszültségmentes elektromos z/ny kontaktust biztosít. Kapcsolható elektromos feszültség 250V~50Hz (15 (2,5)A
Most akkor a fázist kötöm a kapcsolóra vagy a nullát?
Vagy tetszőlegesen választom ki, hogy a fázist szakítom meg vagy a nullát?
Köszönöm a mindennemű segítséget!
(#) feco50 válasza Trebor79 hozzászólására (») Márc 23, 2009 /
 
Tulajdon képen elektromos szempontból ez egy kapcsolónak minősül.Kapcsolni viszont mindig a Fázist kapcsoljuk.
(#) Joci23 hozzászólása Márc 29, 2009 /
 
Sziasztok! Nekem is lenne egy kérdésem ammi kicsit vág ide csak! Én arra lennék kiváncsi hogy othon, hogy tudnék magamnak ki alakitani egy éjjeli lámpát kacsoloval falon belüli szerelésel. Szóval egy egyszerü kapcsolo kötésre és az ezzel kapcsolható lámpa be kötésére lennék kiváncsi. kérlek segitsetek! Elöre is köszönöm.
(#) feco50 válasza Joci23 hozzászólására (») Márc 31, 2009 /
 
Légyszíves kicsit konkrétabban kérdezz. Hova akarod a kapcsolót és hogyan? Szintén falba szerelve mint normál
villany kapcsoló vagy a lámpa alatt kábelen lógatva? Több féle megoldás létezik.Milyen a lámpa? Írtad "falon belüli szerelés" tehát vésni akarsz.Tehát a legközelebbi kötődoboztól kivésed a falat a lámpa helyéig.Ez után csövezed majd behúzol 3 szál vezetéket egy feketét(fázis) egy kéket(nulla) egy zöld/sárgát(földelés).
A lápába bekötöd a nullát(kék) az érintésvédelmet rákötöd lámpa testcsavarjára ha fém lámpatest.Vásárolsz
egy Billenős éjjeli lámpa kapcsolót,fogsz egy tetszőleges hosszúságú kéteres MT kábelt ennek egyik végére felszereled a kapcsolót a másik végét a lámpa alatt megkötöd, egyik szál vezeték sorkapocsban a doboztól jövő fekete (fázis) vezetékre,a másik szálat a lámpába kötni(ezt nevezzük kapcsoló szárnak. Ha a kapcsolót a falba szeretnéd vésni akkor értelem szerűen a doboztól a fázist a kapcsolóhoz kell vezetni onnan a lámpához.
Remélem kicsiny értekezésem segített valamit.
Következő: »»   1 / 22
Bejelentkezés

Belépés

Hirdetés
XDT.hu
Az oldalon sütiket használunk a helyes működéshez. Bővebb információt az adatvédelmi szabályzatban olvashatsz. Megértettem