Fórum témák
» Több friss téma |
Fórum » ICL7106/ICL7107
Sziasztok !
Rendesen +/- 5Volt a kijelző pedig ( kingbright sa03-11ewa) Most mérgembe vetem másfajta kilyelzőt
Nem is nagyon tehetsz mást, a soros ellenállások az IC-n belül vannak, ha a beállított kimenőárammal nem világít eléggé a display, akkor nagyobb fényerejűt kell venni.
Megjegyzem, a pozitív tápot veszély nélkül növelheted 6V-ra (csak a kijelző anódon), ha már jól beforrasztottad és sajnálod szétszedni, esetleg megoldja a dolgot. Általában - normális kijelzőknél - inkább csökkenteni szokták a fényerőt soros diódákkal....
Köszönöm a választ meg is fogadom kijelző csere lesz.
További szép napot neked és mégegyszer köszönöm.
Sziasztok!
Szerintetek meg lehet odani azt, hogy ezzel a kapcsolással áramot mérjek egy 0,47Ohmos, és a kijelzett érték a reális legyen, ne kelljen átszámolni?
Ha ez egy tápegység áramérzékelő ellenállása, akkor gondolom a 2A-es méréshatárra lehet szükség.
Egyszerűen egy 10kohmos potit köss párhuzamosan a 0,47 ohmmal, és ezzel beállítható az 1,999A-nál a 199,9mV - ennyi kell a 7106 bemenetére. Arra kell ügyelni, hogy a tápja mindentől független legyen (pl DC-DC konverter), mert a 0,47 ohm általában a pozitív ágban van, tehát erre kell "lebegtetni" (ráültetni) a 7106 tápját. Ha a negatív ágban mérünk, akkor megoldható egyszerűbben is.
Ehhez a kapcsoláshosz szeretném felhasználni, és ebben van a negatív ágban a 0,47Ohm. A párhuzamos potival hogyan állítom be a műszert?
Én a helyedben kettévenném két ellenálássá azt a 0,47ohm-osat. És egy 0,1 ohmosan mérném az áramerősséget vele sorban meg kerülne egy 0,37ohm-os, hogy meglegyen a 0.47.
ez szerintem így jobb megoldás lenne. Ismétlem szerintem. u.i.: én pont így csináltam egy másfajta labortáppal, abba 0.2 ohm kellett, így 2db 0.1 essel oldottam meg, és az eggyiken mérem az ampert. :yes:
A negatív ágon mérni ez esetben szerencsésebb és olcsóbb. Két stabilizátorral megoldható.
Semmit nem nyerünk, ha megosztjuk az érzékelő ellenállást, mert akkor pontosnak kell lennie a 0,1 ohmnak, a disszipáció pedig ua. A trimmerrel "hitelesíthető" a kijelzés egy másik műszerhez. Ha 3A-es a táp, akkor már 20A-es méréshatárt kell választani, ilyenkor két darab trimmert kell beépíteni és a csúszkákat átkapcsolhatóvá tenni: 2A/20A. A gyakorlatban szükség lehet még a 200mA-es méréshatárra is, de ezzel az érzékelőellenállással már nem esik elegendő fesz a műszernek. Ilyenkor válik szükségessé még egy megfelelő soros ellenállás beépítése (az érzékelés marad az eredetin, csak a műszer kapja a feszt a két végpontról), amit a méréshatár kapcsoló 2A és 20A-es állásban rövidrezár. Persze célszerűen a méréshatár-váltó kapcsoló az áramkorlátot is váltja (hülyeségvédelem), hogy a 200mA miatt beiktatott (viszonylag nagyobb értékű) ellenállás nehogy leégjen egy 3A-re állított áramkorlátnál rákötött 3A-es terheléssel...
Most nézem, hogy a negatív tápon csak 5,6V-os a zener, ezért a 7905 bemenőfeszét nem innen, hanem a soros ellenállás elől - a C3 pufferkondiról - kell levenni!
A párhuzamos ellenállás a 0,47Ohmmal nem változtatja meg nagyon az ellenállását? Hogyan lehet majd ezt kalibrálni? Úgy lehet, hogy kiveszem ezt az ellenállást, és direktben átfolyatok rajta 1A-t, és a műszeren beállítom azt. Szerintem elég lesz a 2A-es méréshatár, mert még ekkora árrammal sem szoktam dolgozni.
Jah, és a két dióda milyen célt szolgál? Hogy a nyitófeszüknél nagyobb fesz ne essen ott? Amúgy 4148-asok?
Azt még elfelejtettem, hogy ilyenkor az alap kapcsolást milyen feszültség méréshatárra kell beállítani?
Egy 10k-s poti semmit sem befolyásol az áramlimit funkcióban. (kiszámolhatod az eredőt a 0,47 ohm-al...)
Áramméréshez mindig a legkisebb (200mV) méréshatár kell, hogy minél kisebb értékű söntöt lehessen használni, amit az áramkörbe sorosan bekötve, abban számottevő változást nem hoz létre. A két dióda csak védelem céljára lett berajzolva - én mindig beteszem (régen igen drágák voltak a 7106-ok). A hitelesítésnél egy másik árammérővel sorbakötöd az ellenállást ( amit majd beépítesz), átkergetsz rajta 1...1,5A-t (ezt látod a műszeren), és a potival a saját építésű DVM kijelzését is beállítod erre az értékre. Ezt elvégezheted a helyén (a tápegységben ) is.
A DVM-en ha 200mV-os méréshatárt állítok be, akkor először pl. 100mV-tal hitelesíteni kell. és utána a párhuzamos potival az áramot hitelesítsem? Ekkor mekkora lesz a méréshatár? Hányadik digitnél kell a pontot bekötni? Bocs a sok kérdésért, de amíg nem csinálom meg, addig felmerül bennem valami.
Igen először állítsd be magát a DVM panelt, 150...180mV-tal, itt nem fontos kötögetni a tizedespontot, beállításnál az első 3 számjegy egyezzen meg a "hitelesítő" műszer által mutatottal (mondjuk 1505 a kijelzőn 150.5mV) Ezután lehet "hozzáálítani" a meglévő áramlimit ellenálláshoz a 10k-s potival (1A a kijelzőn 1.000, tehát a tizedespontot az első digiten kell bekötni).
A szegmenseknek mekkora feszt küld a 7107? (ettől függ, milyen kijelzőt kell szereznem).
Sziasztok!
Az lenne a kérdésem, hogy mi a különbség a 7106 és a 7107 között? Lehet, hgy kicsit hülye a kérdés, de az Intersilnél a 7106-ra az van írva, hogy LCD/LED driver. Elvileg tehát (???) tudja mindkettőt hajtani? Viszont a MAXIM 7106-osra csak az van írva, hogy LCD driver... Most akkor kinek kell hinni? A 2 IC-nek egyformának kell(ene) lennie? Mert nekem van egy 7106-os (MAXIM), de LED-et kellene hajtania. Van valakinek ezirányú tapasztalata? Csak azt ne javasoljátok, hogy próbáljam ki, aztán elválik! Jó lenne épségben megőrizni az IC-t....
Elvileg a 7106 LCD, a 7107 LED meghajtására való. Valahol láttam egy kapcsolást, ahol az egyik IC-vel a másik kijelzőt hajtották, csak nem emlékszem a párosításra.
Egyszerűbb lenne 7107-tel LCD-t hajtani, mint fordítva, de meg kellene nézni szkóppal a 7106 kimeneteit, hátha kis logikával menne a dolog. Mindenesetre a múltkor 800Ft-ért láttam DMM-et kompletten. Ennyiért szerintem nem éri meg szenvedni vele.
Hali.
A 7107 csak és KIZÁROLAG, ledkijelzöt tud vezérelni, a 7106 csak Lcd-t. a 7107-es +- ost táp szükséges,mig a 7106-os sima tápról üzemel.
Gondolkodtam egy kicsit.
Mivel a 7106-ra csak egybackplane-es LCD köthető, így biztos, hogy a 7106 szegmens és BP kimenete azonos, vagy ellenfázisban van attól függően, hogy inaktív, vagy aktív a szegmens. Így a fáziseltérést kell detektálni: ha van fáziseltérés (konkrétan ellenfázis), akkor kell világítani a LED-nek. Láss csodát, éppen a kizáró-vagy (EXOR) kapu való erre. Vagyis fogsz egy EXOR kaput, egyik bemenetét a 7106 BP kimenetére, a másik bemenetét a 7106 szegmens kimenetére kötöd. A kapu kimenete megy a LED anódjára. Minden szegmensre egy ilyen kapu kell, azaz kb. 24 kapu, vagyis plusz 6 IC. Szerintem ez így működik, viszont meg kell nézni, hogy az EXOR kapu elbírja-e a LED-et.
OK! Köszi a gyors választ! Azt hiszem nem variálok vele, mert akkor a panelt teljesen át kellene tervezni. Vagy szerzek egy 7107-et, vagy ahogy javasoltad veszek egy teljes DMM-et. Nem emlékeszel hol láttad 800 Ft.-ért?
Köszi! Meggyőztél! Nem foglalkozom a megépítésével, inkább veszek egy DMM-et! Még1X köszi!
Sziasztok!
ICL7107 helyett tévedésből 7106-ot vettem. Gondoltam, ha már megvan, felhasználnám. Csakhogy, lövésem nincs, hogy milyen kijelzőt lehet használni hozzá. Sosem foglalkoztam még LCD- vel. Tudnátok segíteni, hogy mit vegyek? Mit kérjek, hogy ne nagyon "mosolyogjanak" az eladók? Köszi előre is.
Sziasztok!
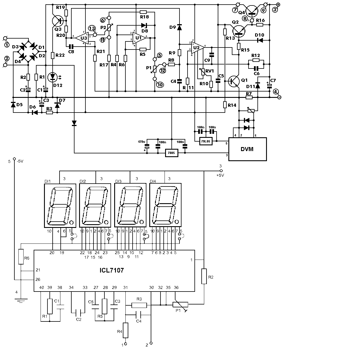
Meg építettem az ICL7106 adatlapján lévő kapcsolást. (11. old. 12. kép.) Immár sokadszorra. Meg szerintem már mindenkiét, aki itt a fórumon valamilyen variációt közzé tett, de valami mindig sántít. (Attila86 forrasztóállomásának a kijelzőjét sem sikerült 100-as ra megcsinálnom.) Most azzal szenvedek, hogy villog a kijelző, de csak akkor, ha a mérő bemenetre valamilyen feszt kapcsolok. Azt hittem, hogy a labortáp miatt van, de ki próbáltam elemmel, akksival is. Ugyan az a hiba. Elég, ha csak a + t rákötöm, és már villog össze-vissza a kijelző. Lenne esetleg valakinek valami ötlete?
Üdv.!
Milyen nyáktervet használtál? És LCD vagy LED kijelzős az áramkör?
Sziasztok!
Van egy ilyen LCD-m, ami a képeken van! Hogyan lehetne megtudni, hogy melyik láb mi? Nem találtam róla semmi infót, a hátulján levő felirat alapján! Jó lenne csinálni belőle egy DVM-et 7106-tal! Előre is köszi!
Szia
Ha a lámpa felé fordítod és oldalvást nézel bele, lekövethető, hogy melyik szegmens-hová van kivezetve. Ha rövid ideig használod, akkor egy ceruza elemmel is tesztelheted. Általában az első ill. utolsó láb a backplain ami a negatív lesz jelen esetben. Papír és ceruza legyen a kezed ügyében. |
Bejelentkezés
Hirdetés |




:yes: 

tudja mindkettőt hajtani? Viszont a MAXIM 7106-osra csak az van írva, hogy LCD driver... Most akkor kinek kell hinni? A 2 IC-nek egyformának kell(ene) lennie? Mert nekem van egy 7106-os (MAXIM), de LED-et kellene hajtania. Van valakinek ezirányú tapasztalata? Csak azt ne javasoljátok, hogy próbáljam ki, aztán elválik!






