Fórum témák
» Több friss téma |
Fórum » Csöves erősítő készítése
Ne feledd betartani a fórum viselkedési szabályait, és a topik megmaradásának feltételeit. [link]
A téma átmenetileg fagyasztva lett, hozzászólni nem tudsz!
Ezt esetleg meg tudod úgy fogalmazni, hogy még magad is értsd?
ILYet hol lehet kapni...??? Talán akkor ebben is segíthetünk...
1000 köszönet!!
Most raktam össze a melóhelyen demonstrációs célzattal egy EL84 sztereó SE-t. Egy 45VA-es Puskás trafó van a hálózaton, és 2x6,3V van rajta. Meg 2x21V. Az egyik 21V-ról megy egy Junoszty trafó, és üzem közben 243V-ot "csinál" (már DC-t). A Puskás hosszú távon sem melegszik számottevően, órákig bírja. A Szovjet is "izzad" annyira.
múltkor mintha még egy szatyorban láttam volna az asztal alatt ezeket a cuccokat. kössétek rá a TV-t.
Jól emlékszel, most azon az asztalon van.
Egy DVD-játékos van mellette, mint műsorforrás. Meg a két kis LG hangsugárzó. Mellétettük a Tesla lemezjátszó belét (a múltkor jól választottuk ki Neked a TBA-s panelt, a másikon mindkét IC zárlatos volt, mikor bekapcsoltam, halk búgás, és heves füstölés volt az 1. reakciója egy ellenállásnak, és a másik IC-nek a tápfesz megjelenésére), hogy össze lehessen vele hasonlítani. Pár perc után látom, hogy kihúzzák az IC-s paneltól a vezetékeket, akkurátusan kitolják az asztal szélére a TBA-kat, és átdugdossák a csöveshez a drótokat.
De természetesen sztereot akarok , így az a trafó kilőve ?Akárhogy is kellene egy sztereo PP nek a 200 Watt , a PCL 86 nak. Szerintem a biztonsági tartalékkal ? Nem szeretem ha izzadnak a trafók .
Sziasztok!
Nincs valakinek elfekvőben 0,28-0,35-ös tekercselőhuzalja?Két fojtótrafót akarok tekerni 6P14P SE-hez,de nincs hozzá huzalom.Nem tudom pontosan mennyi kellene rá, SM65-ös a vas, szerintem 0,5kg elég a kettőre bőven.Cserébe tudok adni 0,9-est, vagy új Tungsram EL84-et,stb. köszi üdv
én az ecl86-omban egy fojtót alkalmaztam egy 7 wattos féncső fojtóját,és tökélegesen jól szűri a macikat! és még esni is csak 5 volt esik rajta!
Nekem a képkimenő primer tekercse vált be, azon egy kicsit több, 13V esik.
De kínálja magát, van benn légrés, ott van készen, neked már csak a krémje marad vissza. üdv
Szia!
Találtam egy nagyon brutál méretű (250VA - 4.6kg) orosz hálózati trafót a neten. Sajnos Bács-Kiskun megyében van. Viszont ami mellette szól: 3200 forint (postával), hiperszil magos, van rajta 244V/97VA, 2*141V/28VA, 193V/14VA, 32V/39VA, 2*6.6V/19VA, 6.6V/6VA. Én sztereó PCL86 PP-t szeretnék vele üzemeltetni, PY88-as egyenirányítással, valamilyen kivezérlés mérővel, mindenféle világítással. Ugye jó választás lenne? A börzén sajnos semmi ehhez hasonlót nem láttam. Csak azt nem tudom, hogy gondosan becsomagolná-e, mivel papíralapú csévetestei vannak. Ettől kicsit parázok. :eeknoes:
Írtam neki, s ha megnyugtató választ ad a becsomagolás terén (bár mondani mondhat bármit), már viszem is.
Nem jól számolsz, szinte minden alkatrészen disszipálódik teljesítmény nemcsak a végcsövek anódján és a fűtéseken, még magán a hálózati trafón is.
A legkisebb PP erősítő amit építettem 2*10 W-os ECL 86-os, ebben csak a 4 db ECL cső van. A teljesítményfelvétele a hálózati feszültség nagyságától függően 78-86 W között van (nem tiszta A osztályú). Ennek legalább az 1,2-szerese kell, az már 103 W, de a nyári melegben izzani fog az ilyen hálótrafó is (ha egyébként bírja a meleget, mondhatjuk, hogy ez az alsó határ). Biztonsággal legalább 1,5 szeresen túl kell méretezni a hálótrafót, az már 130 W-ot jelent. Ha azt szeretnénk, hogy csak kézmeleg legyen 150-160 W-os trafó kell egy sztereo ECL 86 PP-hez.
Egészen pontosan melyekre gondolsz.
A 6C40P-ből 1db volt azt Müszinek adtam, tirátron van még, meg egy ECL86 ami nekem nem kell, nem tudom mennyire használt, ránézésre egészségesnek tűnik. Felrakok majd holnap egy listát azokból a csöveimből amiből lehet válogatni. Per pillanat nem döntöttem még el ,hogy mire van szükségem. Most egy 100-120W-os gitárkombón dolgozom és nem tudom eldönteni milyen végcsövekkel. PL509, 6C33C, GU-50-ek ezeken hezitálok. A baj, hogy mindegyiknek megvan a hátulcsapója. KT, 300B, stb.-re most nem akarok egy vagyont kiszórni.
PL500 is szóba jöhet, csak oda még nincsenek kimenőim. Úgy tervezem, hogy ha kész minden, és kinövöm a PCL86-ost, akkor egyszerűen kiemelem a sasszit a luxus házból, foglalatcsere, alkatrészek kicserélése - átkábelezés és már mehet is vissza. Vagy egyszerűen kap egy új sasszit, új belsővel, a régi meg...? Kap egy kis fapados házacskát... aztán...
Az valószínűleg egy SU magos színes TV trafó, kérdezd meg nem brummog-e, ha ráköti a 230-at, mert azok elmulaszthatatlanul búgni szoktak, elnyomja az erősítő hangját, jobban jársz, ha tekercselsz egy céljaidnak pont megfelelőt.
az ecl86-odtól mennyiért válnál meg?mert lehet érdekelne a dolog!
a tirátronról valami képet esetleg tennél fel?pl üzemen kívüli,meg üzem közben készítenél képet azt megköszönném!(meg szerintem mások is)
Sejtettem, hogy nem úszom meg olcsón
Bár, csak lehetne gumibakokkal csillapítani a zizegését, meg a csévetest hézagát kitömni papírcsíkokkal. Ha ez sem segít... akkor ahogy köbzoli mondta: Idézet: Amúgy ő lenne az a képen.„Ez egy mindenes próba tápnak is megfelel.” További minden jót, elteszem magam holnapra. Sziasztok!
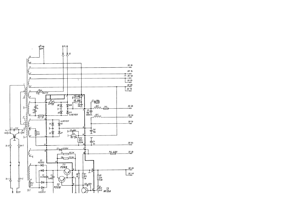
Hát, ez bizony az a ruszki trafó, amiről Sturbi beszél. A hibrid színesekben használták ezeket valamikor. Az oroszok kizárólag 6,3V-os csöveket használtak, azért van rajta 6,3V. Volt a készüléknek félvezetős része is, ennek az alacsonyabb feszültségű tekercs. Van rajta több kiegyenlítőtekercs is, amit nem terheltek, csakis a két oldal szimmetrizálására szolgált. Ez a rajzon sincs feltüntetve.
Nekem is 160VA jött ki a PL82 PP sztereóra. Mondjuk én is bőven számoltam.
A két Rt cikk az EL84, EF86 csövekből felépített 3W-os SE erősítőről.
Bár a többiek is már pedzegették, de eléggé ColorStar hálótrafó szaga van a dolognak...
Kérdezz rá, hogy a primer aluból van-e, és, hogy milyen átmérőjű vezetékkel van tekerve, mert ha 1,3mm-es, akkor az bizony ColorStar! Itt már többször is kiveséztük szegényt, még azon tulajdonságát is, hogy azzal az 1,3-as primerrel, ő bizony 4A-el is terhelhető, és az biza közel 1000W! nem csak 250!! Én egy bazinagy 12v/200A-es tápban 3db ilyennel dolgoztattam... OFF:! /annó 4db Quad 405-öt símán elhajtott egy ilyen trafó!/ akkor hol az a 250W? Képet tehetnél fel róla, ha van.. ON!
Igen , szerintem 20KHz felett lesz kiemelés , de nem csak nyilt hurokban .
Addig talán próbáld ezt :
Van képe hozzá.
Ott egyértelműen látszik a viaszos papíron a cirill felirat (a másik tekercs pucér).
Pedig négyszöges vizsgálatot érdemes mindig megcsinálni , sokat mond az erősítő ( kimenő )minőségéről és eléggé jól látható a frekimenet alakulása egy 10KHz -és négyszögön . Persze ha ez nem lényeges akkor nem kell vele foglalkozni .
Itt megtalálod az orosz TV trafók részletes adatlapjait típus azerint.
Ha nem zúg, az külön szerencse, ha zúg akkor meg lesz egy olyan hálótrafód legalább, amivel lehet kisérletezni, még előny is (mert mint tudjuk, minden rosszban van valami "még rosszabb"), mert egy süket trafót előbb-utóbb beépítenél egy végleges erősítőbe (az én bedobozolt tápegységem csöves részében is az miatt nincsen már trafó csak az üres banánhüvelyek).
Ilyen táblázata csak egy embernek van az országban.
Köszi, ki fogom ezt is próbálni de elöbb megnézem az Audigy1 hangkártyám kimenetét négyszögjelnél közvetlen a szkópon, mert lehet, hogy annyira torz, hogy nem is érdemes az erősítőre kötni. Egyébként az EF 86 erősítését lehet valahogyan csökkenteni anélkül, hogy jelentősen megváltoztatnánk a kapcsolás tulajdonságait, vagy csak ahogyan most is teszem, leosztom a jelet a bemeneten?
Lehet csökkenteni az erősítést. Mégpedig legegyszerűbben úgy, hogy az EF 3M-s munkaellenállásából kevesebbet hagysz aktívnak. Pl. kicseréled mindegyik tagot 1,5M-ra. DC szempontból marad a 3M, de csak 1,5M lesz aktív, nem 2,2M.
Bocsi, hogy beleszólok. Én ilyenre vadászok rég.
Én nem tápnak, hanem kimenőnek gondoltam, mivel elegendő keresztmetszete. Vagy annak se jó ? |
Bejelentkezés
Hirdetés |


múltkor mintha még egy szatyorban láttam volna az asztal alatt ezeket a cuccokat.
kössétek rá a TV-t.
Bár, csak lehetne gumibakokkal csillapítani a zizegését, meg a csévetest hézagát kitömni papírcsíkokkal. Ha ez sem segít... akkor ahogy köbzoli mondta: 



