Fórum témák
» Több friss téma |
Mielőtt kérdezel, a következő két dolgot ellenőrizd!
I. A helyes tápfeszültségek megléte.
II. A kimeneten van-e egyenfeszültség.
Élesztés.
A +/-25V az azt jelenti,hogy az erősítő 50V tápot kap. a hangszóró egyik vége a táp közepe a másik a vég kimenete. A teljesítmény pedig egyszerű aránypár. fél feszültség negyed teljesítmény. számold ki!
A 16V-ból még ráadásul a végfokba "bent marad a szaturáció közeli Us kétszerese. Ez kb 3-5V . Így már csak 11-13V pp-vel lehet számolni!!! Üdv! Lajos
Szia.
A kimenő feszeem az 43 V volt. Mért kérdezed?
Tegnap este érdeklődtél stab. IC felől.
Üdv! Lajos
Azt meg tudod nézni, hogy a kollektor van-e közvetlenül a tápon. Ha igen akkor ez emitterkimenetű és a + táp felől az NPN tranyó kell. A + tápot leköveted a puffer kondiról.
Üdv ! Lajos
Jah igen.
Az érdekelt volna hogy van e olyan stab ic ami bemenetén elbír 60 V-ot olyan is jó lene ami a 60 V-ot leviszi 40 V-ra. Mert olyan ic-m van ami ezt már elbírja. Te tudsz ien ic-t? Kösz előre is.
Udv
Tegyel teljesitmeny ellenalast a stab. ic elejebe,mondjuk 220ohmosat legalabb 5 wattra,igy esni fok az ic re eso fesz es aram szintje.
De ha sorba kötöm vele nem csak az áram fog esni?
Na nem kell nagy áram kkor ezt így megoldhatod.
Hello én naon kezdő vaok ebben a témában
szal a tranyoknak a 3 lyukú foglalatábol nekünk a középső lyuk kell és a műszer mind2 drotját oda kell tenni vagy hogy és persze bekell kapcsolni az erősítőt a méréshez?? előre köszi A TL783 125V-ig jó. RET-nél biztosan kapható. regards,
sziasztok!lenne egy aprócska kis kérdésem!csináltam egy tda2005-ös végfokot a kocsiba!hát és egy kis gond lépett fel vele!arról lenne szó hogy rákötöttem az autó aksira ha mp3-ról adom neki a bemeneti jelet akkor szépen szól de nekem nem mp3-ról kell hanem az autó rádióról, és az a baj ha bekapcsolom a rádiót valami iszonyatos hang jön ki a hangfalból!recseg,kopok!de ha kikapcsolom az autó rádiót akkor nem! valószínűnek tarom hogy valhogy bezavar a rádió neki csak nem birok rájonni hogy oldhatom meg ezt a problémát és ezért fordultam most hozzátok ha valakinek esetleg csinált ilyet hogy sikerult megycsinálnia? köszi!
Tegyél az IC bementére egy feszültségosztót. Az mp3 lejátszó "halk" azért megy vele rendesen, és az ilyen IC-k általában nagyon nagy bemeneti érzékenységgel vannak megáldva azért zajos.
Nem csak az aram,hanem a feszultseg is az ellenalasra ra eso terhelesnek megfeleloen.Minel nagyobb az aram igenye a stabilizatoron levo fogyasztonak,annal kissebb lessz az ellenalas utani feszultseg.De nemtudom mire akarod hasznalni,mert mondjuk egy muveleti erositonek eleg egy sima zener dioda.
A legegyszerubb egy 330 ohmos ellenalas az ic bemenetere,es ezen keresztul kell a radio kimeneterol a jelet az erositobe vezetni.Ugyan az mint az erositokben a fejhalgato kimenet,ott ugyan igy van megoldva,a jel csokkentes,impedancia novelessel.
Bocs utolag belegondoltam. Csak hangszinszabályzót meg ledeket, ventiket kell meghajtani.
köszi szépen
Nah lenne itt nekem egy MARANTZ SR-50L-es erősitőm és kellene bele egy proci.A neve.: TMP47C870N....Szeretném megtudni hogy honnan lehet ilet venni v. rendelni..
Előre is köszi.
TMP47C870N Talán ITT
Sziasztok
A TDA 2616 adatlapjának 9. oldalán lévő kapcsolásról lenne pár kérdésem: 1.Mekkora értékű az Rs vagy mi alapján számoljam ki? 2.A mute inputot honnan vegyem? 3.Ez most akkor asszimetrikus vagy szimmetrikus tápról megy mert a -Vp nincs feltüntetve de ennek +- kell vagy mégsem?
Bocsi hogy csak most válaszolok de nem voltam gép előtt napközben.Szóval így elég meredek, de elmondom,az egyiket a középsőbe a másikat az erősítő test-jére PL valahova a házhoz,fontos hogy a negatív műszervezetéket tedd a testre és ahoz képest mérd végig a középső pontokat!De az is elképzelhető hogy az erősíztőd nem szimetrikus táplálású és akkor viszont nem biztos hogy mindegyik-nél lesz feszültség.Szerintem csinálj pár képet a belsejéről hátha az segít eligazodni mert így láthatattlanba elég húzós...
sziasztok.
szeretnék kocsiba erősítőt kreálni és választásom TDA alapú mégpedig a 7560 as szériából lenne. Mellékeltem a doksit is szerintetek meg lehetne e oldani ennél az IC nél a dupla hidat, nem kellene nekem a négy csatorna csak kettő ? válaszokat köszönöm.
Hali!
úgy tudom hogy ennél az IC-nél nem megoldható amit szeretnél.
Szia!
Az ic kimenetei már eleve hidalt kimenetek. Egy újabb hidalás füst keletkezésével és/vagy az ic tönkremenetelével jár.
na igen eztén mind értem és tudom! de hiáb taszek oda ellenállást akkor is ezt csinálja egyszerűen kibirhatatlanul elkezd recsegni ha bekapcsolom a rádiót (és a rádió a minimum azaz a nulla hangerőn van!)és ezt nemértem miért csinálja!remélem érthtő vagyok!
Nem.
Az áram folyik, és amin átfolyik, azon feszültség esik. A ellenállásos módszer csak fixre beforrasztott terhelésnél használható, mert ha nem folyik áram, az ellenálláson nem esik fesz. akkor a stab IC megkapja a teljes nyers feszkót. Inkább próbáld felemelni Zenerrel a fölről a stab IC referencia lábát pl. 27V-ra (ZG 27). Üdv! Lajos
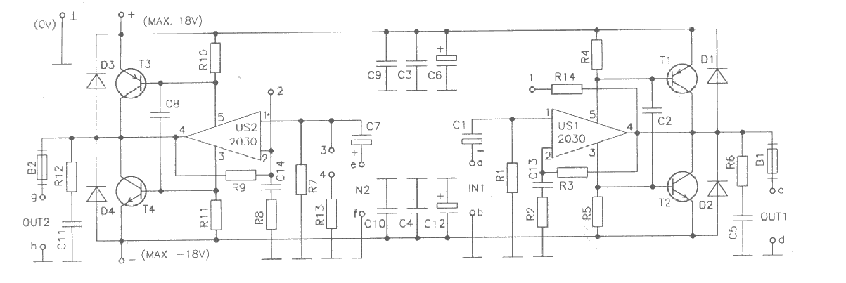
szaiasztok ha ebben a kapcsolásban a tda230-akat tda2050-re cserélném, hány wattal nőne a teljesítmény.és a tápfeszültséget nem emelném hanem hagynám amin eddig volt.
Üdv totti91!
1. Az Rs egy RC PI szűrő R tagja. Ha önálló táppal építed, akkor elhagyható. (az értéke általában 8 ohm-os kimenetnél 1-2 ohm. a gépkocsiban alkalmazott erősítőknél lényeges, viszont csökken a kimenő P) 2. A "mute lábra ha nem kötsz semmit akkor az erősítő szól. 3. Az adatlap 8. oldalán +/- táppal (szimmetrikus) van beállítva, a 9. oldalon pedig +/test táppal (aszimmetrikus). Az adatlapokat mindig olvasd végig! Üdv! Lajos
Szia!
A félvezetős erősítők közel tápfeszig hajthatók, ezért szoros összefüggés van a tápfesz, a terhelő impedancia, és az elérhető teljesítmény között. Tápfesz emelés nélkül nemigen lesz teljesítménynövekedés.
És mivel tudom könnyedén emelni a tápfeszt olyan megoldás kéne ami nem kerül többe 1500Ft-nál max 2000?.
|
Bejelentkezés
Hirdetés |





szal a tranyoknak a 3 lyukú foglalatábol nekünk a középső lyuk kell és a műszer mind2 drotját oda kell tenni vagy hogy






