Fórum témák

» Több friss téma
Fórum » Active Crossover
 
Témaindító: Resident, idő: Jan 26, 2006
Témakörök:
Lapozás: OK   5 / 6
(#) hüblerattila válasza djyuri hozzászólására (») Jan 13, 2009 /
 
Gondolom hogy 45hz-től felfelé mert ha 10-től lenne akkor nem 45-öt írt volna minimumnak. Amugy szerintem én is megveszem elvileg csütörtökön meg is lesz rá a pénz, és majd megy is a rendelés
(#) djyuri válasza hüblerattila hozzászólására (») Jan 13, 2009 /
 
Rendicsek

Ha majd veszed a cuccost,meg tudod kérdezni,hogy ők mennyiért csinálnak készre XLR-RCA átjátszó kábelt?

Köszi
(#) hüblerattila válasza djyuri hozzászólására (») Jan 13, 2009 /
 
Úgy fogom kihozatni ugyhogy sajna nem tudok velük beszélni...
(#) djyuri válasza hüblerattila hozzászólására (») Jan 13, 2009 /
 
Ok

Nem probléma,majd akkor én kérdezem meg,ha a hangszórókat veszem.
(#) sound.man válasza djyuri hozzászólására (») Jan 13, 2009 /
 
Azt otthon is összetudod rakni könnyen. Csak kábel kell meg csatlakozó. Látom Te se szeretsz kábeleket kötözgetni.
(#) hüblerattila válasza sound.man hozzászólására (») Jan 13, 2009 /
 
Ja amúgy én kettő darab szimetrikus nagy jack- rca-t kb ötszáz ft-ból rakktam össze és két méteresek és szerintem sokkal jobb a minősége mint egy gyárinak. mellékeltem róla egy képet

DSC02882.JPG
    
(#) djyuri válasza hüblerattila hozzászólására (») Jan 13, 2009 /
 
Ezt a vastag hangkábelt hol vetted?
És még jobb kérdés mennyiért ?

sound.man Igen jól látod Amit szoktam is csinálni,azt kiöntöm műanyaggal vagy ragasztóval,hogy ne törjön meg (ugyanis sokszor több szerelt cucc törik meg nálunk,mint gyári) Én ezért forrasztani szoktam a készülékekbe vagy pedig ragasztóval lerögzíteni a kábeleket a csatlakozók körül. Szerelt kábel esetén pedig kiöntöm a csatlakozó szabad belsejét.
(#) hüblerattila válasza djyuri hozzászólására (») Jan 13, 2009 /
 
Ez igazából mikrofonkábel és aszthiszem hogy 150ft / méter volt még tavaly az astroban de ilyet szerintem minden diszkós boltban kapsz ennyiért
(#) djyuri válasza hüblerattila hozzászólására (») Jan 13, 2009 /
 
Ok
Köszi
aktuális időpontban lehet nem fogok válogatni,hanem megépítek egy pár ilyet. Vastag kábellel már jobb az esély a kábel időtállóságának növelésére.
(#) sound.man válasza djyuri hozzászólására (») Jan 13, 2009 /
 
Igen, ezek jóféle kábelek. Nekem az a sima vékony kis izé van, egyenlőre jó az. Most azzal szenvedtem, hogy a végfok szimetrikus bemenetű és asszimetrikusra átalakítani. Elvileg minuszt simán a testre kellett volna kötni, de azt mondták, hogy inkább 560ohm-al húzzam le testre, és az XLR-be tettem egy ellenállást. Nah jól van nem offolok.
(#) Leslie P hozzászólása Nov 4, 2009 /
 
Na hello sziasztok!

Ha érdekel még itt valakit akkor nekem van egy nagyon jó kis kapcsolásom crossover-re
Ez egy sztereó, 2 csatornás /mély, magas/...
Évekig használtam ilyet és...nincsen rá semmi panaszom.
2 db reflex hps középmagas tölcsér meg 2 db 2000wattos szintén reflex sub volt "rajta" és nagyon jól bírta a kiképzést. Egyébként a garry cég co-224 -es crossoverének tökéletes másolata annyi kis különbséggel csupán, hogy a táp része át lett alakítva, hogy ne kelljen 24v ac-t adni . Ha érdekel valakit kapcsolási rajzom is van hozzá illetve meg van a nyákrajz is. Ha kellenek akkor vegyétek fel velem a kapcsolatot:
a NYÁK rajz képét csatoltam :yes:
(#) Leslie P válasza Leslie P hozzászólására (») Nov 4, 2009 /
 
Hát sorry de ebből túl sokat nem láttok...
De ha érdekel akkor el tudom küldeni e-mailben
(#) sound.man hozzászólása Jún 30, 2010 /
 
Hali

Szereztem egy aktív crossovert limiterrel csak van egy kis hibája... Van benne egy halk búgás és ez belőle jön nincs hurok meg semmi ez ebből jön. Valami nem stimmel benne csak nem sikerül rájönnöm, hogy mi. Táppal lehet valami mert akasztottam rá még puffert és úgy valamennyivel halkabb lett. A tápfeszültségek +15,13V és -14,9V okozhatja ez ezt a halk búgást?
(#) sound.man válasza Leslie P hozzászólására (») Jún 30, 2010 /
 
Feltehetnéd a rajzot ide is. Nekem is van egy ilyenem és a tápja feszkétszerezővel van megcsinálva és így elmegy egy 12v-os adapterről.
(#) GTomp hozzászólása Júl 19, 2010 /
 
Sziasztok!

Pár napja keresek olyan szoftvert amivel tudnék helyettesíteni egy aktív hangváltót. Googlizom ezerrel de nem nagyon találok erről infót. Van ilyen szerintetek? valaki-valami ötlet? Kíváncsi volnék nagyon, szerintem van rá reális alap, csak annyi az egész hogy egy több kimenetes hangkártyán a line-ról tovább menve melyik kimeneten milyen frekit engedjen tovább. Várom válaszaitokat!
(#) bencikusz hozzászólása Szept 7, 2012 /
 
Akkor itt írok Reloop!
Akkor ha jól értem akkor a bekarikázott alkatrészeket kell cserélnem ?
Köszi.
B

cros.png
    
(#) reloop válasza bencikusz hozzászólására (») Szept 7, 2012 /
 
Hali! Ez még kevés. Valamennyi 11k -> 10k; 22k -> 20k (két 10k sorba); 33nF -> 100nF; 66nF -> 200nF (két 100nF párhuzamosan).
(#) INOX 4 EVER hozzászólása Feb 3, 2013 /
 
Sziasztok!
Lenne egy elvetemült ötletem.
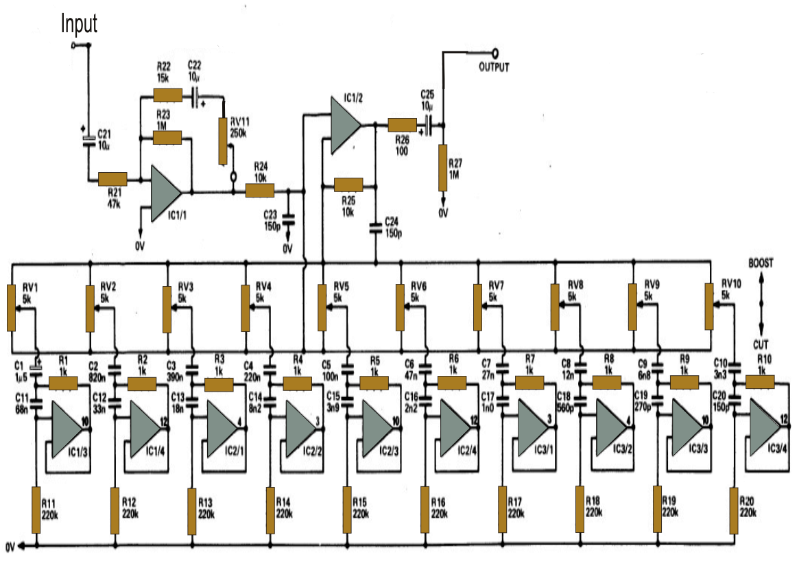
3 sávos crossover-t szeretnék készíteni,de precíz freki állítással,és ezt úgy képzeltem el,hogy gyakorlatilag egy 10 sávos EQ-t választanék 3 felé.
4 poti állítaná a mély sávot (31,63,125,250Hz),3 poti a közepet (500,1k,2kHz) ,és 3 poti a magasat (4,8,16kHz)...Így mindhárom sávot könnyű hozzáhangolni az adott hangtechnikához.
Az eredeti rajzon egy sima 10 Band EQ van a módosításomon van volume control az inputnál,és 3 felé van vágva a cucc.A véleményeteket szeretném kikérni,hogy ez a módosított elvi kapcsolási rajz az IC-k táphiányát leszámítva működőképes lehet?
A válaszokat előre is köszönöm
Üdv!
INOX
A hozzászólás módosítva: Feb 3, 2013
(#) reloop válasza INOX 4 EVER hozzászólására (») Feb 3, 2013 /
 
Szia! A lyuk-szűrő által nem érintett sávok gyengítetlenül átmennek, ebből aligha lesz cross-over.
(#) INOX 4 EVER válasza reloop hozzászólására (») Feb 3, 2013 /
 
Hú ezt nem igazán értem....Ha egy sima EQ-nál mind a 10 poti le van húzva akkor is átmegy valami?
Végül is csak egy ötlet volt...Túl tökéleteset akartam
Te ezt hogyan oldanád meg? Akkor készítsek egy Tone Control-os Preampot egy végfokkal és tegyek elé egy EQ-t?
(#) reloop válasza INOX 4 EVER hozzászólására (») Feb 3, 2013 /
 
Az, hogy lehúzott potinál is átmegy a hang az csak egy dolog, 12-15dB elnyomást ha végez. Példának nézd meg a Bass Output-odat. Az 500Hz feletti hangokat semmi nem szabályozza, azok minden változtatás nélkül a kimenetre jutnak.
A megoldás, hogy az EQ után teszel egy valódi cross-overt.
A hozzászólás módosítva: Feb 3, 2013
(#) INOX 4 EVER válasza reloop hozzászólására (») Feb 3, 2013 /
 
Akkor már esküszöm most zavarodtam bele az egészbe,de nem fogom feladni a hangfrekis pályafutásomat az első lépésnél,így inkább másképp teszem fel a kérdést,mert nekem valami nem világos...Tételezzük fel,hogy 10 különböző hangfalat építek úgy ,hogy minden frekitartományhoz építek egy-egy hangfalat,és minden egyes sáv mögé építek egy egy végfokot ,mert ilyen megszállott vagyok, akkor pont az ellenkezőjét fogom elérni vele,hogy az adott frekire épített hangfalon minden csutka hangerőn fog szólni,csak az a tartomány nem amelyikhez az adott sávszűrő tartozik?
(#) reloop válasza INOX 4 EVER hozzászólására (») Feb 3, 2013 / 1
 
A válasz az EQ működésében rejlik. Az eredeti rajzodon alul lévő IC-k a két ellenállásukkal és kondenzátorukkal egy adott frekvencián alacsony értékű ellenállást valósítanak meg. Ha ezt a potival az IC1/2 bemenete felé tereled, akkor az adott frekvencián vágás lesz, ha a visszacsatoló ág felé akkor pedig kiemelés. Minden más frekvencián a jel gyengítetlenül tovább halad.
Szemléltetésül képzelj magad elé egy átviteli ábrát, mely 20Hz-től 20kHz-ig egy lapos vonal. Az EQ egy szabályzójával erre tudsz egy ki púpot, vagy gödröt varázsolni.
A cross-over ezzel szemben az adott sávot átengedi, alatta és felette - igény szerint - a lehető legnagyobb mértékben elnyomja a jeleket.
(#) INOX 4 EVER válasza reloop hozzászólására (») Feb 4, 2013 /
 
Értem már,és leesett.Szóval ha ilyen elvetemült vagyok akkor nem egy 10 sávos EQ-t kell építenem,hanem gyakorlatilag 10db sáváteresztőt.
Van valami egyenlet ezeknek a méretezésére?
(#) reloop válasza INOX 4 EVER hozzászólására (») Feb 4, 2013 /
 
Úgy értelek a végső célod a hangfrekvenciás sáv három felé osztása oly módon, hogy a keresztezési frekvenciák állíthatók legyenek.Itt egy megvalósítási lehetőség.
(#) INOX 4 EVER válasza reloop hozzászólására (») Feb 4, 2013 /
 
Nem ez a célom,hanem a mély sávon belül ami mondjuk 31Hz-től tart mondjuk 500Hz-ig azon belül is ki tudjak emelni egy freki-sávot amit az adott hangszóróra eresztek rá. Innentől kezdve pedig majdnem mindegy, hogy hol van a keresztezési freki.
Ezek szerint csak az a megoldás marad,hogy EQ+3 way active crossover+3db végfok oldalanként.
Csak ha ezt így csinálom akkor bejön a jel átmegy egy műveleti erősítőn,a sávszűrők szétbontják 10 sávra,mind a 10 sáv átmegy egy-egy műverősítőn aztán újra egybe van gyúrva ,átmegy még egy műverősítőn aztán a 3 way crossoveren keresztül megint átmegy vagy 4db műverősítőn legalább,aztán jönnek a végfokok,és félek attól,hogy addigra az éterből a létező összes zavart összeszedi,és a jel is annyira meg lesz dolgozva,hogy egy nagy zajköteg lesz az egészből,de semmiképpen nem zene.
(#) INOX 4 EVER válasza INOX 4 EVER hozzászólására (») Feb 4, 2013 /
 
Kicsit akkor máshonnan fogom megközelíteni ezt a kérdést.
Az EQ-t teljesen szétkapom 3 felé,és az input műveleti erősítőket fogom filterrel egybekötni.
(#) reloop válasza INOX 4 EVER hozzászólására (») Feb 4, 2013 / 1
 
Idézet:
„bejön a jel átmegy egy műveleti erősítőn,a sávszűrők szétbontják 10 sávra,mind a 10 sáv átmegy egy-egy műverősítőn aztán újra egybe van gyúrva”

Az előbb leírtam, hogy nem így műlödik.
(#) INOX 4 EVER válasza reloop hozzászólására (») Feb 5, 2013 /
 
Hogy mekkora ökör vagyok...
Pont visszafelé gondolkoztam....
Kezdem kapizsgálni.
Lassan meglesz az irány
Megyek rajzolni .
Köszi a segítséget!
A hozzászólás módosítva: Feb 5, 2013
(#) midgardcoil válasza INOX 4 EVER hozzászólására (») Feb 5, 2013 / 1
 
Nem tudom ezt az oldalt megtaláltad-e már,itt elég részletesen le van írva a téma kapcsolással,képlettel. Én egy kétutasat építettem pár hete,de az egyszerűség kedvéért fix keresztezési frekit választottam,ahogy a linkelt oldalon is írják,egy 24 dB/oktávos szűrőnél már túl sok alkatrész értéke kell,hogy változzon.
Következő: »»   5 / 6
Bejelentkezés

Belépés

Hirdetés
XDT.hu
Az oldalon sütiket használunk a helyes működéshez. Bővebb információt az adatvédelmi szabályzatban olvashatsz. Megértettem