Fórum témák
» Több friss téma |
Fórum » RIAA korrektor
Témaindító: Ghost Rider, idő: Aug 25, 2006
Szia.
Persze, van tranyós is, elvégre a törzsfejlődésben előbb volt a tranyó , mint az ic. :yes:
Csak ECC82- vel nem igazán jó ötlet , kicsi az erősítése . Más csővel kiegészítve könnyebben megoldható.
Hello!
Vettem észre hogy elöbb volt,de szerintem torzabb is mint az IC-s. És érdekes,hogy szűri is a hangot,alig lehet hallani az agyonhasznált lemeznek a recsegését. Ha felújítanám a korrektort,akkor is ilyen torz lenne?
Nem hiszem, hogy az Orion saját korrektorát érdemes lenne felújítani / használni, inkább egy külső phono a megoldás.
Feljebb csatoltam egy igen jó hangú korrektort pl.
Hello!
Most vettem észre,semmi baja ninvcs a bennelévő korrektornak,csak a karon a súj volt nagyon felnyomva és attol bömbölt annyira. Üdv:scooby_
Igen, a nagy mértékű torzítást én furcsáltam a tranyók ellenére.
Hello!
Na annyi az erölködőnek Kivettem a korrektort belőle,de nem tudom bekötni úgy,hogy normális basszusa legyen,és szűrjön is. Úgyhogy úgygondoltambontom,és az alkatrészeiböl építek egy korrektort. Ehhez kellene nekem kapcsolás,nyákrajz,esetleg beültetés. Előre is kössz!
Ráadásul egy olyan gyerek segített,akinek át van kötözgetve az erősítő,így nem is biztos...
Erősíteni erősíti,de basszus alig van,márpedig a 2.1-es hangfalrendszeremnek van ám hangja... Nemértem miért rossz. Ha esetleg van valaki akinekijenje van otthon,az vessen egy pillantást a jobb oldalon található előerősítő-riaa korrektorra! Előre is kösz!
Szia!
Nem olyan egyszerű a dolog az Orister-nél, Ezt az egy áramkört használják univerzális előerősítőnek. Attól függően, hogy milyen állásban van a bemeneti választókapcsoló, más-más a visszacsatoló áramköre. A korrekt működéshez megfelelően be kell kötni. Ha megvan a rajzod, a bal felső sarkában van a bemeneti választókapcsolónak a bekötése. Bővebben: Link
Hali!
Pont ez a gondom,hogy ezen a rajzon nem tudok kiigazodni! Ha nemtudok vele mit kezdeni,akkor olyan rajz érdekelne amit pár 100Ft-bol összetudok állítani! Kössz! Üdv!
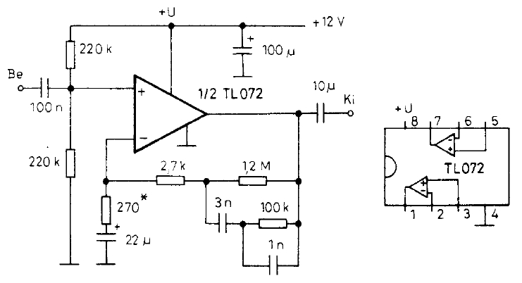
szia! amit beraktál az egy RIAA korrektor, de ezzel nem mégy semmire. ez csak a frekvenciafüggő visszacsatolást mutatja, nincs erősítés beállítás, sem munkapont. alapkapcsolásnak jó, de többre nem. megmutatja hogyan kell egy műveleti erősítőt behelyezni egy frekvenciafüggő visszacsatolásba. az áramkör többi ellemeit mélyen elhallgatják..... gondolom az üzlet miatt.
itt egy gyakorlati rajz! ha tudsz akkor szerezz be minél zajszegényebb tipust az ic-ből! ez a kapcsolás garantáltan működik! ha gondolod akkor megtervezem, csak legyen SprintLayout programod. akkor már nyomtathatod is a fóliarajzot.
Hello!
Mien IC-re gondoltál? Itt a kapcsoláson a TL072 van írva,sima a HQ videónál nincs. amik vannak Nemtudom meik jó még a simán kívül. Nyákot én még nem csináltam,úgyhogy nem is merek saját kezűt maratni,Sprint-Layout fenn van,úgyhogy a nyák jöhet is,és NAGYON KÖSZÖNÖM!!!!! Üdv!
szia! a TL072-re gondoltam! megnéztem a HQ lapját és mindegyik jó neked! ha ettől zajszegényebbet tudsz szerezni, ezzel a lábbekötéssel, akkor jobb korrektort tudsz építeni. első korrektornak nem rossz! már tervezem.
majd felteszem "korrektor.lay" fájlban neked címezve. ha még nyákot nem csináltál akkor megcsinálhatom neked csak adj egy postacímet a privát címemre! ingyen és bérmentve elküldöm.... de ha te akarod a nyákot megcsinálni akkor a weboldalamon van leírásITTtükörszimmetrikusban tervezem meg mert úgy nagyon látványos! ha minden sikerül a nyák mérete 35mmX50mm. jobb ha árnyékolod az egész korrektort ezért úgy alakítom ki a földelést (GND) hogy a dobozt hozzá lehessen forrasztani. a hétvégén meglesz, de lehet hogy hamarabb! milyen lemezjátszód van? csipeszed van? mert elég kicsi lesz a nyák!
Hali!
Basszus te túl rendes vagy!!!!!!!! :yes: Lassan már meg is csinálod hejettem... ![]() Mivel nemnagyon marattam,félek is tőle! :yes: Alkatrészek meglesznek,ha sok a nyákod és nem férsz tőle,akkor persze jöhet,megadom a címet(következő válaszban),van egy TDA7560-as IC-m,nyákom is volt,csak rosszúl "vasaltam" rá(elcsúszódott)igy az kárba veszett! Ha télleg sok a nyákod,akkor egy simát küldhetsz(max 5x5Cm-st)! Üdv!!
megterveztem a korrektort. igaz a 100mikró nincs benne, de a kapcsolás több hónapig is elketyeg egy 9V-os elemről. ezért ha gondolod a táppal nem kell bajlódnod. nekem egy két tranzisztoros korrektorom van, de már a fene se tudja hol a kapcsolási rajz...
igaz már 16 éve építettem, és nekem is csak elemről megy. itta nyákraj, meg a beültetés, a panelt meg küldöm. felteszem .lay fájlban is ha valaki meg szeretné építeni.
Szerintem profimunka lett,próbáljátok ki!
Ha esetleg valakinek szükségevan erősítő nélküli riaa-r annakott a link,van csöves,meg van sima erősítőnélküli!
De szerintem jobb amit bgsf tett fel,pár 100Ft-bolkijön,max 500Ft!
erősítő nélkül nem éppen a legjobb egy korrektor:
1, még jobban csökkenti a jelszintet amit aztán vissza kell erősíteni. 2, emiatt brutálisan megnő a zajszint. 3, ugyan annyi alkatrész kell de a minőség romlik. 4, ráadásul néhány mikro- esetleg mV-os jelet nem éppen jó még tovább csökkenteni. a visszacsatolásban végzet korrekció a lehető legjobb megoldás, mert a frekvenciától függ az erősítés (az erősítés 10000X-es is lehet!). mivel ilyen esetben éppen (!) a magas frekvencián kisebb az erősítés, emiatt a "sistergés" is alacsony szintű, csak az erősítő alapzaja hallatszik. a passzív korrektor után a jellel együtt minden zajt egyformán erősít az (elő)erősítő, emiatt sokkal zajosabb kimenőjelet kapunk. ha a korrektor kis áramfelvételű akkor érdemesebb elemről használni. nagyon nehéz jó tápot építeni hozzá azért hogy a brummot elkerüljük. nekem intenzív használat (napi 2-3 lemez) mellett is több hónapig elketyegett elemről és csendes volt! a csöves korrektort csak igazán megszállottaknak ajánlom, mert a magas tápfesz miatt elég balesetveszélyes, valamint drága megoldás. most néztem éppen hogy mikor 10 éve kihajingáltam az elektroncsöveimet kidobtam vagy 200.000 forintot az ablakon. ecc80-as cső manapság 4000 FT. akkoriban meg 80 Ft volt és a kutyának sem kellett....
Hehe!
Elektroncsövekkel így van ez manapság! Amúgy használtan láttam 600.000-ért csöves erősítőt,és tényhogy télleg jól szól! Meg a teljesítménye is megvan...! ![]() A TDA7560-hoz 1-2 alkatrész eléggé drága! Küldtem a pirivátodra egy honlapot,ott van egy egyszerű beültetés,de nyák nincs. Ott van a kapcsolás PDF-ben,és alatta pedig számomra ismeretlen file-okban a nyák is,de nemtudom megnyitni ![]() Pedig az lenne a legjobb nyák ITT a link! Protel files-ben vannak a nyákok(szerintem)
nem éppen ideillő, de itt a nyákrajz a TDA-hoz. most terveztem még meleg.remélem másoknak is segítség, bár nem a lemezjátszóhoz kell, de ahoz is lehet használni! ha valaki hibát talál benne akkor szóljon és javítom....
a nyák mérete 60X30mm elméletileg 4X40W-os, bár ebben kételkedem... ![]() a képek:
a TDA panelon van néháhy extra vékony vonal! javítottam!
Áááá
Kitudtad csákányolni abbol az atombiztos file-bol? 1000 köszönet! Akkor dobva az eredeti nyák!
ha valaki csöves korrektort esetleg erősítöt építene, akkor érdemes szétnézni a nagyi padlásán, fiatalabb korosztálynak meg a dédinél. nagyon sok csöves készülék "pihen" még a padlásokon, mert az öregek még nem dobtak el mindent! vagyonokat lehet találni a mai csövek árai mellett! ha egy ecc84-es cső manapság kb 4000Ft, akkor gondoljunk bele hogy egy régi tv-ben ebből akár 3(!) db is volt. a PL500-as ról már nem is beszélve, manapság ez már egy tizes felett van, annak idején pedig sormeghajtó volt. érdemes a csöves cucchoz a régi tv/rádióból kitermelni a kondikat mert olyan minőségű kondikat manapság már nem gyártanak. ráadásul a feszültségtűrése is jobb a maiaknál.
ha valaki nem akar csöves korrektort építeni annak ajánlom a fetes cuccokat. paramétereiben olyan mint a csöves, csak kevesebbet fogyaszt. mai világban nem elhanyagolható....
Ez nem erősítő nélküli korrektor , csak passzív ami nem visszacsatolással oldja meg a megfelelő görbét.
Ami nem hátrány sok esetben ..
Csöves RIAA korrektorok manapság is sokkal jobb hangot produkálnak , ha jó áramkőrt választanak és jól építik meg .
Érdemes kipróbálni ..
nem kétlem, szerintem is jók a csöves cuccok, csak macerás a táp. kell ugye az anódfesz meg a fűtés. egyszer építettem csöves előerősítőt, na akkor tudtam meg milyen mikor 400V egyenfesz megüti az embert. össze sem lehet hasonlítani a váltóárammal...
![]() előkeresem az összes korrektor rajzomat és felrakom ide. évek alatt gyűjtöttem egy párat... nem gondoltam hogy a bakelitnek még ilyen kultúrája van. csak nem sikerült a CD-nek kinyírni a jó analógot
Én nem félnék 400V-tól , meg lehet csinálni , csak tudni kell hová nyúlunk ..
Ebben 430V DC van , mint látod táp külön dobozban , de nem a feszültség miatt... Így teljesen brummentes és nem ráz !
látványos kis cucc az igaz. de én nem lógatnám ki a csöveket!
baromira könnyen törnek, és manapság súlyos ezresekben mérik darabját! a táp azért van külön mert így szebb dobozt tudtak neki csinálni. használat közben persze hogy nem ráz, de építgetés és próbálgatás-állítgatás közben bizony lehet kellemetlen egy csöves cucc. én még csöves tévéket is javítottam és ott nagyon kellett vigyázni mert a fázis szinte mindenütt ott volt.....
Engem készítése közben egyszer sem rázott meg ..
Nem a látvány miatt tettem külön dobozba a tápot , így könnyebb volt elkerülni a trafó szórását . Semmi brumm . A csöveket mindig kint helyezem el , még végfokok esetén is , itt már a látvány miatt is , meg szellőzésük is jobban megoldható . |
Bejelentkezés
Hirdetés |




)
majd felteszem "korrektor.lay" fájlban neked címezve. ha még nyákot nem csináltál akkor megcsinálhatom neked csak adj egy postacímet a privát címemre! ingyen és bérmentve elküldöm.... de ha te akarod a nyákot megcsinálni akkor a weboldalamon van leírás












