Fórum témák
» Több friss téma |
Szia! Ha ragaszkodsz ehhez a kapcsoláshoz, akkor úgy tudsz vele zenét továbbítani, hogy az mp4-ből jövő hangot C3 pozitív feléhez kötöd. C3-tól balra lévő összes alkatrészt kihagyhatod, azok neked nem kellenek. De ez így nem túl korrekt megoldás.
Inkább keress rá google segítségével, hogy "FM transmitter schematic" vagy hasonló. Ne egy mikrofonhoz tervezett áramkört alakíts át, mert nem kifizetődő. A hangminősége gyenge lesz nagyon.
Hali,
Kezdő vagyok!Nekem is van egy "poloskám" építés alatt csak elsőnek úgy gondoltam kikisérletezem az egészet ezért csak próba panelra csináltam meg (lásd: kép), ill, még nincs kész mert hiányzik a zománc húzzalom! A kérdésem ha mindent jól csináltam akkor se fog működni?, mert hogy próba panelon van! üdv!
Szia!
Úgy tudom hogy rádiófrekvenciás szempontból nem kedvező ez a fajta megoldás! Azért mert ilyenkor a lábakat minél kisebbre kell vágni és úgy kell beültetni a panelba!Ilyenkor nagyon fontos hogy a zavarokat ne szedje össze! Hát nem tudom fog e működni de inkább csinálj neki nyákot szerintem az biztosabb!
Ha jól rakod össze természetesen működhet. De nem 100%. A rövid huzalkivezetések nem feltétlen a zavarok összeszedése miatt lenne fontos, hanem a szórt kapacitások és induktivitások minimalizálásának érdekében. Minél hosszabbak a nagyfrekis útak, annál könnyebben fog gerjedni, vagy annál nehezebben fog elindulni az oszcilláció. Egy ilyen panelnél pedig hiába vágod rövidre az alkatrészek lábait, mert a panelen úgyis ott van a több cm-es vezetékezés a lyukak között.
De ettől függetlenül egy próbát megér, ha szerencséd van, akkor működni fog (valamennyire).
Hello!
ha nem nezel el semmit megy csak kicsit lehet hogy bugni fog ezert ajanlott nyakra, rovid labbakkal, meg onozott dobozba elhejezni De en meg mindig tanacstalan vagyok hogy kis meretu is legyen, minimum 100m-ert birjon meg, es 9Vrol mukodjek, s kaphato is legyen az alkatresz ( ez elozore mit ajanlotttak annak felet nem tudom beszerezni) Udv István
A búgás nem nyákfüggő, ha búg az adó, akkor nem a próbanyák/RF nyák miatt teszi. A búgás akkor van, ha trafóról van táplálva az áramkör, és nincsen megfelelően szűrve a táp. Elemes táppal dugaszolós panelen sem fog búgni (hacsak a lámpa/TV vagy akármi vezetékét át nem vezeted a panel fölött közvetlenül).
Egyébként 100 méteres hatótávra, kis méretre könnyű beszerezhetőségre ott van a Skori féle mikrofon. Ha mindenképp ragaszkodsz a 9V-os elemhez, (és nem jó az egy vagy 2 db ceruzaelem) akkor csak egy párszáz ohmos ellenállás + ZPD4,7-es dióda, és már megy is 9V-os elemről. SMD alkatrészekből 30X14 mm-es megépíthető. De hagyományos alkatrészekkel is építettem már meg úgy hogy 2 db-os ceruzaelemtartó hátán simán elfért. Az pedig nem nagyobb a 9V-os elemnél!
cerzaelemrol is mehetne(akkurol) csak valahogy itt felenk SMD-t nem lehet kani
csk ide 250kmre kellene utazzak nameg a NANOFARADO meg PIKOFARAD os kondikat egyaltalan nem aruljak de osszehozom, s vevot hogyan kapok hozza mert 10 darabot (adot) le kell gyartsak belole
Vevőt? Hát vevőnek bármilyen FM rádió megfelel. Ha nincs jobb, akkor akár egyy mobiltelefon vagy mp3/4 lejátszó rádiója is alkalmas a célra.
Bár tény, hogy a régi fajta, "tekerős" (nem PLLes) rádiók voltak az igazik erre a célra. Könnyebb őket ráhangolni az adóra, és általában az érzékenységük is jobb volt.
meg 1 kerdes
en hogyan hangolom ra a Skori fele mikrofonI et egy olyan frekvenciara mi nem zavar be redio adasba?
Az áramkörben van egy tekercs, azzal lehet hangolni a rádiót. Ha összenyomod akkor lejjebb, ha széthúzod akkor feljebb megy a frekvencia.
koszike
Sziasztok!
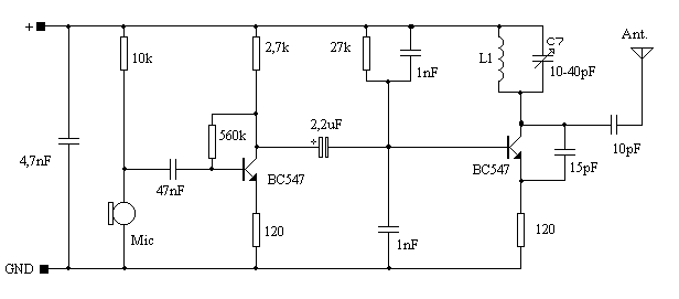
Megépítettem ezt a kapcsolást: Bővebben: Link Az lenne a problémám vele, hogy működik, de! Egyszerüen nem tudom elhangolni más frekvenciára, csak is 108.0Mhz-en lehet fogni, akár hogy állítom a tekercseket vagy a potit, valaki nem tudna segíteni hogy merrefelé keressem a hibát? köszi
Sziasztok!
Azt szeretném megkérdezni hogy mennyibe kerülnek az alkatrészek a poloskához kb?És kell e hozzá vevőt építeni?
Az ár természetesen attól függ hogy melyik változatot építed meg. kb.200Ft-tól indul
Vevőnek meg jó az URH rádió. A 200Ft-os adótól ne várj jó frekvencia stabilitás.
Szia
Akkor te azt javaslod hogy ezt ne építsem meg?
Ne haragudj, azt hittem hogy általánosságban beszéltél, mivel nem valamelyik hozzászólásra válaszoltál.
Bármelyik poloskára is gondoltál ha beírod a Googleba az alkatrész típusát, akkor boltokat és árakat fogja felhozni elsőként.
nem tudna nekem valaki olcsó poloskát építeni mert nyincs most nyákom
Az Apróhirdetési rovat nem dísznek van ám!
Sziasztok!
Végigolvastam a topikot, van benne néhány kapcsolási rajz. Találtam is egyet, ez lényegesebben 'egyszerűbb', mint a többi. (s sokkal olcsóbb is) Ez az adó minőségileg mennyire jó?
Röviden förtelem. Hosszabban meg nem érdemes jellemezni mert a moderátorok úgyis kicenzúráznák. (Jogosan)
Már én is építettem meg, de egyet kell értsek az előttem szólóval. Működni éppenséggel működik, de kb ez minden pozitívum vele kapcsolatban.
Hatótáv semmi, hangminőség talán még annyi sem
Hello, lényegesebben egyszerűbb, mint a többi. s sokkal olcsóbb és sokkal rosszabb. Ez gyakran együtt jár
Szikratávíróval egyenértékű.
Annak törném el a kezét apró darabokra, aki ilyen rajzot közread. Rádióadók PDF
tudtok nekem olyat ajánlani, ami hasonló 'nehézségű' és én is, mint kis tudással rendelkező egyén is meg tudd építeni?
Bátorkodtam felfedezést tenni a helyi elektronika boltban és a következő hátrom kapcsoláshoz meg is vettem az alkatrészeket. A legegyszerűbbel kezdtem, de felötlött bennem néhány kérdés az egyes kapcsolással kapcsolatban:
1, a tekercs mindegy milyen rézből van? Széjjelszedhetek régi AC-DC adaptert és abból is kiszedhetem? (persze, ha megfelelő vastagságú) 2, elég öt menet a 4 mm átmérőre? Mert így eléggé kicsi lesz az a tekercs. 3, Nem lehet véletlenül helyetesíteni a tekercset valamilyen kristállyal? 4, Összetettem próbanyákon a kapcsolást és egy köbö 1*1 cm területre ráfért a tekercs nélkül. A hozzávalók távolsága mennyire zavarja az adás minőségét? 5, a tekercset milyen "anyaggal" kell leönteni, hogy úgy maradjon ahogy kellene? Megteszi a viasz? Elnézést, ha idétlenek a kérdéseim, de ezeket szeretném tisztázni, mielőtt belefogok.
1. Mindegy. A megfelelő vastagság 0.8 mm-es átmérőnél kezdődik. Ez már elég erős, hogy öntartó legyen. Lehet zománcszigetelésű. A nagyon profik ezüstözöttet ( a felszínen folyik a nagyfrekvenciás áram ) használnak, mert az ezüst a legjobb vezető.
2. Igen. Van, ahol fél menet ( hurok ) elegendő. 3. Tekercset nem, rezgőkört igen. De akkor is kell tekercs az adóba. 4. A távolság nem zavar, sőt, minél kisebb, annál jobb. Ha több RF fokozat lenne, akkor kellene ügyesen tervezni, pl. árnyékolni. A távolság változása okoz kapacitásváltozást, azaz, ha leejted, megkocogtatod, akkor mikrofóniás jelenség lesz, behallatszik az adásba. Jellemzően a tekercs kocogtatása ilyen. 5. Öntartó, általában nem kell semmivel. Lehet beletenni szivacsot a mikrofónia ellen. Viasz, méhviasz szokásos, ha kell. 6. A hangolás a tekercs deformálásával ( összenyomás, széthúzás ) történik. + Nem is tudom, ez miért jutott az eszembe
Valóban, minél rövidebbre vágod az alkatrészek lábait, annál jobb lesz a dolog. De nem értem, hogy a próbanyákot te miért fordítva használod?! Na mindegy, ahogy jól esik.
Tekercsnek a vékonyabb is megteszi, a 0,4-0,5-ös huzal is kellően stabil lesz. Ha pedig stabilabbra szeretnéd akkor vagy kiöntöd viasszal, vagy műgyantával, stb... Azért fordítsd vissza az alkatrészeket a próbanyákon, úgy az igazi, majd meglátod
Sikerült összehozni a kapcsolás, mellékeltem a képet is róla. Sajnos nem sikerül sem a számítógép rádióján és digitális rádión sem behozni. Én a tekercsre gyanokodom, találtam a koli tévéjének a hátuljában (gondolom a kábelt fogta össze). A tekercset egy összehengertelt 4 mm -es papirhengerre tettem. Mi lehet a bibi, ami elkerülte a figyelememet? Antennánbak egyenlőre nem raktam be semmit, hanem beforassztottam egy köbö 1 m vezetéket.
_Ha_ rezeg, akkor sávon kívül vagy két csatorna között ad. Analóg rádióval könnyebb megtalálni.
Frekvencia növeléséhez * húzd széjjel a tekercs meneteit, hogy hosszabb legyen ( akár dupla hosszúra is ) vagy * kevesebb menetszámút használj. Csökkentéshez * nyomd összébb, vagy * a 15 pikofaraddal köss párhuzamosan pár pikofaradot vagy * nagyobb menetszámú tekercset használj. Jó lenne egy nagyfrekvenciás mérőfej és frekvenciamérő. A papírhenger most felesleges. A tekercs végéről, ahol forrasztottad, remélem lekapartad a zománcszigetelést...
Ha ez az első RF áramköröd, akkor digitális hangolású rádión bizony nem fogod megtalálni. Egy ilyen adó jelét még többéves tapasztalat után sem könnyű megtalálni egy PLL-es rádión.
Ha sikerélményt szeretnél, akkor keríts valahonnan egy analóg hangolású, "tekerős" keresővel rendelkező vevőt. |
Bejelentkezés
Hirdetés |





ezert ajanlott nyakra, rovid labbakkal, meg onozott dobozba elhejezni
hogy kis meretu is legyen, minimum 100m-ert birjon meg, es 9Vrol mukodjek, s kaphato is legyen az alkatresz ( ez elozore mit ajanlotttak annak felet nem tudom beszerezni)











