Fórum témák
» Több friss téma |
Fórum » LM1036 sztereo hangszínszabályzó áramkör
Témaindító: Krajcsooo, idő: Máj 29, 2006
Témakörök:
Hali!
Az előfokot,és a hangszínszabályzókat is! Sajnálnám kidobni,ugyan is transistoros riaa is egyben ![]() Ott vannak a képek,nekem ugyan ilyenek vannak! Itta link ahonnan szedtem!
Sziasztok ,én is pont erre készülök. (már várom az áldozatot)
Orister +tda 2030A ahhoz pont jó a táp. Eddig jutottam. A hangszin és az előfok 20V -rol működik , a végfok 32-38 V egy 4700µF /40v pufferel. Ez megfelel a 2030A-hoz, úgy hogy akár kihozza a maximumot belőle.. A hangszínszabályzó panel önmagában nem fog működni ,mert a kis panelon nagyjából csak a fele van rajta. Én meghagynám az egészet úgy ahogy van. De a bemeneteket vonalszintre alakítanám 4 db egyformára, bemenet választóval együtt. A hsz kimeneteket csiptetősre cserélném. Lesz ebből még valami. Egyébként akarsz bakelitet hallgatni? Kapcsirajz!
Továbbá a rajzot nézegetve tartalmaz fiziológiai hangerőszabályzást is , ott ahol a csapolt poti van.
Mi lenne akkor ,ha a tranzisztorokat kissé modernebbre cserélnénk ? Az előfok tápja kaphatna egy stabkockát , kevesebb zaj , és brumm. Sokat fogok irkálni ,mert nagyon rá vagyok állva.
T1 és T2 tranzisztorokból épül fel a bemeneti fokozat , és a RIAA is ,habár ehez nem értek. A kapcsolás ,úgy van felépítve ,hogy magnetofonra tudunk felvételt készíteni ,bármelyik műsorforrásról legyen szó.
Annyira jól ki van találva ,hogy nincs szívem szétszedni nekem sem. Hátha találok hozzá egy magnót is...Viszont a rádió , és a magnetofon azonos szinten van kezelve . A rádióhoz dugnák egy cd-t vagy egy mp3-at. Kicsit átnéztem a tranzisztorokat , én lehet ,hogy Mpsa42 tranzisztorokkal fogom átépíteni. Ezekkel jó lehet?
Sziasztok.Egy kérdésem lenne.Ezen hangszín elé most kell előerősítő,vagy nem???2x120W-ot hajtana(számítógépben hangkártya,nem alaplapi).
Ha számítógépről hajtod ,akkor felesleges a hangszínszabályzás. Minden valamire való lejátszó progi tartalmaz soksávos equalizert.
A hangszín szabályzó átvilelét lemodelleztem TINA-val.
Nem lehet rossz hangja. Egyébként lehet külön is használni , akkor c10 és a c110 pozitív lábát kell kiforrasztani ,és oda kell rákötni a jelet.
Kielemeztem a TINA-val a fiziológiai hangerőszabályzót. Egy középcsapolásos 100k potival lett megvalósítva. Jól látszik ,hogy ha eléri a csapolást (40-50 k)körül akkor onnét kezdve más karakterisztikával szabályoz. A képen fentröl a 6. görbe az pont 60 K nak felel meg.
Üdv!
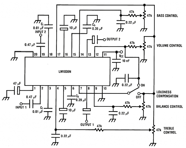
Lm1036 kapcsolásban a potik lineáris vagy logaritmikus kivitelűek? Van ahol lineárisat használtak, de ismerek olyat aki logaritmikussal csinálta meg a kapcsolást. Szerintetek melyik lenne jobb?
Lineárist célszerű használni, mivel DC vezérelt az IC.
Köszönöm a választ! Én is arra gondoltam, mert nem hangjelet hanem fesz szintet szabályoz.
Sziasztok!
Már régóta halogatom a dolgot, hogy a szóban forgó LM1036-os előerősítőt megépítsem. Nekem megvan az a Hobby Elektrinka 2003-as száma, amiben közzé tettek egy rajzot leírással. Az erről szóló Fórumot végigolvastam ezzel kapcsolatban, hát sok minden infót begyűjtöttem, talán nem kavar össze. Az újságban szereplőt akarom megépíteni. Esetleg ha valakinek van valami jó tanácsa ötlete azt szívesen fogadom! A panelt Sprint-Layout programmal tervezném meg. Esetleg tudtok ajánlani olyan programot aminek a használata és tudása jobb lenne mint az előbb említetté? Természetesen nem csak ezt akarom magába üzemeltetni, hanem egy erősítő is lenne utána, valamint egy analóg VU metert is szeretnék építeni hozzá (a VU műszer már megvan). Válaszotokat előre is köszönöm! Üdv Marci
Ááááá
A kapcsolási rajz... Nem tudok belőlle semmit kiszedni! Egyik gyerek úgy segített,hogy leszedte a honlaprol a félig "bontott" előfokot,paintal megrajzolta a hangszínszabályzót ésodakötözgette valahogy így de neki van egy tuning nyák benne,ami miatt az egész átvan kötözgetve... Nekem elég lenne csak a riaa,és az lenne a legjobb,ha a hangszínszabályzót nem kellene visszaforrasztgatni... Persze ezt úgysem úszom ,meg ![]() Nem is baj,lehet én is összehozom TDA2030-al!
Üdv
Sprint Layout egy jó progi csak ajánlani tudom. Nekem van ehhez a kapcsoláshoz egy nyáktervem. D-Audio-ban kapható kitnek a terve. Sajnos azt nem tudom működik e, de ha árulják akkor biztos. Sprint Layout 5.0-val tudod megnyitni.
Megúúsztam!
![]() Egy másik kapcsolásirajz alapján megtaláltam a riaa be és kimenetét! ![]() Egyenlőre még mono,érdekes hogy az orion az alkatrészeket úgy jelőlte hogy: C1 a másik oldalon C11 Jól követhető! Csatoltam aképet! Nagyon jól szól
Sziasztok!
Csatoltam még 1 képet,hátha valakinek a segítségére válik! A bekötés biztos!!! 20V kell neki,a traforol lejövö fehér és fekete kábel! A képem jól kinagyítható,ha lehet ne paintal nézzétek!
Annyit még!
A kimenetekre nem simán a vezetékek mennek,hanem 1-1 2MO-s ellenállás ami megtalálható a bemenetválasztó kapcsolón! A bekotés kicsit poénos,de igy a legjobb!
Sziasztok!
Egy kicsivel előbbi írásra hogy milyen potik vannak a kapcsolásba. Én is lineárisakat használok a magas mély balance tökéletes de a hangerő poti kb feléig semmit nem csinál. most cseréltem toló potira az is a szinten feléig semmit utána kezd erősíteni. Ezzel nem lehet valamit kezdeni? Köszi
Hát az érdekes.
Elméletileg szabályoznia kell. Akkor szokott ilyet csinálni, ha logaritmikus a potméter, de félig tekerve annak is szólnia kellene. Talán a nyákban van valami gubanc, ami miatt nem megfelelő a feszültség osztás ami az 5V és a föld között van. Talán mérd meg, hogy azokat a potmétereket, amik működnek mekkora bemeneti feszt adnak az adott bemeneten és hasonlítsd össze volume bemenettel, hogy ott mekkora a fesz. Ha stimmel, akkor az IC-vel lehet valami gond. Elvileg az összes potméter a zeneres 5V-ról kapja a tápot és innen szabályoz 0V-ig
Ez sajnos nekem is így volt, hogy a többi szépen szabályozott, de a hangerő pedig harmadáig alig szabályozott valamit, aztán ugrásszerűen változott a hangerő. Teszem hozzá, lineáris potmétereket használtam. Úgyhogy nekem nem igazán jött be ez az IC, mellesleg a hangerő állításával egyenes arányosságban nő az IC zaja is, és bemeneti forrás nélkül eléggé zavaró tud lenni.
Üdv, Arpy
Hát nem is igazán foglalkoztam vele azután, nem igazán tetszett. De azért én is kíváncsi lennék a megoldásra. :yes:
Énis megcsináltam már ezt a kapcsolást. Hasonló problémákkak küzdöttem, majd rájöttem soha többet nem veszek ilyen drága mindent tudó icket.
Üdv.
Nem tudom.
Én nekem nincs vele emmi bajom. Én ezt építetem meg ami azoldalon van a #342795 hozzászólásomban van a zip fáljba. kétszer van megépítve. egy 5,5VA as tápról megy 32 Volt egyenirányítva utána egy 7812 es stab IC szűrésnek. igaz ez ideiglenes táp. Megmértem a feszt 5.5 és 0 között folyamatosan szabályoz a toló poti nincs benne ugrás. de a hangot csak felétől adja. Van valaki akinek normálisan működik a hangerő szabályzó?
És milyen feszültség értékeket mértél?
Hasonlóakat vagy teljesen mást?
Ebben a témában eléggé megoszlanak a vélemények. A fórumozók nagy részének nem működik, más pedig esküszik rá. Szerintem az IC túl érzékeny, vagy nagyon nagy a gyártási szórása... Mindenesetre én is azt mondom, ha hangszín kell, akkor egy jó kis művelet erősítősnél jobb nincs. (Viszont szerintem a legjobb, az eredeti hangzás...)
Üdv.
Átolvastam az egész topicot , és egy nagy rakás dolgot kijegyzeteltem magamnak mielőtt nekiállnék éptíteni egy ilyet. Ez lesz az első erősítőm :$(Két LM lesz egy TDA1554Q-ra kötve.) Ennyi olvasgatás után ami így nyitva maradt még nekem, az például az hogy; építsem az előerősítőt egy nyákra/dobozba az erősítővel, mert így kevesebb zaj ül rá a két fokozat közti átvezetéseken, vagy tegyem külön,mert mittomén' zavarják egymást? egyenlőre azthiszem ennyi
Mehet egy dobozba, és akár egy nyákra is. A lényeg hogy az előfoknak árnyékolt kábelen vidd a jelet, és az erősítő és az előfok között is árnyékolt kábel legyen.
|
Bejelentkezés
Hirdetés |







Hátha találok hozzá egy magnót is...









