Fórum témák
» Több friss téma |
Fontos: PICKit2 klón építése tanácsok
Próbálkozott már valaki a Winpic800 eszközlistáján található ART2003 programozóval? Ez gyakorlatilag az "öt szál dróttal" történő LVP programozásra való. Lehet ez megoldás a PICkit2 klónok első felprogramozására?
Bővebben: Link
Igen, sokat gondolkodtam, hogy a printer port kellő leválaszást biztosít-e, és azt gondolnám első körben, hogy igen. A viszirány leválasztását az adat vezetékben megoldják egy ellenállással, ami szintén működhet.
A PK2 klón felprogramozására szerintem is alkalmazható, bár egy SMD kivitel esetében ez kissé trükkös megoldásokat kíván, de egyáltalán nem lehetetlen(én légszereléssel több próbaáramkört raktam már össz SOIC tokokkal, többek között USB próbákat is végeztem így.) Igazán jó találat! Ki fogom próbálni(csak ne felejtsem az egyébként automatikusan kikapcsolt LVP bitet aktiválni! Ha működik, ajánlani fogom a PK2 klónos cikkemben is! (sokkal inkább, mint a JDM-et, bár ha szerencsénk van működik egy alkalommal, és nem teszi tönkre a PIC-et sem! )
Épp a múlt héten volt ezzel a programozóval kapcsolatosan egy kérdés, aminek kapcsán kicsit utánanéztem, de csak elméletben.
Arra jutottam, hogy a PK2-ben lévő 18F2550 első felprogramozásához valószínűleg jó lenne, de csak egyetlen próbálkozásod van, mivel a PK2-ben az LVP tiltva van és használja is a PIC-nek azt a lábát, tehát nem változtathatod meg a configot, hogy ne üsd ki magad alól az LVP-t. Persze ez lehet, hogy elég annak, aki klónt akar építeni, de szerintem kicsit veszélyes a dolog. Én úgy láttam az adatlapon, hogy gyárilag LVP engedélyezett configgal érkezik a 18F2550! Idézet: „Persze ez lehet, hogy elég annak, aki klónt akar építeni, de szerintem kicsit veszélyes a dolog.” Csakis egy égetésre, és a klónhoz ajánlható, nem beültetett PIC-hez. Másodszorra be sem lehetne égetni, mert ahogy írtad a PK2 firmware konfigjában az LVP bit tiltásra kerül. Amúgy mit gondolsz veszélyesnek? Egyébként már töröm a fejem egy kézi kapcsolású Vpp-s LPT minimál programozón... ![]() Idézet: „Én úgy láttam az adatlapon, hogy gyárilag LVP engedélyezett configgal érkezik a 18F2550!” Igen, de nekem csak olyan van otthon, amit már írtam. Csak azért említettem meg, hogy világos legyen azoknak, akik nem tudják, hogy az LVP bit kikapcsolása meghíúsítja az égetést. Közben leesett mit írtam! Úgy értettem, hogy én nálam automatikus az LVP kikapcsolása! Kicsit félre érthető volt, elnézést!
Igen, pont azt tartom veszélyesnek, hogy ha valaki csak a PK2 miatt összerak egy ilyet, és nem sikerül neki elsőre a programozás, de az LVP bitet sikerül beírni a PIC-be, akkor ott áll egy olyan PIC-kel, amivel ezzel a kapcsolással nem tud mit kezdeni. Igazad van, ez azért nem komoly veszély, csak elég kellemetlen kudarcélmény lehet.
Értem. Tehát kimondhatjuk, hogy az áramkörre nem veszélyes, csak az idegeinkre lehet káros, ha elsőre nem sikerül az égetés!
De azt hiszem van megoldás, csak kis időbe telik, amíg mindent átnézek.
Szerintem a megoldás a felprogramozási folyamat pontos, lépésről lépésre történő leírásában rejlik!
Kell adni az égető mellé egy olyan teszt hex-et, ami nem tartalmaz config biteket. Ezzel kell leteszteltetni a programozót, a PC-s progival beíratni majd leellenőrizni a tartalmat, majd ezután töröltetni a PIC-et és ellenőriztetni, hogy ténylg üres-e. Ha minden rendben lévőnek találtatik, csak akkor szabad a PK2 hex-szel folytatni.
Kiötlöttem egy legegyszerűbb programozót, ami nem LVP-s! Csatoltam a rajzát.
A működtetése egyszerű. El kell indítani egy égető programot(pl. WPB_F18) és rá kell hangolni a PGD és a PGC lábakat a megfelelő fázisra a beállító menüben. (a többi láb nem érdekes most) Alaphelyzetben a kapcsolók kikapcsolt állapotban vannak! Rá kell csatlakoztatni az ICSP vezetéket céláramkör ICSP portjára(legyen az akár a PK2, vagy egy foglalat!) Ha a PIC csatlakoztatva van, akkor bekapcsoljuk a főkapcsolót. Ezután bekapcsoljuk a Vpp kapcsolót és a már előkészített betöltendő hex tartalmunkat beleírjuk a PIC-be. Az se gond, ha külön írkáljuk be a WPB esetében a Flasht és a Configet, EEPROM-ot, de lehet egyszerre is. Nem kell kapkodni, a Vpp nem árthat ha rajta van a PIC-en. Az ellenőrzést is meg lehet tenni azonnal, vagy külön. Ha minden rendben, kikapcsoljuk a Vpp-t majd a főkapcsolót. Ez a terv. Ha lesz időm kipróbálom, mert ennek elvileg mennie kell így! Mindezt a csatolt égetési folyamatábra időzítéseire alapozom, ahol csak minimum idők vannak megadva.
Kipróbáltam, működik!
Bármilyen PIC-et be lehet vele égetni, teljes értékűen! Hát hogy őszinte legyek egy kicsit elképedtem! Túl egyszerű! Próbálok belekötni elektronikailag, de nem megy. Talán némi dióda még jó lenne az adat vezetékekre katóddal Vdd-re, hogy ha a PC-től jönne egy impulzus, akkor azon felmenjen 5V-ra. Még annyi az eltérés a belinkelt rajztól, hogy én nem Vdd-re, hanem testre húztam az MCLR/Vpp-t, hogy az égetés végén ne induljon el a program. De ha elindul az se okoz bajt, mert a PGD, PGC soros ellenállásokon nem folyhat több, mint 25mA (végül 270ohm került bele). Kicsit még tesztelem, és ha nem találok hibát benne, írok hozzá valami szösszenetet. Bevallom, nagyon tetszik a dolog!
Gratulálok, és örülök, hogy a gyakorlatban is jól vizsgázott az áramkör!
Tegnap nézve a rajzot egyedüli aggályom azzal volt, hogy vajon a PIC mennyire szereti, ha hosszú távon ott van a 12V a Vpp-n. Erre vonatkozó adat vagy bármi más információ van egyáltalán az adatlapban?
Adatlapban nincs, de tapasztalatom az van. Egyszer egy egész napot rajta volt a Vpp egy 18F8720-on, mert elfelejtettem lehúzni a WPB_F18-at és a gyerekeim bekapcsolták a PC-t játszani, és a vonalak pont úgy voltak polarizálva, hogy a Vpp és a Vdd bekapcsolva volt, amíg a programot el nem indítottam.
Természetesen semmi baja nem lett! A Vpp-n folyó áram jelentéktelen, szerintem csak egy kiválasztó jel, mert magához a Flash és az EEPROM írásához nem szükséges, elég csak az LVP programozásra gondolni. Ha az én véleményem megnyugtató, akkor ki tudom jelenteni, hogy ettől PIC nem fog tönkremenni!
Sziasztok!
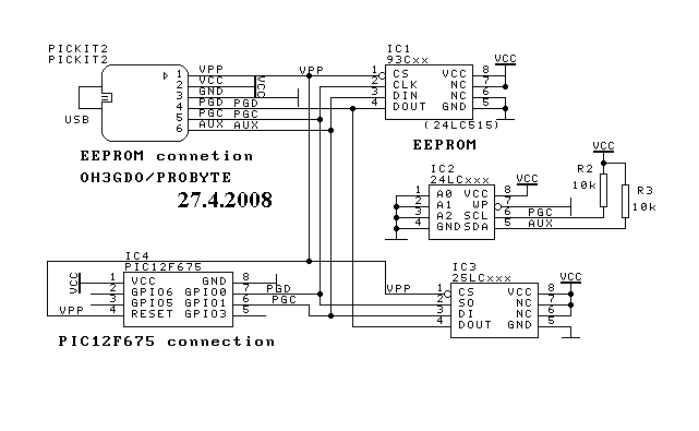
Pickit 2-vel szeretnék egy 8lábú epromot égetni(24lc256-ot). Légyszi aki ért hozzá segítsen nekem,hogy a csatolt rajzon lévő összekötés megfelelő-e. Előre is köszönöm! robbbb
Ha jól olvasom az adatlapban, akkor még a WP lábat vagy fel kell emelned Vdd-re(protected), vagy le kell tenned GND-re(unprotected). A többi elvileg jó.
Már egy másik topikban válaszoltam ugyanerre a kérdésedre, a README szerint nem jó a rajzod. (Remélem, nem írták el a lábszámozást Microchipék...). Ezenkívül azt is írják, hogy az adatvonalra felhúzás kell.
Véletlenül a címnek nem kell 0-nak lennie? Mert akkor talán az A0-A2 lábakat is jó lenne nullára kötni, amúgy sem biztos, hogy szerencsés, hogy lógnak a levegőben.
Sziasztok.
Szeretnék kérni tőletek egy egyszerű PIC és AVR programozót, ha van ien. Meg program is létezik rá... Van a gépen printer és COM port. Amire lehet megcsinálni azt szeretném, ha ideadnátok. Légyszi Jah és az AVR az a tiny13 mas vagy mi... amit mutat ahhoz a sok cucchoz a kapcsolásoknál"8 lábbal..." Remélem, hogy mindenki vágja a problémámat. Kösz előre is.
Arról is ír a README, de némelyik I2C EEPROM adatlapja szerint nem is használják a címbiteket (lehet, hogy be sincs kötve belül?)
1. Használd a keresőt!
2. Ez egy PIC-es topic, ráadásul a PICKit2-ről szól! 3. Nézz fel az oldalamra, ott is találsz égetőket(PIC-hez! AVR-ről a megfelelő topicban érdeklődj!)
Hali Robb!
1-2-3-4 és 7-es láb testen van, 5 ös lábra egy 10 kohmos ellenálláson keresztül rákell rakni a vcc +5 voltot, és a 6 os lábra szintén 10kohmos ellenálláson keresztül plusszba rákell tolni a vcc +5 voltot!
Ez a rajz honnan származik? Az SCL és SDA bekötése ugyanis nem egyezik meg azzal, amit a Microchip a PICkit2 v2.55 README.TXT-ben ajánl:
Tehát SCL-nek nem kell felhúzás, SDA pedig nem a 4-es, hanem a 6-os PICkit2 kimeneti pontra kötendő.
Sikerült megtalálnom a rajzot, így működik tökéletesen a 24cxx olvasása írása!
Igen, ezt írta icserny is...
Megjegyzem a microchipnek megint sikerült valamit logikátlanul megoldania, mert a programnak mindegy lenne, hogy a PGD vagy az AUX-ra kötjük az Adat vezetéket, nekünk nem, mert nem logikus.
Üdv mindenkinek! Meg szeretném építeni az oldalon található LPT-s mini PIC programozót. Kérdésem az lenne, hogy két tápfeszültséget kell biztosítanom az égető számára? Vagyis, az égetőhöz szükségem lesz egy 12V-os áramforrásra és egy 5V-os áramforrásra, vagy majd a 78L05-ös feszültség stabilizátor csinálja meg azt, hogy 12V-ból 5V legyen. A kapcsolási rajz itt található.
Mivel két rajz van, azt választod a két verzió közül, amelyik neked a legjobb, a meglévő eszközeidtől függően. Javaslom, hogy olvasd el még egyszer a cikket, mert azt gondolom, hogy minden egyértelmű. Javaslom a továbbiakat ne a PICKit2 klón topicban tárgyaljuk ki, inkább a kezdő kérdésekben!
Értem.
Idézet: „De a kérdésemre mégsem kaptam választ”
A belinkelt rajzon láthatóan egy bemenő feszültség van feltüntetve, a többi a feszültségstabilizátorok dolga...
Idézet: „Így a helyes !” Ezen a rajzon meg a PIC12F675 bekötése hibás!!!
sziasztok,
valami problémája van valaminek vagy a pickit2-őm (watt féle) vagy a12f675.programozgatom programozgatom, egyszercsak nem látja, vagy látja, de nem olvassa, vagy más picet lát, vagy nem írható, meg osccal hiba jön elő felváltva. Ha manuálisan kiválasztom sem lehet vele mit kezdeni pickit2 progijában. Látszólag halott. Más picet visz. Aztán rádugom jdmre a picet, törlöm icproggal, meg winpic800al, és lám visszadugom a pickit2re (néha osccalt újra kell generálni).Minden ok...egy darabig. Aztán egyszercsak gondol egyet és megint nem látja, nem írja, nem olvassa. Már vagy 10szer eljátszotta velem ezt. PK2 firmwere a legújabb. Egyszer kapott zárlatot a PK2 akkor elszállt, akkor újraprogiztam kívülről, és jó (nemjelentkezett azóta hiba)... Valaki tud valami magyarázatot? Köszi.
jóóólvan, várható volt, egy smd ellenállás és az alatta átvezető vezetősáv és egy mikroszkopikus méretű drótdarab játszadoztak velem.
|
Bejelentkezés
Hirdetés |














