Fórum témák

» Több friss téma
Fórum » LED rákötése 230V-ra
 
Témaindító: Laci4, idő: Nov 30, 2005
Témakörök:
Lapozás: OK   11 / 84
(#) Sebi válasza WaRL0 hozzászólására (») Nov 30, 2008 /
 
Igen, van ilyen kondi, a jelölése X2 és a fesz. általában 275V AC. Ezek speciálisan kialakított fóliakondik, kifejezetten zavarszűrőként való alkalmazásra, aholis folyamatosan a hálózaton vannak. Ennélfogva soros "ellenállásként" való használatra is kifejezetten ajánlott.
Ma már nem nehéz hozzájutni, érdemes beszerezni, mert az egyenfeszre gyártott MKP meg hasonló kondikból minimum 630V-os, de inkább nagyobb kell.
(#) zezoka hozzászólása Jan 4, 2009 /
 
Sziasztok!

Ezekhez az 5 magos 10mm-es ledekhez is megépíthetők ezek a soros kondis kapcsolások? Ugyanis itt összesen 100mA folyik a leden. Tud nekem valaki mutatni egy ilyen (5magos ledre átalakított) kapcsit 230V-ra 1 db ilyen ledhez?

Ezek a led adatai:
Specifikáció :

* Anyaga : InGaN
* Szin : fehér
* Lencse típusa : víztiszta, sima
* Max. zárófeszültség : 5V
* Nyitófeszültség : 3.2 - 3.6 V
* Fényintenzitás : 245.000 - 255.000 mCd
* Hullámhossz : -
* Üzemi áramerősség : 100 mA
* Max. teljesítmény :
* Sugárzási szög : 30 - 35 fok.

A tipikus üzemi fesz rajta 4,6V lenne. Ahogy a mellékletből kiolvasom. Kiégett spotlámpa foglalatba lenne beépítve dohányzó asztal megvilágításhoz, projektorozás, tvzés mellé.

Köszönöm előre is a segítséget! Zoli
(#) Sebi válasza zezoka hozzászólására (») Jan 4, 2009 /
 
100mA-nél a szükséges kondi (1,5uF) mérete már a hasonló teljesítményű trafó méretét közelíti. kb 30...40mA-ig éri meg a kondis táplálás.
Van azonban egy másik trükk, de az sem olcsóbb: egy kis kapcsolóüzemű táp IC (buck regulator) közbeiktatása. Durván számolva 5V 100mA=0,5W. Ha a kondival 35Vra megfogott DC-t állítasz elő, akkor azon egyheted áramfelvétellel jár az IC, ez 15mA körüli áramfelvétel, amit 330nF-os kondi is képes biztosítani.
(#) zezoka válasza Sebi hozzászólására (») Jan 5, 2009 /
 
1,5µF az még nem olyan sok nem? Vagy 600Vos váltakozó feszű kivitelben az már elég méretes?

Azt hiszem halványan értem mit mondasz, de aztért egy kapcsrajzot tudsz mutatni?
(#) TomiFilth hozzászólása Jan 30, 2009 /
 
Sziasztok!

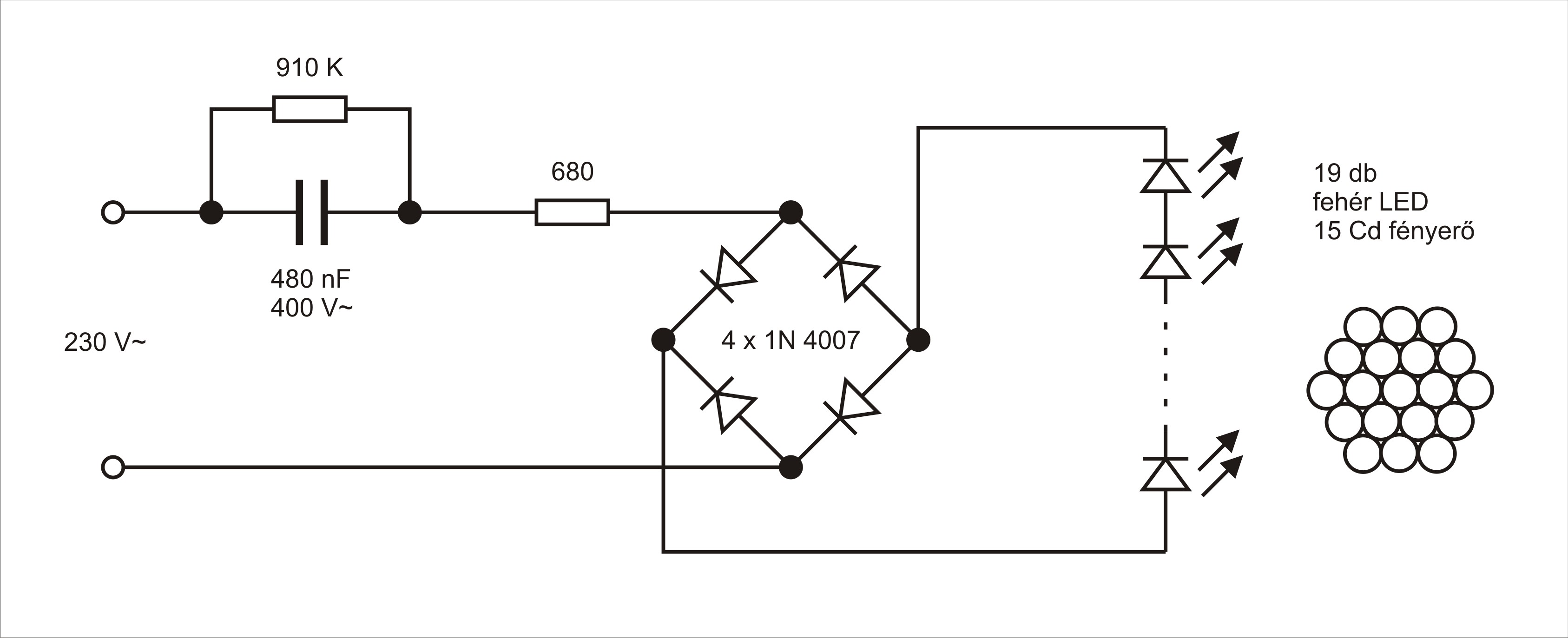
Készítettem a fórumon olvasottak és egy-két fórumtag által javasolt rajz szerint egy LED-es kapcsolást 230VAC-ra, amit meg szeretnék építeni magamnak.

Ehhez szeretném kikérni véleményeteket.

Röviden a kapcsolásról:

C1 és C2-vel szeretném belőni pontosan a 100mA-es áramomat, mert a LED-ek ennyit kérnek. A Zéner diódám a 15*3,6V-ra vannak méretezve.
Az áram kiszámításához használt képletek:
Xc=Uin/Iled
C=C1+C2=1/(Xc*PI*f*2)

Kérdésem is lenne:
A Graetz híd miatt az áramom duplázódik vagy sem?
Mi lesz azzal a feszültséggel, amit a LED-ek nem vesznek fel, azaz ami a betáp és a Graetz különbsége? Eldisszipálódik valahol, vagy a C1, C2 kondikon fázistolás miatt valamilyen nem W-os teljesítményben "elvész"?

Tomesz
(#) didyman válasza Att hozzászólására (») Jan 30, 2009 /
 
A kondival egy nagy gond van: Bármilyen tüske, impulzus, amit egy induktív(kapacitív) eszköz, nagyáramú ugrás vált ki, szépen át fog mászni rajta és legyilkolja a LED-et. Tehát védeni kell az állatkát, zener-rel lehet próbálkozni, ZY sor.
(#) TomiFilth válasza TomiFilth hozzászólására (») Jan 30, 2009 /
 
Talán ezen aképen jobban lehet látni.

Tomesz
(#) Sebi válasza TomiFilth hozzászólására (») Jan 30, 2009 /
 
Nem igazán... úgyhogy invertáltam a színeket.
Sok a disszipatív elem: 2db 330ohm semmiképp nem kell, sőt, ha a kondikkal állítod be az áramot, akkor elég a bemeneti soros 100ohm.
(#) _JANI_ válasza Sebi hozzászólására (») Jan 30, 2009 /
 
Az R3 viszont megtartható! Általa a C3 kicsit magasabb feszültségre töltődhet fel. Így a villogás is mérsékelhető, megszüntethető. (Mivel a nulla-átmeneteknél a LED-ek, ebből veszik a világításhoz az energiát...
(#) Sebi válasza _JANI_ hozzászólására (») Jan 30, 2009 /
 
Igen. A jobb oldali R3-ról szólsz.
(mindkét 330ohm R3 )
(#) TomiFilth válasza Sebi hozzászólására (») Jan 30, 2009 /
 
_JANI_, Sebi,

köszi a válaszokat!
Tehát akkor a DC oldalon (graetz után) a 330Ohm maradhat, ugyanez az AC oldalon felesleges? EZt a Skori oldalán olvasgatva mertem beletenni.
C1 és C2 mellett lévő 1MOhm-os ellenállást azt azért tettem bele, hogy kisüsse a kondik áramát esetleges áramtalanítás után. Ez is felesleges? helyette a kondikkal sorba egy 100Ohmosat és kész?
(#) Sebi válasza TomiFilth hozzászólására (») Jan 31, 2009 /
 
Igen, az AC oldali 330ohm nem kell, a kondi kisütőt is helyesen gondoltad, hogy szükséges. A bemeneti 100ohm mindenképp kell, mert az a "munkaellenállása" a varisztornak, egyben korlátozza a bekapcsolási áramlökést is. Végülis az AC körben ez sorosan van a kondival is, mindegy melyik ágban van.
(#) _JANI_ válasza TomiFilth hozzászólására (») Jan 31, 2009 /
 
Igen. A DC-oldalon maradhat. ( Két azonos pozíciószám valóban okoz némi kavarodást! )
(#) TomiFilth válasza _JANI_ hozzászólására (») Jan 31, 2009 /
 
Köszi a válaszokat fiúk!

Még pár kérdésem lenne ám, ha tudnátok segíteni.
Kérdeztem már ugyan, hogy a graetz hid miatt a DC körben dupla akkora áramom lesz, mint az AC körben? Ha netalán igen, akkor szerencsés helyzetben vagyok, mert a két egyforma értékű kondi közül az egyiket el kell vennem és meg is van oldva a probléma.
(#) Sebi válasza TomiFilth hozzászólására (») Jan 31, 2009 /
 
Nem lesz dupla áramod, csak kihasználod mindkét félperiódust, ami miatt a LED kisebb szűrőkondival is kevésbé "villog". Az együtemű egyenirányításnál is a bemenő oldalon ugyanekkora áram folyna, hiszen a soros kondin egyenáram nem folyik, tehát a nem használt félperiódust is terhelni kell (pl zener, nyitóirányban)
(#) TomiFilth válasza Sebi hozzászólására (») Feb 2, 2009 /
 
Köszi.

Még egy (számomra) érdekes kérdésem lenne. Ha 230VAC-ról 100mA-es áramot hajtok a kapcsolásban, akkor a LED-ek számától függetlenül a villanyórám 23W-ot fog mérni?
Mert ha igen, akkor semmi értelme sincs gyakorlatilag ezeknek a kapcsolásoknak. Gondolom ide is érdemes akkor kapcsoló üzemű tápot tervezni?

Tomesz
(#) gg630504 válasza TomiFilth hozzászólására (») Feb 2, 2009 /
 
Nem.
A fogyasztásmérő csak a valós teljesítményt ( energiát ) méri, a meddőt nem.
Váltakozó áramú ellenállás
Kondenzátor
(#) potyo válasza TomiFilth hozzászólására (») Feb 2, 2009 /
 
Idézet:
„Ha 230VAC-ról 100mA-es áramot hajtok a kapcsolásban, akkor a LED-ek számától függetlenül a villanyórám 23W-ot fog mérni?”

Látom, alapvető elektrotechnikai ismeretek hiányoznak...

100mA szorozva a ledeken eső feszültséggel - ami fehér ledeknél kb. 4V, vagyis tíz led esetén 40V - adja meg a felvett teljesítményt. 10 led esetén kb. 4W teljesítményt fog mérni a mérő, a fogyasztást meg megkapod, ha megszorzod az eltelt idővel.
(#) TomiFilth hozzászólása Feb 2, 2009 /
 
Köszi a választ fiúk!
Valóban hiányoznak elektrotechnikai ismeretek, ezért is vagyok itt, hogy segítséget kapjak, és kaptam is!
(#) TomiFilth hozzászólása Feb 7, 2009 /
 
Újabb kérdésem lenne hozzátok, minekután megépítettem a prototípus lámpámat, azaz összetákoltam.

Megmérve a körben folyó áramot, 100mA helyett 132mA folyik!

A csatolt képen látható, hogy milyen képletet használtam: Urms=(Uin-Uzener)/gyök2.

Kérdésem az lenne, hogy mi lehet a helyes képlet. ELéletileg a 132mA mellett 187V az Urms.

Tomesz
(#) ZPKing hozzászólása Feb 10, 2009 /
 
Sziasztok!
Tudna nekem valaki egy bevált és biztosan működő
kapcsolást ledhez 230Vra.
5 db 210000mCd 100mA es 5 chipes Ledhez.
Fontos lenne és hogy biztosan működő legyen.
Köszönöm PeTi
(#) _JANI_ válasza ZPKing hozzászólására (») Feb 10, 2009 /
 
Ez fórum csak erről szól! Olvass vissza '1' kicsit...

S látod! Nem is kell sokat visszalapozni!
Itt van egy kiszámítási példa!
S itt találhatsz kapcsolásokat!
Ha nem hajtod túl a LED-eket akkor bármelyik kapcsolással stabil üzembiztos áramkört kapsz...
(#) _JANI_ válasza _JANI_ hozzászólására (») Feb 10, 2009 /
 
(#) ZPKing hozzászólása Feb 10, 2009 /
 
Köszi a segítséget.
Ki is néztem egy kapcsolást.
mellékeletem.
mit kell ezen változtatni ha csak 5 előbb emlitett ledet akarok beletenni?
(#) kendre256 válasza _JANI_ hozzászólására (») Feb 10, 2009 /
 
A kiszámítási példát kár volt linkelni, mert nem jól számol.
A kondenzátoron nem a bemenőfeszültség és a zenerfeszültség különbsége lesz. Vagyis az lesz, csak éppen a kivonást vektorokkal kell elvégezni. A zeneren lévő feszültség (feltéve, hogy tényleg Ohmos terhelésnek tekinthető az utána következő mindenfélével együtt) 90°-os fázistolású a a kondenzátor feszültségéhez képest. Ha kicsi a zeneren a feszültség, akkor el lehet hanyagolni, és a kondenzátoron lehet a 230V-os feszültséggel számolni. Ha a zeneren egy kicsit nagyobb a feszültség (pl. akár csak 14 V) már "nem jön ki a huroktörvény" a "sima" feszültségekkel.
Ebben a hozzászólásban írtam le egy megépített kapcsolásban lévő feszültségértékeket, a bejövő 225V-al "szemben" az alkatrészeken eső feszültségek összege 241V-ot adott.
Egy ilyen soros "R-C" tagon lehetne azért számolni pontosan is, ha a feszültségvektorokkal számolnánk. Csak én nem vagyok benne biztos, hogy a LED-ek (zénerrel, kondenzátorral, esetleg még graetzzel) tényleg ohmos fogyasztók. Ha meg nem azok, akkor kérdés, hogy mennyire nem azok (vagyis mekkora a fázistolás), és innentől kezdve egyre megfoghatatlanabb az egész számítás.
Szerintem egy-két LED-nél könnyű számolni, és az eredmény elég közel lesz a valósághoz (feltéve, hogy a műszerek is jól mérik, ez egy további probléma lehet!). Ha "sok" LED van, akkor szerintem egyszerűbb egy előzetes hasraütés után kísérletezni.
(#) Skori válasza kendre256 hozzászólására (») Feb 10, 2009 /
 
A graetzen és a kondin eső feszültség sem lesz szinuszos hullámformájú, ezért még a vektorokkal való számolás sem ad pontos eredményt, sajna nem lehet sima ohmos fogyasztónak tekinteni a ledeket.
Viszont az áramkörszimulátorok nagyon jól használhatók ilyesmire. Pl. ezt még akár a TINA ingyenes verziója is könnyedén lemodellezi, a kapott görbékből lehet effektív értéket, stb. számoltatni vele.
(#) _JANI_ válasza kendre256 hozzászólására (») Feb 11, 2009 /
 
Visszáb van jó képlet, és táblázat is...
(#) _JANI_ válasza ZPKing hozzászólására (») Feb 11, 2009 /
 
Tulajdonképpen csak a zéner feszültségét kell a sorba kapcsolt LED-ek legnagyobb megengedhető feszültségéhez méretezni. (Vagy egy kicsit e fölé! Mert a zénernek csak akkor van jelentőssége, ha a LED-ek áramköre valamiért megszakad. Ekkor a zéner letörési feszültségéig emelkedhet csak a feszültség. Nem érdemes nagyon a LED-ek nyitófeszültségéhez közelit választani, mert az áram egy részét LESÖNTÖLI és igy azokra annyival kevesebb jut.) S ajánlott egy biztosíték bekötése is a bejövő oldalon. Egy F vagy FA-s 500mA-s megteszi...
(#) kendre256 válasza _JANI_ hozzászólására (») Feb 11, 2009 /
 
TomiFilth számításában a reaktancia és a kondenzátor számítása helyes. Csak a kondenzátoron lévő feszültség számítása nem helyes (viszont abból aztán a kondenzátor is rossz értékre jön ki ).
(#) TomiFilth válasza kendre256 hozzászólására (») Feb 12, 2009 /
 
Teljesen igazad van, a kondenzátor értéket rosszul számolja.
De már kijavítottam, és meg is építettem a saját LED-es lámpámat a javított számítás alapján, és hibátlanul működik, a feszültségek és az áram is mindenhol annyi, amennyinek lennie kell. Csatolom a javított képletet.

Minden esetre elképzelhető, hogy nem teljesen pontos (a fázistolások miatt), de közelítőleg teljesen ok, lemértem. (+-2mA nem számít)

A Tesztlámpámban 8 LED van sorosan. Csatolom a kapcsolásomat is. Az alkatrészek értékei a lámpámnak megfelelőek.
Következő: »»   11 / 84
Bejelentkezés

Belépés

Hirdetés
XDT.hu
Az oldalon sütiket használunk a helyes működéshez. Bővebb információt az adatvédelmi szabályzatban olvashatsz. Megértettem