Fórum témák
» Több friss téma |
Fórum » Házilag építhető fémkereső
Helló ! Ha nem titok hol van ez a tengerpart ahol nincs elektronikai alkatrész? Talán kellene nyitnod egy ilyen üzletet.
Hello!
Írországban vagyok található. Nem viccelek, az írek mindent félkészen-készen vesznek, úgyhogy hamar becsődölnék a boltommal. 6 nap talpalás után találtam egy nyomoronc 25W-os pákát /akciós 9 eu/ és egy pici dobozban 20 cm ónt /nem akciós 2.45 eu. szívtam a fogam/. Óriási a pazarlás magyar szemmel nézve, de rengeteget forgatnak vissza pl. a hulladékból is. Amúgy nem értenek semmihez, de a legtöbb jószándékú. Mindenki mindent megvesz, még azt is amire nincs szüksége. Hihetetlen, de igaz.
A PIC égető működik.
A rossz hír, hogy most nem tudok vele foglakozni. Még le kell gyártanom néhány csöves erősítőt. Értesz valamit a PIC basic programozáshoz ? Egyébként valahol van, ha jól emlékszem PIC-es fémkereső kapcsolásom. Ha találok, akkor elküldöm. Ill. felprogramozásban tudok segíteni.
Megvan.
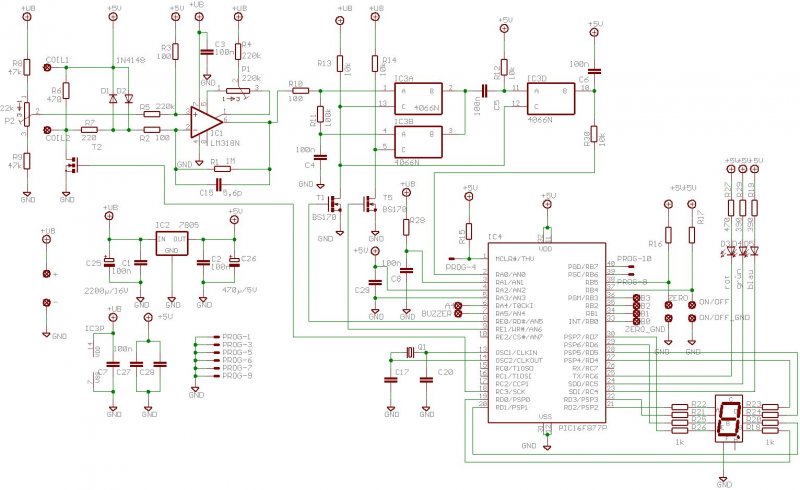
Ez pl. egy kapható PIC-el készült. Hála török barátainknak. Hamár mindenáron PI detektort szeretnétek.
Üdv nagy hoho, netleo!
Mielőtt bármibe is belevágok szeretem tudni hogyan is működik, ezért valaki elmagyarázná nekem, mint egy hülye gyereknek, hogyan üzemel egy PI gép? Magyar nyelvű leírást sehol sem találtam, az angol pedig meglehetőst szaknyelvezetű. Szóval, ami érdekelne az az hogy milyen alkatrész miért is kell bele, milyen elven működik, mi befolyásolja pozitívan illetve negatívan a működését. Ha még nem kértem eddíg eleget. Köszönet még egyszer mindenért!!!!
Köszönöm,hogy törődsz velem ! De közben elkezdtem építeni egy PI-t. Már a nyák be van ültetve és abba egy AVR van amit most programoznak. Tudom naponta 50 lyukat fogok kiásni feleslegesen , legalább telik az idő. Ez a negyedik amit csinálok . De PI még nem volt köztük. Azért még érdekel az a kereső amiről korábban beszéltünk!
Helló! A PI kereső nagy érzékenységű mély kereső.Egy MOSFET-el nagy áramot kapcsolgat a kereső tekercsre.A keletkező impulzusok vizsgálják a talajt.Ha fémet talál abban őrvény áram keletkezik és ezt a két impulzus közti szünetben kiértékeli az elektronika, majd láthatóvá ill. hallhatóvá teszi.Hátránya hogy nem szelektál a mágnesezhető és antimagnetit között,bár már van olyan ami igen.A nagy fogyasztást is felróják de a korszerű NiMH vagy Li-ion akksik korában ez már elhanyagolható.A nyélben nem lehet fém a fej közelében. A földhatás nem zavarja.
Üdv. Jelentem teljesen kész a kereső panelem, megjött minden alkatrész, még a tekercskészítés van hátra és jöhet az első próba. Milyen árnyékolt kábelt kéne használni az elektronikától a tekercsig?
A földhatásról annyit, hogy nálunk van egy vulkanikus kőzet amire igenis jelez a PI keresőm. Valószínűleg fémtartalma miatt.
Helló ! Jó Neked. Az én kontrolleremet mostanában programozzák. A kábel típusa RG 58 U 50 Ohm-os koax.A csatlakozó lehetőleg BNC legyen . Sikerült litze huzalt szerezni a fejhez ? Mert nekem nem, pedig már több hete hirdetek ,tűvé tettem érte Google-t. Addig jutottam , hogy 25 kg-ot már tudnák venni. Abból jutna Neked is.
Bocsi.
Annyit még hozzátennék, hogy amikor a rövid ideig tartó impulzust rákapcsolta a tranzisztor, FET stb. utána a tekercsben egy ellentétes polaritású logaritmikus lefutású impulzus is létrejön (az önindukció miatt, mivel hirtelen megszűnik a tekercs mágneses tere). Ennek lefutását vizsgálja utána az elektronika, mivel a lefutási szakasz függ attól, hogy van e a közelben fém. Ez esetben nyújtott elhúzódó lesz. A legegyszerűbb módszer, amikor mintát vesz belőle egy fet vagy egy analóg kapcsoló. persze midig ugyanabban az időpillanatban. (x fix idővel az adóimpulzus megszűnése után). Egy kicsit azért érzékeny a talajhoz közelítésre, hacsak fondorlattal ki nem küszöbölik. De nem zavaró.
Sajnos litze huzalt nem tudtam szerezni, de több mint valószínü hogy csinálok magamnak több 0,16-os drótból.
Helló!
Én is erről az oldalról próbállom megépiteni a legegyszerűbb Tiny verziót. A litze huzalnál én is megakadtam. Mi a különbség a kettő között. Mármint a várható jelalakban értem, mert a fizikai kialakítással tisztában vagyok. 0,4-es sima zománcozott huzallal próbára megcsináltam a keresőtekercset. Most annyit látok szkóppal, hogy amikor a negatív impulzus vissza felfut, nem egy exponenciális görbeként alakul a nulla feszültség környékén, hanem van egy pár mv-os pozitiv túllendülés. Ebben nem vagyok biztos, hogy ott is kell lennie.
Helló! A sok szálas litzének nagyobb a felülete mint egy 0,4-es huzalnak. Talán jobban érzékeli a vissza verődő jelet. De igazán nem tudom én sem. Vándorbot kollegánkat kellene meg kérdezni ő jártas a témában. Remélem olvassa amit írok !
Sajnos az én keresőm kb egy hónapja áll, eddig hitegettek ,hogy az AVR-be betöltik a programot de most kiderült ,hogy mégse. Pedig több jelentkező is volt. Sajnos a környékünkön nem találok senkit aki tudna segíteni.
Nem akarom vandorbotot meg sérteni a "jártas" titulussal mert közben megnéztem a web oldalát és rájöttem ,hogy PROFI a témában. Elnézést kérek
Üdv
Helló! Az a helyzet, hogy a netről letöltött házilag megépített égetővel PIC 16F84-et tudok írni. Viszont
a német oldalon levő mikrokontrollert nem ismerem, ezért is kezdtem a dolgot a legegyszerűbb verzióval, mert ebben nincs PIC.
Helló !
Remélem a Huba is olvassa.Találtam egy kanadai oldalt ahol a PI keresőkkel foglalkoznak és komplett leírások is vannak.De legérdekesebb a kereső tekercsek kialakítása. Ezek lapos tekercsek. Azt írják ,hogy a tekercs sokkal hatékonyabb ha a mellékelt képek szerint vannak tekerve. Minden esetre egy kísérletet meg ér.
Szia Huba !
Olvasd el a 374284-es hozzá szólásomat
nekem van egy pár fémkereső kapcs rajzom :yes:
Helló !
És építettél is már keresőt vagy csak rajzod van . És milyen elven működnek ? Tegyél fel rajzokat ha már felcsigáztál ! Mi a véleményed a PI-ről ?
Helló!
Pont ezen agyaltam. Mostmár csak azt kell kitalálni, hogy hogyan lehet házilagos módszerekkel egy ilyen sík tekercset kivitelezni.
Helló !
Szerintem egy belső magot kell csinálni arra az első menetet rátekerni aztán mellé a másodikat közben valami gyors ragasztóval több helyen rögzíteni.Hát pepecs munka lesz az biztos ! De végül is 25- 30 menet nem olyan vészes !?
Hello!
Tegnap végre megjött a 7660-as IC. Igy mostmár elkezdhettem az áramkör élesztését. Azt biztosan látszik, hogy az inpulzus lefutásának a végén levő kis dudor nem odaillő dolog. A 356-os müveleti erősítő mostmár annyira felerősítette, hogy láthatóvá lett a lényeg. Valójában egy apró oszcilláció, amit valami szórt kapacitás gerjeszthet. Egyenlőre megpróbálom a keresőtekercs menetszámát pár menettel csökkenteni, hátha megszűnik.
hoho. A keresőtekercs tényleg érdekes, egy próbát megér majd.
Deta: Ilyesmi a jel alakja? Vagyis a gerjesztő impulzussal ellentétes polarítású? Ha igen épp az a PI lényege, hogy annak a tüskének a "hasa" változik ha fém kerül a tekercs közepébe.
Sajna nem. Készitettem egy rajzot, és lefényképeztem. Remélem látható lesz!
Tényleg kicsit fura az a lecsengés. De általában ott már nem kéne mintavételezzen, szóval nem szól bele a müködésébe. Akár a keresőfej a koax kábellel is alkothat rezgőkört.
A furasága ellenére a leglátványosabb változás ráadásul pont a lecsengésnél látszik. A kikapuzás beállitására én is gondoltam, ami megint nem lesz egyszerű, mert az alkatrészlistában van egy kis hiba. Történetesen a két duál monostabilnál az első értéke hiányzik, vagy elírták.
Helló !
Kíváncsi vagyok a fejleményekre mert mindenből lehet tanulni. Az én keresőm vesztegel az AVR miatt sajnos. Nincs ember aki beprogramozná most már január óta nem tudok lépni. A 7660 honnan jött ilyen nehezen. Én a RET.hu -ról rendelek nem kell 24 óra és már hozza a posta. Olvastam valahol ,hogy arra kell törekedni a kereső fej koax kábelének minél kisebb legyen a kapacitása. Mert a fej és az elektronika között akár egy méter is lehet. És ha jól emlékszem 20-25 pF körül még jó. Sok gyári kereső fényképét láttam már és mindenhol a kábel rá van tekerve a a nyélre spirálisan így sokkal hosszabb mint amennyi szükséges lenne. Én a csőből (horgászbot) csinálom a nyelet és abban vezetem fel a kábelt
Helló!
A mai nap számomra sikerrel zárult!!! Az integrátor és a kapuzó áramkör működését nem sikerült igazából megértenem, igy úgy döntöttem, hogy összerakom és lesz ami lesz! És láss csodát MŰKÖDIK!!!! Egy réz pitykegombot, amit krumpliszedés közben találtam, 25 cm-ről jelzi, kb két tenyérnyi nagyságú vas lemez doboz 60 cm. |
Bejelentkezés
Hirdetés |










