Fórum témák
» Több friss téma |
- Ez a felület kizárólag, az elektronikában kezdők kérdéseinek van fenntartva és nem elfelejtve, hogy hobbielektronika a fórumunk!
- Ami tehát azt jelenti, hogy a nagymama bevásárlását nem itt beszéljük meg, ill. ez nem üzenőfal! - Kerülendő az olyan kérdés, amit egy másik meglévő (több mint 17000 van), témában kellene kitárgyalni! - És végül büntetés terhe mellett kerülendő az MSN és egyéb szleng, a magyar helyesírás mellőzése, beleértve a mondateleji nagybetűket is!
Köszi! Erre nem is gondoltam
Azt írja az Ic adatlapja, hogy a zener + opto viszacsatolásnál +-5% eltérés még egengedett, tehát ezek szerint csak jó lesz.
A bétát az adatlapban hFE (az FE alsó index) vagy DC current gain néven találod. Megadja, hogy adott feszültségen és adott áramerősségen mekkora a minimum, tipikus és maximum erősítési tényező. Ezt megmérheted a multiméter hFE állásában.
Sziasztok!
Megterveztem a 3 ledes villogómat valahol itt találtam , és azok a kérdések merültek fel bennem: 1. Egyáltalán működik-e; 2. ennek alapján akármilyen hosszú láncot építhetek? ettől most egy kicsit eltérve: 3. szeretnék venni egy trafót, (csengőtrafó) 12V 8VA váltó áram Szerintetek mennyire tudok stabil 5V-ot (kis izé segítségével) kicsalni belőle? (tegyük fel hogy egyenáramosítottam, és az áramkör is jó) Válaszotokat előre is köszi.
Köszi szépen a segítséget!
A kimeneti 5V a stabilizáló
Idézet: -dtől függ! „kis izé”
Köszi szépen!
És a többi kérdésemre is tudod a választ???
Ha szabadna javasolni valami mast, inkabb vegyel egy kapcsolouzemu kis tapot (akar 12V-ra), mondjuk valami hibas cuccnak a jo tapjat.
A trafo utan meg egyeniranyusitani kell, ez felviszi a feszt, aztan stabilizalni kondikkal, aztan johet a cuccod, de tobb,mint ketszerese fog eldisszipalodni majd a stabilizatorodon, magyarul melegszik veszettul, ha kicsit nagyobb aramot akarsz kivenni belole. Ha neincs tul nagy aramigeny (500mA korul), akkor inkabb szerezz egy regbbi telefontoltot, azok olyan 7V 700mA korul vannak es mar stabilizalt egyenaram, arra direktben kotheted az 5V-os stabIC-det, nem fog annyira melegedni, meg hutoborda sem kell hozza valoszinuleg. Meretet tekintve meg igencsak pici.
köszi szépen, de nekem alapból 12V kell, az 5V az meg csak az égetésre kell
egyébként a 3 ledes villogóm az működne???
Szia!
1: Igen. :yes: 2: Nem. :no: Mert a tranzisztorok egy része véletlenül fog bebillenni, és bizonytalan lesz az lépések állapota... Javaslom keress rá a fórumkeresőben a 4017-re! Max három lépést érdemes ezzel az áramkörrel sorosítani! Viszont azt tudnod kell, hogy a sötét "lyuk" fog lépegetni, azaz két LED mindég világítani fog. 3: Vannak tápegységes fórumtémák is. De az elöttem szólók javaslatait is érdemes megfontolni! ( 7805 = 5V-os stab. IC. Keress egy adatlapot a kérdéses stab. IC-ről.)
A kerdesben satbil 5V szerepelt, olvass vissza.
12V-ot is lehet csinalni, akkor az egyeniranyitas utan felmeno feszultseg lesz, majd kondi majd egy 7812-es. Aramtol fuggo betujelzessel. Mit szeretnel egetni?
PIC-t
szó fennakad, lehellet megszegik.....
Ezt mire értetted?
Gondolom arra ertette, hogy aki a stabilizator IC-knel tart, az meg valoszinuleg nem jutott el a PIC-ek szintjeig. De lehet, hogy rosszul gondolom.
Egyebkent lehet 5V-tal egetni, en is azt csinalom.
hát tényleg valami ilyesmi forgott a buksimban
Ámbátor Motorola 68000-et programoztam már, csak az assembly hiányzott. Anélkül nyomasztó Égetni azt is kellett
A stabilizátor ismerete nem szükséges a Mikro Processzorok programozásához.
Legfeljebb annyiban, hogy... Minden áramkörnek elengedhetetlen tartozéka az áramforrás! Enélkül elég nehéz használható áramkört építeni. Az hogy ez egy ellem, akkumulátor vagy egy stabilizáló áramkörrel ellátott transzformátoros tápegység, (stb,) az már egy másik kérdés...
hello!
a kérdésem már feltettem az index fórumán. de "több szem többet lát" alapon itt is érdeklődöm. Szükségem lenne egy olyan elektronikára ami egy injectort vezérel. Vízbefecskendezéshez kéne. Amire magamtól is rájöttem: Az injector nyitásához a jelet egy HALL jeladó szolgáltatná. Minden főtengelyfordulat 72. fokánál nyit. Viszont így csak egy "pillanatra" marad nyitva. Így nem tudom szabályozni a befecskendezett víz mennyiséget. A szükséges mennyiséget az injector nyitvatartási idejével tudom szabályozni ami a levegő nyomásától függ. Ehez kell egy nyomás szenzor. 0-2,5bar.a szelep csak 1barnál kezd nyitni. A levegő nyomása és az injector nyitvatartási ideje egyenesen arányos! viszont a finomhangoláshoz a kiindulási szelepnyitvatartási időt tudnom kell szabályozni egy poti segítségével! egy ilyen elektronikára várok ötleteket! köszi norbi
Komolyan??? Azt hittem eddig, hogy az egy sima 32 bites proci volt es kulso program- es adatmemoriaba /-bol dolgozott. Mondjuk nem is programoztam 68000-t...
Mindenesetre a PIC kicsit mas, itt elkulonul a program- es a RAM terulet, a fejlettebbeknel viszont mar a programmemoria is kezelheto eeprom-kent.
Jól hitted , úgy van ahogy mondod . Az MPU kártyán viszont csak 4k RAM volt, EPROM 128K. Csináltam RAM kártyát, de nem kellett, olyan gyors volt az adatfeldolgozás, ill adatforgalom, a tömegspektrométer , illetve a PCAT-felé.! Természetesen 1985 évből kell ezt néznünk
Ma máregy mezei P4 elég lenne DMA val
Nem szükséges, de az a programozó, aki tudja, mégis, másképpen bánik a hardverrel,és szoftverrel is, ritkábban ereszti be pl egy végtelen ciklusba.
A PIC inkabb hardver, mint szoftver. Szerintem elengedhetetlenek nem is alap, de kozephalado elektronikai ismeretek.
Én mikrokontrollerrel oldanám meg. Vannak nagyon jó nyomás szenzorok 0-5V -os kimenettel, amik ideálisan illeszthetőek mikrokontrolleres környezetbe. A nyomás mérő feszültsége egyenesen arányos a nyomással, így meg kell nézni adatlapon hogy 1bar -nál mekkora jelet szolgáltat. És ilyenkor kezdene kinyitni a vízbefecskendeződ. Azt peddig, hogy milyen hosszan van nyitva, ugyancsak a nyomásmérő jeléből lehetne kiszámolni, mégpedig úgy, hogy mennyivel haladja meg a jel feszültsége az 1bar -hoz tarttozó értéket. A hall jeladó mehet némi jelformálás után a mikrokontroller egyik megszakítás lábára.
Ezek szerint a TIP3055-ös tranyó bétája 70?. Az adatlapba ilyet találtam hFE alatt.
Sziasztok!
A segítségeteket kérném! Szükségem lenne egy olyan kapcsoló IC-re, amivel 2 PWM bemenet közül tudok kaplcsolni a kimenetre mindig egyet, egy select jel segítségével. Mindezt 4 csatornán, szoval 4 select, 8 IN, és 4 OUT. Tudnátok ajánlani valamit?
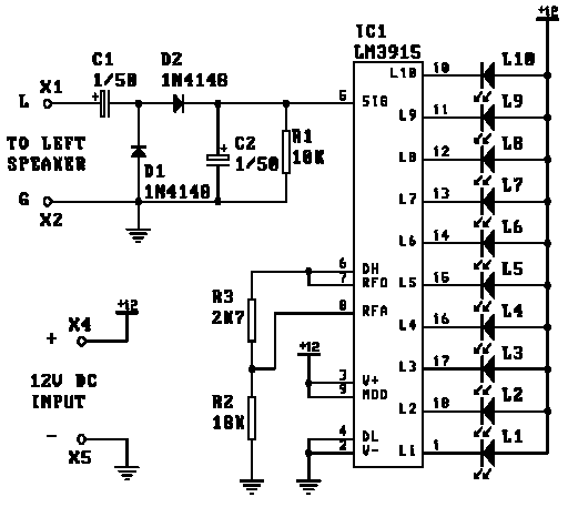
Helló! Szeretnék csinálni egy ledes kivezérlésjelzőt,találtam is hozzá egy kapcsolási-és nyák rajzot.Az a baj,hogy pár dolgot nem értek rajta.Valaki tudna segíteni? Problémák a képeken.
A béta nem egy fix érték, hanem az áramtól függő változó érték. Ezért gafikonon szokták ábrázolni. Ha jól emlékszem a 2N3055 bétája 10A esetében 10, de jobb ha az adatlapból van ez megnézve.
A kérdésed jogos, mert a 12V valóban nincs kialakítva a nyákon. Valószínű, hogy a LED-eket nem a nyákba forrasztották, hanem kábellel kötötték be, és ott az előlapon kapták meg a 12V-ot, ahogy a rajzon látható. Tehát egy lyukba egy láb, de inkább egy kábelvég kerül.
|
Bejelentkezés
Hirdetés |













