Fórum témák
» Több friss téma |
Fórum » Csöves erősítő készítése
Ne feledd betartani a fórum viselkedési szabályait, és a topik megmaradásának feltételeit. [link]
A téma átmenetileg fagyasztva lett, hozzászólni nem tudsz!
Igen ismerem a srácot akitől kapta bár nevet nem tudok mondani mert még csak harmadszorra van és pocsék a névmemóriám
Amúgy sajnos valószínű hogy jövőre megszűnik a szakkör legalábbis a Bóday tanárúr azt rebesgette.
A kettő együtt .. , nagy volt a kontraszt a belépője és az erősítő minősítése között . Ha esetleg még láthatjuk is az elkészült művét lehet , hogy javít az összképen .
Ezt már 5 oldallal előrébb feszegettem (link)
Idézet: „Lássuk a medvét!”
Jól van, megvolt mára a csoda, ne rágódjunk ezen már. Elgondolkodik a fiú is, aztán még lehet jó fórumtársunk ettől. Majd meglátjuk.
Mindig is megmondtam, hogy az a legbeképzeltebb, aki azt hiszi magáról, hogy ő a legjobb, pedig én vagyok!
Szia! Itt a PL500 PP. Gondolom olvastad, hogy jó PL504-hez is. Én már megcsinálom a PCL86SE-t, utána jöhet a PL500-504SE, de lehet, hogy ha találok még PL500-a(ka)t, akkor PP lesz.
Ez nem PP hanem PSE (párhuzamos együtemű). Ahogy látom egy hálózati trafót használ kimenőnek. Ez is csak akkor lehet jó ha légrésesre átvariáljuk. De csak arra jó ez hogy szól-e. Minőség az nincs. Egyébként egy pl500SE teljesítménye körülbelül egyenlő egy el84SE teljesítményével, Hacsak nem a nagyobb csövek látványa miatt akarod megépíteni akkor hangban jobb az EL84.
Ez nem PP. A PP (puss-phull) ellenfázisú meghajtást igénnyel. Ezek gyakorlatilag párhuzamosan vannak kötve, de ez akkor is SE. Mintha egy nagyobb teljesítményű (nagyobb áramú) cső lenne, ezt 2 cső párhuzamos kapcsolásával oldották meg. Ezt felejtsd el. Csinálj inkább igazi PP-t, sokkal több "kakaó" lesz úgy benne.
Szerk: Jani gyorsabb volt.
Danaman-nak is.
A negyedik SE(mármint nem az se, hanem single ended). Az elsőbe is párhuzamossan vannak a csövek, pedig már örültem.
Márk, ezt a PSE-t ne tedd fel többször. A többi megépíthető, lehet bele tenni PCF 80-82-t.
Szerintem mindenki megérdemel egy második esélyt!
Mostmár, hogy láttuk Ő sem 300B-ből építkezik. Akkor meg közénk tartozik! :hide:
Ki?
Imi: SE-t akartam. Habár ez elég hasinlít az elektroncső.hu-n, ami van PCL86-ra.
Szerintem Nagy Attiláról van szó. Aki nem mérte fel jól a terepet. Lehet, hogy a topik első hozzászólásait olvashatta
Idézet: , abból tényleg semmi hozzáértés nem mutatkozik. A fiúnak ezek voltak az 1. hozzászólásai. Más is járt már úgy, hogy 2-3 éves hozzászólásra reagált. Lehet, hogy ennyi történt. „Mikor meghallottam apukámtól hogy régen a csöves erősítő volt a "divat" utánanéztem interneten és egyböl beleszerettem! A gond csak az hogy eddig még nem találtam jó kapcsolást ami szimpatikus lett volna (én válogatós vagyok)”
Ez az SE nem lesz elég érzékeny, mindenképpen kell előfokozat. Triódában meg főleg.
Üdv! CSÖVESK!
Gondolom "nadatila-ze" A magabiztos magabiztosságot legalább díjazzátok, légyszi! Egyébként, ha az utóbbi 900 oldalt végigolvasta volna, már akár csöves erősítőt is tudna építeni. Az elektronokról nekem az elektromérnökök jutnak eszembe, ők biztosan azokat méregetik. Üdv! Lajos
Hagyjátok már szegény srácot hát most mondott egy nagyot de már azóta nem is írt anyira kivesézitek szegényt
PL500pp-t meg találtam itt viszább egyet, mark meg lassan kitölti képekkel a hobbielektronikát anyit rak be (de nembaj csak ne rakd be 2x ugyanazt inkább linkelj visza)
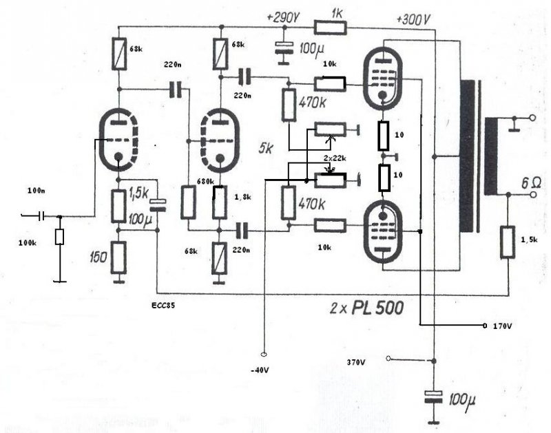
Ez a kapcsolás 170V-ról mekkora áramot vesz fel körübelül?Bővebben: Link
Sziasztok.
Van valakinek 6C33C csöve esetleg eladó? ill. a börzén bukkant már fel ilyen cső? Nagyon bejön a cső különleges formavilága, és persze a paraméterei Érdekenle belőle min. két darab...
Üdv!
Én voltam egy pár éve egy "Hight End" összejövetelen itt nem túl messze a viharsarok fővárosában. Az egész buliból nekem az jött át, hogy aki nem érti a Hight End lényegét az HÜLYE. ŐK azt bizonygatták, hogy egy ilyen ketyere az hangszer és nem az élethű hangzás a lényeg. Nem akarok senkit sem megbántani, de a Hight End az nem műszaki kategória még akkor sem, ha egy-két paramétere pl átvitel +- 3dB stb. túl mutat a HI-FI-n. Ami a 200kHz- felső határfrekit illeti, szerintem is megvalósítható ilyen HF erősítő. Én a saját szememmel láttam egy ilyen ketyere építését annó Egerben. Ott a sulinkban is volt egy BÓDAY, Őt D Ferencnek hívják. Egy másik tanárral (E János) építettek egy preckó hanggenerátort és annak a vége lett a csodagép. Nem volt egyszerű mutatvány a trafója. Vagy tízszer áttekertették velünk. A zajáról viszont nem nyilatkoznék. Azt viszont akkor megtanultuk, hogy az A osztályú erősítővel egyenértékű ellen ütemű véget is lehet csinálni. Ezeknél van hallgatható teljesítmény is és az a fránya keresztezési torzítás sincs. Még mielőtt leordítjátok a fejemet, gondoljatok bele a magnetofon fejek lelkivilágába, ha ez megvan, jöhetnek a kérdések. Üdv! Lajos
Dana, miért nem számolsz? Van két ellenállás (R4-R6), mindegyiken van feszültségérték. Ebből kijön a rajta átfolyó áram, amit összeadsz. Ennyi.
Üdv!
A két katódellenálláson eső feszültség értéke ugye oda van írva? A két katódellenállás értéke is oda van írva,ugye? Ha igen akkor OHM törvény: R=U/I .Kicsit továbbreszelve a képletet: I=U/R . A két csövön átfolyó áramot egyszerűen összeadod és kész. Üdv! Lajos
és csak enyi az áramfelvétele
azthittem hogy a csővel is kell valamit számolni (mármint a belső ellenállatjával)
Az sorba van a külső ellenállásokkal, és ez miatt ugyanaz az áram folyik rajta.
Üdv!
Számolhatsz azzal is, tervezéskor, amikor a jelleggörbére ráhúzod a munkaegyenest, de akkor kell a katódellenállást kiszámolni. Üdv! Lajos
Összeraktam egy kupacba a 829-es projektet, lassan lehet drótozni (sajnos csak jövő héten lesz időm rá).
EF 86-ból malyik jobb vajon, a Telefunken vagy a Valvo ?
Én is voltam High-End bemutatón. Akkora bóvli volt az egész, hogy meg is bántam azt a 2 órát, amit ott elcsesztem, de csak a végén értettem meg, hogy 1,5 M-ért meg is kellett volna vennem a bemutatott készüléket. Az ürge azt hitte, hogy süketek vagyunk. Vakteszteket mutatott be, (és ebben volt némi gyakorlatom, mert amikor megjelent anno az első HiFi magazin, egy barátommal rendszeresen "játszottunk" ilyet,) és mindig elmondta, hogy mit kell hallanunk. De mi nem hallottuk AZT. Illetve nem ÚGY hallottuk. Nem is nyerte meg a tetszésemet a bemutatott darab, semmivel sem bizonyult jobbnak, mint az otthoni (tranzisztoros!) erősítőm. Amikor kiderült, hogy nem vagyunk potenciális vásárlók, (azt mertem mondan az ürgének, hogy 10e -ért sem kell a 1,5M-s cucc,) akkor szinte kirúgtak.
Köszi a segítséget.
Sturbi: tudtommal a Valvo az "elit cső"
Üdv!
Én 14 000 Ft-ot is fizettem belépő gyanánt, amiben benne volt egy könyv is ami ezeket a hallani valókat magyarázta, gondolom a nagyot hallóknak vagy süketeknek, mert a könyvből nem jött hang. Üdv! Lajos |
Bejelentkezés
Hirdetés |


Amúgy sajnos valószínű hogy jövőre megszűnik a szakkör legalábbis a Bóday tanárúr azt rebesgette.







Érdekenle belőle min. két darab...



