Fórum témák
» Több friss téma |
A mikrofonon köbö 0,2 V áram megy át... gondolom, akkor az a része működik. A tekercsről le kellett volna szedni a szigetelést? Hm... az ember mindig tanul valami újat... Akkor lekaparom egy késsel... Egyébként lemértem egy egyszerű kapcsolással és a tekercsen ment át áram... Bár nem tudom, hogy a kettőnek van-e köze egymáshoz...
már kerítettem... de még nem sikerült béfogni semmit...
üdv
L1= 5 menet 4mm-es átmérőre 0,3-as CuZ-ból az egyenértékű e 2 menet 4mm átmérőre 0.6 CuZ-ból?
Nem. Még távolról sem. A huzalátmérő az induktivitást ilyen szinten nem befolyásolja.
A menetszám, és a tekercselési átmérő a mérvadó.
Szia!
Egyáltalán nem egyenértékű. De egy nagyon fontos paraméter a tekercselés hossza lemaradt. EgyBővebben: Link hogy ne kelljen sokat számolgatni
Sziasztok!Azt szeretném megkérdezni hogy ez a kapcsolás működik-e?
Ha jól építed meg, akkor igen, működik.
És elég érzékeny is, a nagyon halk dolgokat is jól fogod vele hallani. De kézben tartva, menet közben nem lesz használható, csak fix helyen próbáld. Mondjuk tedd le a polcra, és ne piszkálgasd, mert attól elugrál a freki.
Köszi
.Most én megvettem egy másik adóhoz az alkatrészeket csak nem tudom hogy milyen vastag legyen a réz és hány menet ha tudtok valamit akkor légyszi írjatok előre is köszi.
Ja és még egy gond van
nincsen olyan multiméterem amivel a kondik kapacitását megtudnám mérni.Hogy tudnám megmérni másképp ?
Üdv.műszerész vagyok,jópár poloskát épitettem már,1-2tranzisztorral nemlehet jót épiteni még 9V.ról sem,hatótáv/ érzékenység kicsi lessz.varicap kell bele BB505,BB139,a moduláció miatt,de ha nemstabil a katódon a fesz.g hangolodni fog akárhogy árnyékolod le.Amit én építettem csak 3voltról megy,TL272cp.mikrofonerősitő Ic.+3db.tranyó és 18,43Mhz kvarc,bármelyk alkatrészboltban lehet venni,a vevő frekimérős kinaikisrádió áthangolva 126-180Mhz.re,az adó 166Mhz re van hangolva,ennek több elönye is van.
A 3tranyó BFR92,X2db. BFR96S, a varicap katodját 3voltos zenerrel stabilizáltam,anódja 10kohm on testre megy,a kollektortekercs oszcinál 11-12menet 4mm.csévén,vasmag nélkül,a többifokozat kollektorán 5menetes tekercs 3,5mm fúróratekerve,légmagos,0,65átmérőjühuzalból,antennaillesztőtekercs 5menet szintén,106Mhz-re 7menet kell,fontos!a meneteket nemszabad szorosan egymásmellé,ha beültettük kicsit szétkellhúzni,igy elkerülhető a fokozat túlvezérlése,Tv.zavarás stb.rajzot majd töltök fel nektek.
Ez engem most pont érdekelt volna. De hová lett a kép?
Kép a vevőröl,126-180MHZ re hangolva 2tekercset kell ki
cserélni a forgokondi mellett van,egyik az oszcitekercs a másik az RF.tekercs oszci=3menet,mod.=4menet,a velepárhuzamosan levö kisméretü kerámikondikat is kikell cserélni 4-6.8Pf re mert ezek határozzák+a rezgökör rezonanciáját sávszélességét,és föleg a rádió vételisáv frekvenciáját,antennával sorba köni érdemes 8menetes 3mm.átméröjütekercset,hanem elég érzékeny a vevő BFR91A,BFR92,smd kivitelben előerősitőként beépiteni panel és hangszoró közé érdemes,ez 10DB.javulást eredményez minden rádiónál.kollektoráram 3-6mAmper lehet szükség szerint.3tranyosadórajzot kb.43alkatrész smd.holnap tudok felrakni,csak képet.
Itt a 3tranyos adórajz,L1 mod.tekercs az oszcinál 18menetes,2raszteres fémházas sárga-narancs-zöld-fekete vasmagos tekercset áttekerni,Zsebrádióbol régi tv.böl kitermelhető,mikrofonelőerősitőnek TLC 272cp fetes IC.t érdemes használni 1-5mv.ot akár 450mv.ra erősit fel 2,5Voltról már müködik olcson beszerezhető,aki CD.t beltérit kapcsol rá,ugy előerősitő nem kell 150-200mv.meghajtja,Tunervevővel jóminőségü hangátvitel garantált,amennyiben helyesen hangoljuk be.Gerjedésmentesség.BFR92 bázisán 1,2V kell mérnünk kb.3,5V tápfesz.nél.Táp.3-4Volt 2Xcer elem v.Nokia LI-ion akku napokig müködik vele.Áramfelvét:24-30mA.
A TLC272cp bekőtése egyezik a TL082 Ic.vel netről letöllthető bármikor,ez az adó 18,43Mhz kvarcal rezeg 166Mhz re van kihangolva 9-edik felharmonikusra,de aki nemtud vevőt csinálni erre a sávra az CCIR sávra is megépitheti hasonló kvarcal,a szomszédok örömére pl.100Mhz körüli frekire kolloktortekercsek 7menetesek legyenek 5T. helyett.Antenna 166Mhz-re 14cm.hosszú szilikonbevonatu 1es sodrott drót,kimenetre 3,5menet 10es átmérőjü furón tekerni,1,8mm.átm.ü huzalból,ez kell antennaillesztőtekercs gyanánt,hagyjunk rá 1,2cm.kivezetésnek ide forrasszuk az antennadrótot.Kimenetnek forrtüske+áttfurt paneldarabka ajánlatos,ez megtartja antennát nem törik le.elhangolodás kizárva -6fokban is probáltam.
Köszönöm a rajzot. Elképzelhető hogy megépítem. Egy hasonló rezgőkörős kapcsolásom vasárnap a kukában landolt. Szerintem be sem rezgett. Műszereim nincsenek ugyan. Az OIRT és CIRR tartományokban sehol nem tudtam fogni. Először a 27Mhz-es kvarccal próbálkoztam. Elvileg ennek egyik felharmonikusa sincs ezekben a tartományokban, de gondoltam valami zavarást esetleg okoz. Aztán a 32Mhz-es kvarccal próbáltam a CIRR tartományba. Néhány óra próbálkozás után kiforrasztottam az alkatrészeket dühömben. Az alapja a RTÉK 1994 171old található.
Én is most csináltam meg a skori féle urh adót a régebbi fajtát és nagyon olcsó mert csak 150ft a cucc hozzá és szerintem megéri!sziasztok
Nos 27MHZ kvarcal nem igazán lehet FM.moduláciot.létrehozni,inkább felhangkvarcot használj mint.pl.17,734M.18,433M,43,625Mhz.adókvarc.ne egészszámu legyen.Ezt a rajzot énis prob.tam már,RT.90-es évek eleje,nemmindig indul a clapposzci.nincs a tranzisztor bázis-emmiter közt 22-30Pf.kondi,ez a visszacsatolás,régirádómagnokban,kollektor-emiterbe volt néhány pikos C.Multiméter szükséges+ vevő enélkül nemistudod mit épitesz.Egyébként az oszcillátort 50mikroamp.deprez müszerrel is lehet látni,1n4148 diódán 100pf.kollektorra 3testre kötöd,amikor berezeg a müszer kitér kb.félig.Vevőm van ha érd.124-186Mhz 4mikróvolt érzékeny.
Valahogy sejtettem hogy valójában be sem indult az oszci. Ezek szerint nagy a valószínűsége hogy tényleg nem.
A mérési módszered tetszik. Fogom használni. Na azért én sem vagyok teljesen eszköztelen. Építettem egy előosztós frekvenciamérőt. Egy másik kicsit nagyobb teljesítményű 100Mhz-es oszcillátorhoz csak közelítve a mérő kábelt, simán látta. Ezeknél a mikro teljesítményű adóknál azonban nem működik a módszer. Terveim között szerepel egy előerősítő építése is. Csatoltam hátha érdekel. Vevőnek a TDA7021 IC-s rádiómat akarom használni. Valamelyik nem használt tartományra lenne az igazi. pl:OIRT
A TDA 7021 PHILLIPS IC. 2-3mikrovoltérzékenyvevőt lehet késziteni belőle,úgy emlékszem 4Voltról műk.már.144Mhz ig felehet vinni a sávot.Megépitettem 6éve.Vevőnek ajánlom a Hyundai frekimérős zsebrádiót áthangolva +tartja az érzékenységét nagyszámkijelzője van,Euronics árulja 2900ft.nagyobb városban kapni.Nemkell konverter kiszajú saját ant.val tökéletes. 3,6v.ról legérzékenyebb 2,7V.alatt lehalkul.Vagy van a piaci ECB kinai 1800ért,frekimérője 990Mhz ig mér,de nemtulérz
Ha már írsz, akkor szánj az írásodra kb. 10 másodperccel többet, és hozd valamivel olvashatóbb állapotba. Engem személy szerint nagyon zavar, hogy úgy írsz, ahogy... A fórum nem MSN vagy hasonló! Főleg a szóköz és a nagybetű témakört ajánlom tanulmányozni.
Egyébként csodálom, hogy még egyik moderátor sem szólt, ők is elég allergiásak szoktak lenni az ilyenre.
Nemszoktam a számitógép elött ülni egésznap mint sokan,igy csak Nok E51-ről tudok böngészni netezni,elég kicsi a kijelző +a betűk és a négyzet.Dolgozni is kell napközben,nálam ez van.
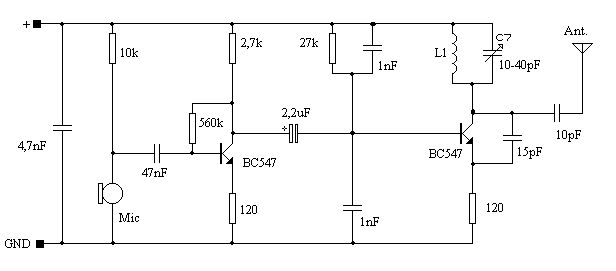
Üdvözlet mindenkinek! Kezdő lévén megépítéttem egy fm adót félig sikeresen (kép mellékelve) Az lenne a problémám, hogy a mikrofon nahgyon halk viszont ha mozgatom, vagy kopogtatom a panelt az tisztán kivehető hangos (nem gerjedő) zajt eredményez. Remélem érthető vagyok és tud valaki segíteni. Előre is köszönöm.
Szia! Milyen mikrofont tettél rá, s milyen módon?
Üdv Medve örülök, hogy valaki válaszra fog majdan méltatni. Szóval, a mikrofon egy rádióbol lett kiszedve 1,3 kohm-os. A GND-re kötöttem a mikrofon azon kivezetését ami össze van kötve a fémházával, a másik végét pedig a Be pontra.
Jó lenne egy kép a mikrofonról. A leírásod alapján valószínűleg elektret mikrofonod van. Ebben az estben még tégy a bemenet és 9V-os táp közé egy 5-10 kohmos ellenállást, s menni fog. Ez az ellenállás lesz a mikrofonod "tápellátása". Az elektret mikrofon ui. tartalmaz félvezetős erősítőt.
Szerbusz frrrrr! Küldöm a képet, egyébként mit jelent az elektret kifejezés? Egyébként hogy tudom beállítani a legoptimálisabb teljesítményt, mert 100Mhz környékén az sávot teljesen lefedi viszont 10m-után elezd sisteregni?
KĂźldtem neked kvarcoradĂłrajzot,hanem boldogulsz vele van 2fetes BF961,ĂŠs BFR90,BFR91 el Fm.88-112Mhz trimm.potival ĂŠs BB505 el hangol,ez tud 300mĂŠtert akĂĄrmilyen CCIR vevĹvel is.Bc547 tranzisztor elĹerĹsitĹnek jĂł de nem oszcinak+nem adĂłnak hangfrekis tranyĂł,30mĂŠtert tudsz kihozni vele,javaslom a BFR tipusokat 80ft./db.1000Mhz ig tuti antennaerĹsitĹnek is kivĂĄllĂł.
Ez így nem lesz jó! Értem én, hogy mobilról netezel, de az írásmódod már eleve is kifogásolható volt, de mostmár olvashatatlan is a szöveg, amit leírsz, mert telis-tele van valami idegen kódlapról származó karakterrel!
(Hogy lásd, nem tréfa, íme egy csatolt kép!)
Köszönöm mindenkinek a szegítségét igazábol ez lett a végeredmény (kép)
Csak men értem, hogy miér 10-m ig jó (igaz panelban próbáltm, de csak egy nyitott ajtó volt közöttünk). Egyébként az adása tiszta és zaj mentes. A mikrofon problémám a 10m-es hatótávból eredhetett,( kipróbáltam frrrrr javaslatát jó lett, de a táv nem változott) de nem hiszem, hogy az a gond mivel nincs bekötve! Ha valaki tud segíteni ebben is akkor |
Bejelentkezés
Hirdetés |





.Most én megvettem egy másik adóhoz az alkatrészeket csak nem tudom hogy milyen vastag legyen a réz és hány menet












