Fórum témák
» Több friss téma |
Fórum » Wand Clock
Szia Hp41C!
Sikerült mindent átírni, jól működik a program. Valóban 4 mp-ként vált automatikusan! Mindent nagyon köszönök, és mellékelem a jó asm filét, valamint egy avi-t is. Szia.
Minden elismerésem mindkettőtöknek!
Nagyon szép kis projekt kerekedett ki! :kalap:
Szia!
Nagyon örülök, hogy sikerült..... Most jut csak eszembe, hogy így nem lehet csak időt vagy csak dátumot kijelezni. Módosítani kellene, hogy csak akkor váltson automatikusan, ha mind a dátum mind az idő kijelzést bekapcsolták a távirányítóval. (Ekkor a flags 6. és 5. bitje is 1) movf flags,w andlw 0x60 xorlw 0x60 btfsc STATUS,Z goto automatikus_valtas_kihagyva ; automatikus valtas automatikus_valtas_kihagyva ... Engedj meg egy kérdést: Milyen anyagot használtatok rugónak?
Szia Hp41C!
A rugólemez egyik tipusa egy 0.3mm vastag acél, nagy "gittelő-lemez" néven ismert anyagból van kivágva. Ez a lemez forrasztható, talán az anyaga miatt, igy nagyon könnyen és stabilan szerelhető. Ezt használom általában. Trapéz alakú méretei: 63mm*28mm*16. A másik lemztipust ne tudom megmondani milyen anyag, de igencsak szivós, kemény, nehezen darabolható. Nagyon hasonlit az előzőre, és kétféle vastagságban kaptam. (0.3mm, 0.5mm). Ezt sokkal körülményesebben lehet felszerelni a karra, de ha rajta van, remekül dolgozik. - Visszatérve, igazad van, akkor lenne jó a váltogatás, ha be vannak kapcsolva a funkciók távival. Ezzel még érdemes lesz tovább foglalkozni, és beépiteni a javasolt rutinodat. Szia.
Szia Hp41C!
A következőkre javítottam a rutint, de nem vagyok biztos abban, hogy jól csináltam az átalakitást. Úgy gondolom, valamit kimaradt, igy mindkettő kis rutin, mégis fog működni. Ime: lUpdateDisplay movf flags,w andlw 0x60 xorlw 0x60 btfsc STATUS,Z goto automatikus_valtas_kihagyva ; automatikus valtas clrf tdd ; btfss Second2,3 ; ShowDTime call DTime ; Display digital Time btfsc Second2,3 ; ShowDDate call DDate ; Display digital Date automatikus_valtas_kihagyva clrf tdd ; btfss ShowDTime ; call DTime ; Display digital Time btfsc ShowDDate ; call DDate ; Display digital Date ....... Szia.
Szia!
Félkövérrel kiemelve a változtatás. (A címkék valószínűleg túl hosszúak ....) lUpdateDisplay movf flags,w andlw 0x60 xorlw 0x60 btfsc STATUS,Z goto automatikus_valtas_kihagyva ; automatikus valtas clrf tdd ; btfss Second2,3 ; ShowDTime call DTime ; Display digital Time btfsc Second2,3 ; ShowDDate call DDate ; Display digital Date goto Tovabb automatikus_valtas_kihagyva clrf tdd ; btfss ShowDTime ; call DTime ; Display digital Time btfsc ShowDDate ; call DDate ; Display digital Date Tovabb .....
Szia.
Igy lehet? lUpdateDisplay movf flags,w andlw 0x60 xorlw 0x60 btfsc STATUS,Z goto aut_v_ki ; automatikus valtas clrf tdd ; btfss Second2,3 ; ShowDTime call DTime ; Display digital Time btfsc Second2,3 ; ShowDDate call DDate ; Display digital Date goto tovabb aut_v_ki clrf tdd ; btfss ShowDTime ; call DTime ; Display digital Time btfsc ShowDDate ; call DDate ; Display digital Date tovabb ..... Szia.
Szia Hp41C!
Végül is ez lett a megoldás, de kell egy kicsit gyötörni az időt és dátumot a távival, mire beáll. Ime: lUpdateDisplay movf flags,w andlw 0x60 xorlw 0x60 btfsc STATUS,Z goto autbe clrf tdd ; btfss ShowDTime ; call DTime ; Display digital Time btfsc ShowDDate ; call DDate ; Display digital Date goto tovabb autbe clrf tdd ; btfss Second2,3 ; ShowDTime call DTime ; Display digital Time btfsc Second2,3 ; ShowDDate call DDate ; Display digital Date tovabb ....... Szia.
Bocsánat de nam egy kis hiba, amit elkövettem:
lUpdateDisplay movf flags,w ; Előveszi a flags tartalmát andlw 0x60 ; Csak a showDDate és ; a showDTime értéke kell xorlw 0x60 ; Ha mindkét bit 1, akkor w=0 btfss STATUS,Z ; Ha 0, aut. váltás goto aut_v_ki ; Ha nem 0, kimarad a váltás ; automatikus valtas clrf tdd ; btfss Second2,3 ; ShowDTime call DTime ; Display digital Time btfsc Second2,3 ; ShowDDate call DDate ; Display digital Date goto tovabb Igy talán jobb lesz.... aut_v_ki clrf tdd ; btfss ShowDTime ; call DTime ; Display digital Time btfsc ShowDDate ; call DDate ; Display digital Date tovabb ..... Szia.
Szia Hp41C!
- Megy a program, de ugyanúgy kell a távival szórakozni egy kicsit, mire beáll. Ez szerintem egyáltalán nem baj, igy is kitünően kezelhető. - Egy kicsit nosztalgiáztam, és 6 db Wand Clokot szedtem össze, amelyik mind működik. A falról a 6.-at nem szedtem le, (etalon), mert az már hetek óta stabilan dolgozik, nem akarom megszakitani a méréseim miatt. Tulajdonképpen csak egy van valamennyire befejezve. Itt van néhány kép róluk: Szia.
A bal alsó sarokban lévő harang alakon csiszolnál egy kicsit, plexi fedlappal nagyon tuttttti lenne!
(Van egy sanda gyanúm, hogy Te is egy csöppet mintha megszállott lennél...)
Hello!
Nemsokára meg lesz a 24 óra, és akkor már egész nap lehet majd használni. üdv! proli007
Szia Vicsys!
Igen, egy kicsit belemélyedtem a fejlesztésekbe, de legalább már van működő ilyen órám néhány. Itt azonban még nics vége, mert szeretnék egy jóval tökéletesebbet megépíteni. Szia.
Szia Proli007!
Van olyan kisérleti órám is néhány még ezekből a tipusokból, amivel kipróbálok rugót, kart kijelzőt, mágnest, stb., de ezeket már nem szedem szét, mert túl sok munka fekszik bennűk, és valóban működnek. Sokan kértek ezekből a barátaim, ismerőseim, de még egyet sem adtam oda belőlük, mivel nincsennek igazából befejezve! Szia.
Sziasztok!
Az ASM filét, amely az előzőekben lett kipróbálva az átírások után, most közé is teszem: Sziasztok.
Szia!
Még ne tedd vissza az órákat a helyükre, van ötletem a szövegkiíratás módosítására.....
Szia Hp41C!
Van a 32. oldalon egy kiíratás ezzel az órával, Period.avi néven. (Egyébként, ilyen több is van a topikban). Légyszi, nézd meg. Szia. BOCS! Prop001.avi néven. Szia. Bővebben: Link
Sziaszrtok!
Tovább építettem az "egyik" fali működő Wand Clock dobozolását. Kétféle módon is kipróbáltam, de a plexi az tényleg jobb, csak volna belőle néhány fajta. Néhány fotó a befejezéséről? Azt hiszem, még nem lesz bejezve ezzel a borítással. Ez a verzió két résoptikai kapuval vezérlelt H-hiddal dolgozik, igy lehet állítani az amplitudó kellő mértékét is. Sziasztok.
Szia!
Bocsánat, nem tudtam, hogy már megy... Szia.
Szia Hp41C!
Igen, néhány ilyen szövegkiírást már kipróbáltam a "rezgős" órával is. Szia.
Sziasztok!
Néhány, úgymond "finom fogás", a Wand Clock mechanikai építésével, különös tekintettel a kar felépítésével kapcsolatban. Tulajdonképpen ezek döntik el, mennyire stabil, jó órát készitettünk. - A kar lengése 2D kell hogy legyen a tekercspár között, különben a rugólemez gyorsan elhasználódik, elreped. Ez többnyire a "ferde" rezgés miatt következik be, mert lengéskor elcsavararodik a helytelen mágnesbeállítás miatt, vagy nem párhuzamos már eleve a mozgása a mágneses térben. Ezt különösen nagy gondal kell beállítani, akkor hosszú ideig nem lesz vele gond. (Sok-sok kisérlet a törések miatt !). - A kar kialakitását 1mm vastag kétoldalas NYÁK-lemezből célszerű elkésziteni, ahol a kijelzőt SMD LED-hez alakitjuk, (1 raszter!), a többi részen karcsúsítunk amennyire csak lehet, hogy nagyon-nagyon könnyü legyen. A mágnes és rugólemez csatlakozási pontján meghagyjuk a fóliát mindkét oldalon, itt már célszerűen szélesebb is legyen a kar, hogy könnyen összeépíthető forma alkuljon ki. - A levezetéseket 0.15-0.2mm átmérőjű CuZ huzallal oldjuk meg sodrat formájában, ahol a köteget vékony szigetelő anyaggal, hibátlanul betekerjük. A rugólemez és kar összekötési ponjánál is rögzitjük a köteget, majd jókora ívet hagyva rá, az alaplaphoz is efogatjuk. Igy ez, szintén tartós megoldásnak bizonyult. Jól tűri a rezgést. - A mágnes amit jól tudok használni, egy régi, (WD 340 MB!) winchesterből lett kinyerve, ahol négy darab azonnal felhasználhatót találtam. Eddig ez vált be a legjobban. Sokat tudnék még erről, (ezekről) írni, és ha szükséges lesz, majd össze is írom. Sziasztok.
Hello!
Valamikor voltam, egy nagyüzemi "borsó szüreten". Ott egy rezgő rosta választja ki a szemetet a magok közül. És láss csodát a rugó fából van. A szakértők szerint az acél csak órákig bírja ezen a helyen. (A fa fajtát már nem tudom, pedig elárulták) üdv! proli007
Nekem pedig egy horgászcsali (kukacrosta) rugója szúrt szemet. ~20mm vastag üvegszálerősitésű epoxigyantás lemezből készült,-itt sem birta sokáig az acél.
Szia Proli007!
Szia Mex! Sajnálatosan, egy nagyon fontos momentum, a kar balanszírozása kimaradt az előzőkből. Ezt úgy kellene elvégezni, hogy a kart, amelyen a rugólemez, a mágnes, a kijelző és a takarólemezek is minkét oldalon már fel vannak szerelve, megvizsgáljuk, melyik oldalra hajlamosabb eldőlni. Ellentétes oldalán, súly hozzáadásával tudjuk beállítani, (forrasztás egy lehetséges mód), hogy szimmetrikus legyen. Ha ezt elértük, a kar beépíthető.. Sziasztok.
Sziasztok!
Felraktam a falra legalább 2 hétre ezt a verziót is, hogy meggyőződjek a működés stabilitásáról. Néhány fotó az óráról: - Most jelezték, az óra megforditva jobban mutatna, ha kijelzőt is igy kötném be, Sziasztok.
Sziasztok!
Egy kicsit megint kisérleteztem az egyik fali "lengőkaros" órával. Nagyobb kijelzőt szereltem fel 3mm-es LED-ekből, de ezt már csak a kétkapus vezérlésű H-hid tudta meghajtani kellő mértékben. Nagy kitérés kell 20Hz-es rezgési frevencián, hogy szélesek legyenek a nagyobb méretű karakterek. Nem olyan szép még a kijelzés, de dolgozom rajta. (Nagyobb méretű SMD LED-ek?). Egy kép róla, és a "legendás" WD-mágnesekről is egy. Sziasztok.
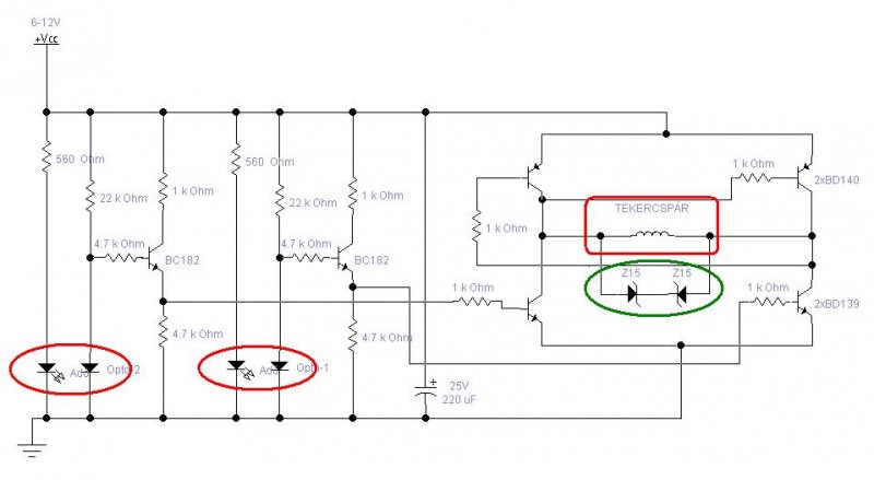
Szia Proli007!
Van itt egy kapcsolási rajz a H-hid kétkapus optikai vezérlésére. Azt szeretném Töled kérni, nézd át ezt a kapcsolást, mert valahogy nekem nem igazán tetszik a működése. (Alap megoldás). Arról van szó, hogy túl hosszú ideig van a tekercspárra kapcsolva áram, ami jelentősen melegiti a tekercseket is. Lehetne-e úgy módosítani a kapcsoláson hogy ez csak bizonyos hosszúságú impulzus legyen egyik vagy másik írányban? Ha tudsz segíteni ennek a kialakitásában, azt szivesen venném. Most úgy működik, hogy a takarólemezek végei éppen nem érnek be a résoptikákba. Szia.
Sziasztok!
Még egy gondolat az áramkörrel kapcsolatban: A jó megoldás talán az lehetne, ha a 0 pontról meglenditve a kart, csak addig tartaná áram allat a H-hid a tekercsket, amig el nem éri a beállitott szélső értéket, visszafelé ki kellene kapcsolni. Természetesen ez mindkét írányban értendő művelet. Igy elképzelhető, hogy egy időzitő beiktatása is megfelelne a működéshez? Álló helytetben, (ez most is teljesül), ha nincs rezgés, a tekercsekben nem folyhat áram. Sziasztok
Hello!
Hát persze. egy monostabil kellene a BC és a BD közé. Alkalmasint egy soros kondi és a BD fbázis-emittere közötti reverz dióda is megfelelhet a célnak. Üdv! proli007
Szia Proli007!
Nagyon örülök megint, hogy segitesz. Tudod, korábban először egy astabil multival indult el a dolog. Tulajdonképpen az tökéletes lett volna, ha valahogy a rezgéssel össze tudjuk szinkronizálni. Az nem jött össze, és igy alakultak ki az egyszerű optikai vezérlésű meghajtók. Jól gondoltam, Te ebben is komolyan tudsz jó megoldást találni. (Jónéhány topikban olvastam a hozzászólásaidat, csak gratulálni tudok munkásságodhoz!). Egy olyan áramköri kapcsolást kellene összehozni még csak elviekben, amit aztán tényleg be lehetne majd épiteni a lengőkaros órákba. Ennek kialakitásához még mindig megvan a hozzávaló türelmem...). Az igazi megoldása az lehetne, ha pontosan úgy működne mint az astabil volt. (Kicsi áramok, nagy kitérések jellemezték, nem melegedett semmi). Ha ezt el tudnánk valahogy érni, meglenne a végső verzió. Megint sokat írtam, elnézést. Szia. |
Bejelentkezés
Hirdetés |















