Fórum témák
» Több friss téma |
Fórum » Akkumulátor töltő
Hello!
Kis értékű ellenállásokat nem mérünk multival (kivétel, ha speciálisan erre készült négyvezetékes a műszer) Az ellenálláson áthajtasz ismert nagyságú (v.mért) áramot, és a huzal hosszán, megméred a feszültséget (mV). Majd az Ohm-törvényével kiszámolod. Lényeg, hogy az árambecsatolási pont ne essen egybe a feszültség elvételi ponttal. üdv! proli007
Szia!
Nekem 0.01Ohm 4W-os ellenállás kellene és ilyet nem találtam még sehol . Akkor ezzel a módszerrel tudok ilyet készíteni?
Lehet 1W-os smd ellenállásokat kapni 0.1 ohm értékben,ebből kell 10darabot párhuzamositani,és kész a 0.01ohm 10W terhelhetőségű speciális ellenállás. Huzalból sokkal macerásabb,gondolj csak a csavaros kötés időtállóságára (a legtöbb ellenálláshuzalt egyszerű módon nem lehet forrasztani).
Szia!
Én is gondoltam erre, de jobb lett volna 1 darabból kihozni. De ha nincs más, akkor párhuzamosítunk . köszi
Hello!
Pontosan így van, ahogy Mex mondja. Shunt ellenállásokat csak akkor célszerű készíteni, ha meg van hozzá a megfelelő felszerelésed, felkészültséged és anyagod. "Normál vezetőknek" nincs meg a kellő fajlagos ellenállásuk ahhoz, hogy értelmes méretű ellenállásokat lehessen belőle készíteni. (manganin, újezüst vagy kathal ellenállásanyag szükséges) A nagy és kis áramú bevezetések kialakítását is úgy szokták megoldani, hogy az ellenállás anyagot réz tömbbe forrasszák (keményforrasztással), majd a tömbbe menetet vágnak. üdv! proli007
Sziasztok.
Nekiálltam egy akkutöltő építésének. Kb 500 VA-es toroidtrafóból készül (ilyen volt) , a felesleges szekundereket letekertem. Indulóban 15-20A-t szeretnék kiszedni belőle, ahogy töltődik az akksi, majd csökken valamelyest az áram. Kérdés az, hogy mekkora feszültségűre tekerjem a szekundert? Elektronika nem lesz benne, égőt se nagyon szeretnék, max egy leágazást (LO/HI) és ennyi. hmli
Heló! Félek, hogy ilyen megkötések mellett nem építhető akkutöltőnek nevezhető alkalmatosság. Üdv.:VIM
üdvözletem uraim.
Van egy ojan gondom hogy szeretnék egy amper méröt rákötni az akku töltömre.(Ladábol van az amper mérö)De sajnos nem tudom hogy kell. Elöre is köszönöm
Helló! A Ladában ampermérő? Nem töltés ellenőrző volt az a műszer? No meg hány ampert is akarsz mérni? Üdv.:VIM
Hello.Lenne egy kerdesem.csinalt e mar valaki olyan toltot,ami allandoan ra van kotve az aksira es van benne melykisules vedelem,lekapcsolja a fogyasztot.Esetleg va e valakinek hozza kapcsolasi rajza. Koszi Udv
Helló.
Elnézést töltés ellenörzö.És ezt szeretném rászerelni az aku töltömre hogy nyomon tudjam követni a töltést.Azt hiszem hogy ojan 10 amer körülit.Elnézést ha valami nagy höjeséget mondtam most.
Ezt most csak én nem értem, hogy egy akkutöltőbe miért kell mélykisülés védelem? Ha már folyamatosan töltve van az akku (mint pl a riasztókban), akkor miért kell tartani a mélykisüléstől? Hosszú áramszünet, vagy micsoda?
Bocs hogy csak most válaszolok. Nem riasztó, kamera rendszer lenne és egy esetleges hoszabb ideig tartó áramkimaradás esetén ne meritse le az aksit nagyon.Tehát ritkán tudnának ránézni a rendszerre, ezért kellene hogy állandóan töltön legyen a cucc.
Olvasva a hozzászólásodat, és keresve az oldalon, ezt találtam: Bővebben: Link. Így most már belátom, hogy tényleg nem hülyeség a mélykisülésvédett akkutöltő-leválasztó egység. Ez szerintem minden elvárásodnak meg fog felelni, bár tapasztalatom nincs az áramkörrel.
Ez tenyleg jonak tunik,csak nem talaltam egyenlore LM2675 ic t sehol sem,de majd meg utanna nezek. Koszonom a faradozasod.
Kösz a tippeket,de sajna mindkettö messze van, vajdasági vagyok.
De még próbálkozom
Hívd fel Zentán a Robtron nevű céget, 821180 a számuk. Hetente egyszer hoznak árút Szegedről, ami Szegeden a Ret-nél van, bármit hoznak, és kb. abban az árban lesz. Azthiszem ha kedd délutánig leadod a rendelést, akkor péntekre meghozzák. Nekem régebben el is postázták utánvéttel, nemtudom most mi a helyzet, de ha nemis postázzák el, Zentáról csak könnyebb megoldani. 9-17 és szombaton 9-13 volt máskor a munkaidő.
a méllykisütés védelem védi az aksit meg a töltöt! ha túl nagy árammal töltöd az aksit akkor a töltő is meg az aksi is gallyra mehet! deformálódnak a cellák, leég a töltő! deformálódott cellák esetén az aksi cellazárlatos lehet ami a további töltés szempontjából kritikus, valamint nem tudja leadni a névleges feszt! ezáltal a töltő meg túlterhelődik és leég! akkor lesz egy zárlatos aksid meg egy leégett töltőd. ugye nem ezt akarod?
Üdv. mindenkinek. Csatlakoznék azok táborához akik az egyszerű ólomakksi töltök mellett döntenek.
1db trafó több szekuder kivezetéssel. 1db diódahíd 1db olvadóbisztosíték 1db ampermérő müszer 1db fokozatkapcsoló És kész! Én 15 éve így töltök kocsiakkumulátorokat gond nélkül!
Köszönöm szépen,holnap felhivom öket,remélem postán küldenek.Üdv
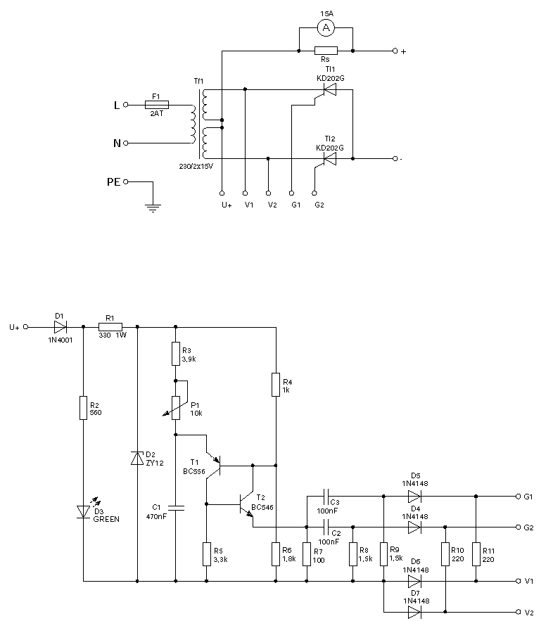
Szép napot!
Szeretném megérdeklődni, hogy az alant mellékelt kapcsolás működőképes-e, ugyanis én a kapcsolásnak megfelelően megépítettem az áramkört, de valami okból kifolyólag nem hajlandó működni, és nem tudok rájönni, mi lehet az oka. A zener dióda 1N5349B-re, a tirisztor pedig BT 152/600R-ra lettek cserélve. Meg sem nyikkan. Előre köszönöm a segítséget.
Elsősorban ki kell cserélni a tirisztorok gatejára menő 100nF-okat ,ide minimum 1µF kell,mert nagyobb gate áramú a tirisztor.
Hello!
Ez egy nagyon "gyengusz" valami. Egy ruszkinak a koppintása vagy inkább lebutítása. Csak a gyújtásszöget tudod vele állítani, aminek van valami köze a töltőáramhoz. Gyakorolni persze jó, csak a tirisztorok gyújtása pocsék. És esetleg a PUT helyettesítő kapcsolást meg kellene szkópolni egyáltalán receg-e? üdv! proli007
Üdv!
Én annyira nem értek az elektronikához, hobbiból csinálom csak, ami utánépítést és alap szintű hibakeresést és elhárítást foglal magában. Köszönöm a válaszod, de ezt olvasva ismét felmerült bennem egy kérdés. Mi az a PUT?
Üdv!
Ha kicserélem a kondikat, akkor sem tudok semmi konkrétumot mérni. Szkópom nincs, sima multimétert használok. Valami támpontra lenne szükségem, amitől elindulhatnék a mérésekkel.A rajzból nem tudtam semmi olyanra következtetni, hogy mit kellene mérnem, és hol. pl.: a gate-nél mit kellene mérnem.
Hello!
Ez a mi is az a hogy is hívják...? PUT Sajnos a relaxációs eszközöknél szkóp nélkül, nem sokra lehet menni. Mert itt szinte tűimpulzusok vannak, azt digittel mérni... :no: Lehet egy fejhallgatóval, és egy jóora soros ellenállással többre mé(r)sz. (R7-en, majd a Gate-Katod között) üdv! proli007
Szkóp nélkül nehéz boldogulni. Legegyszerűbb ha kicseréled a kondikat és meglátod működik-e. Egyébként a PUT egy speciális tranyó (Programozható Egyátmenetű Tranzisztor),ebben a kapcsolásban ezt helyettesitik a 2db tranyóval. Itt az a lényeg,hogy a 470nF kondi lassan töltődik,elérve egy meghatározott feszültségszintet (amire a PUT,a 2db tranyó "programozva" van az ellenállásokkal),lavinaszerűen kisül,rá a 100nanókra,és az éppen aktuális fázisban levő tirisztort begyújtsa.
|
Bejelentkezés
Hirdetés |





. Akkor ezzel a módszerrel tudok ilyet készíteni?
. köszi
De még próbálkozom
A zener dióda 





