Fórum témák
» Több friss téma |
Fórum » Kapcsolási rajzot keresek
Témaindító: Kallai Csaba, idő: Márc 11, 2006
Témakörök:
Sziasztok!
TR-PIF v. TR-0161 teljesítmény hanggenerátorhoz keresek rajzot, vagy gépkönyvet! A segítséget előre is köszönöm! Lhanzi
okés akkor tudsz antenna erősítőt??
Sziasztok
Keresnék kapcsolási rajzot JUNKERS ZW-23AE tipusú fali kombi kazánról. Sajnos már másodszor hal meg ez a kazán, és még csak 3 éves, sza... minőség még a szerelő szerint is. Remélem valaki tud bővebb infót adni róla, a neten semmi nincs.
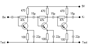
Üdv én egy hordozható antennához keresek kapcsolási rajzot. Én csak ezt az egyet találtam (melléklet) a neten, nem tom, hogy működne-e, és még az egyik kondi értékét sem tudom.
Sziasztok!
PWM-es hangerőszabályzó kapcsolási rajzot keresek. Egyszer véletlenül ráakadtam egyre, csak mást kerestem és átsiklottam felette. Már bánom... Köszönöm előre is a segítségeteket!
Hello!
Két analóg kapcsolót kell felváltva kapcsolgatni (inverter) a jelre, majd a testre a PWM jellel. Aztán "már" csak a kapcsoló frekit kell eltüntetni belőle. De valami minőséget ne várj ettől a megoldástól, mert akkor mindenütt alkalmaznák! üdv! proli007
Szia!Mégis milyen kell mert van sokféle fajta hány mágneskapcsolóval akarod(min 3!!)
Időrelé milyen fajta,de lehet a lehegyszerűbb nyomógombbal,ami ha benyomod csillag ha elengeded delta ez a legolcsóbb meg ehhez elég 2 relé is! Döntsd el bármelyiket el tudom neke küldeni! ja és forgásirányváltás lesz benne? ez forg irány váltás csillag delta indítássl csak egy példának. üdv.
SZIASZTOK!
Nosztalgia húllám, ....megkimélt TR-0809-es műszeremet újraéleszteném.....ehez kapcsolási rajzra lenne szűkségem! A segitséget előre is köszönöm! Űdv varadi
Értem, köszönöm. Kipróbálás célját képezte volna. 2-nél több csatornát kellene szabályozni egyidejüleg és erre keresek valamit, kevés sikerrel...
HP printer 32V,240ma és 15V, 550mA-os táp rajzát keresem, Deskjet 3325-től 4550ig használják, de lehet, hogy tovább
Hello!
Ha az analóg kapcsolókat egyszerre vezérled, akkor 170 csatornát is lehet egyszerre vezérelni nem kettőt. De mondjuk egy gitár torzítóba, lehet megteszi a megoldás, de egy Hi-Fi cuccban szerintem nem. (de ha nagyon szenvedsz vele lerajzolom) üdv! proli007
Sziasztok! Szeretnék megkérni mindenkit, hogy akinek megvan a Rádiótechnika 1979/3;5;7 száma, legyen oly szíves beszkenelni azt a részt, amely az orosz N-313-as szkóppal foglalkozik. Leginkább a kapcsolási rajza lenne érdekes! Köszi előre is a segítséget.
Nagyon szépen köszönöm! Külön köszönet a gyorsaságért!
Sziasztok!
Kaptam egy Technics RS-B565 (RS-B565E-K) típusú decket. Sajnos a szalagtovábbító főtengely motorja nem működik. (nem kap 12V-ot ?) A készülék 1990-91-ben készülhetett. Szerintem kategóriájában előkelő helyen lehetett akkoriban: - direct drive - két motor - Dolby B, C, DBX, meg ilyesmi... Szeretném megjavítani, de tele van 28-40 lábú IC-vel. Kapcs.rajz nélkül nem látok esélyt a javításra. Nem találtam hozzá sehol rajzot (torrenttanya, stb.) csak két helyen hirdették 5 Euro körüli áron. Ez a külföldi vásárlás nem a kedvencem. Van esetleg valakinek rajza ? Akár pénzért is megvenném... (Forintban) Köszi.
Itt ne kínálgass pénzt, ha van valakinek, ingyen fogja megoszatni veled.
Úgy legyen...
Csak most tűnt föl, hogy a eRudi vagy!
![]() (Azóta keresem a rajzodat!) M2xx -okat már találtam.
Helló!Philips 25ml8500/19 es 100hz-es tv-hez keresek kapcsolási rajzot!Ha lenne valakinek az nagyon jó lenne!Előre is köszi!!!
Sziasztok!
Kapcsolási rajzot keresek egy szünetmentes táphoz (UPS). Típusa: Albacomp PC-UPS 400VA A panelon ezek a feliratok vannak: UpSelec USE-305 VER.2 A készüléken egy tápcsatlakozó, két konnektor (szünetmentes kimenet), és 1 LED van. Két 6V/7Ah akku van sorba kötve benne. Ha valaki tud segíteni, nagyon megköszönném! Előre is köszi: hegi
Üdv. Megint akadt egy kis gondom, szintén a szkóppal kapcsolatban .. kiderült, hogy az "x" panel már valaki által után gyártott, és eléggé össze vissza vannak kötözgélve a kanócok... lehetetlen feszültségek vannak ahol nem kellene. Az lenne a kérdésem - ugyen nem kapcs rajz - de valaki nem tudja milyen volt az eredeti panel a műszerben? Sokat segítene .....
Köszi, hogy ennyi időt rám szántál. Sejtettem, hogy nem lesz egyszerű... De a reményt nem adom fel !
Sziasztok!
Kapcsolási rajzot keresek Fischer CA870 erősítőhöz, neten csak fizetős helyeket találtam. köszi
Hali.Egy nintendo 64 kapcsolási rajzát szeretném megszerezni,ha valaki eltudná küldeni meghálálnám.
lehetőleg ienre gondolok hogy:http://www.emulanium.com/images/Nintendo64.jpg előre is kösz.
Sziasztok keresem a Trion TR-6123 kapcsolási rajzát. Főleg a tápegység és az előlap elektronikája (kijelző és ami vezérli) érdekel.
Hali !
Kicsit OFF, de nem találtam alkatrész keresős topikot, és nem akartam újat nyitni csak emiatt.. Egy olyan audio procit keresek, ami annyit tud hogy van egy darab sztereo bemenete, benne volume treble bass balance esetleg loudness állítási lehetőség, ÉS ami fontos lenne hogy legyen SUB kimenete is, ami szintén állítható, mindez I2C-n. Olyant találtam többet is q hqvideo listáján amiben hangerő/hangszín állítás van I2C-vel, de mivel a mélyládámat is szeretném bevenni a játékba, kéne rá ez az opció.. Autórádiókban használt icket talátam amik tudják, de azt nem kapni itthon ( se hq se lomex..) Valakinek valami ötlete hogy hol lehetne valami ilyet találni ? (azért lényeg nekem hogy az icben legyen a sub szűrő állítása és kimenet, mert nagyban egyszerűsíti a sub hangerő illesztését .. meg tudnám gányolni külsö filterrel + digitális potival ugyan, de az kicsit ic temető lenne meg a jelút hosszabb, meg bonyolódik az avr vezérlő progija stb..) Edgár
Üdv Edgaar. Nézd át hajó megoldható vagy keresünk tovább.Viszont amit az IC tudsz állitani az csak fokozatok 60-80-90 -120Hz.A szub hangerejét az jó,de folyamatosan az autórádiók nem tudják szabályozni. Mindig jobb ha az erősítőn állítod.
|
Bejelentkezés
Hirdetés |







