Fórum témák

» Több friss téma
Fórum » TDA7384 4x35W
 
Témaindító: kripower, idő: Márc 17, 2006
Témakörök:
Lapozás: OK   2 / 4
(#) balaskopeter válasza Jamesch hozzászólására (») Jún 2, 2006 /
 
Hella!
Így van ahogy az előttemszóló már mondta a hely amiről beszélünk egy pincében van és ott 2600 a komplett szett. Ajánlom figyelmedbe a képeket:http://www.kep.tar.hu/gsc73/50090353/13667754#2.
Valami ilyesmit kéne kapnod. Ha nem akkor át vagy verve.
A próbanyákkal neki se állj, mert több lesz a leves mint a hús. Azért nem stimmelnek a lábak, mert az ic felezett raszterkiosztású... Ne is próbálkozz vele sztem. Ha szépen megkérsz nekem van otthon egy ilyen nyák raktáron amiben tönkrement az Ic szívesen neked adom, ha igényt tartasz rá. Nekem már nem kell. Csak eltettem "jobb időkre"! Ez nem Kenwood erősítő, csak az űIcje stimmel nagyjából, de legalább úgy szól! Ehhez a végfokhoz szerény tapasztalataim szerint (ami most szól a 6. amit építettem) legalább 100wos trafó kell, de azt is úgy leszívja hogy hűtőborda kell rá. Én egy 160wos iparivalhajtomés háűtöm még azt is. A 20 volt valóban sok neki, 18 felett letilt. Ehhez kell neked egy stabilizátor Ic ami kb 150Ft és stabil 12vot csinál, a graetz híd után kötve. Ahhoz hogy tényleg fasza legyen nem 200mikros hanem legalább 2 de inkább 4 10000mikros kondi kell elé. Ezt nem mondják a boltban, mert elég a 200as is de tapasztalat az h kell ennyi... Szóval kb ennyi a válasz a kérdésedre ! Szóval ha kell nyák szólj és hétfőre magamhoz veszem. Én Pesten lakom so vagy személyesen vagy a postadíj ellenében tudom odaadni. Na csak ügyesen! Hella
(#) Jamesch válasza balaskopeter hozzászólására (») Jún 2, 2006 /
 
Kösz a segítséget, lehet hogy akkor igényt tartanék arra nyákra de megpróbálok még reklamálni hátha...
Kérdés: az ugye rendben ha az Ic-re csak az egyik tápbementre kötök tápot? Mer nekem elég két csati, és akkor a trafó is jó lenne.
Stabilizátor Ic helyett használhatok ellenállásos feszültségosztót, vagy hülyeség? Azért kéne mert a Graetz hídról szimmetrikusan kéne sztem levenni a teljesítményt, különben a másik erősítő asszimmetrikus tápot kap(referencia föld is rá van kötve, szal érzékelné), nem vagyok mondjuk teljesen biztos hogy ez baj-e?!
Közben, beszéltem kompetens személlyel és ő javasolta hogy az Ic földjére a -20at kössem a táp előtt legyen egy ilyen stabilizátor, amibe belemegy a +-20 és abból csinál -20+14-et mondjuk és az a -6V megy a táplábra.
Te is erre gondoltál?
előre is kösz
(#) balaskopeter válasza Jamesch hozzászólására (») Jún 5, 2006 /
 
Hella! Na most akkor tisztázzuk h jól értem e... Szóval te akkor mindenképp azt a 30wos trafót szeretnéd használni. Ok bár nem javaslom de akkor azt kell tenned hogy a trafó kimanőjére rákötöd párhuzamosan amit az erősítőre akarsz vinni feszültséget, utána jöhet az egyenirányító híd, és a stabilizátor ic. Az ellenállásos megoldás is jó ha fűteni akarsz, mert az a leejtett feszültségből meleget csinál... és az ic után mehet az erősítő. Így megoldható. Az erősítő icnek 12-18v kell ha az egyik felét használod ha nem. Ha nem akarsz belőle csak 2 csatornát használni akkor inkább csak ne kösd be az azokhoz tartozó kondikat. attól hogy a stabilizátor ic be van kötve a híd után attól neked nem lesz asszimetrikus a feszültséged mert az icbe be van kötve a 0 is, nem csak a +20v. Olyan nincs h - vagy + 20v, mert a -valójában 0 csak egymáshoz képest 20v a feszültségük. ha lenne -20,+20v akkor 40v lenne a feszültséged ha érted... ha vmi nem tiszta vagy kell mégis a nyák szólj! Csak ügyesen! Hella!
(#) Jamesch válasza balaskopeter hozzászólására (») Jún 5, 2006 /
 
Hello
tisztázzuk, nem érted jól, bár lehet én voltam félreérthető. A trafó kb 120W-os(és három vezeték jön ki: egy közép és ahhoz képest egy +15Vrms meg egy -15Vrms, ez graetz híd kimenetén(kondikkal) kb +20V és -20V egyen) és már tápol egy 30-35W-os erősítőt mélynyomóhoz. Viszont nem jó az ha a hídnak csak az egyik egyenkimentéről táplálom a tda7384et, mert asszimetrikus lesz a P a másik erősítőn, vagy vmi ilyesmi, de szinte biztos hogy az nem jó. Ezért gondoltam hogy a stabilizáló ic(vagyis inkább buck converter, ezt javasolták, asszem nem ugyanaz) föld lábára -20V-ot kötök, bementre +20at és a kimeneten ez csinál -6V-ot, ez lenne a tda7384 tápja és a -20 a földje.
A NYÁKot meg köszi de asszem mégse kell, mert addig vertem az asztalt az ÁRwillba amíg vissza nem adták a pénzt, majd megyek a pincébe cuccot venni.
"Ha nem akarsz belőle csak 2 csatornát használni akkor inkább csak ne kösd be az azokhoz tartozó kondikat." -> ezt nem értem, milyen kondikat?
Meg mé egy kérdés: van ez az ic, két csatornát használok 4 Ohm terheléssel, kivezérlve az kb 20w csatornánként, meg disszipál a grafikon szerint kb 35 W-ot, akkor 85W-ot vesz fel a trafóból?
kösz mindent
(#) balaskopeter válasza Jamesch hozzászólására (») Jún 5, 2006 /
 
Na akkor minden tiszta!
Csak ügyesen! Hella, nincsmit
(#) blokkmetal válasza balaskopeter hozzászólására (») Aug 2, 2006 /
 
Csavar!
Nekem megvannak az alkatrészek a 7386-oshoz, úgyhogy az előbbi kites dolog nem kifejezetten érdekel, már csak abból az okból sem, hogy hozzám nincs közel BP. A datasheet-jén viszont van egy jónak tűnő kétoldalas panelrajz. Nos, abból szeretnék valami panelképes mintát kihozni. Fogjam magam ügyesebbik kezemmel és Photoshop?
(#) blokkmetal válasza blokkmetal hozzászólására (») Aug 3, 2006 /
 
Sziasztok! Készítettem egy panelrajzot a datasheet pdf alapján (pontosabban azt rajzoltam át feketével, de voltak takart részek is), amit mellékeltem. Szerintem jó lesz, de szeretnék megkérni valakit, hogy vessen rá pár hozzáértő pillantást. Addig nem akarok nekiállni!

all.jpg
    
(#) szabi83 válasza blokkmetal hozzászólására (») Aug 6, 2006 /
 
A tda7384-s ic 973ft + áfa aug 11.-ig a hqvideoban.
(#) Tarzan válasza tatabike hozzászólására (») Aug 31, 2006 /
 
Hali!

Én is építenék ilyen ic-ből vagy a tda 7386ból erősítőt otthonra. Van már valakinek valamilyen tapasztalata ezekről az ic-kről? vajon egy számítógéptáp megfelel a teljes kihajtásához? Egyáltalán hajtható erősítő számítógép táppal?
(#) szabi83 válasza Tarzan hozzászólására (») Szept 1, 2006 /
 
inkább 2*15W @ 8 ohm -> tda7297
az a 35W -> 22W körül van 4 ohm -n....


üdv minden jót
(#) hzsolt77 válasza szabi83 hozzászólására (») Szept 1, 2006 /
 
Helló mindenkinek!
Ha nekem elég a négy cstorna helyett kettő,milyen IC-t javasoltok ami hasonló paraméterekkel bír?
(#) Peti_85 válasza hzsolt77 hozzászólására (») Szept 1, 2006 /
 
Nem kötötd be a másik két hangszórót... Ennyi!

Vagy TDA1554! Az 2x20 W!

Hali
(#) szabi83 válasza Peti_85 hozzászólására (») Szept 1, 2006 /
 
az ratyi...

tda8560q - 2*25w 4ohm 14v 2*40W 2ohm(én 2-2 db 10cm es 4ohmos hangszórót teszekrá, így meglesz a 2ohm )
tda7265 - 2*25w 8ohm +-16v

üdv
(#) hzsolt77 válasza szabi83 hozzászólására (») Szept 1, 2006 /
 
Sziasztok!
köszi az infókat TDA1554-em asszem van is itthon
remélem jó is....vagy kipróbálom a TDA8560-at
kösz mégegyszer
(#) szabi83 válasza szabi83 hozzászólására (») Szept 17, 2006 /
 

A tda7384-s ic 956ft + áfa szept 22.-ig a hqvideoban.
A tda7385-s ic 1098ft + áfa szept 22.-ig a hqvideoban.
(#) pb válasza szabi83 hozzászólására (») Jan 1, 2008 /
 
helló
Ennek a tda7386-os icnek mekkora a torzítása?
Köszi
(#) pb válasza pb hozzászólására (») Jan 1, 2008 /
 
jah és az stk vagy a tda-k a jobb mármint teljesítmény leadás szerint és torzítás szerint?
(#) tatabike válasza pb hozzászólására (») Jan 18, 2008 /
 
Szia pb,

nagy kivezérlésnél egész jelentős a torzítása, 10% körüli. Amúgy meg az STK a jobb, igaz kényesebb és alkatrész igényesebb is. De sokkal szebben szól és nagyobb teljesítményű.

TaTa
(#) Carter válasza tatabike hozzászólására (») Jan 18, 2008 /
 
Ez a 4x35W jó poén
Az STK nekem is jobban bejön
(#) nrgie válasza pb hozzászólására (») Jan 18, 2008 /
 
Szerintem ezek a képek önmagukért beszélnek

http://www.elektronika.lt/tips/theme/188/322/print/

trabant vs. mercedes kérdéskör....
(#) Hubo hozzászólása Márc 11, 2008 /
 
Sziasztok! szeretném megépíteni a TDA7384 es hangcuccot! idig volt szerencsém a TDA2003 ashoz 2030hoz és a 1554Q-hoz ez a 7384 a leégett autorádiomba volt és kiszedtem szeretném felhasználni! esetleg valaki nyákrajzot és beültetésit tudna küldeni? ami nem a leírásában van! azaz nem az eredetit szeretném hanem ha van valakinek akkor örülnék ha el tudná küldeni! előre is köszönöm! ha nem akkor megpróbálom ebből egcsinálni!ÜDV
(#) janikiraly válasza szabi83 hozzászólására (») Nov 11, 2008 /
 
Kedves szabi83. A 2 párhuzamosan vagy akár sorosan kötött 4 ohmos hangszóró eredő ellenállása sose lesz 2 ohmos. Erre egy példa: Az erősítő belső ellenállása is 4 ohmos lesz 1 rákapcsolt hangszóró esetén, mivel illesztett állapotban lesz. Ilyenkor ha a kimenőfeszültség pl. állandó 8 Volt, akkor I=U/R, ezért az áram 1A lesz=> a kimenő teljesítmény így P=I^2×R=4W.
Ha azonban 2 hangszórót párhuzamosan kötsz rá, akkor I=8V/12 ohm=2/3 A. P=I^2×R szintén, vagyis 32/9 W, ami kisebb, mint 4W. Ugyanez az az eset, ha sorosan kötöd a hangszórókat: I=8V/6 ohm=4/3 ohm. P=16/9×2= 32/9 W < 4 W.
Szóval nem tudsz 2db 4 ohmos hangszóróval sem akkora teljesítményt kivenni az erősítőből, mint 1db 2ohmossal.
(#) lapose válasza janikiraly hozzászólására (») Nov 11, 2008 /
 
Szia!
Bár nem nekem írtad a hozzászólást de!

Idézet:
„mivel illesztett állapotban lesz.”


Egy végfok sosincs illesztett állapotban! Durván felül van illesztve(Rki közel 0 ohm!)!
A többi sajnos innentől kezdve értelmetlen!
Csak egy példa: Ha egy valós feszültségforrást illesztve terhelünk(Rki=Rbe) a kimeneti feszültsége a felére csökken!
Olyanról pedig vitázni is felesleges, ami az elektronikai törvények megcsúfolását jelentik!
Javaslom nézd át az elektronikai törvényeket(pl.Kirchoff és különös tekintettel az OHM törvényét) és utána térjünk vissza rá!
(#) janikiraly hozzászólása Nov 18, 2008 /
 
Akk a BMF-es villanytan tanár rosszul mondta. Nem én találtam ki hidd el, mi is csodálkoztunk rajta. Namindegy akk bocsesz.
(#) HA3GX hozzászólása Feb 2, 2011 /
 
Sziasztok!

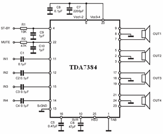
A csatolt rajzon a :
11,12,14,15,16,6-20, lábakra tehetek 1µF-ot?

Köszönöm!
(#) David 3g hozzászólása Márc 28, 2011 /
 
Sziasztok. Az lenne a kérdésem hogy mai nap csinálgattam egy TDA7386-ot ami ugyan ez csak többet tud ugyebár. Na most valószínű hogy az 1-es -re rákötöttem a 12V -ot és ugye a földek bevoltak kötve de a 6-20-as láb is és hát semmi baja kívülről az Ic-nek de nem szól. Valószínű hogy annyi lett neki?
(#) Balika995 hozzászólása Dec 3, 2011 /
 
Nekem is ugyan ez a probléma mint David 3g nek minden jol van bekötve csak egyáltalán nem müködik. Rákötöttem 12 voltot a kimnetre pedig 2db(15 w 4ohm-os hangfalat) és nem müködik pedig a pdf ben azt irja hogy 12 volton 15 wattot ad le. lehet az a hiba hogy 4 hangfalat kellene rá kötni ???? aki tudja hogy mi a hiba PLEASE küldjön valami segitséget
(#) titi válasza Balika995 hozzászólására (») Dec 3, 2011 /
 
Tudsz képet mutatni a panel mindkét oldaláról?
St-by, mute be van kötve?
(#) lalabody hozzászólása Feb 19, 2012 /
 
Jo estét én érdeklődni szeretnék hogy valaki nem e tudna nekem küldeni egy TDA7384-es erősítő nyáktervet? A segítséget előre is köszönöm
(#) Gabó válasza lalabody hozzászólására (») Feb 19, 2012 /
 
A pdf-be van nyákterv. Nem a legjobb, de alapnak jó lehet!

TDA7384.pdf
    
Következő: »»   2 / 4
Bejelentkezés

Belépés

Hirdetés
XDT.hu
Az oldalon sütiket használunk a helyes működéshez. Bővebb információt az adatvédelmi szabályzatban olvashatsz. Megértettem