Fórum témák
» Több friss téma |
- Ez a felület kizárólag, az elektronikában kezdők kérdéseinek van fenntartva és nem elfelejtve, hogy hobbielektronika a fórumunk!
- Ami tehát azt jelenti, hogy a nagymama bevásárlását nem itt beszéljük meg, ill. ez nem üzenőfal! - Kerülendő az olyan kérdés, amit egy másik meglévő (több mint 17000 van), témában kellene kitárgyalni! - És végül büntetés terhe mellett kerülendő az MSN és egyéb szleng, a magyar helyesírás mellőzése, beleértve a mondateleji nagybetűket is!
majd keszitek egy rajzot, h h mertem kesobb
Hali
Engem távközlés technikai átszámítás érdekelne. Pl ower 100 dBmV érdekelne 75 ohmon lezárva mekkora teljesítmény (mW), mekkora feszültség esetleg(mV)?Senki nem tudta megmondnani az átváltást, meg mérni sem tom, síma müszerrel, mert tul nagy a freki Itt dolgozom kábeltvnél s ég a pofám h nem tom, s senki nem tudja, meg szeretnék egy végfokot rátenni egyok modulátorra, és nem tom hogy menyi tud mW-ba, mert rf végek ugy kérik bemenetre.Sokat segítene szerintem másnak is pl akik videonak a modulátorát akarnák erősíteni, mert az is 60dBmV ot ad le.szakik ide nekem a segítséget!! Köszi
kudarc kudarc hatan... megcsinaltam a TDA2030A vegerositot.. nem mukodott.. leellenoriztem mindent, h jol kotottem be, volt egy-ket hiba, jelzem, h a rajzon az egyik elko rosszul van bekotve es nalam pl. melegedni kezdett.., de megforditottam es ment, szoval azokat kijavitottam es tobbszor is atneztem, h van-e benne hiba, de jol van osszekotve, nem er semmi semmihez (foloslegesen....
:dead .. A problema az, h megprobaltam beuzemelni.. na igen szoval nem ment.. meg egy-ket dolgot megprobalok, mert azert nem minden simmelt, pl. a tapegyseg egy egyszeru .. hm, ilyen sokcsatlakozos 12 voltos tap..(pl. jack dugo, ugy kotottem be az erositobe, h az egyik jacket a fold es U+, a masik jacknek a + reszet az U- -ba) Lehet, h ez a baj, de nem valoszinu, mert amikor hozzaertem az erintkezokhoz, akkor a hangszoron hallottam a "pukk"-ot... a baj inkabb az, h rakotottem az mp3-am, ami azert sztem egesz nagy jelet ad le, de meg az erintesnel sem hallottam semmit.... probalkozom meg.. mar tegnap 6ora ota foglalkozom vele, mar hajnali ketto =D...... szoval kesz, feladom most. Talan elozo eleteben kiment az ic es most azert nem muxik??? =ss vagy kotelezo egy eloerosito? DE HAT mp3 lejatszoooooo...... ffaaak, utcai faaaaak =DD... kezdek megorulni ![]() ja es ez meg mindig a typical application resz ROGTON az elelejen TDA2030A Csatolmány linkelve a katalógusból. szabi83
A 100dB feszütség esetén 10^5-en szorzót jelent (100/20). Ha ezt beszorzod az alapot jelentő 1mV-tal, akkor kijön, hogy 100V. Ez nem kevés, de ugyis csak egy példa. Ez 75 ohmon 133W teljesítményt jelent. Nem kevés RF teljesítmény
ez helyes igy, ugye?
a, van egyszerubb is, csak mindig tul bonyolult dolgokra gondolok, megvan eggyel is.. =D.. bocsi
Ez nem jó.
Ha megnézed a rajzot, akkor a pirossal jelölt útvonalon egyik félperiódusban rövidre zárod a trafót. A megoldás, hogy csak egy graetz hidat teszel bele a trafó két távolabbi kivezetésére. Így a trafó középső lába a GND, a graetz két vége pedig a + és - .
=D remek, szuper, megy, mint allat, ugy remeg az asztal, mintha nem lenne osszecsavarozva =DD
koszi minden segitseget!!!
Iamrob:
szerintem valami nem stimm.Sokkal kisebb teljesítmény, feszültség. Alapba a kábeltv-s erősítő 70v váltóról mén ![]() És 100-105 dBmV a kimenő szintje szerintem a tv be a szabvány a 60 dBmV és tuti nincs több 1V nál ez az érték.Tettem izzót a 100db re is 4,5V ost és be sem parazslott.De azért köszi, még olvasgatok utána.
És még abbol is gondolom h kevesebb mert egy tv antennán is lehet mérni 60-80dB-t vagy többet , helyi adónál és az nagyon kevés fesz kevés telejsítmény tud létrejönni az aluminiumon
.
Nem lehet, hogy dBuV az alap? Izzóval szerintem amúgy sem lehet megállapítani ilyen frekin semmit. Egyrészt a skin hatás miatt, másrészt meg a szórt kapacítás és induktivitás miatt.
Esetleg próbáld meg valami nagyfrekis dióda után szűrni egy RC taggal a kijövő jelet minél rövidebb lábakat hagyva, és a C tagon mérj egyent, hátha... Amúgy a 70V váltó pont 100V egyen , egyébként én sem hiszem, hogy 100V jönne a spárgán...
Most már én sem tom, de szerintem ihazad van tényleg mikroV.
Nincs nálam a müszer, van 2 is de csak dB-be tud mérni, de amint megnézed a másik topicot,: (Állítható értékű csillapítás kábeltévéhez), a programok dBmV -ba adták meg, értékeket.Holnap megnézem müszereket, valami nem stimm az tuti .
Láttam olyat, hogy egy hangszórómégnes súlya: 30 Oz!!!
Az meg mit jelent???? Mondjatok el róla mindent, amit lehet tudni! Érdekel köszi!
az elejen en is neztem > itt a segitseg >> http://curezone.com/conversions.asp
Az az uncia (ounce). És nem a súlya, hanem a tömege!!!!
es ez jo?
BMP-t, nem szeressük, legyélszíves jpg-t v. gif-t használni. szabi83
Sziasztok!
Mi a különbség a kerámia, és a kerámia miltilayer kondenzátorok között? Deniel
Benne van a nevében, multilayer=többrétegű! Olyan, mintha több kondit sorba kötnél! Persze bizonyára van több tulajdonsága is, amiben másabb, mint a sima kerámia kondi.
És akkor jobb mint a sima?
Műszerbe érdemesebb ilyet venni? Deniel
nem sorba, párhuzamosan!! (akkor adódik össze a kapacításuk):yes:
Ugyan ezt (pontosabban hasonló megoldást) szerkesztettem, de nem egy, hanem két trafóval.
A trafók 24V-osak, a kimenetükön alapból 27V ~ mérhető. Az egyik lábukat összekötöttem, az lett a "közös" pont, a két végre tettem a Graetz-et. Így viszont a közös pont és a Graetz egyik, illetve másik kimenete között csak +/- 12V = jelenik meg. Mit csináltam rosszul? Vagy nem így kellett volna?
Próbáld meg felcserélni, az egyik trafó két kimenetét.
Ha úgy sem, akkor rajzold le, hogy mit csináltál, habár leírásod alapján jól kötötted.
Hi!
Feszültségszab kapcsolóüzemű táppal topicba tettem egy nyákrajzot, egy korábbi kapcsirol, azt valaki, aki ért hozá, nem nézné meg nekem, hogy helyes-e? THX: ---ZoLee---
Köszi a tippet, bejött!
Valóban ez volt a baj!
Felvilágosítottak, bár nem hiszek benne tutira.:
100dBuV=40dBmV=100mV 120dBuV=60dBmV 1mV=0dBmV 1uV=0dBuV Mert: 20dB az 10x 40dB az 10*10x 60dB az 10*10*10x Szal modem 60dBmV al tol akkor az 120dBuV. Viszonyítás, 60dBuV a szabvány képnek, aszem Szerintetek?
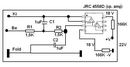
Nekem is lenne egy elég kezdő kérdésem. Építettem egy TFDS4500 alapú IrDA adóvevőt, már csak be kell dobozolni. Van is egy dobozom, ami pont jó neki, csak már bele van építve 2db kapcsoló, ezek helyét pedig nem igazán lehetne esztétikusan letakarni.
Namost az egyiket be lehet kötni az érzékenységet állító bemenetre, ezzel nincs baj. A másiknak viszont nem találok jobb funkciót, mint a kommunikáció letiltása. Kérdésem az lenne, hogy létezik-e utóbbira valami "egészséges" megoldás, ami bekapcsolt gép mellett is biztonságosan használható? Az áramkör kapcs.rajza: http://www.infrarotport.de/alles_plan.GIF
Sziasztok
Tudna valaki mellékelni egy max20 wattos a-osztályu erősítőt ami megfelelő hangminőséget nyújt elég lenne a kapcsrajz is .Nézegettem a Linsley-t de van amelyik érték nem teljesen látszik, előre is köszönöm ! Hello Krisz
Ajánlom figyelmedbe a JLH topikot!
|
Bejelentkezés
Hirdetés |




ower 100 dBmV érdekelne 75 ohmon lezárva mekkora teljesítmény (mW), mekkora feszültség esetleg(mV)?
Itt dolgozom kábeltvnél s ég a pofám h nem tom, s senki nem tudja, meg szeretnék egy végfokot rátenni egyok modulátorra, és nem tom hogy menyi tud mW-ba, mert rf végek ugy kérik bemenetre.Sokat segítene szerintem másnak is pl akik videonak a modulátorát akarnák erősíteni, mert az is 60dBmV ot ad le.
Köszi
:dead



. 
, kipróbálom, aztán írok!





