Fórum témák
» Több friss téma |
Fórum » Inverteres hegesztőtrafó
Amint írtam a 7-8-9. oldal, a 10. oldalon van a kistrafó tekercselési leírása a 11. oldalon vannak képek a nagyobbik gépről,de javasolnám,hogy olvasd át ezt a fórumot,hallgasd meg a kollégák hozzászólásait is!Nekem sem volt szkópom,de mégis belefogtam az építésbe,csak követni kell a rajzot hűen,akkor van esély a szerencsés építésre!!
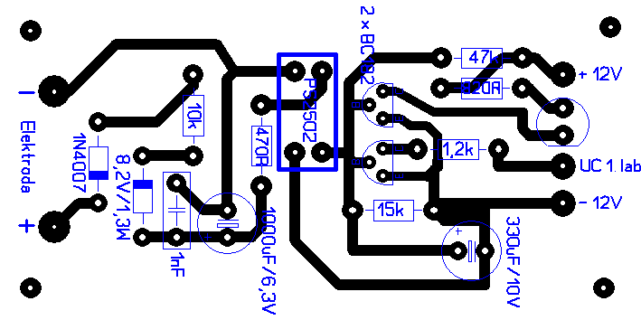
Gábor, szeretném ha átnéznéd a rajzokat, mert nem tudom, hogy hová hány Wattos ellenállásokat tegyek. A vezérlőpanelen ahol nincs megadva a Watt, ott 0,125W-re gondoltam. Mondjuk ha nem tudok szerezni 0.125W-s ellenállásokat nagyobbat rakhatok, csak kisebb ne legyen??? Ja a lágy indító Rele lehet 7A-s vagy muszáj 20A-s? Kocsi rele nem lehet? Valamit még akartam de elfelejtettem
Sziasztok! Szeretnék tanácsot kérni ferrit ügyben. Írtam a Tali bt-nek régebben (lassan két hónapja), hogy adott paraméterű ferrit mennyibe kerülne. Azóta sem válaszoltak, pedig a levelet elolvasták, ezt a levelezőrendszer visszajelezte. Van valami ötletetek, hogy miért nem válaszolnak, vagy honnan máshonnan lehetne ferritet beszerezni?
vagy Bővebben: Link
Köszönöm a linkeket, Lom.ex azért nem jó most, mert nincsen olyan ferrit ami kellene. Még egyszer írtam a Tali Bt-nek, remélem válaszolnak!
Köszönöm a választ,még annyit kérdeznék hogy a Macinak és a Bocsnak mekkora az áramfelvétele a hálózatból? És ha nem túl nagy kérés akkor leírnád nagyvonalakban a működésüket?Vagy hol tudnék erről bővebben informálódni? mert nem kezdek bele amíg nagyjából nem értem meg a működését.
Köszi előre is . Bocs hogy ennyit kérdezek csak nem akarom elbaltázni mivel elég drágák az alkatrészek hozzá.
Ahol nincs watt szám oda jó a 0,125W ellenállás,vagy "nagyobb".A kocsi relének nincs akkora szigetelési ellenállása szerintem,nem javaslom,a 7A relé nagyon kevés (!) és a 10A reléből is kettőt tettem (Bocs) ,nem szerencsés,de ez volt,kell a 20 vagy 16A relé!Antistick,ha a diódán a csík (1N4007) a pozitív akkor fordítva van!A zéner felé mutasson a pozitív oldala!A főpanel terv jó,most az alkatrészek a nyomtatási oldalra kerülnek,kivéve az IGBT-k és a HFA diódák,ezeket így sokkal könnyebb lesz beforrasztani,de forrasztás előtt csavarozd fel őket a hűtőbordára a SZIGETELÉSSEL együtt,a borda és panel távtartók is legyenek bent!A forrasztási oldalra kerülő alkatrészeket úgy rakd be,hogy még véletlen se érjenek hozzá az alattuk futó vezető sávhoz!
Meg kell hogy mondjam,szép munka,minden elismerésem!! Ezeket a terveket én is menteni fogom engedelmeddel!
A kisebbik gép kb. 10A áramot a nagyobbik,ha 160A kivitel akkor elérheti a 25A áram felvételt is,itt a 130A visszabutított változat van fent,de a poti felső ellenállását kicserélve 1,8k helyett 1,3k-ra a 160A elérhető.
A kapcsoló üzemű tápokról a neten találsz sok-sok infót,közelebbit nem tudok,talán a fórumtársak tudnak segíteni! Működés,de csak nagyon röviden! Bekapcsolás után az ellenálláson és gréchidon keresztül töltődni kezdenek a kondenzátorok,ezzel egy időben tápfeszt kapnak az ick is.Rövid idő múlva a relé rövidre zárja a lágy indító ellenállást,mind két 555-ös engedélyezi UC3845 működését,,kimenetén megjelenik a beállított kitöltésnek és a frekvenciának megfelelő négyszög jel (nem lehet 0 és nem éri el az 50% kitöltést,f=35-40kHz) ami az IRF540 fettel meghajtott trafón keresztül egyszerre nyitja és zárja az alsó és felső ágban lévő IGBT-ket,ezek kapcsolják a főtrafót a kb. +310V feszültségre,ez által fesz indukálódik a szekunder oldalon,ami egyenirányítás után a kimenetre jut.A kimeneten lévő ellenállás mint előterhelés kb. 45V-ra állítja be az üres járási feszt ami terhelés hatására leesik a heg. fesznek megfelelően.A főtrafó primer körében van egy áramváltó,ez biztosítja az elektronikán keresztül,hogy állandó maradjon a beállításnak megfelelően a kimenő áram.A hővédelem felelős azért,hogy a megszabott érték felett leállítsa a gép vezérlését majd azt vissza is kapcsolja amikor a gép vissza hűl.Az antistick áramkör pálca leragadáskor vagy a kimenet zárlatakor lekorlátozza a kimenő áramot és a zárlat megszűnéséig ott is tartja a gépet. Nagyon röviden ennyi lenne,egyébként biblia méretű,a kollégák kiegészítenek,vagy kijavítanak,ha szükséges.
Köszönöm,így már világosabb a kép
Sosem használtam még IGBT-ket. És még annyi hogy ár-érték arányban melyiket érdemesebb megépítenem? Nem ipari használatra kéne csak alkalomszerűen,havonta pár órát menne csak.
Gábor!
Az lenne a kérdésem, hogy annak a ferritnek (írtad hogy az ETD59-et mással helyzetesítetted), amivel a "BOCS"-ot készítetted menyi az ablakkeresztmetszete (esetleg típusa) és a kapcsoláson megadott átmérőjű huzallal tekerted? Kösz: P István
A nagyobbik gépet javasolnám inkább,jobban bírja az üzemet,jobb a bekapcsolási ideje és nem olyan sokkal kerül többe,hogy ez mennyi (?) ,a két ferrit trafó ár különbözete, +2 db. 60APU dióda,nagyobb hűtőborda és erősebb grc híd (KBPC5010),a többi filléres.Nem is ipari gép,de otthon barkácsolásra,szakaszos üzemben megfelelő.
Az IGBT-től nem kell félni,ez egy szigetelt kapus nagy fesz. és áramú tranzisztor,találóan magyarázták nekem is anno,olyan mintha a fetet és a tranzisztort keresztezték volna,ez nem teljesen igaz,de találó.
Hát most jót kérdeztél,úgy emlékszem 50 és 65mm a külső méret és 19x19mm az oszlop.A primer 15 szál 0,4mm zománc huzal a szekunder 75 szál 0,39mm, ennyinek mértem a bontott heg. kábel szigeteletlen szálát,ebből van és bandázsszalaggal van szigetelve a szekunder.A magon semmilyen írás nem volt,egy méh telepen találtam.Meg volt tekercselve valami hasonló üzemű, ember nem tudja masina darabban volt.A primerje 54 menet 1,4mm zománc a szekunder azt hiszem 2x2,5 menet az ablakszélességnek megfelelő réz szalag volt (meg kéne mérnem) és 4 db. 45V/120A dióda volt rákötve,fojtónak két böhöm toroid mag egyben,ezen 2 menet kb.16 mm2 vezetékből.
Kössz, igazad van végül is akkor a nagyobbnak állok neki,ha előbb beszereztem az összes vasmagot.
István!
Hoztam én onnét abból a bizonyos hordóból vagy 4 zseb toroidot,az ülep része a gatyámnak a térdemnél volt,még visszamentem 10 pár U57 magért,6 PC ventilátorért (2 db 90mm+rács,4 db 80mm+rács),4 db P3 borda + venti,2 db kapcsoló üzemű kisebb táp (12x6cm),egy zseb 100nF-3µF/400V kondi (sok féle),egy 15x12x4cm hűtőborda matt fekete,egy marék E25 és E30 mm ferritmag,egy rahedli 10-100ohm közötti 5-15W ellenállás,kb. ennyi dióda PC tápokból,meg a jó ég tudja még mi! Volt ott kb. 3-4 nyerges kamionnyi mindenféle elektronikus baszomfasz,TV, rádió,számítógép,ipari elektronika,mittudoménmi!Azért a végén hoztam egy panelt,volt rajta 5 db. 4,5 karakteres LCD kijelző,alibinek jó volt,fizettem érte egy százast.Kicsit sokallottam! :nevetes1:
Hali P_I!
Ismét félreteszem az én szakmai tudásom. A kérdésem az volna, hogy mennyit lehet várni egy helyesen méretezett ETD59-től szerinted? A freki 20kHz ill. 40kHz. Ha a megszokott módon használjuk hegesztő inverterbe.
Mi a megszokott mód nálad?
20 kHz mindenképp kilőve, nagy menetszám --> kis huzalkeresztmetszet, és ha legalább N87-es anyag akkor meg luxus is lenne. Mivel én is csak most akarok vele invertert készíteni, csak az orosz referenciákat tudom én is csak nézni. Gyakorlatban 100A-et kihoznak belőle, azt nem tudtam kideríteni hogy mondjuk 80A-t milyen hegesztés/szünet aránnyal tud. Valószínű a siker nagyban függ a tekercselés kivitelétől, az üzemi frekvencián mutatott ohmos ellenállásától és ez megadott 0,3 huzallal, 40kHz-en számításaim szerint 1,5-szer nagyobb az egyenáramú ellenállásától. Rossz tekercselő huzal választással ez még rosszabb is lehet. Én arra készülök hogy a frekvenciát 50 kHz-re emelem (gyorsabb IGBT) a menetszám 30/9 a sodrat pedig 0,16 huzalból fog készülni (még ki kell kísérletezni milyen keresztmetszet fér rá) -> rövidebb a huzalhossz és nagyobb is a keresztmetszete ez 20-25% ellenállás csökkenést okoz, a vékonyabb huzalból készült sodrat, ha jól kalkulálok további 30-40% ellenálláscsőkkenést okoz, ami ügye arányosan csökkenti a trafó melegedését. A rézlemezen is gondolkodtam, de abból 0,08-as kellene a primernek és max. 0,05-ös szigetelés közé, ez elég esélytelennek tűnik. Üdv: P István
A szakmai élet eddig, szinte csak az ellenütemű inverterekkel sodort össze. Gondolom ez kicsit látszik...
Így (nem rejtegetve hiányosságomat) próbálok tapasztalatot gyűjteni a mágnesesen "egyoldalú" ferrithasználat területén is. Nos ha lehetett, akkor az adatlapokat használtam, bontott anyagnál a készülék születési adataiból és a veszteségek leszámolásával saccoltam, hogy mit tudhatott a mag. Figyelgetve az eddigi írásokat, az egymásnak küldött és egyéb leírásokat, ha a magot hagyom leürülni minden impulzus után, akkor is ideálisan max a felét tudná az ellenütemű használatnak. Szerintem...
Tisztelt Moderátor Urak!
Már jónéhány hozzászólásom elúszott az időkorlát miatt. Teljesen tönkre vágja a gondolat menetem. Lehetne ezen trimmelni?
... én is nekiülök egy kis kalkulációnak...
Ebben úgy látszik nem fogunk egyetérteni: Megnézted a #398215-ös hozzáoszlásomat, illetve a benne lévő linket?
Amit mondasz akkor lenne igaz, ha a ferrit 20kHz fölött is igénybe lenne vehető a telítési indukcióig mindkét irányban, de ez nem így van. Nagyobb frekvencián már korlátozó tényezővé válik a maximális indukcióváltozás nagysága is ami csökken a frekvencia növelésével (de a telitési indukció ugyanaz marad). De már ezeket egyszer leírtam... Úgyhogy marad a véleményeltérésünk, szerintem inkább 1,5 körül van az eltérés. Ha sokáig írsz választ, akkor előbb Ctr+C vel tedd vágólapra hogy megismételhesd. (Nekem a Firefox alatt megjelenik, hogy a hozzászólásom nem került be a fórumba, de ebben az üzenetben benne van a szöveg amit be tudok másolni az ismétlésbe) Üdv.
Nos az én kalkulációmban az ETD59 100mT-val kb. 40kHz-en ad 2600W körüli teljesítményt. Ellenőrzést kérnék...
Hogy kalkuláltál?
Primer feszültség menetszám és keresztmetszet? Szekunder menetszám és keresztmetszet? Áramsűrűség? Gondolom, ellen ütemű. Ezzel számoltál: +-100mT --> deltaB=200mT? Egyébként az ETD59-el készített orosz konstrukció is kb 2600 W-os a forward megoldással és kb 300mT indukcióváltozással
Úgy akarom megcsinálni, hogy az IGBT-k és a HFA15TB60-as diódák legyenek a Nyomtatási oldalon, tudom kinlódni fogok vele egy kicsit, de a tervek is így vannak elkészítve, a beültetési oldalt raktam fel!!!
Nyugodtan mentheted a terveket, hiszen a tieidről vannak készítve, igaz helyenként kicsit módosítva!!! Ha kell felrakom a .lay terveket is és lehet módosítani, ha valakinek nem tetszik úgy ahogyan van!!! Köszönöm a "dicséretet" de azt te érdemled Gábor!!! Lenne itt még valami, felrakok egy pár rajzot, Volt és Amper mérés + hegesztő, ebből a V/A métert hogyan lehetne a Maci hegesztőbe beszerelni?? Ha tud valaki segíteni szóljon!!!
Galád módon a neked küldött pdf-ben szerplő adatot osztottam le a frekvencia arányában.
egyenlőre...Kíváncsi voltam / vagyok , hogy TE milyen eredményre jutsz. Az igaz, hogy a pdf-ben említett érték elméleti Watt, de ha úgy osztom le , hogy a freki csökkenésével nem emelem az indukciót, akkor biztos, hogy nem terhelem túl a magot, igaz, hogy felesleges tartalék maradhat a magban amit érdemes lenne kihasználni. Erre biztos azt mondod: A lusta fráter, még számolni sem hajlandó rendesen. Persze van ilyen-olyan egyszerűbb és bonyolultabb képlet kéznél...
Ha nem haragszol, belenéztem a rajzba. Hát igen. Az oroszok ismét remekeltek. A rajz kicsit emlékeztet: na mi van a fiókban című hobbi építésre. Viszont érdekesen megoldották a szekunder diódák áramelosztását. A fojtó is tanulságos... hogyan készíts egyenáramú, de váltakozó mágneses terű fojtót. És az indító relé helyett a tirisztor... hát nem gyenge ötlet. Szerintem az oroszok cukorka helyett is tirisztort szopogattak gyerekkorukban.
|
Bejelentkezés
Hirdetés |













