Fórum témák
» Több friss téma |
Fórum » Csöves erősítő készítése
Ne feledd betartani a fórum viselkedési szabályait, és a topik megmaradásának feltételeit. [link]
A téma átmenetileg fagyasztva lett, hozzászólni nem tudsz!
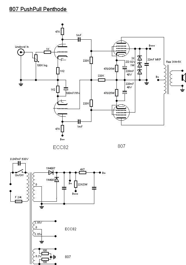
Csak lyukakat el ne felejts rá fúrni a vezetékeknek. Én most 807PP-vel ügyködök. A hálótrafó már megvan de még kapcsolási rajzom sincs hozzá. Valaki kitudna vele segíteni? A fázisfordító ecc83 vagy ef86 az egyenirányítócső meg AZ1 lesz.
1979-es RT évkönyv 110. oldal.
A 807-et jobb lenne katódkövetővel meghajtani a fázisfordító után, pl. ECC82 egyik fele fázisfordító másik fele katódkövető (vagy 6N1P, 6N6P, esetleg ECC81), szerintem az ECC 83 nem túl jó választás ide (vagy úgy, hogy 83-al fázist fordítani 82- vel hajtani a 807-eket katódból).
Az ECC 83 túl nagy belső ellenállású cső ahhoz, hogy közvetlenül tisztességesen meghajtsa a 807-et.
Találtam rajzot. Nemtudom működike demajd ti megmondjátok
A hálótrafónak megfelel ha 2X330-ot tud?A diódák helyett meg AZ1 lesz.
Elég egyszerű! Jó rajz!
Jónak tűnik, de a puding próbája az evés
! AZ1 egy szép nagy cső! A 330V-os trafó jó lesz!Szerk: a kapcsoló (230V) találtam ki valamit: Ha rakok parallel kondit, akkor nem durran akkorát a be/ki kapcsolástól?
Trafóvasak összeszorítására csak réz csavarok jók vagy használhatok acélcsavarokat is?
Rakj műanyagot
! Az biztosan nem mágnesezi magát! Jó hát, de azért a réz jobb!
Márk! hol látsz te a képen Az21-es csövet?
mert én nem látok sehol! :eek2: nem kötöszködni akarok,csak nem látok a képen sehol AZ21-es csövet)
Az1! Milyen képen? A rajzon? Írta, hogy a diódák helyett akar azt rakni!
Arra azért számíts , hogy nagy jelszint kell a bemenetére . Fázisfordító erősítése alacsony és a szimmetriája is kérdéses .
Jó az acél is. Egy pár trafót már szedtem szét átépítés céljából és még mindegyikben acél csavar volt.
Bizony!
Nem semmi feladat igaz mást is csinálok,,de azóta az első szekunder és az első 220as primert tekertem fel.....Szépen végigfurtam aztán igy irom melyk hányas ill kezdő vége.. Pár kép róla,,holnap pedig meló után ismét belebonyolódok
Kivezetések így könnyen letörhetnek tőben és kezdheted előről . Ha szigetelést (teflon , pvc) húznál rá és rögzítenéd csévén belül , sokkal biztonságosabb lehetne .
Ha a furatok egy sorban vannak hogyan fogod kihozni a külső tekercsvégeket?
Én ráadásul úgy vezettem ki a legutóbbi trafóimat, hogy még a csévében vezetéket forrasztottam rá, és a hajlékony szigetelt rézsodronnyal jöttem ki!
Ez így még biztosabb, és nem törhet le a szerelések alatt!
Ahogy a második tekercset megkezdtem rájöttem hogy felfelé jövök :yes: holnapra már másabb lessz...
Úgyis vagy keverőről vagy előfokról kapná majd a jelet .. 775MV csakelégneki..
Sajnos nem , én kb. 4 V eff. szintre saccolom amit ez a kapcsolás kér.
775 MV ??? Ez valami erőmű??? Vagy esetleg 775 mV-ot akartál írni? (m -> milli; M -> Mega)
De azért az a 775 megavolt már elég lenne nem?
Vékony vezetékeket én is úgy csinálom .
Kimenő tekercselésnél is , de ott a cséve egyik oldálán a primer kivezetéseit a másikoldalán a szek. kivezetéseit két hosszan kivágott résen egymás felett (ahogy a tekercselés adja ) vezetem ki , így a kivezetések sorrendjén látható a tekercsek sorrendje is. Ez még azzal az előnnyel is jár , hogy nem kell számozni és a kezdeti és a végződő kivezetések is jól elkülönülnek és a befejező menethosszak azonosak és szimmetrikusak .
Igen az mv lett volna csak az a fránya caps look..
Én azt mV -nak értelmeztem , ezért is írtam , hogy az tuti , hogy kevés lesz . Persze ha nem kell a teljesítmény akkor azzal is fog szólni ...
Hát, biztos működik, de jó nagy meghajtófesz kell neki.
Itt van egy elég jó 807-es PP rajz, úgy a 30. oldal után van az erősítő leírása, minden adat megvan, amire szükség lehet, érdemes átnézni, ha nem ezt építed, akkor is (ez AB osztályú 75 W-os kiforrott kapcsolás, az első két cső nem kell bele természetesen). 807 adatlap és PP erősítő |
Bejelentkezés
Hirdetés |



A hálótrafónak megfelel ha 2X330-ot tud?A diódák helyett meg AZ1 lesz. 
! AZ1 egy szép nagy cső! A 330V-os trafó jó lesz!
mert én nem látok sehol!
:eek2: nem kötöszködni akarok,csak nem látok a képen sehol AZ21-es csövet)
igaz mást is csinálok,,de azóta az első szekunder és az első 220as primert tekertem fel.....






