Fórum témák
» Több friss téma |
Segítségeteket szeretném kérni! Van egy háromfázisú úgy nevezett Brushless motorom, ez egy modellhajónak a motorja lenne ha tudnák hozzá egy meghajtót építeni. Ebbe kérném segítségeteket! Én valami egyszerű meghajtóra gondoltam 2 tranzisztor meg egy IC, vagy ilyesmi. 12voltról menne. Nem akarok szabályzót venni hozzá, ha van rá mód, mert az 5000Ft-nál kezdődik.
A motor adatai 3 fázisú 1100ford/V És 16ampert is elvisel. Üresjárati áram felvétel 1,2A 3 szál jön ki belőle, szerintem el van kötve csillagba. Előre is köszönöm!
Na ez jó, én is ezzel foglalkoztam 2 hónapja, elvettettem az egészet mert beleőrültem a programozásba. Igaz én nem modellmotort hajtottam meg, hanem winchester háromfázisú motorját, de tök ugyan az szerintem.
Az volt a bjom, hogy nem tudtam normálisan érzkeltetni azt a vezérlővel hogy hol áll a motornak a mágnesei. Ugyebár elektromágneses indukció elvén érzékelte is csak én nem tudtam jól megcsinálni. Sokat foglalkoztam vele aztán elvetettem, egy sebbességnél akár mennyire lassan gyorsítottam megállt és elkezdett sípolni a motor. Itt van egy kapcsolás, hogyan csinálták ezt meg mások, de persze progit azt nem adtak http://static.rcgroups.com/forums/attachments/1/3/0/6/7/a96180-97-b...s3.gif Ha érdekel az én nyákom, persze az nem ugyanolyan mint ez, akkor felteszem... Ant
A fordulat számát nem akarom szabályozni. Nekem az is elég lenne hogy ha fix fordulaton menne. Csak mennyen.
Á, megérettem miért símpolt az a motor, mert én hirtelen adtam rá nagy feszt, ez a kapcsolás, meg darabokban adogatja.
Kössz, megvan a hiba, igaz ezt a topikot, nem én nyitottam, de
Üdv!
Íme itt jó kis brushless kontroller AT90S2313es mC-vel, nyáktervvel, nyílt forráskóddal. http://home.versanet.de/~b-konze/blmc_bko/blmc_en.htm Ha hajóba kell, a Furthermore projects... linken találsz egyet, ami tud hátramenetet is.
vettem egy ilyen brushless szabályzót:
ezzel kapcsolatba az lenne a kérdésem hogy van rajta 3 vékony szál azzal mit kell csinálni, vagy mit kell rá kötni, hogy mennyen a motor?
Helló, amit a baloldalon látsz 3 szál sárga vezetéket azok mennek a brushless mocihoz. A jobboldali piros, fekete vastag vezeték a tápellátás (akksi). A három egybelévő vékony vezeték pedig a vevőbe megy (álltalában a 3. csatornára kell kötni), ez szolgáltatja a szervók, és a vevő tápellátását.
Azt tom hogy a vevőbe megy de ott milyen feszt kap??? vagy mi a lábkiosztása a vevőnek? nekem ez a szabályzó nem modelbe kéne most, mást hajtana, ezért kéne az hogy melyik szál micsoda??
Az a 3 egybelévő vezeték nem csak a vevő tápellátását biztosítja, hanem a harmdik vezetéken a szabályzó kapja a vezérlést a vevőtől. Itt nem egy konkrét feszültség jelenik meg, hanem egy rakat impulzus. És ebből a vezérlő tudja hogy mi a dolga. Ezt csak így, vevő nélkül nem lesz egyszerű elindítani...
Egy szálon PPM jeleket kap.
A vevőnek pedig 5V-os és persze GND-t ad. Ilyen PPM vezérlőket piccel lehet csinyálni.
Egy brushless szabályzó meg egy vevő vagy valami szervóteszter.
Nem rc modellbe akarom vagy, csak naturban megpörgetni, akkor is kell szabályzó?
Hi all!
Kezembeakadt egy ilyen motor (DVD író lemezforgató motorja), és gondoltam, ha már itt van megpróbálom meghajtani... De ahogy olvasgattam impulzusgenerátor nélkül el sem indul... De ahogy olvasgatom itt a topicot kezdem úgyérezni nagy falat lesz ez nekem... De amiért írok egy kérdés: Ha teljesen szabályzás nélkül, csak meg akarom forgatni (a sebesség, fordulatszám, teljesen mindegy) akkor lehetséges úgy megoldani, hogy rákötöm a kivezetéseit egy astabilra? Úgy képzeltem el, hogy pl itt az oldalon a 2 ledes villogó, csak a ledek helyére bekötöm a motor kivezetéseit, a közös kivezetésra pedig teszek 1-1 diódát, hogy ne lehessen visszaáram... Ez így működhet? Ha hülyeség ne kövezzetek meg, mert kezdő vagyok és ez csak ötlet szintjén fordult meg a fejemben
Elég régóta modellezek és látom itt a topicon, hogy van akinek teljes a képzavar. Megpróbálom leírni, hogy mi is ami a kezetekbe került :
1, Normál (kefés) motor : A egyenfeszültséget rákapcsolva a két pólusára a motor forogni kezd. A polaritással és a feszültség nagyságával szabályozható az forgás irány és a forgási sebesség. A vezérlést maga a motor végzi (kommutátorok segítségével). Egyszerű, nem kell a működéséhez semmi más. Hátrány, hogy a szénkefe a surlódás miatt kopik. 2/a, 3 fázisú (brushless) motor : A motorban nincs semmi más mint egy csomó mágnes és tekercs. A tekercsek 3 csoportban vannak összefogva. A motornak nincsen semmilyen belső elektronikája. Ahhoz, hogy forgásra bírjuk a szerkezetet egy elektronikával el kell érni, hogy a tekercseken forgó mágneses tér jelenjen meg ami "húzza" magával mágneseket és így forog a motor. Ez azt jelenti, hogy a vezérlő részt kívűről kell a motorhoz kapcsolni. 2/b, 3 fázisú, helyzet érzékelős (brushless) motor : A mágneseken és a tekercseken kívül még 3 mágneses érzékelő elem (HAL) is van benne. Ehhez is kell külső elektronika, de ez még bonyolultabb, mert a HAL-ok alapján tudja az elektronika hogy éppen hol áll a forgó rész és melyik tekercsekre kell kapcsolni a feszültséget. Kicsit bonyolultabb a motor vezérlése, de nincs surlódó alkatrész (nincs kopás) és 80-90% körül van a motor hatásfoka ami modelleknél nem elhanyagolható. Ez azt jelenti, hogy ne is próbáljatok meg direktbe rákapcsolni bármit is a háromfázisú motor kivezetésére, mert ha nincs szerencsétek akkor még az egyik vagy másik tekercscsomagot is le lehet égetni (rövidrezárja az akkut) és onnan kezdve soha nem is lehet elindítani a motort.
Had kérjek segítséget. Milyan jelet kell a rákötni a a szabályzó vezérlő bemenetére. Van egy piros +5V feket GND és fehér a vezérlés gondolom. Nekem ennek vezérlő jelnek a specifikációja kellene. Esetleg ez ugyan olyan jel mint a szervoknak 1-2 ms ig terjedő jele ? Tehát 1.5 ms alaphelyzet 1 ms egyik irányba forog 2 ms a mási irányba forog. Ha igen ez esetleg azt jelenti, down állás az egyik vége a up a másik vége és a 1.5 ms pedig a közepe?
Előre is köszönöm. Károly
Engem is érdekel a téma. Kborzok által megfogalmazott kérdés és még egy golog ha én veszek egy 18A Brushless szabályzót és 3 nagyobb Fettel meglehet növelni a terhelhetőségét ?
Az a 18A nem csak a FET-eken múlik, hiszen nem a FET korlátoz,hanem a védelem.
Ugyan olyan jel kell neki, mint a szervóknak, jól írtad. Viszont a 1,5 ms az nem alaphelyzet, hanem a félgáz.
Az ilyen brushless mtorok szabályzói nem váltanak irányt, mindig csak egy irányban hajták meg a motort. Ezt a vezérléssel nem tudod megváltoztatni. A forgásirányt úgy lehet megváltoztatni, hogy a motor 3 vezetéke közül bármely kettőt felcseréled. A FET-es teljesítménynöveléssel én nem próbálkoznék, ma már nem túl nagy összeg 50-60 amperes (vagy nagyobb) szabályzó sem. Nem érdemes házilag gányolni.
Sziasztok,
én is foglalkozom BLDC motorokal, részben hivatásból.Van ugye a kimondott BLDC motor, és a PMSM.(Permanent Magnet Syncron Motor) A két típus tudomásom szerint tulajdonképpen csak a vezérlőjelében tér el egymástól.A BLDC-t jellemzően 6 lépéses vezérléssel hajtják, egyidőben két tekercset vezérelve, a harmadik "lebeg".Ezeknek a motoroknak a BEMF jelalakja tudomásom szerint trapéz alakú. Aztán van a PMSM, amit szinuszjellel kell vezérelni, ez számos előnnyel jár, pl kisebb zaj, kisebb nyomaték hullámosság, jobb hatásfok.A BEMF szinusz alakú. Az, hogy egy motor BLDC vagy PMSM azt az dönti el, hogy milyen belül a tekercsrészek összekötése, a légrés kialakítása, stb. A BEMF jelalak oszcilloszkóppal ellenőrizhető.Minden motor azzal a jelalakkal vezérelve hozza a "legjobb formáját", amilyen az általa szolgáltatott BEMF jelalak. Most nekem az lenne a kérdésem, hogy ez a BEMF jelalak hogy mérendő?Az rendben, hogy oszcilloszkóppal, de kell valamilyen gerjesztést adni a motorra? Vagy csak símán megpörgetni, és úgy mérni? Kell terhelést kapcsolni a tekercsekre? Ezt azért kérdezem, mert az egyik motoromra azt mondta a gyártó, hogy trapéz a BEMF, de megnéztem, és tökéletes szinuszt ad ki. Várom hozzáértők véleményét az ügyben. üdv
Hali mindenkinek!
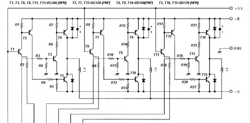
Szeretnék építeni egy brushless motor vezérlőt. A Cél IC rendelkezésre áll, csak az alkatrészek értékei nincsenek meg :no: A kapcsolás ez lenne (a 6. oldalon a kapcsolás). Evvel szeretnék egy bivaly erős brushless motort meghajtani. Ha jól veszem ki 3Hall elemet kell bele kötnöm? A motorban van 4 is, így az nem gond. Nekem csak az R és a C értékek a gondok. Valamint azok, hogy a kapcsolók mik Valamint, a forgási sebességhez arányos PWM jelet kell adnom neki? Előre is köszönöm!
Szia C27!
Ezzel a TA7712P áramkörrel elég nehéz lesz összehozni a motormeghajtót. Túl sok külső áramköri elem kell hozzá, és többféle tápfesz. Az IC-hez kapcsolódó áramköri példakapcsolásból kiragadtam a külső á.k. részletét, és az alkatrészek jó részét megjelöltem. (A tranzisztorokat már be is azonosítottam Neked). Az ilyen példakapcsolások csak arra jók, hogy szemléltessék az áramkör működését. Én nem ragaszkodnék ehhez a z IC-hez, inkább egy komplex meghajtót kellene kiválasztani, amely tartalmaz minden áramköri elemet, amely a motor meghajtásához kell. Pl.: egy Capstan, vagy videó-fejmotor meghajtó áramköre). Itt az kiemelt részlet.
Szia Janocsi.
Akkor a motor nem menne simán 24V-ról? Én azt hittem a +B és -B vcc és gnd jelölés. Említetted az MP6901-et ott nem kell szimmetrikus táp akkor ennyi erővel elég lenne egy olyan ic vagy az azt kiváltó kapcsolás nem? Én nem akarom szimmetrikus tápról hajtani a bldc motort elég macerás. Szerintem valahogy akkor másképp kéne megoldani mint a 11. oldalon. A vezérlő többi részének mennie kéne csak ez a tranyós rész macerás. (Még egy kérdés, hogy van ugye a stop, forgásirány és fék funkció ezeket Vcc és gnd vagy elég Vcc és üresen hagyva kapcsolni? Elvileg 4V a H és a L <1V azt hiszem szóval a kérdés kell e a gnd?)> |
Bejelentkezés
Hirdetés |






