Fórum témák
» Több friss téma |
- Ez a felület kizárólag, az elektronikában kezdők kérdéseinek van fenntartva és nem elfelejtve, hogy hobbielektronika a fórumunk!
- Ami tehát azt jelenti, hogy a nagymama bevásárlását nem itt beszéljük meg, ill. ez nem üzenőfal! - Kerülendő az olyan kérdés, amit egy másik meglévő (több mint 17000 van), témában kellene kitárgyalni! - És végül büntetés terhe mellett kerülendő az MSN és egyéb szleng, a magyar helyesírás mellőzése, beleértve a mondateleji nagybetűket is!
Sziasztok szakik.
Bocs az off-ért. Egy kérdésem lenne egy "A" oszt. "Nelson Pass" féle kapcsi ill.nyákrajzról. 1983-as RT-ben van és megtetszett. Azt hiszem sajna direkt félrevezetik az olvasót mert itt nem igazán passzol egyméshoz a kapcs. ill. nyák-rajz. Most melyik lehet a jó?? Valaki aki ért hozzá legyen szíves segítsen, nézze meg. A fő gondom az,hogy a T3 bázisa a kapcsirajzon egy kondin keresztül megy le a neg. tápra a nyákon meg frankón rá van huzalozva T6 bázisára. Arról nem is beszélve,hogy R4-C2 fel van cserélve egy két dolog meg el van írva de azzal el bírok de ez most kifogott rajtam. Köszike.
Időközben jobban szemügyre vettem a két rajzot.
Egyáltalán nem stimmelnek. Már csak annyi a kérdésem,hogy a kapcsolási rajz jó,azaz működőképes?
Hello! Egy sima FM rádiót áthangoltam, az repűlőkön a pilótákat tudom hallgatni, de vajon Charles Simonyit lehet vele hallani? És az amúgy hány MHz-en jön? Köszi!
Sziasztok!
Sikerült megcsinálnom az alábbi "zajgenerátort", de még növelni szeretném a frekvenciáját, hogy ultrahangot is tudjon képezni. Kérdésem az, hogy lehetséges-e, és hogy ha igen mit változtassak rajta? Kapcsolási rajz a tranyó egy BD136os, a poti pedig 100K-os, az 5ös láb javítva, a C1en megy keresztün a testre. Köszönöm
A gond az, hogy az űrállomás nem geostacioner pályán van, így a földi megfigyelőhöz képest jelentős sebességgel mozog. Amikor a horizont fölé jön pillanatok alatt rá kell állítani az antennát és motoros rendszerrel követni, amíg újra a horizont alá nem megy. Ez a kommunikációs ablak nem túl hosszú.
A jelszint olyan kicsi, hogy mindenképpen nagynyereségű irányított antennát kell használni, amit viszont a karakterisztikája miatt nagyon pontosan célon kell tartani. Tehát: Kel egy antenna, egy forgató, a forgatónak vezérlés és a végére egy rádió. -szerintem- Szerintem érdemes egy klubba elmenni, ahol meghallgathatod. Ha jól gondolom a Műegyetemnek van ilyen felszerelése és rádióklub is van hozzá
Fuhh és ezt hogy tudnám egy sima kisrádióval megcsinálni?
Sehogy. ( használd a válasz gombot! )
Sziasztok. Én egy lelkes kezdő vagyok, szeretnék építeni egy astablil multivibrátort két led villogtatására, majd később ezt szeretném továbbfejleszteni.
A kérdésem a kondenzátorokkal kapcsolatban lenne. Hogyha van olyan kondim ami tételezzük fel 1200µF-es és 25V-s meg egy 1200µF-es ami 15 v-os és én az áramkörömben mondjuk 6V-t használok, akkor lesz érezhető különbség? Azt tudom, hogy a kondinál a feszültség a még legnagyobb rákapcsolható feszültséget jelenti, de ez azt is jelenti, hogy kisebb feszültségen lassabban fog feltölteni vagy hogyan? Válaszotokat előre is nagyon köszönöm.
Ja értem, köszönöm! És azt nem lehet megtudni hogy hány MHz-en jön?
A kondenzátorra írt feszültség azt jelenti, hogy mekkora feszültséget bír ki. A nagyobbnak vastagabb a szigetelése, nagyobb a térfogata.
Mivel mindkettő 6 voltról üzemel, ezért egyformán működnek. Ha az egyik 3 voltos lenne, akkor az zárlatossá válna.
Keresgélj itt a fórumon, van ilyen cikk(Topi írta)!
Igen, meg is találtam elolvastam a legtöbb ilyen cikket, de ott annyit ír csak, hogy az a feszültség, ami még biztonságosan ráköthető károsodás nélkül.
Azt viszont nem tudtam meg belőle, hogy egy 6v-s hálózaton egy 16V-s vagy egy 25V-s kondi között lesz e különbség ugyanolyan kapacitás mellett, de az előző hsz-t elolvasva erre is rájöttem, tehát mostmár bátran merek kötögetni ![]() Köszönöm a segítséget.
Megvilágosodtam, bár közben eszembe jutott a másik kérdés is.. Tranzisztorrol volna szó, szintén az astabil villogtató kapcsán, milyen npn alapú tranzisztort lehet itt használni? Lényegében tök mindegy, csak bírja a feszültséget?? De ott is azért sokféle feltétel van, tehát valamit mégis csak számít milyet is teszek bele nem?
Hello!
Tekintve, hogy az áramkör kapcsolási idejét az R*C időállandó határozza meg: - Ha az elkót időzítő áramkörben alkalmazod, akkor a szivárgási árama befolyásolhatja az áramkört. (Főleg, ha a töltő-kisütő R ellenállás értéke nagy, azaz a töltő-kisütő áram kicsi és így összevethető a szivárgási árammal.) Nagyobb feszültségű elkó szivárgási árama elvileg kisebb, így a nagyobb feszültségű kondi jobb választásnak tűnik. - Nagyobb feszültségű kondinál, a megengedett feszültség változás is nagyobb. Egy egyszerű időzítőben, a katalógus adathoz képest ez "tetemes" is lehet. - Tantál kondenzátorok szivárgási árama egy nagyságrenddel kisebb, mint a sima elkóé. Viszont a legkisebb fordított feszültséget nem tűri, szinte átvezet. üdv! proli007
Sziasztok!
Valaki segitene nekem abban hogy a csatolt képeken melyik ellenállás hány kohm os és hány w os? Köszi elöre is
Sziasztok!
Az lenne a kérdésem,hogy hogyan kell bekötni egy nyomógombot(B3S-1000P),mert akármit néztem,nem értettem,hogy négy lába van a gombomnak de sehol sem ilyen a kapcsolás. Köszönöm!
Szia!
Általában az ilyen nyomogomboknak, csak 2 lába "éles" a legkönnyebben ugy tudod ellenörizni ha multimeterrel a "rövidzárra" kapcsolsz, és az érintkezökre téve a multiméter kábeleit, megnyomod a gombot, ha 0 értéket ad akkor az a két láb a nyerö! Remélem segit
Itt van egy kis segítség.
A teljesítményt nem tudom, a méret és a fajta (szén, fém, stb.) számít. Ha "sima" ellenállásnyi mérete van, akkor 0,25 (szén) és 0,6 (fémréteg) Wattosakat láttam. Illetve láhattam másmilyet is, csak annak meg nem tudom a teljesítményét.
Super köszönöm szépen!
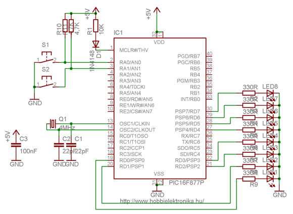
Sziasztok!
Nem akarlak nagyon terhelni titeket de nem tudom értelmezni a rajzon az S1 és S2 gombok előtti ellenállásokat.Miként kell oda beilleszteni azt a 10K-s ellenállást, amit elméletileg a felhúzóellenállásnak hívnak! Szóval azt a részt nem értem a többi megvan. Köszönöm szépen
Azért, hogy a gomb megszakított(nem lenyomott) állapotában a bemenet egy jól meghatározott(itt magas) szintet kapjon.
Csak sejtem, melyik gombra gondolsz, de ezeknek a négylábú panelbe ültethető gomboknak az egyik oldalára eső lábaik össze vannak kötve(rövidzár), így kettesével működnek. A megfelelő lábakat akár átkötésnek is lehet használni egy nyákterven. Egy (nélkülözhetetlen) multiméter szakadásvizsgáló beállításban megmutatja melyik az a két láb.
Heló
Azt szeretném kérdezni hogy a mellékelt kapcsolásban a belső rész ugye a 220VAC ból csinál 24VDC -t! Mert 24Voltor relét húz meg! Az lenne a kérdésem hogy hogyan lehetne megoldani azt hogy 24 helyett 12-14Volt közötti feszültséget hozzak ki belőle? Mit kéne rajta módosítani? Előre köszönöm a segítőkész válaszokat! Heló
Első körben próbáld ki így a 12V-os relével. Ha a relé meghúz úgy, ahogy kell(kis idő múlva), és nem melegszik semmi, akkor készen is vagy. A 12V-os tekercs belső ellenállása kisebb, ezért a fesz is jobban leesik a 220ohm-on. Ha nagyon melegedne az ellenállás, vagy nem húz meg a relé, akkor cseréld ki 110ohm körülire. Ha ekkor sem húz meg, akkor a kondit kell növelni 470n-ra, vagy 550n-ra(egy 220n-t práhuzamba tenni a 330n-val...). Ügyelj rá, hogy az alkatrészek ráznak!
Sziasztok!
Valaki tud egy olyan a kapcsolási rajzot adni vagy valami hasonlót, hogy amire szükségem van: 5VDC a bemenő veszültség és mondjuk egy trimmerrel lehet szabályozni, mondjuk 0-tól 12VDC-ig kb. Terhelhetősége bőven elég 1A, de ha több se baj. Előre is köszönöm! |
Bejelentkezés
Hirdetés |
















