Fórum témák

» Több friss téma
Fórum » Csöves erősítő készítése
 
Témaindító: seedz, idő: Márc 31, 2006
Témakörök:
Ne feledd betartani a fórum viselkedési szabályait, és a topik megmaradásának feltételeit. [link]
A téma átmenetileg fagyasztva lett, hozzászólni nem tudsz!
Lapozás: OK   541 / 2208
(#) Ricsi89 válasza mark.budai hozzászólására (») Ápr 27, 2009
Terhelés nélkül nem is lehet járatni csöves erősítőt. Nem tesz jót a kimenőnek.
(#) mark.budai válasza Ricsi89 hozzászólására (») Ápr 27, 2009
Csak egy kicsit volt terhelés nélkül, amíg átkötöttem normálisabb hangszóróra, de rossz vezetéket találtam, aztán nem szólt vele. Most jut eszembe, hogy a PCL-nél is szólt terhelés nélkül a kimenő, csak akkor még nem tudtam, hogy mi szól.
(#) sturbi válasza CHZ hozzászólására (») Ápr 27, 2009
Ez az adatlap lelhető fel róla:6Ж9Г-В
(#) EcoPityu válasza Ricsi89 hozzászólására (») Ápr 27, 2009
Egyépként én ezt az előterhelés nélkül ne járatsd dolgot, sokszor csak ijesztgetésnek vélem.../bár én is rakok mindig egy 100ohm-osat a kimenetre.../
Nem tudom, hogy egy soronként szigetelt kimenő, hogy a fenébe tudna belül áthúzni, amikor a suliban tekert mezei hálózati trafóinkat 10000v-al teszteltük, átütésvizsgálóval, és semmi bajuk nem lett...
A csöveket meg azért anyira nem félteném, nem hiszem, hogy olyan nagy feszültségimpulzus alakulna ki, hogy károsítsa őket..
De akinek van rossz tapasztalata, az megcáfolhat!

/azért csak rakjátok be a 100ohm-osat előterhelésnek, biztos ami ziher/
(#) CHZ válasza sturbi hozzászólására (») Ápr 27, 2009
Köszi , pontosan ezt találtam én is .
(#) rhesus23 válasza sturbi hozzászólására (») Ápr 27, 2009
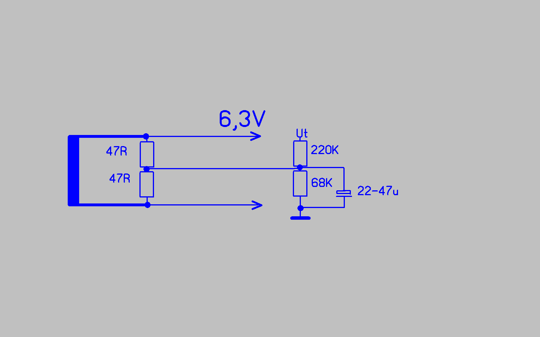
Hova kössem be azt az ellenállást? Van egy rajzom (itt a fórumon tette egyszer fel valaki) a közepelésről, de nem világos hova kössem az Ut-t. Vagy lehet ennél egyszerűbben is?
(#) JZoli válasza rhesus23 hozzászólására (») Ápr 27, 2009
A +Ut az anódfeszültséget jelenti.
(#) rhesus23 válasza JZoli hozzászólására (») Ápr 27, 2009
Nem sok az egy kicsit? :eek2:

És hány voltos legyen a kondi?
(#) Ricsi89 válasza EcoPityu hozzászólására (») Ápr 27, 2009
Én sem tapasztaltam még ilyet, de azért fő a biztonság alapon nem szoktam terhelés nélkül járatni az erősítőt. És így igaz, az az egy 100 Ohm-os ellenállás nem a világ vége, bele lehet rakni, nem egy nagy összeg.
(#) mark.budai válasza rhesus23 hozzászólására (») Ápr 27, 2009
Azért van ott a 220Kohm -os ellenállás.

Van egy potis rajz is. Ezt rajt kell hagyni az áramkörön? (Na, hát ez hülye kérdés volt, úgy gondolom.)
(#) sturbi válasza rhesus23 hozzászólására (») Ápr 27, 2009
Az Ut az a tápfeszre megy (jól szűrt helyre), a két ellenállás fesz osztót képez, aminek az osztáspontján a szükséges feszültség van (az osztót ki kell számolni, a fesz. SRPP-nél általában 60-120 V szokott lenni, a helyzettől föggően), ehhez a feszültséghez kell a kondit méretezni (150 V-os).
Ha nem SRPP fokozatot közepelsz, akkor a két 47 ohm találkozási pontja a testpontra köthető (SRPP-nél is jó így, ha a felső cső katódfesze nem több, mint a csőre megadott katód-fűtés potenciálkülönbség).
(#) kocos válasza rhesus23 hozzászólására (») Ápr 27, 2009
Középiskola 3. osztály megvan már?
(#) sturbi válasza CHZ hozzászólására (») Ápr 27, 2009
Egy érdekes kisfeszültségű kapcsolás (saját).

6zs45.jpg
    
(#) mark.budai válasza sturbi hozzászólására (») Ápr 27, 2009
Ki is próbáltad?
(#) mark.budai hozzászólása Ápr 27, 2009
A hálótrafó kb. 39°C-os, a kezemnél egy kicsit melegebb. Ez jó? Még csak az anódfeszt kapja erről a trafóról.
(#) sturbi válasza Müszi hozzászólására (») Ápr 27, 2009
Itt vannak az adatlapok a 10lo43i-hez.
(#) sturbi válasza mark.budai hozzászólására (») Ápr 27, 2009
Még kijjebb, csak mérve.
(#) jandark hozzászólása Ápr 27, 2009
Sziasztok.
Hozzájutottam egy régi csöves rádióhoz,,ki is termeltem belőle a dolgokat a projekthez,rendelkezésmre áll belőle a táptrafó a kimenőtrafó és 1db ecl86os cső (mind müködnek) ..
Átolvastam a fórumot az ecl86ra vonatkozóan találtam kapcsolásokat is amik elsőre bonyolultnak tünnek,,nincsenek nagy terveim,ide a pc mellé tenném ha sikerül öszehozni..
Ha akad egyszerü kapcsolásotok,esetleg nyákterv ami megosztható szivesen veszem,és köszönöm szépen előre is..
(#) kocos válasza mark.budai hozzászólására (») Ápr 28, 2009
Amíg állja kezed, addig nincs nagy baj! Én is bajban vagyok, mert a PCL86 PP egy csatornája is eléggé felmelegítette mind a fűtés, mind az anódtrafót Lehet limitálnom kell a kimeneti teljesítményt majd
(#) kocos válasza jandark hozzászólására (») Ápr 28, 2009
Itt a cikkek között van Müszi PCL86-os kapcsolása, ez ugyanaz a cső, csak más a fűtése. Ennél egyszerűbb nincs! nyák nem kell, az a pár alkatrész elfér a foglalat körül.
(#) rhesus23 hozzászólása Ápr 28, 2009
Tegnap sikerült kiszűrni a brummot teljesen. Van még egy kevés alapzal, de arra már nagyon kell koncentrálni, hogy észrevegyem- hangszóróra tapasztott füllel.
(#) CHZ válasza sturbi hozzászólására (») Ápr 28, 2009
Valóban érdekes , az anódot jól bekötötted árnyékolásnak .
(#) ferencferenc hozzászólása Ápr 28, 2009
Tud valaki segíteni táptrafó méretezésben?
Tudathasadásos állapotba kerülök hamarosan. Oldalanként egy-egy GZ34-et szeretnék /közös szekundertekercsről/ amiknek 400V körüli kimeneti feszhez kb. 350V váltó kell, 2*100 ohmos szekunder tekercsnél /katalógusadat/.
A szekudertekercs/ek ellenállása akkor lehet 2*50 ohm, mert két-két dióda néz farkasszemet a trafóval, akik egyenként 2*100 ohmot szeretnének látni az anódjukkal szemben? Shocked
...még: oldalanként 110mA a nyugalmi áram 390V tápfesznél /6l6GC triódának kötve, PP/.....mekkora áramra kell méretezni a tápegységet/trafót?
(#) mayky válasza ferencferenc hozzászólására (») Ápr 28, 2009
Ugye nem csak a szekunder tekercs DC ellenállását kell figyelembe venni a trafó belső ellenállásánál hanem a primert és az áttételt is:
Rt= Rp*(Np/Nsz)^2+Rsz
(#) ferencferenc válasza mayky hozzászólására (») Ápr 28, 2009
Világos, de ha az Rp -t megszorozzuk egy 1-nél kisebb számmal, akkor nem sokat javít a helyzeten
(#) kocos válasza sturbi hozzászólására (») Ápr 28, 2009
Hm Nem is tudtam, hogy ilyet lehet mondjuk elvileg igen, de nem gondoltam volna, hogy működik ismét egy leleményes kapcsolással rukkoltál elő, mindig tanulunk Tőled valamit !
(#) sturbi válasza CHZ hozzászólására (») Ápr 28, 2009
Igen, ez az egyik lényeges eleme az elgondolásnak, így a cső valódi triódának van kötve, igen alcsony tápfeszekkel is jól működik, szinte tökéletes a zavarvédelme, és jó a frekvenciamenete is. Nyilván kisjelű, nagyimpedanciás fokozatoknál alkalmazható "elsöprő" sikerrel.
(#) sturbi válasza kocos hozzászólására (») Ápr 28, 2009
Mindent lehet, ha az embernek sikerül elszakadnia, az iskolákban, az életben belénevelt, az alkotó gondolkodást legfőképpen gátló "okos ember szindróma" (nálam okosabbak már kitalálták) nevű "betegségtől". Az ilyen kapcsolásnál nyilván egy új paraméterezésű cső keletkezik, de miért ne tehetné ?
(#) nyikolaj válasza sturbi hozzászólására (») Ápr 28, 2009
Ilyen megoldást még nem láttam tényleg kreatív vagy.

Tesztelted már?
Ugye megosztod velünk a mért eredményeidet.
Van valami elméleted arról hogy hogyan változnak a cső paraméterei?
(#) fleta válasza ferencferenc hozzászólására (») Ápr 28, 2009
Én 6l6gc pp-hez egy jó öreg, ezerszer bevált tápot és trafóthasználok. EI 120/43 vas, primer 621 menet 0,6-os drót
szekunder2x1020menet 2x370 volt ez megcsapolva a biasnak, 0,35-ös drót 1n4007-egyenirányít, éa a szűrés után kapoka folytó előtt 495 folytó után 494 voltot, ez a fesz már üzem közben mérhető.
Következő: »»   541 / 2208
Bejelentkezés

Belépés

Hirdetés
XDT.hu
Az oldalon sütiket használunk a helyes működéshez. Bővebb információt az adatvédelmi szabályzatban olvashatsz. Megértettem