Fórum témák
» Több friss téma |
Fórum » Propeller Clock
Szia Edison14!
A TP1 az egy mérőpont, sehová sem kell bekötni. Az óra pontossága itt mérhető le. 2500Hz-es frekvenciánál pontos az óra. (Már megyen az órád?) Szia.
még nem
az öszes ledet leteszteltem és minden jó az egész bázis és forgórész jó de valami a pic programozómban vagy a picben el van cseszve
Szia Edison14!
Most mit látsz, amikor elinditod az órát? Ha néhány LED fényköröket rajzol, akkor tedd a következőt. Egy "próbát" talán megér, ha a propeller oszcillátorát leellenőrzöd a kövezkező módon. A PIC 15. 16. lábáról fix 33pF-os kondikat forrasztol a GND-re, az ott lévőket addig leszeded. Ellenőrzöd, a kvarc is rendben ott legyen. Ezután, ha elinditod a forgót, és ha ugyanezt tapasztalod, akkor ott nincs gond, de lehet hogy beindul az órád... Szia.
Sziasztok! Van egy tápventi motorom aminek meghalt a vezérlője. Szeretnék egy egyszerű vezérlőt csinálni hozzá lehetőleg tranzisztorok segítségével és szenzorral. Sajnos nem értek annyira hozzá szóval kéne egy kapcsolási rajz.
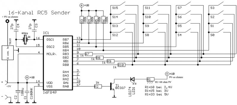
Sziasztok! Van egy bajom a távirányítómmal. Mindent megcsináltam a rajz szerint, beégettem a HEX - et is.
Ráteszem az elemet és azt csinálja, hogy bármelyik gomb lenyomására egyet villan, de csak egyszer aztán nem csinál semmit. Bármit nyomok utána, már nem villan többet addig, még le nem veszem az elemet és újra vissza nem rakom. A propellerem nem forog bármilyen progit töltök bele a prop-ba vagy a bázisba. Mindenhol megvan a kellő fesz. Ja és az index leden, ami a forgó részen van folyamatosan 5V körül mérek, ha fölötte van a másiknak, akkor is pedig az világít. Kamerával néztem. Valaki légyszi segítsen mi lehet a baj. Please!!!
Szia!
Szerintem nem megy a távirányítód, a rövid, egyszeri felvillanás bekapcsolási jelenség, nem parancs küldése. A parancsot ötször küldi el. A bázis pedig kikapcsolt állapotba megy, amikor megkapja a tápot. A forgó részre nem infra led kell, hanem fotodióda, fototranzisztor. Ha mindig 5V van rajta, akkor nem látja az állórészen levő infra ledet, vagy az utóbbi nem világít. A led leellenőrizhető feszültség méréssel - kb. 1.1V feszültség mérhető rajta, akkor világít.
Szia!
Melyik pic-el építetted meg?628-al, vagy f84-el?
Szia! A forgó részen SFH 309 fotodióda van. Az infra leden 1.2 V -os feszt mérek.
De a távirányítónak mi lehet a baja, nem megy? Mit tegyek, hogy mennyen?
Szia Fnszunyo!
Valamit elnéztél, mert az index_led csak akkor világithat, ha a bázis áramkört már elidítottad, és a propeller is elkezd forogni. Ha nem igy működik, akkor nagyobb lehet a baj. A táviról annyit: próbáld meg az eredeti 16F84-et, azzal mennie kell. Azt hiszem Calibra is egyetért ezzel. Szia.
Szia!
A gyanum az, hogy a 16f84-hez tartozó HEX-et égetted be a 16f628-hoz tartozó helyett! Legalábbis akkor produkálna ilyen hibát ![]() Üdv!
Szia! Tudnál nekem egy helyet, vagy linket ajánlani ahonnét le tudnám tölteni a 628-ashoz való HEX-et, ha egyáltalán létezik hozzá??
Persze:Bővebben: Link
Nagyon köszi!!!
Beégetem, aztán jövök, hogy mi történt. Addig is ÜDV! mindenkinek!
Szia
Annyit azért még tudnod kell,hogy a 16f628-as verziónál nem fogja ötször elküldeni a kódot,hanem csak egyszer.A 16f84-es verzió küldi ötször a kódot! Tehát ha kamerával figyeled az infra diódát,gombnyomásonként csak egyszer kell felvillannia! Üdv!
Üdv!
Ezt mivel lehetne helyettesíteni? TSOP1833 Mert ilyet nem lehet kapni a HQ.ba.
Szia! A távirányító tökéletesen megy most már köszi.
Be is tudom kacsolni vele a bázist. Az infra led el kezd világítani, a forgás is elindul. De újabb baj van. A FET (IRL530N) pár másodperc alatt felforrósodik a primer (100 menet) tekercsel együtt. A forgás sebessége pedig nem valami gyors.
Szia!
Gondolom az órához szeretnéd használni,akkor ajánlanám a tsop 1736-ot Üdv!
Szia!
A base.asm-ben kell módosítanod a kitöltési tényezőt,ezután kell fordítani hex-re.Ha kicsi a teljesítménye a hálózati trafódnak,akkor lehet hogy a fet és később a primer tekercs melegedése miatt esik a feszültség a bázison,és így nem lesz meg a kívánt fordulatszám.Kiegyensúlyoztad már a propellert? Ez is jócskán belassíthatja a forgást! Üdv!
100W-os trafóról megy. Kiegyensúlyoztam már.
Ha módosítom a kitöltési tényezőt, akkor nem fog melegedni ennyire a FET és a primer tekercs?? Vagy a kitöltési tényezőnek a fordulatszámban van szerepe??
Ha módosítod /kisebbre/ akkor nem fog ennyire melegedni.Gondolom hűtőbordát azért tettél a fetre és az ic-re.
A kitöltés csak a légmagos trafóra van hatással,a fordulatszámra nincs.Azt csak a bázison a potméterrel tudod szabályozni. Milyen motorral építetted meg az órát,és mekkora a teljesítménye?
A motor PC táp hűtője. 12V - 0.11A. Ennyit tudok róla.
Igen, a feten is és az ic-n is van h.borda. A potméter fel van tekerve maxra. Olvastam valahol itt a fórumban, hogy a forgásirány sem mindegy. Nekem az óramutató járásával ellenkezően forog a motor ez jó vagy nem?
1.3watt nem túl sok,bár attól is függ hogy mekkora ledekkel építkeztél.Az is lehet hogy eleve alacsony a fordulatú a motor.
A ventilátor motorok óramutató járásával ellenkezően forognak.Nincs ezzel probléma,a prop.asm-ben lehet módosítani a forgásirányt. A többit majd holnap ![]() Üdv!
Köszi mindent!
Akkor majd holnap! Üdv!
kivettem a kvarcot és két kerámiakondit tettem be ahogy mondtad és össze vissza villogott. lehet hogy kiégett a kvarc mert amikor először indítottam el akkor tönkrement a 78l05 és a pic vdd és vss lábai közt 12.24V-ot mértem.
a kerámiakondi 33pF-os a forkókondi 6-40pF-ig állítható lehet hogy ezek miatt nem megy de szerintem kellene mennie.minden jól van beültetve de nemtudom hogy még mi lehet a baj
Szia Edison14!
Valami nagyon rosszul sikerült, ha a PIC-re ekkora feszültség került. - Tedd vissza a PIC-ket az égetőbe, és olvasd vissza a programot, nem sérült-e a processzor. Ha összehasonlitod a beírt programot a beolvasott HEX állománnyal, ez rögtön kiderül. Kicsit több infót írhatnál, pl.: mi látható, ha pörög a propeller, hogyan indul el, stb. (A kvarc szerintem meguszta ezt a túlfeszt). Szia.
nagyon szépen elindul gyorsan pörög a picen is jó a fesz forgás közben a 17 és 18 as led és a 14 es led világít egy bizonyos szakaszon az infra modul és a fototranzisztor is veszi a jelet a forgótekercs és az állótekercs sem melegszik a zéner hiba is ki van javítva és a 8. és 9. led is meg van fordítva minden jól van beültetve de mégsem akar menni. a forgórész tekercséről 24V jön le ennyi amit el tudok még mondani
Szia Edison14!
Lehet hogy már kipróbáltad, de ha nem, a propelleren a fotódiódát légy szi. kösd be forditva is, mert többször ezzel hibával már javult meg óra. Szia. |
Bejelentkezés
Hirdetés |











