Fórum témák
» Több friss téma |
Fórum » Csöves erősítő készítése
Ne feledd betartani a fórum viselkedési szabályait, és a topik megmaradásának feltételeit. [link]
A téma átmenetileg fagyasztva lett, hozzászólni nem tudsz!
Idézet: „A magunk fajta "botfülű amatőrök" nem rendeznek találkozókat.” Akkor rendezzünk! Termet könnyű bérelni, velem szemben a Művház, ott is az igazgató nagy zenész. A nagyterem 5*10m-es kb. Ha kér valami bérleti dijjat az mondjuk már 10 felé nem is nagy összeg. sukunknak az utiköltség ennek a duplája lehet. De tudok nagyobb termeket is, csak létszám, időpont kérdése az egész. Meg jó lenne, ha legalább egy erősítőm kész lenne addigra
Jól hangzik.
Én biztos hogy mennék. Csak találni kell valakit aki a szervezést magára vállalja. Nem hálás feladat mert tapasztalatból tudom hogy a fele társaság aki biztosra mondja a részvételét nem jelenik meg.
A szabad tér azért jó lenne.
Kötetlen bográcsozás és iszogatás.
6L6 nagyobb , kb. 6k Raa -val ad minőséget szerintem .
Akkor inkább PL500 vagy PL504-el használd fel ciklotronhoz , azt a kimenőt . Az a mag kb. 10-12 W- ig alkalmas minőségi erősítőbe , én nem várnék többet , de ki kell próbálni .
Eredetileg teremhangosítási célokra készült, de a tekercsek osztása alkalmassá tenné Hifi átvitelre... PL500-zal egyébként is akartam erősítőt, meg a PPP-t is ki akartam próbálni, akkor összevonom a kettőt
Csak most azon hezitálok, hogy megvegyem-e ? Ez a két trafó, meg két EL84 PP-hez való UL megcsapolásos gyári kimenő lenne 39k ...
Ha Esztergom vagy környéke megfelel (miért ne felelne meg), akkor elgondolkodom, hogy bevállaljak egy szervezést (az asszony örömére
).Tudom, hogy nem hálás, rendeztem már pár dolgot. Ha a helyszin jó nektek, akkor nyitok egy topikot neki. A Idézet: is jó program, de inkább alternativaként, vagy kiegészítőként.„Kötetlen bográcsozás és iszogatás”
Az EL84PP-hez való kimenő az milyen? Van valami adatod róla?Engem lehet érdekelne és akkor kooperálhatnánk.
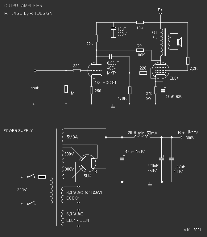
Fekete alapon fehér rajz ritkaság. Kapcsolástechnikailag semmi újdonságot nem tartalmaz.
5U4 szerintem feleslegesen nagy oda még sztereóhoz is.
EZ81 símán elviszi a két oldalt.
Nekem új, a két anódot összekötő ellenállás. Mire jó ez a visszacsatolás? Mert gondolom az.
Még nem tudok róla semmit, elvileg holnap nézem meg, viszont nekem is kellene, azért venném a négyet egyben. valószínű egyébként, hogy valami rádió kimenőjei lehettek (szerintem Budapest, mert még régebben beszéltem a "sráccal" már erről ) az meg nem igen jó HiFi átvitelre, de nekem gityóhoz kellene ... El84 SE-hez való kimenője van még eladó, az engem nem érdekel, de ha valakit itt érdekel, akkor rákérdezek.
Arra, mint minden negatív visszacsatolás
itt szerintem a nagyfrekis gerjedést (is) tartaná kordában. Bár a trioda erősítése elég nagy szerintem (a munkapontbeállító elemekből gondolom), és így "megengedhető" a két vcs, illetve kell is, az erősítést "megfogni" (szerintem)
Bezony! Ráadásul nem is mutat jól egy Oktál cső a sok novál között (szerintem)
Végül is 10 K egy kimenőért.... Ha veszek vasat, meg drótot, akkor kb a feléből kijön, de elveszi egy csomó időm ... Nem szeretek tekercselni na
Ráadásul olyen tervem van vele, ami többszörösen visszahozza az árát, ha bejön ....
EL84SE-t építek most (illetve már egy jó ideje
) de a kimenők már megvannak, így az most nem érdekes számomra.A PP-hez való trafó sem létszükséglet, csak gondoltam hátha nem kell neked.Apropó, holnap arrafelé járok, pontosan Karcagon az arrafelé van ahol Te is laksz nem?
40 km-re van tőlünk, ha mész tovább Kisújszállás fele, és lefordulsz a 4-esről balra , akkor egy jó 13 km után Túrkevére jutsz
Van két db EF42 Rimlock pentodám, ha esetleg érdekel valakit, akkor cserebere alapját képezi
Én is most építem az EL84SE-t
. De csak mono-ban lesz, nincs még egy EL84-em.Megmértem a trafót, a 6,3V-ra kötöttem, hogy mégse a hálózatról menjen, a 220V helyén 192V jött ki, a szekunderen ("nagyfesz") 223V van, ha a 230-ra kötöm, jön szerintem 250V körül. Az már jó az ECC-nek, meg az EL-nek, meg az EM-nek. Nem nyomtattam a rajzot, hanem gyorsan berajzoltam a kapcsolásos füzetembe (ne zabálja nekem itt ez a rajz a tintát).
Hát akkor adok Neked EL84-et és sztereó lesz.
Amikor majd megyek Zolihoz elviszem.
Hát ha van, ami nem kell, elfogadom.
Jó lesz ez ECC85-tel is? A varázsszemet tegyem az ECC anódjára, vagy jó lesz az EL-hez is.
Jó lesz az ECC85-tel is de lehet hogy pár alkatrész értékét módosítani kell, van fent rajz egyébként EL84+ECC85-tel ha jól emlékszem Djhans tette fel, keress rá.Varázsszememel nem foglakoztam nem tudom milyen meghajtás kell neki, majd a Többiek megmondják.
[OFF]Mindenképp csak kiegészítésnek gondoltam a szabadtéri programot.
Ha nincs meg a rajz akkor este átküldöm az otthoni gépemen megvan.
Nálunk most szántják a kertet, olyan jó 10x30m-es... Tervezzük, hogy befüvesítjük, de hát ide is el kellene jutni valahogy...
Most lett kész a tápom, be is mutatom
A késleltető már működik, azt próbáltam
Kiegészítés képen annyit tennék hozzá a teszthez, hogy
a lehallgató helység nagyon sokat számít. Egész másként hallottam a saját cuccomat beleértve a zene, CD lejátszó, erősítő, és hangfal alkotta láncot, nyikolaj szobájában mint a sajátomban. Rá kellet döbbennem, hogy amit nálam jónak ítéltem meg és tettszett, az nyikolajnál már nem tettszett annyira. A kis hangfal amit elvittem hozzá, nálam meglepően levegősen és részletezően szól. Nála már tompábban és kevésbé részletezően, még a szalagsugárzóval kiegészítve sem. De a különbségek azért így is hallhatóak voltak. Ha szervezésre kerül találkozó Pest közelében engem biztosan érdekel.
Szép jó estét? Általános topik kihaltság van itt is?
Nézegetem a PL500 és a PL504 közötti különbségeket, hogy melyikből lenne érdemes bevásárolni. Az 500-asra 12W disszipációt írnak míg az 504-esre 16W-ot, viszont 75V-os anódfeszültséget. Lehet ez, vagy hogy is van? |
Bejelentkezés
Hirdetés |



) de a kimenők már megvannak, így az most nem érdekes számomra.A PP-hez való trafó sem létszükséglet, csak gondoltam hátha nem kell neked.
. De csak mono-ban lesz, nincs még egy EL84-em.

