Fórum témák
» Több friss téma |
Fórum » Propeller Clock
Szia Calibra!
Ez a tükrözés mindig megzavar, mert én úgy néztem először, hogy a nyákoldal az amit látunk. Igy már világos, hogy rendben van a tervezet. Szia, janocsi.
Sziasztok!
Bocsának, hogy nem válaszoltam, de a bázis prgramjával voltam elfoglalva. Nem egészen arra gondoltam, hogy az 1.0 és a 2.2 verziók lehetnének egy nyákon, hanem a 16F87-88 RTC nélkül egy harmadik verziót adna ki. Itt a felszabaduló két láb I2C helyett még két led-et vezérelhetne. A 16F87, 16F88 nagyobb belső ramjával megoldható a led-ek vezérlése. Sziasztok.
Szia!
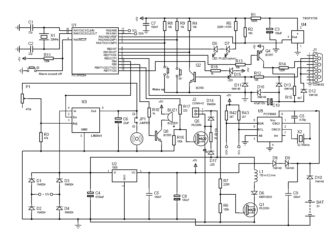
Átalakult a bázis. Több topikban leírt funkciókat sikerült belepréselni: -Ébresztőóra 20 időponttal (a hét napjának figyelembe vételével). -Ébresztés hangjelzéssel és a propeller indításával. -Kapcsolóóra beállítható bekapcsolási idővel. -Az idő, ébresztési valamint üzemi paramétereket PCF8583 RTC-ben tárolja (ha már egyszer a kódot kiszenvedtem). - Az infrán vett csomag cím és parancskód információját soros vonalon elküldi. Mivel egyenlőre nincs a bázison kijelző, az időt, dátumot, ébresztési adatokat PC-ről rs232 kapcsolattal lehet beállítani. A program tesztelés alatt... Szia.
Szia!
Bocs,félre értettem a dolgot.Persze a 16f87-88-as RTC vagy RTC nélküli verziókra is érvényes a súlyprobléma.És persze az,hogy az RTC-s verziónál üresen maradna kettő led helye.Szerintem mindenképp más-más terv kellene a két verziónak. Üdv!
Sziasztok!
Kicsit kitérek az aktuális témából... Másodszorra kezdenék bele az órámba, az egészet újra csinálnám. Először is szerzek egy videómotort. Vagy van annál jobb motorválasztás? Az a gond hogy semmit nem tudok az ilyen motorokról és csak képen láttam. Ha szerzek egy rossz videómagnót, melyik része kell? Ki kell hozzá szedni egy külön vezérlőpanelt is? És mit jelent hogy hány fejes és milyen kell az órához? Nem reklámozni akarok de egy ilyen elméletileg megfelelne? Előre is kösz a válaszokat üdv. Ja és ezeket ugyanúgy be kell kötni mint egy pcventit, csak trafó bemenettel együtt?
Szia Pet!
Sajnos nem felelne meg, és mondom is az okot. A 4 fejes videofej-motorokban az álló tekercsek egy nyákszalagon vannak kihozva,, igy azok bekötésén már nem igen tudsz módosítani. A soros kötések éppen "rosszul", szemben vannak összekötve a tapasztalatok szerint, igy pont ide nem alkalmasak forgótrafónak. - A jó 2 fejes videofej-motor állórész tekercsei még vezetéken vannak kihozva, azokat tetszés szerint tudod sorbakötni, igy a működése is biztos siker lesz. Csak olyan "őskövületi" régi videokban találsz ilyet, de az is fontos, hogy a vezérlő IC is a motorra szerelt kivitelben legyen. Ezután jön az elemzése a motor bekötésének, tesztelések, és ha minden igaz, működni fog az egység. Szia.
Szia Calibra!
Jól látod, inkább másik nyákterv lenne a 20 LED-es kivitelhez megfelelő. Én azt gondolom, meg kellene várni inkább az f876A-val felépitetett verziót, (20 LED), és ahoz késziteni majd egy nyákterv-változatot. Ez a mostani, igy ahogy van, tökéletes! Szia.
Szia!
A videófej eléggé jó választás.Masszív,és jó a csapágyazása.Egyetlen hátránya,hogy eléggé kicsi a percenkénti fordulatszáma,legalábbis én még csak ilyennel találkoztam. A nyolc centis ventilátorok sem rosszak,de csak a csapágyazott verzió jöhet számításba,ha nem akarod három havonta cserélgetni a motort.Sok közülük eléri a 3000-es fordulatot is,persze terheléssel ez a szám jóval kisebb lesz,még akkor is,ha sikerül jól kiegyensúlyozni a propellert.Én ezeket a ventiket inkább csak a 3mm-es változathoz ajánlanám.Nagyobb órához inkább a 12 cm-es venti a jó választás,ezek már 3-5 Watt körüli teljesítményt tudnak.Persze itt is csak a csapágyas motorokkal érdemes foglalkozni.További problémát jelenthet az,hogy a szekundert a ventilátor forgórészére tekercseljük.A forgórészen a mágnes alatt van egy szép vastag merevítő gyűrű,amiben áram indukálódik.Ez egy idő után fel is melegedhet,mert egy rövidre zárt menetként viselkedik. Tehát a döntés rajtad áll! Az általad belinkelt videófejen nem látszik a vezérlése,mert számunkra pont rossz szögből fotózták. Viszont erről a Kérdésről Janocsi sokkal többet tud majd mondani neked,Ő már használt ilyen motorokat. Üdv!
Szia!
Rendben,ha lesz rajz,akkor áttervezem az eddigieket. Egyébként azon gondolkodtam,hogy az RTC nélküli verzióknál is meg lehetne oldani,hogy ne felejtse el a beállításokat.A három voltos elem helyett egy 3.6 voltos akkumulátort használnánk,ami pont olyan méretű mint az elem 20x3.2.A pic simán futna ekkora feszültségről,és még akár üzem közben tölteni is lehetne a +5 voltról az akkumulátort.Esetleg 78L05 helyett használhatnánk a 78M05-öt,az már tud fél ampert,és smd-ben a mérete sem nagyobb az L05-nél.Bár ennek is elégnek kellene lennie. Üdv!
Helló.
Ha forgásra tudod bírni akkor simán lehet használni. A tekercs kivezetésekkel valóba lehet gond ahogy Janocsi említette. De van megoldás és akkor úgy kötöd az állórész tekercseit ahogy szimpatikus. Én lecsupaszítottam az állórészt amennyire lehet, és beraktam a sütőbe. Amint kellően átmelegedett minimális erőhatástól elengedett a ferritmag ragasztása. Ezután lehet variálni a tekercsekkel. A maradék ragasztó eltávolítása után pillanatragasztóval rögzítettem a ferritmagot. A kérdés menyire tesz jót a hő a csapágyaknak? (Gyanítom nagyon nem használ nekik.) De működik, remélem tudtam segíteni.
Szia!
A csapágyban inkább a zsírzás nem szereti a meleget,meg persze ha 2rsh gumi/műanyag szimeringes a kicsike,mert az is megolvadhat.Túl nagy hő és lassú lehülés pedig az edzett acélt lágyítja vissza.de azért gondolom nem melegítetted pirosra Az ilyen műveleteknél inkább a satu,és csapágy lehúzó a jó megoldás.Üdv!
Köszi a válaszokat.
"Egyetlen hátránya,hogy eléggé kicsi a percenkénti fordulatszáma" No az nem jó, azért lehet használni fali (polci) órának majd? Próbálok egy erőset találni. Bár nem tudom, azt hogy lehet megállapítani róla. adatlap.. A ventis megoldásokat már meguntam no comment. Majd ha találok konkrétot inkább akkor lehetne róla beszélni többet. hmm... pláne nem tudom honnan szerezzek őskövület videót Nem tudtok eladót? ![]() üdv.
Szia!
Na azét nem annyira kicsi,úgy rémlik 1000 körüli. Üdv!
Szia.
Valóban nem melegítettem pirosra Csapágy lehúzóval a ferritmagot nem lehet kiszedni. Ha arra gondolsz, hogy melegítés előtt kellet volna kiszedni a csapágyat, abban van valami. De szerintem a gyárban felmelegítették az állórészt és úgy tették bele a csapágyat. Vagyis házilag csak melegíttessél lehet kiszedni (bár lehet létezik célszerszám). Úgy tudom 110fokot bír a csapágyban a zsír, a sütőben ennél tuti több volt. De hát ha szét kell szedni nincs mese. Lehet utána lecsökken csapágy élettartama, de máshogy nem lehet sérülés nélkül kiszedni a ferritmagot.
Szia Calibra!
Szia Pet! A fejmotorok nem kis fordulattal működnek, ugyanúgy felpörögnek terhelés és vezérlés nélkül mint a ventimotorok. (A videókban kb 800-900 f/min-el vannak pörgetve a sajátos vezérlések miatt.) Ha minden tökéletesen ki van egyensúlyozva, (nagyon erős motorok), ezzel 2000-2500F/min-t is el lehet érni.(!) Nekem még csak 1500 fordulatig sikerült eljutni terheléssel, (5mm-es LED-ek. 125mm-es a legkisebb sugár). Melegiteni még nem próbáltam a ferritmagot, de van néhány félretett motorom, ami ilyen kivezetésekkel szerelt, azon lehet hogy kisérletezek majd. Most még van egy-két működó motorom, teljesen a propellerhez kialakitva, igy csak később próbálkozom más tipusokkal. - Ha bemégy egy szervizbe, és megkéred a szereló(ket), szednek össze használható videókat. Én igy vettem 1000ft/db áron, legutóbb 6 darabot. Ebből 4-et tudtam eddig felhasználható egységgé alakítani. Itt van pár felvétel a legfrissebb motorokról. Sziasztok.
Sziasztok!
Rajz még csak akad, de a programba még be kellene tenni ezt, azt. (feszültség és páratartalom mérés ...) Ha van még kapacitás nyákot tervezni, a bázis is szóba jöhet. A 16F876 verzió akár 22 db ledet is tudna vezérelni, az uart Rxd és TxD a fejlesztés végén felszabadul. Sziasztok...
Szia!
Lehet hogy a te képeidről rémlett nekem ez a fordulatszám? Ha tudja a 2000-2500-as fordulatot,akkor valóban a videófej a tuti megoldás. Üdv!
Szia!
Az a baj ezekkel a rajzokkal,hogy nagyon homályosak.Tudnál felrakni GIF-et vagy valamilyen jól látható rajzot? Ha nincs akkor majd összeszenvedem valahogy,de vannak dolgok amiket nem tudok elolvasni ![]() Üdv!
Szia!
Lehet, hogy ezek egy kicsit jobbak lesznek....
Találtam egy listát budapesti videószervízekről, holnap bejárom őket majd írok
Szia!
Ez már sokkal jobban látható. Ahogy lesz időm,nekikezdek! Üdv!
Szia Calibra!
Ha e-mail-ben kapod a rajzokat Hp41C től, akkor nem lesznek olyan "homályosak". Azok a képek, nem is tudom, egy 250mm-es átmérőben, 1296F/min-re emékszem. Ott is a kiegyensúlyozás még nem megoldott hiánya miatt. - Mértem más módszerrel, nem egyezett az új program mért értékével, kb 200 fodulattal többet fordul a valóságban. Ezt majd csak Hp41C tudja megnézni miért Szia.
Szia Pet!
Természetesen, csak régi és javíthatatlan, rossz videót keress! A fejmotorok általában még jók ezekben az eszközökben. Tipust hiába is ajánlanék, nem sok értelme lenne. Amiket vettem eddig, mind különbözó volt. Sok sikert, szia.
Szia!
Lehet hogy a mérés nem teljesen pontos,de saccra jó,és szerintem ez elég is.Kerestem a HIH3610-et ami a propelleren méri a páratartalmat,de egyik boltban sem találtam.A többi alkatrész beszerezhetőnek tűnik. Rajz és egyéb jöhet email-ban főleg ha nagy a méretük. Üdv!
Szia!
Lomex-ben kapható 1660 Ft+Áfa. (Szenzor/Páratartalom). A kapcsolás megépítve, a páratartalom és a buffer feszültség mérése még nincs beüzemelve. Szia.
Szia!
Pedig ott is néztem Lehet hogy akkor elírtam valamit,mert most már én is látom
Sziasztok!
Énis megépítettem ezt az órát kb egy év, azóta folyamatosan megy, semmi gond nincs vele,teljesen jól működik. Kérdésem a következőek lennének: 1. nálam általában az analog kijelzés megy, viszont ugye ha áramszünet van, vagy portalanítás végett le kell állítani akkor visszakapcsolás után elfelejti és újra indul. ezt valami gomb elemes dologgal nem lehetne kiküszöbölni? 2. szintén áramszünet,vagy csak szimplán újraindítás után ha bedugjuk tápra felpörög a propeller, de nem indul el a kijelzés,csak miután ki-be kapcsoljuk a motort. ezt nem lehetne valahogy leprogramozni a bázis Pic-ébe hogy automatikusan elvégezze ezt helyettem? Most így ez a kettő érdekelne,remélem tud valaki segíteni. Előre is köszönöm a segítséget.
Szia!
Csak most, a mérések végén vettem észre, hogy a bázis nem reagál semmilyen infra parancsra, ha a számítógépet kikapcsolom. A hiba oka, hogy az rs232 illesztőben a vevő tranzisztor kinyit, így államdóan vételi megszakítást okoz. A vételi vezeték földre húzásával a probléma megoldódott. Szia..
Szia!
Nézd meg itt Calibra ötletét. Ha még tovább olvasgatsz visszafelé, találhatsz még áttervezett propellert, amin (elemmel táplált) RTC-ben tárolódik az idő és egyébb beállítás. Janocsinál és nálam már működik... Szia. |
Bejelentkezés
Hirdetés |




Az ilyen műveleteknél inkább a satu,és csapágy lehúzó a jó megoldás.
Nem tudtok eladót? 














