Fórum témák

» Több friss téma
Fórum » Kapcsolási rajzot keresek
 
Témaindító: Kallai Csaba, idő: Márc 11, 2006
Témakörök:
Lapozás: OK   72 / 382
(#) Mr. Country Boy hozzászólása Ápr 18, 2009 /
 
Helló! Olyan kapcsolási rajzra lenne szükségem, amelyet egy MW7H380GTGS típusú, kapcsoló üzemű tápegység után tudnék beiktatni. A tápegységet 230V/9V- on használom (egyen 9volt). Visszhangosító tápnak kellene, de olyan probléma merült fel, hogy a tápegység ,ahogy a nagyfrekvencián (20kHz) kapcsolja a feszültséget zavar keletkezik,és pattogásokat lehet hallani a hangszóróból. Aki tud valami rajzot küldeni, kérem segítsen.Köszönöm. Email: mr.countryboy@citromail.hu
(#) Mr. Country Boy válasza (Felhasználó 13571) hozzászólására (») Ápr 18, 2009 /
 
Szia köbzoli! Köszi! Gondoltam rá, de mivel ez rövidzár védett és stabil, így erre szeretnék megoldást találni. Amúgy a hagyományos dugasztápok pedig brummot okoztak, ez a digitális visszhangosító nagyon érzékeny, de a 9V-os elemet pedig hamar lemeríti.Ha van ötleted légyszíves írd meg. Köszönöm
(#) Alkotó válasza dinokal hozzászólására (») Ápr 18, 2009 /
 
Óriásmellékletként 2G-t, de már megoldódott, kaptam címeket ahonnan az egész évfolyam letölthető volt. Köszönöm mindenkinek a segítséget.
Alkotó
(#) Mr. Country Boy válasza (Felhasználó 13571) hozzászólására (») Ápr 18, 2009 /
 
Oké. Köszi, kipróbálom, ez meg lesz jó lesz vmi másra.
(#) dolfin hozzászólása Ápr 19, 2009 /
 
Üdv

Egy 1m3-es tartályban szeretném a vízszintet ellenőrizni, ha kell egy szivattyút kapcsolgatni vagy egy szelepet.
A tartályba esővíz folyik és ha a tartály megtelik akkor a szivattyúnak kellene a felesleget kinyomatnia, illetve ha kifogy akkor a szivattyúnak le kell állnia.
Láttam több helyen egyenáramos vízszintmérőt, de az sajnos eszi az elektródákat.
Ha esetleg tudna valaki egy ultrahangos távolságmérő kapcsrajzát elküldeni ami erre jó lenne azt megköszönném.

Köszi
(#) Sebi válasza dolfin hozzászólására (») Ápr 19, 2009 /
 
Az elektródákat váltakozó feszültséggel kell táplálni, akkor nem fogynak. Amúgy az esővízzel - elvileg, mivel sómentes - nem is működne, mert igen kevés vezetést mutat.
Ultrahangos tolatóradar jó lehet a célra, azok elég egyszerűek.
(#) dinokal válasza dolfin hozzászólására (») Ápr 20, 2009 /
 
Szia! Szerintem vízszint méréséhez, ha csak az alsó és felső szint számít, legegyszerűbb egy úszó tutajszerűség ami egy függőleges pálcán csúszik, két kapcsolóval. A mechanikai kialakítása egy kicsit munkásabb, de biztos hogy az adott szintnél kapcsol be és ki.
(#) jackooh hozzászólása Ápr 20, 2009 /
 
Működő nyestriasztó kapcsolási rajzot keresek, tud VALAKI esetleg?

Ugye, így értelmes is, olvasható is, magyaros is? És még két ? sem kellett a végére...
Frankye
(#) szeva000 hozzászólása Ápr 20, 2009 /
 
Üdv!
Fisher CA-350 erősítő rajzát keresném.Ha valakinél lenne esetleg,nagyon megköszönöm előre is!
(#) dolfin válasza Sebi hozzászólására (») Ápr 20, 2009 /
 
Üdv

Köszi
Esetleg kapcsrajzot tudsz küldeni? Adó meg vevő egységét? A működését PIC-el megoldom, csak a hardware része hibázik még

Köszi
(#) Sebi válasza dolfin hozzászólására (») Ápr 20, 2009 /
 
Van egy ilyen, de sok mást is találhatsz.
(#) coredump hozzászólása Ápr 22, 2009 /
 
Sziasztok!
En egy garazskapunyito panel leirasat keresem.
A tipus: DEA Systems 724E/3.
Hangsulyoznam a /3-at mivel /1 es /4 leirasom az van
de a /3 kicsit mas, nem sokban de hatha van benne
olyan specifikus dolog ami fontos lehet.
A /4 az ilyen :

Ez a 4-es verzio

Van vele nemi gondom ezert kellene a pontos leirasa.
Elore is koszonom !
(#) lantos51 hozzászólása Ápr 22, 2009 /
 
Sziasztok!

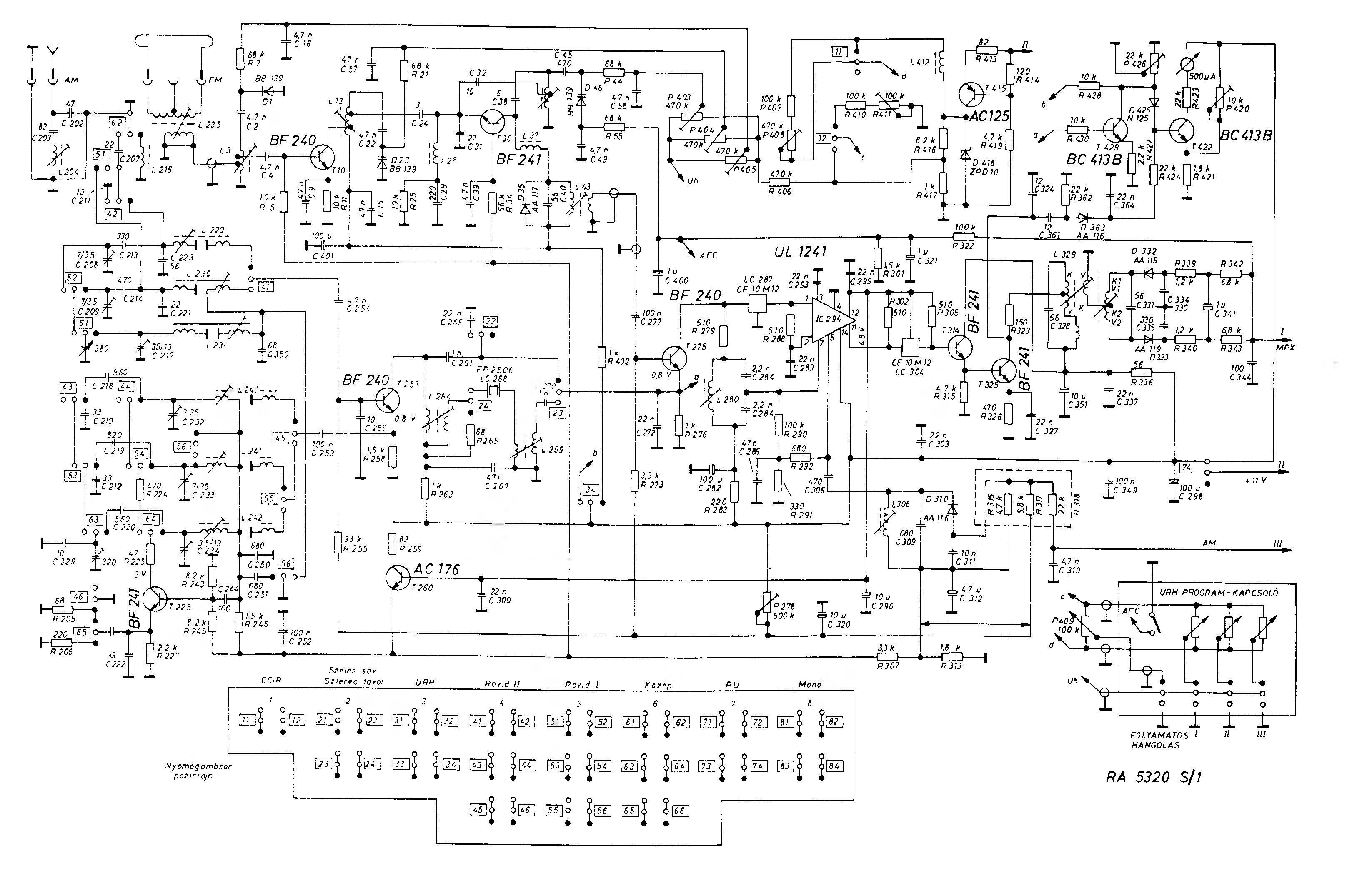
Diskó Leady RA. 5320 AS. tipusú rádióhoz keresek kapcsolási rajzot.Ha tud valaki kérem segitsen.Előre is köszönöm!
(#) Sebi válasza lantos51 hozzászólására (») Ápr 22, 2009 /
 
Íme...
(#) lantos51 válasza Sebi hozzászólására (») Ápr 22, 2009 /
 
Az óhajtott rajzokat megkaptam.Köszönöm Zsoltikám!
(#) mark.budai hozzászólása Ápr 24, 2009 /
 
Sziasztok! Mekkora ellenállás kell 1:10-es osztóhoz?
(#) llaci56 válasza mark.budai hozzászólására (») Ápr 24, 2009 /
 
1 ohm és 9 ohm .
(#) mark.budai válasza llaci56 hozzászólására (») Ápr 24, 2009 /
 
Szkóphoz kéne. Hogyan kössem be?
(#) Moderátor hozzászólása mark.budai hozzászólására (») Ápr 24, 2009
 
Ez egy kiváló példája a kevés információ-tartalmú kérdésnek, és az arra kapott - fizikailag korrekt - válasznak, ami persze számodra használhatatlan.

Egy szkóphoz készült osztó nem csupán ellenállsokból áll, azt kompenzálni is kell - ha a jelalakot meg akarjuk őrizni. Már 1kHz-es jel nézegetésénél is jelentős torzulást okoz a pusztán ellenállásokból álló osztó (aminek ellenállásai néhány nagyságrenddel nagyobbak).
(#) dinokal válasza mark.budai hozzászólására (») Ápr 24, 2009 /
 
Szia! Mivel a szkóp bemenete 1Mohm, 9 Mohm -os ellenállás kell.
(#) dinokal válasza (») Ápr 24, 2009 /
 
Hi. Ha csak simán ellenállat osztót alkalmazol, a szkóp dc állásában nincs torzulás, viszont nem tudod leválasztani az egyenfeszültséget, ha azon csücsül a vizsgálandó jel. Azonban ha csak a jelet magát akarod vizsgálni egyenfesz nélkül, az ac bemenet és a kapacitások miatt kompenzálni kell. Ennek az a lényege, hogyha nincs egyenfeszültségű összetevő, bármilyen jelalakot tudsz bármilyen madzaggal mérni dc állásban. Természetesen ez csak egy bizonyos frekvenciahatárig igaz. Én a hanggenerátor kimenetét csatlakoztattam két bnc dugó és egy koax kábel segítségével, mindenféle kompenzáció nélkül. 200 KHz-ig dc bemeneten tökéletes jelalakot kaptam.
(#) Sebi válasza dinokal hozzászólására (») Ápr 24, 2009 /
 
Ez - számomra - egyértelmű, ahogy a csatolt megoldásod is.
A hozzászólásom célja inkább az volt, hogy rámutassak: a kérdéseket lehetőleg úgy kell megfogalmazni, hogy a válaszolni szándékozó - az alkalmazás ismeretében - tudjon válaszolni.

Amúgy halál biztos vagyok benne, hogy llaci56 is pontosan tudta mit akar a kérdező és hasonló céllal adta a válaszát...
(#) dinokal válasza Sebi hozzászólására (») Ápr 24, 2009 /
 
llaci56 válasza tökéletes volt, hiszen a cél hiányában nem is lehet mit válaszolni rá. Gondolom mark.budai valamilyen szinten kezdő lehet ebben a témában. A kérdés feltevéséből sejtem. Akkor tudunk pontos kérdéseket feltenni, ha már néminemű alappal rendelkezünk az adott témában. Néha én is kérdezek akkora blődséget, hogy magam is elcsodálkozom rajta. Az elindulás nehéz, a többit az idő hozza magával.
(#) llaci56 válasza Sebi hozzászólására (») Ápr 24, 2009 /
 
Bizony, így van! Én úgy fogalmaznék, hogy hülye kérdésre, hülye válasz.
Ezzel nem akarom Márkot bántani! De, - mint elmondtad Te is, - a kérdést úgy kell megfogalmazni, hogy arra használható választ lehessen adni.
(#) mark.budai válasza dinokal hozzászólására (») Ápr 24, 2009 /
 
Na igen, az elektronikának ebben a részében tényleg kezdő vagyok (feszültségosztások, stb...).
Laci, hogy ha az én tudtomra akartad adni, hogy nem bántás, amit írtál akkor nem kellett volna a billentyűzetet koptatni , nem úgy ismerlek én Téged!
Nos, még mindig hiányos a válasz. Ehhez a rajzhoz kéne az 1:10-es osztó, de akkor nem kell, ha nem teszi tönkre a gépet, ha nagyobb feszt mérek rajta, pl.: (Laci, Te is tudod) Csöves erősítőben a trióda anódjára, hogy ott van-e jel (javítás, vagy építés), vagy passzol-e minden (beállítás az építés végén).
(#) Imi65 válasza mark.budai hozzászólására (») Ápr 24, 2009 /
 
Márk, miért nem a pentóda rácsán mérsz? Ott van az a jel, ami továbbjut a fokozatba, ráadásul nincs is 100-200V-os DC összetevője.
(#) mark.budai válasza Imi65 hozzászólására (») Ápr 24, 2009 /
 
Jó, majd ott mérek! Akkor nem kell nekem ez az fesz osztó, de lehet, hogy rakok bele egy 9Mohm -os ellenállást, kapcsolhatóra.
(#) Imi65 válasza mark.budai hozzászólására (») Ápr 24, 2009 /
 
Márk, egy kicsit lassítsunk. A szkópoknak a bemenetén van egy kapcsoló, amivel egy nagyfeszültségű csatoló kondit (~400V) át tudod hidalni. Ha AC állásban van a szkóp, a DC-t leválasztja. Ha a DC miatt (pl. 150V anódfesz) 1:10-be leosztod a jelet, akkor a hasznos jel is leosztódik (pl:15Veff helyett csak1,5Veff. mérsz.)
(#) mark.budai válasza Imi65 hozzászólására (») Ápr 24, 2009 /
 
Én ez úgy "elemeztem", hogy ha 15V hasznos jelet mérek, akkor csak 1,5V-ot látok a monitoron, annyit mér a gép. Itt pont ez a cél. 15V-tól repülne a hangkártya. Csak azt nem tudom, hogy ezzel az IC-vel lehet-e DC-re mérni, mert ha nem, akkor nem kell az AC/DC kapcsoló, direktben ott lesz a kondi.
(#) bave00 hozzászólása Ápr 24, 2009 /
 
Sziasztok!

Az Ibanez AF9 nevű gitár-effekt pedálhoz keresek kapcsolási rajzot, de a neten nem találtam!

Tud valaki segíteni?

Előre is köszi!
Bálint
Következő: »»   72 / 382
Bejelentkezés

Belépés

Hirdetés
XDT.hu
Az oldalon sütiket használunk a helyes működéshez. Bővebb információt az adatvédelmi szabályzatban olvashatsz. Megértettem