Fórum témák
» Több friss téma |
Fórum » Csöves erősítő készítése
Ne feledd betartani a fórum viselkedési szabályait, és a topik megmaradásának feltételeit. [link]
A téma átmenetileg fagyasztva lett, hozzászólni nem tudsz!
Most akkor hogy van ez Doki?
Hát ugye az M102-es cséve 60-61 mm széles.
2 mm-et célszerű ráhagyni és 59 mm-el számolni. az egyszeres szig. zománchuzal 0,48-as 0,51 átmérőjű 59/0,51 ~ 115 menet.
Hát ha nem is tuti, mégis lassan összeáll a kép, ha mindenkit jól értettem:
P1:135, Sz1:110, P2:270, Sz2:110, P3:270, Sz3:110, P4:270, Sz4:110, P5:270, Sz5:110, P6:135 A primer 0,4-es a szekunder kb. 0,48-as huzalból (vagy vastagabb, ami kitölt egy sort). Az 1,7-es huzal csak az áram és a sorbakapcsolt (engem megtévesztő) 22-es menetszám miatt jött ki, gondolom nincs is olyan ember aki egy kimenőre ráhajtogatna ilyen vastag drótot. Köszönöm mindenki segítségét!
Félreértettél.
Ezt Yossarian kérdezi a 22-es csapájában Daneeka Doki-tól Én viszont azt hiszem megértettelek, és köszönöm, hogy segítettél! A DIY Audio fórumon (tudom ott is megfordulsz néha) mindenki féltve örzi a megszerzett tudását, de innen Tőletek lehet tanulni...
Ja
rég láttam a filmet
Olvasva még annál is jobb, pedig a filmet is nagyon eltalálták
Örülök hogy tetszik a cső! Valóban szerencsés vagyok,mert 700 forintért sikerült hozzájutnom!
ismerősöm aki kínálta 1000 forintért kínálta,múltkor mikor kecskeméten jártam kifizettem neki a 700 forintot,tegnap szintúgy kecskeméten jártam,éés a maradék 300 forintot meg a pár napja mutatott színkép elemző műszerből való cső nekiadásával letudtuk! Szóval kemény 700 forintért vettem a csövecskét! Jó múltkor meg 6p14p-t kaptam tőle 3 darabot,ráadásul ingyen,és vadi újak a csövek! Szóval a következő projecthez valóm is részben megvan!
Hali!
Végfoknak nem csövest gondoltam, hanem erre kötni egy kimenőt, és akármilyen erősítőre rákötni. Illetve gitárerősítőre. Tehát nem csöves erősítő részeként szeretném. Azt meghagyom későbbre... ![]() Üdv.: pisti
Hali!
Na szóval nem csöves végfokra szeretném kötni, akkorviszont gondolom kell kimenő nem? Valószínű ha egyszer rászánom magam az építésre, akkor külön dobozba teszem, és egy kábellel kihozom a kétáramkörös kapcsolót. Köszi a tippeket. Némi magasfreki nemárt legalább, bár ha már csöves akkor a mélyeket is kikéne hozni belőle. Üdv.: pisti
Erre nem lehet kimenőt kötni. Ahhoz kell egy teljesítmény erősítő, ahol a végcsövekről lejövő több kohmos jelet a kimenőtranszformátor illeszti a hangszórókhoz.
Javasolnám az elektroncső.hu oldalt ott mindent megtudsz egy erősítő szerkezeti felépítéséről.
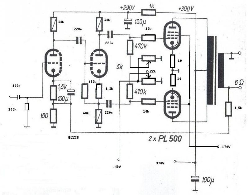
Sziasztok találtam egy kimenő méretezését PL500PP- nak, vasam is van pont 16cm2, ha jó látom primer csak 340 menet :eek2: 0,3 drótból, szekunder 56 menet 0,8 drotból
Az 6x 340 egy osztás 340
Nem, a primer nem csak 340 menet. az n1, n2, n3, n4, n5, n6 340 menet, tehát 6*340menet=2040
menet. A szekunder ugyanígy 4*42menet=168 menet. Más: Rajzolgattam a Sprint Layout-ban. CHZ-nak köszi a foglalatokért! Ez Jani PCL86 SE kapcsolása. Remélem jó elrendezése van a panelnek.
Akkor bocsi!
Előfokcsöves tranyós gitárerősítőkben ez hogy van megoldva?
Ez a panel nem jó. Egy-két dolog hiányzik. Ki is javítom.
Na, most jó lesz.
[OFF]Az előző hozzászólásban kitöröltettem. Ne legyen fenn annyiszor a rossz.
Rajzoltam 1 óráig, hát el voltam magamban. Most lett meg a program, ez előtt a Gu-50-hez való EM84-nek csináltam. Lehet, hogy csinálok majd a GU-hoz is.
A mélyeket muszáj levágni, máskép "dohog" "klaffog" a gitárhang ...
Fú Zoli bátyám! Nm semmi vagy hallod-e? Most néztem meg a csomagot!
Hálám örökké üldözni fog!
Ez egy jó kimenő terv szerintem, nem tőlem van (nem ismerős a kézírás). A primer itt 2040 menet, a szekunder pedig 84 menet az áttétel így 24:1, az Raa 3,5 K/6 Ohm (a primer 6*340 menet sorbakötve, a szekunder 2*2*42 menet, tehát 2*42 ment sorba kétszer, majd a 2*84 menet párhuzamosan kötve).
A primerek (és a cséve) keresztben is ketté van osztva (osztásonként 340 menettel), ezért az három részre rétegzett, amit a négy réteg (rétegenként nem osztott) 42 menetes szekunder fog közre (ebből kettő-kettő sorosan, majd ezek párhuzamosan). A 6 ohm szekunder oldali illesztés minden bizonnyal az miatt van, hogy a 8 ohmos hangsugárzók impedanciája az átviteli sáv jórészén kisebb szokott lenni, inkább 6, mint 8 ohm.
Üdv!
Azon töröm a fejem, hogy a triódánál megjelenő ívfényt okozhatja-e az, hogy a PCL86-nak 320VDC körüli anódfeszültséget adtam? Az adatlapban 230V-ot ír...
Hát egy kicsit sok az a fesz.
Próbáld csökkenteni a táppal sorba kötött ellenállással. Először 2,2K-s ellenállást rakj sorba. Elvileg így le kell menni 240V körülire. Az ellenállás 5W-os legyen.
Az ötletet elfogadom, ám mivel a tápom 2 trafóval van megoldva egy kicsit kombinálok velük és sztem jó lesz. Majd még biztosan jelentkezem! Kösz!
Elég bonyolult ennek a tekercs elkészítése, nem lehetne egyszerűben, primer utána szekunder és végül a másik primer
Még az is tovább bonyolítja a dolgot,hogy egy sorban a két primer tekercset fordítva kell feltekerni, ez mért van ez igy? Az alábbi kapcsolásban, ha táp feszültséget 400voltra megemelném, akkor a teljesítmény megemelkedne 30wattra?
Mibe konvertáljam? Ha Eagle, meg ilyesmi, akkor mivel? JPG-be meg rossz minőségű lesz.
Pedig Zolinak is van SPRINT , de itt van a nyákod a kérésére .
Köszi, hogy átkonvertáltad! Sprintben csak azért jobb, mert ott el vannak nevezve az alkatrészek, így meg ugye nem látni. De mindegy, a rajz alapján vissza lehet nézni.
Értékekkel is működne GIF-ben is .
Nem kritizálni akarom , de a 10u és az 1,2k takarják egymást , ez hogy lesz beültetve . Nagyobb ellenállások sem ártanának néhány helyen . Ezen még dolgoznék kicsit .
Nyugodtan kritizáld! Utána én is néztem.
Kijavítsam? Akkor megint ki kell töröltetni a rosszakat! Ti is tudjátok, de azért leírom, hogy a foglalatot a fóliaoldalra kell forrasztani, azért van tükrözve. 1db átkötés van, az anódkörben a szűrőkondi - lábától a legalsó vezetősávon lévő forrszemhez kell bekötni (az annak van). |
Bejelentkezés
Hirdetés |



Próbáld csökkenteni a táppal sorba kötött ellenállással. Először 2,2K-s ellenállást rakj sorba. Elvileg így le kell menni 240V körülire. Az ellenállás 5W-os legyen.




