Fórum témák
» Több friss téma |
Fórum » Propeller Clock
Szia!
Nincs fordítva. Az RS232 vonalakon a passzív szint negatív. A bázis nem állítja elő ezt a feszültséget, hanem a diódák és a C10 hivatott biztosítani. Szia.
Szia!
- Bázis és beállító program: Még tesztelés alatt van, pár perce is találtam még egy-két apró javítani valót. A program csak a módosított bázishoz lesz jó, a szolgáltatásokhoz a régebbi bázis áramkört nem csak kiegészíteni kell, hanem az index LED vezérlése átkerült a pic 6. lábára (RB0). Sajnálatos módon az eredeti kapcsoláson pont az usart vételi lábát használták fel. - Propeller: Ezt a verziót még csak szimulátoron teszteltem. Szia.
Sziasztok!
Két további nap tesztelés, bővítés után felteszem a legjobb változatot. További fejlesztések még folynak, de addig is ki lehet próbálni. - Figyelem: Használatához a meglevő bázis áramköröket módosítani (index LED -> RB0), kiegészíteni (soros vonal szintillesztő, RTC, elem, stb.) kell. - A program az RTC nélkül is működőképes, de az adatok áramkimaradáskor elvesznek. - Az I2C busz SCL, SDA, +5V, GND, és az EXT (pic 2. lába) jeleket a kártya szélére egy tüskesorra célszerű kivezetni, ide csatlakoznak majd a bővítések (LCD és hanglejátszó van tervbe véve). Leírás a csomagban. (Még kb.700 utasítás hely van a 628-ban.) Sok sikert mindenkinek...
Szia Hp41C!
Szépen dolgozik a bázis áramkör, és kifogástalan a kezelő program is. Kipróbáltam a legújabb kezelőprogramot, de azzal van némi gondom. A "Time Invalid" folyamatosan villog, hiába küldöm el az időbeállítási parancsot, holott, az idő paraméterei rendben vannak. Az "Alarm" funkciókban azt hiányolom,.hogy nem lehet ugyanabban a státuszsorban megadni a propeller be és a relé bekapcsolásást is, de már írtad, egy újabb sorban kell azt megtenni. Ugyanakkor, a propeller bekapcsolási és kikapcsolási idejét is hasonlóképpen lehet két sorban meghatározni. A bekapcsolási idók állításai igy csak a relére korlátozódnak. - Azt lehetne talán megoldani, hogy a propeller bekapcsolási ideje is meghatározható legyen az időbeállítási ablakban, vagyis addig működjön, ahány percre be van állítva. (Lehet hogy ez nem igazán jó ötlet, mert felborulhat az eddigi algoritmus a programozásban hiszen kihatással lehetne a relé bekapcsolási idejére is, ha véletlenül egy hosszabb időzités miatt bekapcsolva tartaná)? - Nem találtam különösebb hibát a működtetés eddigi tesztelése alatt, minden funkció és parancs elvégzése pontosan történt. Néhány beállítási képet feltöltök a működésről. Szia.
Szia!
- A "Time invalid" LED-nek a kommunikáció felépülése után ki kellene aludnia (Open gomb megnyomása....) - A kép azt mutatja, hogy a picben nem cseréltél programot. A bővítések miatt sajnos a 2.0d verzió kell bele is. - A propeller bekapcsolási idejét az "Auto Standby Time" megadásával be lehet állítani. Az idő megadása tényleg csak a relére vonatkozik. Szia.
S zia Hp41C!
Valóban nem cseréltem ki a programot, igazad van. Azonnal pótolom is. Az "Auto Standby Time" időzítését is megnézem. Köszönöm, szia.
Szia Hp41C!
Átírtam az újabb programra, rendben van az előző (nagy) elnézésem is. Minden beállított paramétert visszaolvasott a program hibátlanul. Az "Auto Stabdby Time" idejét 10 percre korlátoztam az 1 óra helyett. Most újra tesztelem az egész paraméter-sereget, hogyan viselkedik a program. Még néhány beállítási képet feltöltök. Mégegyszer nagyon köszönöm, szia.
Sziasztok!
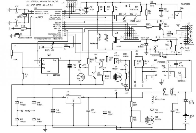
Az új bázis áramkör felépítése egy 100*100-as pontrácsos nyákra készitve éppen elfért. Minden alkatrészt, (a csipogót, és a relét is), ráépitettem, legyen egyben az egész egység. A relé záró/nyitó érintkezős, váltóáram kapcsolására is alkalmas tipus lett, 3 pontos csatlakozóra kivezetve. Egy 6-os tüskesor is elhelyezésre került a panel egyik szélsó sávján, az ajánlásoknak megfelelően. Alul sikerült úgy megoldani az összekötéseket, hogy csak egyetlen kereszt-átkötést kellett a PIC felől átkötni a relé meghajtójához. Van egy Standby LED is beépitve az áramkörbe a PIC 10-es lába felől, egy BC182-vel megoldva. (Az összekötéseket, átkötéseket 0.5mm-es ónozott rézvezetékkel készitettem el). Néhány képet még feltöltök az áramkör alsó és felső panel-alkatrész elrendezés és bekötésről. Sziasztok.
Figyelem:
Életvédelmi, érintésvédelmi előírások: A leválasztatlan 220V-os berendezések vezetékei, kivezetései, forrasztásai és a gyengeáramú vezetékek (leválasztott vezérlő jelek, nyomógombok, beállító elemek kivezetésével összefőggő vezetékek valamint a felerősítő csavarokhoz csatlakozó felületek) között legalább 7.5 mm szigetelő sávnak (nem lehet benne semilyen fém felület) kell lennie. Ennék kisebb távolság csak akkor használható ha a nyák felületén mért az un. kúszóút hossza nagyobb 7.5mm-nél. Magyarán ki kell vágni a nyákból olyan területet, hogy a kivágást kikerülő áramút hossza nagyobb legyen, mint 7.5 mm. (Pl.: A három raszteres optocsatolót nem fogadják el, csak a 4 reszterest, mert a kivezetéseknél levő fem felület (pad) a 7.5 mm-t lecsökkenti. A lábsorai között nem vihető el vezeték.) Pontrácsos nyáknál minimum 3 sor pontot kell kihagyni minden irányból és ezeket a pontokat le kell szedni a nyákról. (Sok olyan kit van a forgalomban és jelent már meg újságokban, ahol a leírt elvárásokat nem teljesítik! Pl.: a sokszor megjelent fényorgona.) A fém dobozba való szerelésnél is figyelni kell arra, hogy a 220V-os forrasztások és a fém doboz között is meg kell lennie ennek a távolságnak vagy szigetelő lemezt kell a nyák és a ház közé tenni. Természetesen a fém dobozt a hálózati csatlakozó föld kivezetésével össze kell kötni. Az összekötést külön erre a célra kell kialakítani, egyéb funkciót (más részegység mechanikai rögzítését) nem láthat el. A készülék építésnél és/vagy nyák terezésnél a fentieket be kell tartani a saját és egyéb családtagok életének védelmére, valamin a saját békés nyugodt öregkörunkért.
Szia Hp41C!
Igy van! Ismerem a szigorú előírásokat a 230V-os hálózati feszültség bekötésével kapcsolatban. (TV-k, monitorok, számítógépek, nyomtatók tápegységei)! Ezért nem is kivánok ezzel az eszközzel közvetlenül 230V-ot kapcsolgatni, de az áramkörbe sem szeretném semilyen módon, hogy a 230V bekötve legyen direktbe. Ezzel a berendezéssel max:24V váltóról lehet kapcsolgatni külső egységeket. Ha ilyen hálózati feszültség kapcsolása volna szükséges, innen verérlelve egy külső nagyáramú és feszültségű relével oldanám meg. A későbbiekben, ha ilyen igény felmerülne, az erre vonatkozó csatlakozási bekötéseket szivesen ismertetem. Szia.
Szia!
Bocsánat... Nem derült ki a panelból, hogy nem közvetlenül 230V-ot kapcsol. Csak azért írtam, nehogy valaki esetleg rákösse. Küldtem az új propeller verziót. Kíváncsi vagyok elindul-e a 628-on. Szia..
Szia Hp41C!
Nem baj, hogy időnként előkerülnek ezek a komoly tudnivalók a biztonságtechnikáról is. - Nagyon fontos valóban az életvédelmi előírások betartása a 230V hálózati feszültség alkalmazása esetén. Én is óva intek mindenkit, más módon kapcsolja az ilyen fogyasztókat, nem közvetlenül a beépitett relével. Megvannak erre is a megfelelő eszközök, azokat semiképpen nem hagyhatjuk ki. - Mindjárt megnézem az új propeller programját, köszönöm, szia.
Szia Hp41C!
A v2.2 verziót nem sikerült még elidítani. Többször is leellenőriztem a PIC16F628A-ban a program beégetését, ott nincs semmi hiba. Először egynéhány mutató volt villogtatva látható, aztán már semmit nem jelzett ki. - Visszarakva az előző verziót, kifogástalan a működés. Szia.
Szia Hp41C!
Addig írogattam, égettem az egyik 628A-ba, amig valamire jutottam a 628_v2.2 verzióval. Vannak gondok, de nem egyértelmű a működés. A mozgó szöveget csak nagy hibákkal írja, (telerakraja analóg mutatókkal is), aztán ez vissza is vált az előző funkcióra gyorsan. Az álló szövegben is van a mutatóból. Csináltam felvételeket, egy archivumban csatolom a képeket. Szia.
Szia Hp41C!
- Az a PIC amibe írtam, meghibásodott, hiába ellenőriztem hogy jó, a hiba abban volt. - Egy másik 628A-ban már minden tökéletesen működik. Feltöltök a 628 v2,22 verzióról néhány képet, és egy AVI.t is. Elnézést, szia.
Szia!
Bocsánat, hogy csak ilyen későn válaszolok, de családi program volt. (Az egész alatt azon törtem a fejem, hogy hol lehet a hiba....) A JDM problémái... (((Tényleg, nem akarsz egy PicKit2-t építeni ?))) Akkor még kb. 50 utasítás hely van. Szia..
Szia!
Nekem a PicKit2 bevált. Nem csak égetni tud, hanem "emulátor" is (debug segédeszköz), soros vonali adó-vevő, 3 csatornás logikai analizátor, soros eeprom programozó. Egyszerűen megépíthető (ha valamelyik alkatrésze a mérés közben tönkremegy, ki lehessen cserélni) furatszerelt és smd alkatrészekkel is. Szia.
Szia!
Ne dobd ki a rossznak itélt pic-eket, más égetővel ki kellene próbálni. Szia
Szia !
Rendben ,ezeket tudom ,csak van egy ilyenem eladó ![]() Ez másban tud többet .... (AVR,HCS) Üdv
Szia Hp41C!
Nem fogom kidobni, de az komoly fejtörést okozott, hogy a beolvasott HEX állománnyal összehasonlitva miért egyezik meg minden byte, holott hibásan működik a program benne. Először erre nem is gondoltam, hanem "másban" kerestem a hibát. - Ha egy teljesen új 628A-ba írok, akkor tökéletesen jól sikerül az égetés, nincs működési probléma. Már félek törölni PIC-ket, mert nem biztos hogy sikerül újra égetnem a programot. - Tényleg kell egy komolyabb égető mostmár a további munkákhoz. Szia.
Szia!
A JDM nem biztonságosan töröl! A min. táp a törléshez 4.5V a 16F628A-nál. A többi művelethez elég a 2.0V is. A Vpp min 10.0V -nak kell lennie. A vonalakon a magas szintnek 0.8*Vdd és Vdd között kell lennie.
Szia Hp41C!
Egy másik gépre átköltöztettem az égető programokat stb, ahol a "rossz" PIC16F628A-t ki tudtam törölni tökéletesen és egyből, azután meg is írtam a 628A v2.22 programját, ami elsőre jó lett. Hogy mekkora külömbségek léteznek az alaplapi soros portok felépítései és működése között, szinte hihetetlen. Ezzel most az a baj, hogy nem tudom kihagyni egy "másik" gép használatát, mert csak azon lehet biztonságosan dolgozni az égetővel. (Szerencsére, hálózatban a két gépet már régen tudom megosztással kezelni). Szóval, a PIC nem rossz, csak rosszul lett égetve. Egyelőre ezzel még egy kicsit tudok dolgozgatni, de mindenképpen egy új, stabil eszköz megépítése a cél. Szia.
Szia Janocsi, szia Calibra!
Remélem még nem késő a nyáktervhez. A bázishoz vettem 16F88-at és ki szerettem volna próbálni, de sajnos nem ment. Az adatlapok átnézésekor jöttem csak rá, hogy a 16F88-on három láb funkciója meg van cserélve. Módosítottam a rajzot (és a programot). Egy 7-es tüskesorral sikerült csak megoldanom. Felrajzoltam az I2C bővítő csatlakozót is. Bocsánat, de abban reménykedek, hogy még nem túl késő...
Szia Hp41C!
Még nem próbáltam ki a bázisáramkörben ezt a processzort. Átnézem a rajzot és néhány Jumperrel megoldom. Itt van még hely bőven, átalakítom ilyen tipushoz is. Köszönöm, szia.
Szia! biztos megoldható hogy külső tápról menjen az égetőd, akkor megszűnnek a problémák
Szia!
A módosítások után megy szépen a 16F88-cal a bázis. A beállító programban a 40 ébresztési időpont csak két lapra fért rá. (Még nekem is felfért az I2C bővítés 5 és a processzor kiválasztó jumper 7 tüskéje a kis bázis panelre.) A mellékletben a módosított rajz és a két program újabb verziója. Szia.
Szia Pipi!
A JDM égetőm kezdettől fogva külső táppal készült. (Két LPTx portos is épült, de egyikkel sem tudtam dolgozni XP alatt). A JDM egy régi gépre kötve sokáig hibátlanul dolgozott. Akkor kezdődtek a problémák amikor átkerült egy újabb, komolyabb gépre. Ettől kezdve már állandóan gond lett az égetés. Amióta át lett költözteteve megint egy régebbi gépre, újra működik hibátlanul, de ezt már nem igazám fogom sokáig igy használni, mert egy komolyabb égetőt szeretnék megépíteni, a PicKit2-t. Szia.
Szia Hp41C!
Köszönöm az újabb programokat, ez szerint lesz megoldva a bővítés. Az *F88 -banl 2* annyi az ébresztési lehetőség mint az *F628-ban, ez jó dolog. Szia. |
Bejelentkezés
Hirdetés |






















