Fórum témák
» Több friss téma |
Fórum » Wand Clock
Szia Webinas!
A jó processzor PIC16F84A-04-I/P lesz az órádhoz. Itt csak 131072 KHz-en megy egy külső oszcillátorról, (4060), a program. Kicsit alakitottam megint a FaliWand_1-es verzónál. A levezetéseket, (0.2mm-es CuZ huzalok), a rugóra félig rá is celluxoztam, ne legyen nagy berezgésük. Igy már biztos, hogy jóval tovább birják a hajlításokat, hiszen alig maradt a vezeték-kötegből már szabad rész. (A régebbi kék levezetéseiben keletkezett törés miatt kellett átszerelni, most megint zöld). A törés közvetlenül a rugó nyakénál lévő kötési ponton keletkezett. Már régen volt ilyen probléma a levezetésekkel, de ez az új rugó a 22-24 Hz-es frekivel igencsak igénybe veszi, jobban hosszabban kell rákötözni. Itt van róla néhány kép is, szia.
szia
cellux helyett probáld meg teflon szalaggal ,amivel a csöveket tömitik. Én avval szoktam bandázsolni.
Szia Sehaxx!
Ez igazán jó ötlet, kitünő! Van itthon ilyen vékony teflon szalagom, holnap át is "tekerem". Nahát, ez tényleg komoly dolog eszenbe sem jutott vona egyáltalán, hiába ott van a fiókban.... Sehaxx! Üdv, janocsi.
Szia Sehaxx!
Betekertem teflon szalaggal, nagyon jó lett. A rugóra rögzitettem a "kábelköteget", több mint félig rajta van. Úgy néz ki, nem zavarja, mert ugyanúgy rezeg tovább, de a köteg az igy kimélve van nagyon. A képeken a "betekerés" jól látszik. Mégegyszer kösz az ötleted, majd a levezetéseket is ezzel oldom meg. Néhány kép erről, szia.
Nézem ezt a szalagot, de nem értem miért jó ez. Ez olyan vékony könnyen szakadó vízvezeték tömítő teflon szalag ? Miért nem használsz hajlékony átvezetésként cd-rom fej vezetéket. Az ilyen egy irányba hajlékony flexibilis nyák szerű dolog. Vagy szkennerből is lehet bontani, vagy mátrix printerből.
Szia Lidi!
Eddig még jól bírta a rezgét a levezető sodratom. Ritkán fordult elő, hogy valamelyik szál eltört a kötegben. Arra gondoltam, ha a rugó alsó síkján vezetem továb a rögzitési pont felé valameddig, és betekerem valamilyen anyaggal, akkor jóval kevesebb terhelést kap a levezető kábelem. Ez így is történt, de ez nem jelenti azt, hogy itt minden ezzel renben is lett. (Semmi sem végleges egy ilyen mozgó-rezgő eszközben). Próbáltam olyan nyákszalag hozzávezetéssel megoldani amilyet leírtál, de amihez én hozzáfértem az mind nagyon mereven viselkedett rezgés közben. Lefolytotta jelentősen a rezgési amplitudót, sőt nagyon zajos lett az óra. Keresem ezt a lehetőséget én is, hiszen a gyáriban egy ilyen megoldást lehet látni. Ezeddig nem jött még össze. Köszönöm az értékes észrevételeidet, szia.
Hát látom neked se lehet újat mondani, rendesen kipróbáltál már mindent ebben a témában.
Azért figyelek tovább, figyelem az óra alakulását a kezdetektől, szépen haladsz vele. Ja még annyit akartam kérdezni, hogy nem próbáltad korszerűbb pic re átírni a programot ? 16F84 már nem túl korszerű, van már olcsóbb is ami kiválthajta.
Szia Lidi!
Egy esetben kipróbáltam egy winchesterből szépen kiszedett nyák-szalagot is. Azzal annyi volt a gondom hogy a kiforrasztásokat, (a fejegység felé menő végén), nem tudtam házilag bekötni, mindig összeforradt, majd összeolvadt, szóval nekem nem sikerült. - Kétféle Wand Clock épül(t) ebben a topikba. Az I. verzió a propeller clockból lett kifejlesztve, és az mindenben megfelel a mostani követelményeknek, amely egy lengőkaros óránál egyáltalán lehetségesek. A 42.-44. oldalon található átírt verziója lett a program végleges formában hozzzá ígazitva. Ez a teljeskörű távirányítós változat már csak a mechanikában egyezik egy abszolút "primitiv" kiviteltől, a Wand Clock II. kifejleszésével. Itt az volt a cél, hogy egy igen egyszerű működésű óra legyen, semmi "extra" funkció, és könnyen kezelhető kivitel. Ebből készült és alakult ki a Fali Wand változata is, amelyel én nagyon meg vagyok elégedve, (amig nem kell hozzá nyúlni). A Fali_Wand -dal sok-sok kisérletet végeztem, és ma is sokat foglalkozom vele. Addig alakítom, (alakítjuk), amig egyszer csak minden részletében jobb nem lesz. Ha egyszer valaki nekiáll és átírja a programot, akkor az már egy harmadik tipusú verzió lesz. Szia.
Sziasztok!
Újra átnéztem a Fali_2 verziót, a nyákrugónak egyelőre semmi baja. Ennek az is lehet a magyarázata, hogy jóval kisebb amplitudóval járatom a lengését, igy kevésbé van igénybe véve. - A Fali_1 verzió is kifogástalanul működik az új acél rugólemezzel, ott sem találtam semilyen hibát a működésében. Néhány kép róluk, sziasztok.
Szia Webinas !
Kiváncsi vagyok, hol tartol az építésben? Ha van valami rosszul értelmezhető része a leírásnak, bátran mond el, megpróbálom kijavítani. Itt jól működnek a Faki Wand-ok, egyelőre semmi bajom velük. Immár, már 3 hete mennek folytonosan, aminek nagyon örülök is. Ezért nem jeleztem semmit a dolgokról. Szia.
Szia!
Még sajnos nem tudtam elkezdeni. Lassan befejezem a rámpa vezérlését, és majd csak utána. Kissé lassan haladok, mert dolgoznom kell, meg az asszony is mindig kitalál valami "hasznosabb" mutatványt. Jobb családoknál ez már váló ok! ![]() De úgy is kereslek majd, mert biztosan lesznek kérdéseim. ...jó sok!
Szia Webinas !
Szépen működik a laprugó, úgy látszik nemigen lesz vele probléma. Lassan majd mindegyik Wand Clock-ot ilyen új rugólemezzel fogom szerelni. Azt áruld el, honnan lehet ilyen tipusú és méretű laprugót beszrezni, ezt már többen is megkérdezték tólem. - Ha elkezded majd építeni, természetesen mindenben segitek Neked. - A nyákrugós megoldás még mindig működik, de az acél természetesen sokkal jobb ide. Egy kép a Fali_2-röl nyákrugóval. Szia.
Szia!
Örülök, hogy működik! Ilyen rugót már nemigen lehet kapni. Órásoknál lehet esetleg érdeklődni, hogy bontásból nem maradt-e. De ha van is, nem hiszem, hogy megvá lnak tőle mert nagy kincs. (Már nem gyártják) Ez egyébként egy 8 napos orosz óra járó rugója.
Szia Webinas!
Még mindig működnek a Fali_Wand-ok, egyikkel sem történt semmi probléma sem. (Nyákrugós, acélrugós). - Lehetséges szerinted valamilyen rugót egyáltalán beszerezni, amely hasonló paraméterekkel bir, mint ez az órarugó? Ezt jó lenne megtudni, mert igy csak Neked meg nekem van egyelőre ilyen rugólemezünk. A kérdezők erre roppant kiváncsiak, megvallom én is. A lehetséges acéllemezek amelyekkel eddig kisérleteztem, nem igazán biztató működést produkáltak. Hamar elrepedtek a rezgés igénybevételétől, igy nem lehetett hosszú ideig használni, ill. tartósan üzemeltetni az órákat. - Egy újabb kisérlettel, ezuttal HALL szenzorokkal próbáltam a rezgést vezérlelni, de a tekercsek erős mágneses tere rendkívül zavarja a működést. Ezt szeretném megoldani, de egyelőre nem tökéletes. Szia.
Sziasztok!
A Fali_Wand_II-őt, (nyákrugós), egyelőre félretettem, nem tesztelem tovább. Több mint egy hónapig működött folyamatosan, most is rendben van, a nyákrugónak semmi baja. - Most, ahogyan már írtam, egy újabb kisérlet zajlik. A H-hid HALL szenzoros vezérlése nem akar rendesen működni. Egy külön kis mágnes, (a winchesterek parkoló mágnese), lett felragasztva a tekercsektöl távolabb, a rezgő kar oldarára. Ezzel megy valahogy, de igysem tökéletes a működése. Ezzel a megoldással az egyik optikát szeretném majd kiváltani. - Ha valakinek lenne jó kapcsolástechnikai ötlete, hogyan lehetne a H-hidat HALL elemmel vezérlelni, akkor azt szivesen venném, ezért szándékosan nem csatolom a mostani kapcsolási rajzot. Sziasztok.
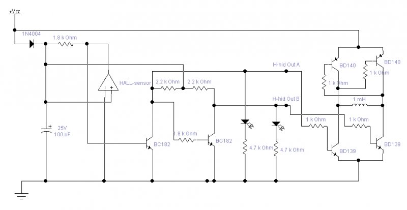
Sziasztok!
Tovább fejlesztettem a Hall generátoros H-hid vezérlését. Az alapötletet egy PC ventillátor motor kapcsolási rajzából vettem. Az áramköri rajzot most mégis feltöltöm, talán lenne valakinek ötlete arra, hogyan lehetne tökéletesiteni. Annyi a gond most ezzel, hogy az egyik oldali tranyó a vezérlőben kicsit nyitva marad, amely a H-hidnak nem igazán jó. Egyébként, mostmár szépen kapcsolgatná az áramírányokat. Sziasztok.
Sziasztok!
Megy a Hall szenzoros H-hid vezérlése. Néhány munka és beállító ellenállást kellett az üzeminél megoldani. Még csak teszt szinten működik, de nagyon stabilnak látszik az összeállítás. Egy régebbi H-hidas 2 optós kapcsolást átalakitottam ideiglenesen, és egy kis PC venti elektronikával vezérlem. Néhány képet feltöltök az összeállításról. Sziasztok.
Sziasztok!
A Hall-szenzor vezérlésű H-hid már jól működő kapcsolási rajzát feltöltöm. A mágneses vezérlést egy, a kar aljára felragasztott kis mágnes végzi. (Előző H.SZ-ben, Hall_a0 képen látható). Ezt előzőleg le kell modelezni, mikor van a legjobb fizikai helyzetben, ezután lehet rögzíteni. Egyre jobban tetszik ez a fajta meghajtás, nem zavarja mostmár semmi a működését. Célszerű egy külön szabályzott (LM317), tápról járatni, mert igen nagy amplitudót eredményez már 7-8V feszültségnél is. Sziasztok.
Sziasztok!
Megépült az új áramkör, ki is próbáltam egy régebbi Wand Clok-kal. A kis mágnest a kar alján úgy kel beállítani, hogy az egyik írányú elmozduláskor kapcsoljon a hid, majd visszatéréskor újra kapcsolnia kell. Itt a legfontosabb, hogy a mágnes É/D vagy D/É íránya ill. síkja pontosan a szenzor fölött haladjon el. Ekkor kapcsolgatja a hidat a Hall szenzor, (oda-vissza) helyesen, különben csak az egyik írány működik, amely semiképp nem eredményez berezgést. Bekapcsoláskor a kart be kell lenditeni. Néhány kép a megvalósított áramköri kapcsolással. Szisztok.
Gratulalok a Hall szenzoros megoldashoz. Igenyes munka.
Szia Gtk!
- Köszönöm a gratulációd, már azt gondoltam senkit nem érdekel ez a megoldás sem. Valóban nehezebben megvalósítható ez a vezérlés, mégis azt gondolom, jobban illik ehez az órához, hiszen sokkal stabilabb a működése. (Nincs zavaró tényező, pl.: erős fény, stb. egyelőre). Lehetséges hogy az óra kijelzését is igy fogom majd vezérlelni, nem optókapuval. A helyes működés beállításához egy sematikus rajzot feltöltök, és az újabb módosított kapcsolási rajzot is, ahol bekarikáztam a külső alkatrészeket. Szia.
Szia Janocsi!
Nagyon tetszik az ötlet. Még csak gyűjtöm a megoldási lehetőségeket ...
Szia Hp41C!
Megvan a Hall szenzoros vezérlése az órának is. Alig kellett módosítani az optó helyére való bekötésen, ill. csak egy 22K Ohm -os felhúzó ellenállás lett a PIC lábára téve és megy is a kijelzés vezérlése. A kisérletek a Hall szenzorral be is fejeződtek, de van még a (4 lábú) Hall vezérlő, amivel szinte egyből lehetne a tekercseket kapcsolgatni. Azt még, ha találok ilyen szenzort, megnézném működés közben is. - Most egy teljeskörű Hall szenzoros Wand Clock fog megépülni, ahol már minden a helyére kerül, és sehol sem kell optókapu, sem a takarólemezek. Ezzel a kar jóval könnyebb lesz, remélem a frekvencia is feljebb fog emelkedni. Néhány kép az összeállításról, szia.
Sziasztok!
Egy újabb Wand Clock vezérlése jött létre, teljeskörű Hall szenzoros megoldással. Nincs optikai kapu sehol az áramkörben, sikerült mindet kiváltani. A Hall szenzorokat PC Mobil Rack kis hütőventikből építettem ki, (2 db 3 lábú kellett hozzá). Elindul a berezgés automatikusan is, ha a H-hid vezérlő szenzor helyzetét jól be tudjuk állitani a kis mágnes alatt. Ilyenkor bekapcsolásra azonnal el kezd berezegni a kar, ez a tökéletesebb működése az órának. A két szenzor, (a hidvezérlő a kis mágnes nyugalmi helyzete alatt), egy ív mentén, állíthatóan vanak felszerelve, igen kis távolságra egymástól. Néhány felvétel az összeállításról, szisztok.
Sziasztok!
Tovább foglalkoztam az új Hall szenzoros vezérlés könnyebb megvalósításával. A kis kapcsolómágnest beépítése előtt célszerű letesztelni a következő módon. Egy kis PC venti áramkört kiszerelünk, és a tekercsek helyére 2 db LED-et 1K Ohm -on bekötünk. Ezután feszültség alá helyezve, (6-12V DC), a mágnest különböző helyzetekben mozgatjuk a szenzor fölötti síkon. Ha jó a mágnes helyzete, oda-vissza kapcsolgatja a LED-eket stabilan, kb 2mm-re a szenzor tól. Megjegyezzük a mágnes pontos pozicióját, majd igy rögzítjük a kar és rugólemez összekötő elemének aljára. A szenzor helyes működéséről egy kis videót feltöltök, valamint néhány képet és a legűjabb kapcsolási rajzot is. Sziasztok.
Sziasztok!
Felakasztottam a falra a Hall vezérlésű Wand Clock-ot tesztelésre. (Digitális ingaóra lesz az új neve). Nagyon nehéz fényképezni, a frekvenciája miatt, lemarad egy-egy szelet a kijelzésből. Ime néhány sikeresebb kép róla, sziasztok.
Szia Hp41C!
Elkészült egy olyan Hall IC-s vezérlés is, ahol egy "4-lábú" szenzor vezérlel egy integrált FET-es H-hidat. (Eredetileg ez egy motorvezérlő áramkör lenne, ide éppen megfelel). A Hall IC neve: 236-304A, a tekercsek vezérléséhez TLE5203 IC-t alkalmaztam. Rendkívül leegyszerűsödött a meghajtó áramkör, hiszen egy kis panelon már csak egy IC, a TLE5203, 6 db ellenállás és 2 db kondenzátor van. Néhány kép, a meghajtó áramköre, és az IC adatlapja. Szia.
Szia!
Elnézést, hogy ilyen későn válaszolok. Utánanézek, hogy esetleg hol tudnék szerezni. Mennyi kellene?
Szia Webinas!
Tőlem privátban kérdezték meg fórumtársak, hogyan lehet hozzájutni ilyen rugólemezhez. Nekem még vagy 6 darabra lenne szükségem, hogy tartalékom is maradjon. - Ez a rugólemez tényleg nem törik el! Azóta folytonosan megy a FaliWand_2, és semmi gondom nincs vele. Megy az újabb Hall szenzoros is ugyanilyen rugólemezzel, ott is kitünő a működése, stabil. - A TLE5203 vezérlő nem váltotta be a hozzá füzött reményeket, működik, de "hátramenet" nincs benne a logikai szintek helyes beadása ellenére sem. Igy csak egyik írányban, féloldalas a vezérlés. A régi tranzisztoros H-hid még mindig sokkal jobban hajt mindkét írányban., annál maradok a Hall IC-s vezérléseknél továbbra is. Még néhány alternativ vezérlést kidolgoztam, ha valakinek lesz kedve, kipróbálhatja egy ilyen megoldással is. Itt az elméleti rajz hozzá. Szia. |
Bejelentkezés
Hirdetés |




















































