Fórum témák
» Több friss téma |
Fórum » Csöves erősítő készítése
Ne feledd betartani a fórum viselkedési szabályait, és a topik megmaradásának feltételeit. [link]
A téma átmenetileg fagyasztva lett, hozzászólni nem tudsz!
Sziasztok,
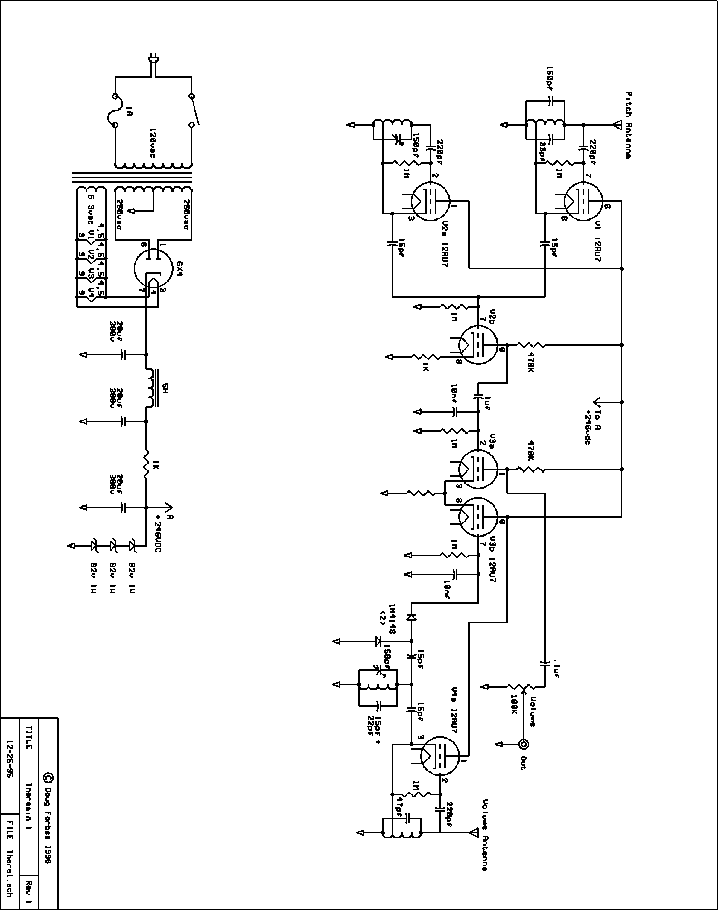
Egy üzleti kéréssel fordulok hozzátok, (igaz hogy ez nem erősítő de elektroncsöves és végülis hangot lehet vele létrehozni) Ha valaki érez magában késztetést és szeretne pénzt keresni az köldjön egy üzenetett. szeretnék csináltatni egy theremin készüléket mellékeltem egy rajzot ha segít nemragaszkodok ehez a megoldáshoz lényeg hogy csöves legyen Bővebben: Link Ajnlatokat várok Elölre is köszönöm.
Szia! Ez egy eyszerű kapcsolás, szerintem próbálkozz meg vele magad. Segíteni tudunk!
Amúgy nem illik ilyet kérni ezen az oldalon. Van elképzelésed arról, hogy mennyiből is jönne ki egyáltalán, vagy mennyit szánnál rá?
A mellékelt rajzon a 6sn7-es csöveket lehet helyettesítani ecc83 vagy ecc82-es csövekkel?
ECC82-vel. A 83-asnak sok lenne a vezérlés (érzékenyebb cső) és torzítana.
Szerintem keresd meg Füle Csabát, ő csinált már elég sok elvetemült hangfrekis kapcsolást, talán ezt is elvállalná.
Írhatsz neki a zoeldnyul27 kukac gmail pont com címre.
És hogyha pl a V2 lenne ecc82 a V1 pedig ecc83? A táp felől elég lenne egy ez81- es egyenirányítócső?
Épptheremint is csinált a múltkor, igaz tranyósat! Én isŐt javaslom! (trafókkalmiúság? )
Az sem megoldás, mert az ECC83-nak az Ri=62,5kohm, míg a másik kettőnek 7,7kohm. nem kompatibilisek ilyen szinten, át kell tervezni(méretezni az áramkört). Könnyebb két ECC82-öt szerezni, no meg olcsóbb is.
Az EZ81 Kevés neki (150mA-es) a rendszer meg kb 200mA körülit ehet minimum. Tegyél be két PY88-at (550mA-es). Ezek is filléres csövek.
Rendben akkor ígylesz. Ha csökkenetm a tápfeszt akko eléglenne 3K os trafó?
Nos,ma(vagyis tegnap) este életre kelt az EMM801 varázsszem!
itt van róla pár kép,a minőségük nem a legjobb,holnap lesznek jobbak!
A tápfesz csökkentés nem járható út. Nem látom a rajzon, mennyi kell neki? 300V körülire saccolom.
Egyébként a kimenő trafóra gondolsz? Az 10kohm-os. Csak az nem tiszta nekem, hogy együtt a két anódé, vagy külön-külön. Szerintem 10k-10k, de kérném valaki más véleményét is.
Igen magas a tápfesz majdnem 500V
Egy másik rajzhoz aminek a végfokrésze majdnem ugyanez és 300v-ról van hajtva 3-4K-írnak. A trafóhoz csináltak műhelyrajzot és 40 1500 40 1500 40 a 40 es menetek sorbavannak kötve 4 ohmra. Ez így jólenne ehez a kapcsoláshoz is vagy másfajta menetszámokban gondolkodjak?
Hali! A Kecskeméti találkozón,ha lenne nálad TO-3 alakú porcelán magnovál foglalat,lehet,érdekelne egy(vagy két)darab.Lenne épp,csak nem egyformák,s nyitott kivitelnél ez nem nagyon előnyös.
Akkor úgy látom,csőfoglalatot is vinnem kell néhányat...
Köszi az infót már beszéltem is vele úgyhogy lehet összejön.
Üdv
Az osztások jók. Megtudod mutatni azt a másik rajzot is?
Elkészült a "mű". Ha minden jól alakul,s remélem így lesz,meghallgatható lesz Kecskeméten,11-én,szombaton.
Ez gyorsan kész lett! Gratulálok! Nagyon tetszik.
Nem rossz. Ez tud legalább 25W-ot/csatorna.
Trafókat még mindig nem tudom, a hétre ígérték, vagy már múlt hétre? Meghagytam ott a számomat, ha behozzák a csomagot, hívnak. Vagy holnap benézek, hátha elfelejtették. Vagy megsürgetem.
Érdemes amúgy ez a kapcsolás, vagyis elég ötletes megoldás, ha jól látom, nagyfrekit csinál 2 oszcillátor, amit aztán kevernek, és az egyiket elhangolva a különbségi frekiből lesz a hang? A hangerőnél meg szintén egy nagyfrekis oszci, és azt egy szűrő után egyenirányítva adja a vezérlő feszt? Ha elhangoljuk, akkor változik a hangerő. Lehet, hogy megcsinálom majd próbaképpen, bár elég macera lehet, jól kell árnyékolni, meg a tekercseket is jól megcsinálni.
Üdv Mindenkinek!
Találtam egy másik kapcsolást csak nem tudom hogy a kimenő trafót át lehetne-eszámolni hogy egy fülhalgatót hajtson meg? És a kimenőtrafó ferritmagra készülhet? Bővebben: Link
Elismerésem! Szép darab! Ezzel már lehet döngetni. Nekem is hamarosan elkészül ennek a kistestvére csatornánként 2 végcsővel és fele teljesítménnyel. De már a próbán bizonyította hogy már nem olyan kevés az SE-hez képest.
A ferrit nem lesz jó, az (csak) nagyfrekvenciára való.
Ja igen! A lábkiosztás itt ROSSZ!!! Nézd ki a cső katalógusából!
Üdv!
Maradok inkább az eredeti OTL-es megoldásos fejhalgató erősítőnél, és inkább a nagy telj. trafó méreteiben bízok hogy nem lessz olyan nagyon nagy. Találtam is egy céget aki EI 120-as vasmagot ajánlott nekem 3Kft-ért. A kimenő trafót milyen vasmagból készítik, és hogyan?
Úgy tűnik, megmenekült
Aktion 2K előkerül akkor meg fog nyugtatni mindenkit. De hogy még nincs kinnt a plakát...?
|
Bejelentkezés
Hirdetés |




Írhatsz neki a zoeldnyul27 kukac gmail pont com címre.
itt van róla pár kép,a minőségük nem a legjobb,holnap lesznek jobbak!
Egy másik rajzhoz aminek a végfokrésze majdnem ugyanez és 300v-ról van hajtva 3-4K-írnak. A trafóhoz csináltak műhelyrajzot és 40 1500 40 1500 40 a 40 es menetek sorbavannak kötve 4 ohmra. Ez így jólenne ehez a kapcsoláshoz is vagy másfajta menetszámokban gondolkodjak?



