Fórum témák
» Több friss téma |
Húúúh ! ez kellett már ide ! most tényleg mindenki Pic meg ténylegeg ez a programozás, de minek !
Engem nagyon érdekelne a keltető gép elkészítése vagyis pontosabban a hőfok szabályzó és a hő adó része ! és ez legyen akár a legprimitívebb is ! Tehát ha van valakinek olyan kapcsolása amiben a hőfokot tudjuk beállítani olyan 37, 38 , 39 Celsius fok környékére ezt nagyon megköszönném ! Lehet nemebbe a fórumba kellene írni, de abban is szeretnék segítséget kérni hogy mivel tudnék fűtést csinálni magában a keltető gépben . Köszönöm szépen előre is !
Bakker, erre válaszolnom kell!
A keltetőgép szzerszám, avval dolgozni kell tudni! Béna asztalos kezében a legjobb gyalu sem ér semmit!
Izzólámpa a legegyszerűbb, és bevált
Elnézésed kérem, hogy kissé ellent mondok neked, de egy keltetőgép sokkal több, mint szerszám. Abban életek jönnek létre. Az is igaz, hogy a tojásban is van élet. De nem olyan látványos, mint amikor a gazdaasszonyok aranyos kis csibéket visznek haza, annak ellenére, hogy szedett-vetett tojásokat hoztak betenni a gépbe. Tapasztaltam már sokszor, hogy a gazdaasszonyok szinte lebegnek az örömtől a csibéik láttán.
Az olyan mosolyokért érdemes élni!
Nos ezt a választ teljesen elfogadom és tökéletesen IGAZAD van! ok!
Köszönöm, de most hogyan tovább?
figyu! holnap nekiiramodok , és leirom , hohy én hogyan csinálom
Csak udvarias érdeklődés, nem tolakodás, a kérdésem.
Hogy haladsz a gépeddel? Nagyon csendben vagy.
Sziasztok véletlenül nincs valakinek egy hőfokszabájzója mert már régóta keresek de nemtaláltam.
Az enyém megfelel?
Ez a fórum minden kérdésedet megválaszolja!
Bővebben: Link
Elnézést, az R9 helyett R10-et irtam. Itt a javitott változat. 33 ohm
Üdv "Műkotlós-barátim"!
Mán csak azért ez a megszólítás, mert pár éve egy szomszédomnak, egy régi, kerek formályú csibekeltetőjéhez segedelmet adtam egy hőfokszabályozó elkészítésével. Hogy ne keljen "próbálkozni", ezért a "tuti" megoldásnak a Baji Elektronika kitt formációban kapható "kiszacskós" kiszerelését használtam fel. Az áramkőr "első rúgásra indult" kategóriájú. Visszaolvasgatva a topikot, -átnézve még a zindexre is- nem nagyon látom a lehetséges megoldások között az általam ajánlotttat. Ajánlom figyelmetekbe!
szia! Nem tudnád megosztani a keltetödnek a rajzát
.mostanában szeretnék egy 100 tojásost csinálni,de amatör vagyok.
Kedves Farkas György!
Én is vettem a Baji elektronika által megszerkesztett kapcsolásból, és készülök beépíteni egy keltetőgépbe. Szeretnék tanácsot kérni, hogy magát az eletronikát a keltetőtésen belül, vagy kívül érdemes elhelyezni? Ha kívül, akkor a termisztorhoz mibőll alakítsam ki a hőrzélkelő szondát? Üdv! HS
Sziasztok. Segitséget szeretnék kérni. Épitettem keltetőgépet amiben 1 db 60Wattos izzó a fútés, nincs is vele semmi bajom, azt leszámítva, hogy kb hetente 1-szer kicsapja az izzót. Szerencsém, hogy még mindég időben észre vettem. (80db tyúk tojásból 74 kikelt) Hely hiány miatt nem tudok 2 db-ot sorba kötni. Szerintetek a csatolt képen lévő ellenállásokkal meg lehet oldani? Köszönöm, ha segítetek.
Nem lehet ezekkel az ellenállásértékekkel megoldani. (80 Ohm körüli kellene.):no: Használj akkor E14-es foglalatban kettő kisebbet, 2x40w sorban, hogy elférjen. Bár akkor más lesz a hőtermelés is.
Hali
Probald meg a relevel parhuzamosan kotni az ellenallast, es igy az izzo kicsit elo lesz futve. Igy a bekapcsolaskor nem a hideg izzora kerul a fesz, es igy sokkal tovabb birja. Udv Vili
Egy kérdést csak egy témában teszünk fel. Olvasd át újra a szabályzatot, kérlek!
Köszönöm a gyors választ, holnap kipróbálom, lehet, hogy 4 db is elfér (110-es pvc cső) 2-2 sorba kötve.
Hali. Köszönöm a segitségedet a másik gépemen ezt a megoldást fogom kipróbálni. Üdv: János
Sziasztok. Ismét segítséget kérek tőletek. Építek egy villanypásztort, de nem tudom, hogy az IRF 250-es tranzisztornak melyik a G- lába. A beültetési rajzon se tudom biztosan értelmezni. Próbálgatni nem akarok, mert nem szeretném tönkre tenni. Ha a feliratos oldalát nézem akkor a bal oldali szerintem. Valaki tud segíteni?
Bővebben: Link :google:
Ott kezdtem és NINCS HOZZÁFÉRÉSI ENGEDÉLYED ezt a választ adta.
Ezt épitsd meg nyugati gujtótrafoval.
Hali mindenkinek.
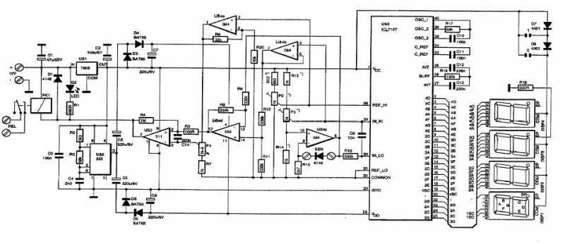
Segítségetek kérem! A mellékelt kapcsolási rajzhoz szeretnék egy leírást szerezni.
Hello.Ahogy olvasom működik a hőfokszabályzód.Ennek örülök.Egyik ismerősöm kapott egy OVO-LUX 100 tipusú keltetőt,de a szabályzója nem jó.Triakos(tic 206d).Viszont látszik,hogy már javították,az érzékelője ahogy látom egy egyszerű tárcsakondi(amit furcsállok)Tudnál ebben segíteni nekem?Köszönettel Imre.jimmy63@citromail.hu
|
Bejelentkezés
Hirdetés |










