Fórum témák
» Több friss téma |
Fórum » Csöves erősítő készítése
Ne feledd betartani a fórum viselkedési szabályait, és a topik megmaradásának feltételeit. [link]
A téma átmenetileg fagyasztva lett, hozzászólni nem tudsz!
Nem tudtok PCL85 PP rajzot adni? Lehetőleg ne kelljen negatív fesz hozzá. Köszi!
Márk, ez a cső nem igazán szerepelt eddig sehol hangfrekvenciás kapcsolásokban. Lehet, hogy valahol publikáltak ilyet, de nem találkoztam vele sehol. A szokásos illesztésű trafókkal igen rossz eredményt ad SE-ben. PP-t - elvileg - lehet 2 csőből készíteni (mint az ECL-PCL-ből), de nem nagyon erőlködött ezzel senki, Csak Dávid.
Hát én sem nagyon találkoztam PCL85 rajzzal, ezért kérdeztem, hátha valamelyikőtöknek van. Na mindegy, akkor nem lesz PCL85 próba a héten. PL500-ra is gondoltam, de ahhoz nincs foglalatom. GU SE-nek nem lemezelem át a trafót, PP-t meg nem építek most belőle. De ha találok egy 1-2 alkatrészes rajzot, akkor lehet.
EcoPityut kérdezd, ő szokta összeborogatni a képkimenő vasakat
Annak a primer része elviekben jól van illesztve a 85-höz, ott a szekunder a bibis, mert az az eltérítőtekercset hajtotta. Igazából próba-szerencse alapon érdemes kísérletezgetni vele, mert PCL85-ből még több van mint 86-ból. Esetleg Paralell PushPull, vagy több csöves SE Valamire biztosan lehet jól használni.
PL500-hoz foglalatot lehet venni Győrben az ócskásnál (Impulzus a neve, csak én hívom így) igaz bakelit, és nyákos, de jó az.Ha jól emlékszem 100Ft körül van, nem pénz érte.
üdv
Köszi az "infót"! Ha legközelebb megyek Győrbe, majd veszek.
Ha van kedved dobd össze ezt a kapcsolást, emlékeim szerint ez volt a leginkább hallgatható, talán a képkimenővel. Akkor még csak 200V-nyi tápom volt, ha magasabb feszről járatod akkor 220, vagy 270 ohm kell a pentóda katódjába.
Én igazából PP-t csinálnék egy 250-250/6,3-4V-os trafóval, de átlemezelni (még) nem szeretném. Képkimenőm meg sajnos nincs.
454335: Potit a katódhoz, milliampermérőt a katód és a poti közé, aztán tekerni a potit . Van kinn az udvaron egy kistévé, azt hiszem Junoszty...
Ez a rajz nem az igazi. Ez a cső nem nagyon szereti a magas segédrácsfeszültséget, ellentétben a 86-ossal. 250 környéki tápfesznél 170V körüli Ug2-vel számolnék, Még így is -16V előfesz kell neki.
Nem kényes a trafóra
Ez a rajz alkatrészgyűjtéssel együtt megvan 20 perc alatt
.454235: Akkor hagyhatom "gyárilag" lemezelve? [off] Egyszerre beindult a téma :yes: .
A rajz tökéletességéről szó sem volt
Csak anno itt hagytam abba a kísérletezgetést, ezt rajzoltam le utolsó működőképes verzióként Természetesen légréses trafó kell hozzá.
Kiszámoltam a trafót, 2,5K/4ohm. Nem teljesen egyforma a két primer, 30ohm eltérés van. De átlaggal számolva jött ki ennyi.
Nincsen valakinek egy kipróbált és jó kimenőtrafó méretezése GU50 SE-hez, 350V-os anód táppal?
Na, rajzoltam egy kicsit. Most tudom csak feltenni.
Így nem lenne jó a PP? A rácshoz mekkora ellenállás kell 340-350V anódfesznél?
Ahogy látom, itt nincs fázis fordítás.
üdv
Mit tegyek, hova?
Márk ez így nem lesz jó. Ahogy Müszi barátunk is mondja, a két végcsőnek ellenfázisú jel kéne, mert így kivonódnak egymásból a trafón a jelek. Az erősebbik csövet hallanád 1-2 tized Wattal.
A csöves erősítők alapvető kapcsolástechnikáját, és működését kéne megismerni, és - gondolom - a fejedbe kéne elraktározni.
Be tudnád rajzolni?
Van itt már ezer ilyen rajz, felesleges volna. Nézd meg a triódát, az is egy megoldás a fázisfordításra. A pentóda helyett mehet a másik trióda.Bővebben: Link
Hello!
Segítséget kérnék! Találtam itthon a fiók mélyén egy nagy elektroncsövet, csak nem tudom hogy milyen fajta mire való?? Van rajta felirat vagy g(fordított "u")450 vagy pedig 6(fordított "u")450. Ha valaki meg tudja nekem mondani hogy mire való vagy egyáltalán miféle cső ez akkor azt megköszönném. üdv!
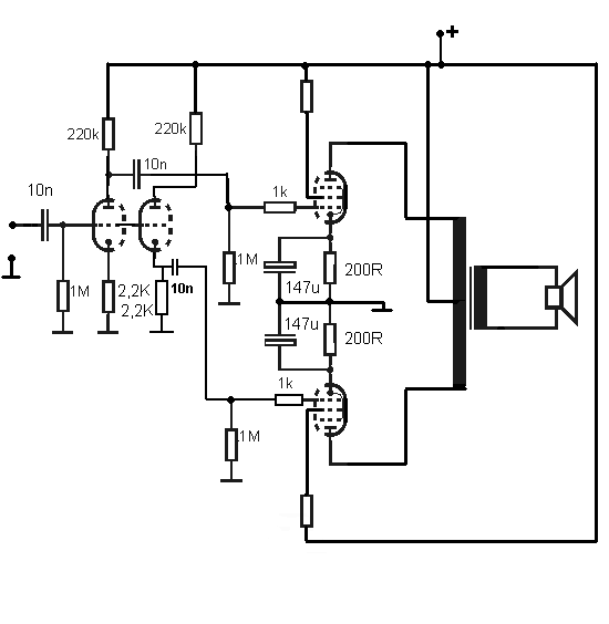
Skicceltem egyet sacc/kb alkatrészértékekkel.
Köszi! A két trióda anódja és vezérlőrácsa közé nem kéne egy kondi?
Ez erőteljesen 6P45Sz-nek néz ki. Az ilyen csövet a jó érzésű emberek fel szokták nekem ajánlani.
Eredeti felhasználása szerint a Szovjet eredetű színes TV-kben volt sorvégcső, ma már nem hinném, hogy ebből százas nagyságrendnél nagyobb tétel üzemelne az országban. Én magam már legalább 10 éve nem láttam ilyen készüléket üzemben. |
Bejelentkezés
Hirdetés |



.




