Fórum témák
» Több friss téma |
- Ez a felület kizárólag, az elektronikában kezdők kérdéseinek van fenntartva és nem elfelejtve, hogy hobbielektronika a fórumunk!
- Ami tehát azt jelenti, hogy a nagymama bevásárlását nem itt beszéljük meg, ill. ez nem üzenőfal! - Kerülendő az olyan kérdés, amit egy másik meglévő (több mint 17000 van), témában kellene kitárgyalni! - És végül büntetés terhe mellett kerülendő az MSN és egyéb szleng, a magyar helyesírás mellőzése, beleértve a mondateleji nagybetűket is!
Üdv!
jobb fellül PAM (impulzus amlitúdó mod) allul PWM (impulzus szélesség, helyzet mod)
A négy válasz közül csak lehet megjelölni!
akkor D, de szerintem PWM et nem PAM-ból szoktak csinálni, bár az ábrákon úgy tűnik hogy így.
Sajnálom, a teszt kitöltése hibás!
Hibás válaszok száma: 1 A regisztráció nem lehetséges! Majd akkor legközelebb... (lehet, hogy jó volt a válaszod! Vol egy másik, amit úgy gondoltam, hogy jó lesz, meg sem kérdeztem... Így utólag megkérdezem: Mire használják a leválasztótrafót?)
Sziasztok!
Volna 1 fontos és sürgős kérdésem. Van egy 12V 4Ah-s motor akkumulátorom. A motoromban (Babetta) az indexet táplálja, visszatöltés nincs. Teljesen lemerült. A kocsinak a töltőjével töltöm. Ez még egy Jugoszláv töltő, 6-12V-os, de többet nem tudok róla. ( Csatoltam 2 képet róla.) Meg tudná mondani valaki, hogy meddig töltsem? Köszi
Szia!
Én úgy tudom, hogy 10 órán keresztül az akkumlátor áramerősségének a 10-edével lehet tölteni. Jelen esetben 12V 0,4A 10 órán keresztül. Javítson ki valaki ha tévednék!
Ahogy a nevében van: elválaszt (galvanikusan) egymástól két hálózatot.
Pl. életvédelmi, érintésvédelmi, földhurok, méréstechnikai, áramkörtechnikai szempontból. A szekunder kört földfüggetlenné, esetleg földszimmetrikussá teszi. Gondolom a kérdés arra irányult, hogy például a számítógépek kapcsoló üzemű tápja közvetlenül a hálózatról üzemel, és ha ebben az áramkörben olyan műszerrel (pl szkóppal) kell méréseket végeznünk, amely le van földelve, akkor a zárlat elkerülése érdekében a tápot csak leválasztó transzformátoron keresztül lehet, és kell üzemeltetni.
Akkor jót jelöltem meg annál a kérdésnél, mert életvédelmi cél-t jelöltem meg. Volt még olyan válasz, hogy nem tudom már mi pontosan, hogy mit csinál a szinusszal
![]() De akkor az a válaszom jó volt, meg a többi is. Akkor itt ezen a grafikonoson ment el a kérdés... Majd akkor pár nap múlva... Még jó, hogy nem égető probléma miatt akarok beregisztrálni... Csak szét szeretnék nézni. Azért köszönöm a segítséget!
Az lehet, csak nem tudom mekkora áramerősséggel tölti.
Nincs mit, az a grafikonos elég megtévesztő.
Biztos nem AM, FM, PCM. Kizárásos alapon csak PWM re gomdolhatott, de akkor mit keres ott a PAM, bár ez is amplitúdó moduáció, de nem hívják AM nek. A harmadik meg leginkább impulzus helyzet moduláció. Passz . . .
Majd Vasárnap lehet megint jövök, valami hasonló kérdéssel, addig már nem leszek itthon. Majd akkor beregisztrálok
Ami késik, nem múlik.
Ez impulzuskód-moduláció, a kép szerintem magának a modulációnak a folyamatábrája, az utolsó fázisban levő impulzusok az előzőnek a bináris értékeit tárolja ( pontosabban az előző /v. eredeti/ ábra amplitúdóját ).
Értem. Hát most már nem tudom kijavítani a tesztet, de legalább ha legközelebb pon ugyanezt a kérdést kapnám (aminek az esélye valljuk be elég kicsi
) akkor már tudni fogom.
sziasztok légyszíves segítsetek van egy 30cm neoncsövem és én azt hogyan tudnám megvilágítani mi kell hozzá aki tudja magyarázza el ha valakinek van msn-e akkor vegyen fel és legyen olyan kedves mondja el előre is köszönö viszlát
msn- davidgun01@citromail.hu
Üdvözlet kedves fórumozók!
Lenne egy olyan kérdésem, hogy rá lehet-e égetni a boltban kapható spray festékeket a fém dobozokra (tulajdonképpen itt lesz a kérdés elektronikai kapcsolódású, ugyanis szeretném bedobozolni a kis ketyeréimet, és az egyiknél már csak a dekoráció van hátra). Tehát ha lefújom a nyers alumínium dobozt mondjuk kékkel, hagyom megszáradni és beteszem a sütőbe, akkor a festés tönkremegy vagy rendesen ráég? Egyáltalán létezik-e ilyen festék, és érdemes-e ezzel házilag vacakolni? A válaszokat előre is köszönöm. Ballage
Bocsánat! Igazad van, Az kevert meg, hogy az értékek rendre 10, 9, 4, 12, és 8 ebből az első 10 es érték, ha jól olvasom, és nem 11, akkor úgy kéne kezdődnie hogy 1010, és az ábrán 1011 van. a többi stimmel.
Rájöhettem volna, hogy a PCM -et PAM ból csinálják. Mégyszer bocs a félrevezetésért
Hello!
Menj át a dobozolási ötletek topicba. Ott volt róla szó. Ha jól emlékszem, akkor valaki p20-al dekorálta ki a dobozát, beleégette és szép fekete lett. Ott majd segítenek.
Helló!
Mivel itt a nyári szünet csinálnom kell valami hasznosat... Arra gondoltam elkezdek foglalkozni Mikrokontrollerekkel. Az lenne a kérdésem hogy érdemes elkezdeni foglalkozni vele? Mármit nagy ördöngősség? És a kettő közül melyiket válasszam? (PIC, AVR,)
Köszi a gyors választ.
Szerintem AVR-es nyaram lesz!
Attól függetlenül szerintem neked is igazad van, megállapodhatunk abban, hogy ez az ábra tényleg vacak, jobb lett volna, ha normálisabban jelzik a kódsorozatokat, vagy a kvantálási szinteket, így nem kéne találgatni, hogy ez most 3 különálló ábra-e, vagy összetartoznak netalántán. Szerintem 3 emberből 3 különálló véleményen lenne, ha ezt a képet így odatenném az orruk alá..
Szia!
Akkor ahogy Írtad: C6 helyére egy 100ľF/25V kondi C5 helyére egy 100nF-os kondi R3 helyére egy 1ohm ellenállás Ha így megcsinálom akkor működni fog?
A PWM-nek mindig azonos a frekvenciája.
A kitöltési tényező ami változik a frekvencia állandó. A helyes megoldás a PCM lett volna. Azt PAM jelekből állítják elő.
Sziasztok!
Létezik olyan, hogy egy dióda hibás, a digitális multiméter mégis azt mondja, hogy jó? Én ilyet akkor tapasztaltam, amikor tv-ben egy zener diódán nem volt feszültség, kivettem, kimértem, és a műszer azt mondta jó, visszatettem, továbbra se volt fesz, és más hibás alkatrészt nem találtam, kicseréltem a diódát, és az eltűnt feszültség meglett, szóval a dióda volt rossz. Ilyen hogy lehetséges? Nem értem...
Szia!
Kis üveg tokozású diódákkal sokszor jártam úgy, hogy kontakt hibás volt. Gyanús esetekben nem is érem inkább cserélem őket.
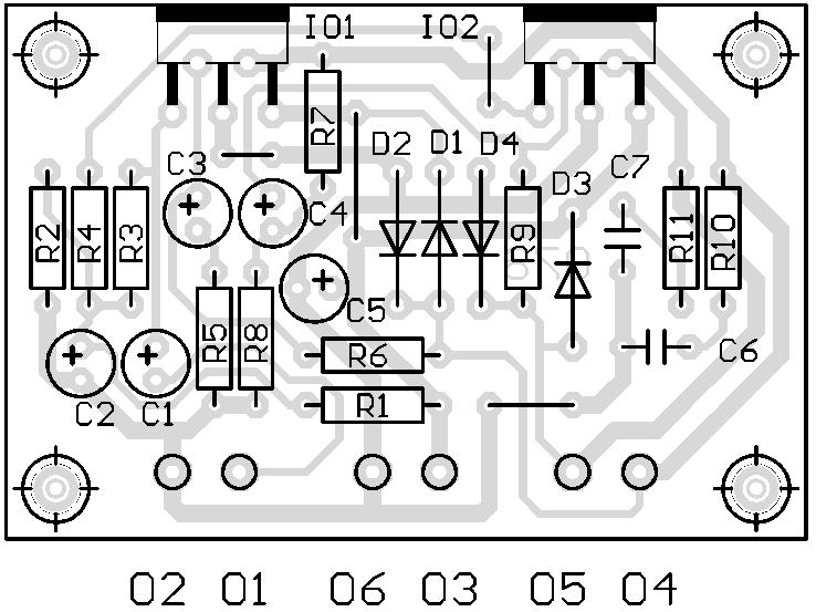
Sziasztok a linkelt erősítőhőz szeretnék segítséget kérni
belinkeltem kapcsolási rajzot és a nyák rajzot és az a gondom hogy nem tudom hova kell kötni bemeneti hangot a tápot és a kimeneti hangot addig rájöttem hogy az alsó hat karikákhoz de nem tudom melyik melyik.
01:hang, árnyékolt kábel meleg ér.
02:hang, árnyékolás. 03:+ tápfesz 04, és a 05:hangszóró 06:tápfeszültség test (-)
A hangszóró + / - -át nem tudom.
A bemenet jobb oldalára kerül a jel, bal a közös pont.
Hello, a 04-es a pozitív.
|
Bejelentkezés
Hirdetés |










