Fórum témák
» Több friss téma |
Fórum » Csöves erősítő készítése
Ne feledd betartani a fórum viselkedési szabályait, és a topik megmaradásának feltételeit. [link]
A téma átmenetileg fagyasztva lett, hozzászólni nem tudsz!
Mikor én kerestem akkor sem volt , elfekvőben talán még most is beszerezhető .
Idézet: „Amúgy hogy sikerül megfognod a kb 200°C-os csövet?” Nem nehéz ! Én is megfogtam tegnap a forró El34-et ...
[off]A pákát sem nehéz megfogni... Igaz, én még csövet nem fogtam de biztos nem lenne sokáig ott a kezem.
nekem sem volt
Én építettem egyet XR 2206-tal az urbán félét, de az értelmetlen TDA2030-assal megvalósított kimeneti fokozatot kihagytam. 2004-ben kezdtem el, de még mindig nincs kész a digitális skálája, meg a kimeneti erősítő, de maga a generátor működik. Színuszjele nem a legszebb, de a három- és négyzsögjel egész jó . Építettem egy über egyszerű TL071-es wien hidas-t is FET-es amplitudostabilizátorral, ez 10 Hz-től 110 kHzig dolgozik, 4 fokozatban állítható a frekvenciasáv, és ezerszer szebb a színusza , mint az XR-nek. Ez mondjuk még csak pöttyös nyákon van, de már terveztem hozzá nyákot, és ki is marattam, majd egyszer megépítem
Ha már ilyen rázós dolgokról van szó:
a hétvégén az EL 84 dobozolása közben sikerült kicseleznem a Fi relét, egyszerre értem hozzá a csatlakozón a fázishoz és a nullához...
Az szép lehetett.... Én még a kezdetek-kezdetén egy sorkapocs kicsavarozása közben fogtam meg a fázist, én barom nem húztam ki előtte a dugót a falból... Azóta 2szer is megnézem.
Üdv! Az alábbi mini csöves gitárerősítőt fogom megépíteni alkatrészekből: http://licho.rowerpower.org/gitara/practic2_lite.gif
Az alkatrészeim egy régi Videoton R4900-as rádióból vannak. (müködő rádióból bontottam ki még korábban) Egyik ismerősöm azt mondta, hogy a rádió trafóját ne használjam fel, inkább vegyek egy újat, mivel a gitár húrjai testre vannak kötve, és bármilyen apró táphiba esetén áramütést kaphatok. Erről mi a véleményetek? Valahogy esetleg nem lehet újra tekercselni a trafót hogy biztonságos legyen, vagy valami védelmet beépíteni? Tudomásom szerint az ilyen trafók elég drágák, és szinte sehol se lehet beszerezni őket Köszi a segítséget!
Ismerősöm arra gondolt pontosabban, hogy mivel régi drót a trafóban, ha valami oknál fogva áthúz az egyik tekercs a másikba, akkor rögtön fázis lesz a GND-n. Fontos hogy biztonságos legyen az erősítőm, de mégse nagyon szeretnék több ezreket költeni drága új trafóra.
Úgy van Zolikám! Nem rosszabbak ezek mint a mai vackok. Mondjuk én le tudnék bent tesztelni egy ilyen trafót szigetelés vizsgálóval a primer és szekunder között. Van pár ilyen trafóm.
Idézet: Elhiheted hogy ezek a régi trafók azért jól voltak elkészítve ! Az eggyik tekercs a másikba áthhúz ? HÁÁT ez nem olyan eyszerű csak úgy nem húz ám át mert eléggé tisztességesen elvannak szeparálva egymástól ,megfelelő szigetelő anyaggal .Itt már sokan használtunk erősítő építéséhez régi rádióból kibelezett hálózati tranzformátort . Viszont szerintem még nem nagyon volt ezekkel gond ? Sok esetben talán ezek a régi trafók még biztonságosabbak mint egy kóklányul elkészitett trafó! „hogy mivel régi drót a trafóban, ha valami oknál fogva áthúz az egyik tekercs a másikba, akkor rögtön fázis lesz a GND-n. Fontos hogy biztonságos legyen az erősítőm”
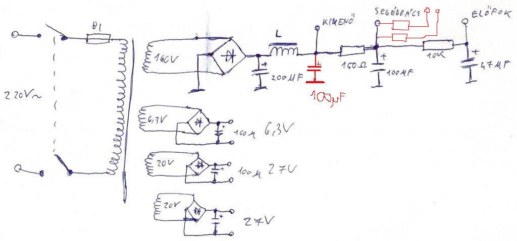
Na kicseréltem 150Ω-ra a segédrács ellenállatot. Így valamivel jobb, de még mindíg egy X idő után gerjed. Ha megvan a gerjedéshiba utána nekiállok és összerakom, hogy az előfok is belegyen kötve a tápra, mert most lekötöttem, hogy fölösben ne kapja a tápot.
Ahogy átnézem az erősítőt egyre jobban a Tápnál szimatolok balhét. A teljes táprajz mellékelve van. Esetleg arra gondoltam még, hogy lehet a 100 meg 200µF mellé nem ártana 1-1 100nF-os kondi szűrésre. Lehet hogy ez a baja a dolognak? ( Az anódtáp graetz hídja meg idővel módosul majd fesz kétszerezőre, hogy meglegyen a szükséges teljesítmény )
Még egy kondi hiányzik ezt jelöltem. A segédrácsra a táp segédrács pontjáról még kell egy akkora soros ellenállás külön csövenként hogy a segédrácson 100-120V legyen.
Mindig lehagy néhány kondit .
Fűtések is a levegőben lógnak .
Köszi a tippet, minnyá moddolom
Nem, annál jóval nagyobb. Ki lehetne számolni hogy 120 volt van a segédrácson akkor 100 voltnak kell esnie az ellenálláson de ahhoz tudni kéne a segésrács áramot. Én kikísérletezném. Szerintem a kondi amit berajzoltam megoldja a brummot.
Okés! Átkötöm, mert nem így van / pillanat
Ja és a fűtéseknél a negatívokat köthetnéd mind testre.
Tuti ? nem fog betenni neki?
Nem kellene neki bajt csináni mivel nincs galvanikus kapcsolat a fűtőtekercsek között. Csak a fűtés graetz-ek után a negatívokat kösd testre.
Miért tenne? a 6,3 mas fűtésnek legalább 10000 µF szűrés kellene.és jobb lenne CRC szűrés, így az R taggal be is tudnád állítani pontosan a feszültséget! De az sem világos, hogy mit értesz gerjedés alatt? Mert egyszer brummról beszélsz, egyszer gerjedésről !
Az előző egyik hozzászólásomban ott az MP3 minta...
Hát ez bizony brumm...
Igen brumm, de ez a komisz kismaci, nem egyből jelentkezik, hanem amikor a csövek már tűzforróak akkor jelenik meg... :wow1:
Nem lehet hogy betegek a végcsöveid?
üdv
Zsír Új PL504-es az egyik, a másik meg egy alig használt cső?!
Most érdekes, de úgy néz ki nem brummog a kismedve
. a Testre lekötöttem a fűtést és most jó. Ami meg a segédrácsszűrést illeti, egy 47µF-os kondi van erre a célra. mert egy 1976-os Vidi TV kondija van beleépítve és az 200+100+47µF-os Viszont az előfoknak kell keresnem külön 1-et mert nincs hely még 1 kondinak a Sasszén ( Ami meg a freki átvitelt illeti, gondolom ha a 8.2nF-os bemeneti kondikat kicserélgetem nagyobbra pl.: 100-470nF akkor jobb lesz a hangja, mert a kimenőt már mértem és nagyon jó a freki átvitele: 15Hz-45kHz )
A kimenődnek tényleg nagyon jó a freki átvitele ....de valóban ilyen jó? A mért alacsony frekihez már komoly méretek kellenének.
Jelenlegi PSE alkalmazásban ez nem valós frekiátvitel .
Biztos nem is teljesíti és nem is az áramkörbe beépítve mért adat . |
Bejelentkezés
Hirdetés |


Tudomásom szerint az ilyen trafók elég drágák, és szinte sehol se lehet beszerezni őket Köszi a segítséget!
Ahogy átnézem az erősítőt egyre jobban a Tápnál szimatolok balhét.
A teljes táprajz mellékelve van. Esetleg arra gondoltam még, hogy lehet a 100 meg 200µF mellé nem ártana 1-1 100nF-os kondi szűrésre. Lehet hogy ez a baja a dolognak?
) 

) 




