Fórum témák
» Több friss téma |
Fórum » Házilag építhető fémkereső
Hello!
Az 1 forintost, ma már tényleg 5-ről lehet érzékelni.. ![]() üdv! proli007
Szia Berkesandor!
Sajnos most nem igazán tudunk tanácsot adni, mert akik ebbe a topikba írtak, azok közül senki sem csinált PinPopointert..
Szia Huba! (Azért címzem neked az üzenetet, mert most konkrétan a MP3-al kapcsolatban írok.)
A mai nap volt egy kis időm, így megcsináltam rendesen az AVR programozóm, és kisérleteztem is egy kicsit. A nemrég általam említett német felhasználó írt még más programot is a keresőnkre, amit most be is csatolok mellékletként. Ezeket kipróbálva az érzékenység tényleg ugrásszerűen növekszik! Egy 20-as gyors söprögetéssel kb 25cm-ről lazán észrevehető, és ha fölötte hagyon a keresőt, akkor 35-40 (!)cm-ről adja az egyre jobban berregő hangot! 3 féle programot írt: ALL METAL, GOLD, IRON. Ezek nagyjából a a nevükhöz mérten hoznak nagyobb érzékenységet, más fémek rovására. A GOLD-dal pl már határozottan észlelhető egy kisebb aranygyűrű, kb 5-10cm-ről. Szóval tényleg jók a programok, de hogy nehogy nagyon beleéljük magunkat, ezeknek is van hátrányuk: Ahogy észrevettem, a földhatás már erősen közrejátszik (vagy mi építkeztünk aranymezőre, nemtudom ), és a kijelző süket, mert annak a vezérlését már nem írták meg.. Na szóval jelenleg ennyi újdonsággal tudok szolgálni..
Na ez érdekes. Ezek szerint kell mellékelni még vezérlőt a kereső dobozába és csak cserélgetni kell, de el tudom képzelni az egybevont változatot, mikor a nem használt bemenő lábra kötött potival lehet állítani a módokat.
De ez nem rajtunk múlik, esetleg ha annyira unatkozik valaki, hogy leméri ezeknek a programoknak a mintavételezési idejét és leprogramozza, még nem vetemültem annyira el, most a tekercsemet kellene valamibe bezárni hogy használható legyen.
A srác írta is, hogy ő is pont egy kapcsolót tervezett, és így tudta a módokat váltani. Sajnos ezzel sem készült el...
Egyébként én pont úgy csináltam, ahogy mondtad: 2 AVR-em van, az egyiken maradt az eredeti progi, a másikon pedíg az aranykereső! ![]() Én a keresőfejjel nem szórakoztam sokat, vettem 350ft-ért egy müanyag lavort, aminek az aljába pont belepasszolt a tekercsem. Levágtam a lavor peremét kb 4-5 centi magasra, de hagytam egy kis részt magasabbra, aminél fogva a szárhoz lehet erősíteni. A tekercset 4 kábelbinder tartja a lavorban. Fél órás meló, nem szép, de a célnak egyenlőre tökéletesen megfelel.
Üdv Mindenkinek!
Tudnátok ajánlani erősebb és stabilabb tranyót ezeknél: c32725 ph5v, c548c ph83? Van egy keresőm és javasolták, hogy ha teljesítmény növekedést akarok elérni, akkor cseréljem a tranzisztorokat első körben. Köszönöm a segítséget!
Szia ! Légyszíves néz meg, hogy a minipuls-2-re nincs másik program. Mert én azt csináltam meg. Az enyémben az AVR is más típusú.
Köszi:nagy hoho
Helló! Egy rajzot tegyél fel mert ezekről a tranyókról nem hallottam. Illetve a C548c az a BC548C lesz.
Üdv nagy hoho!
No, akkor előkotortam a papírját, amelyen ez áll: bc 547, bc 548, bc 549 NPN és bc 558 PNP tranzisztor. Bocs az előbbiért, csak azokat az adatokat közvetlenül a tranyókról olvastam le.
Helló! Tedd fel a rajzot úgy könnyebb vagy legalább a kereső típusát. Vagy ,hogy milyen rendszerű pl: PI, IB, stb
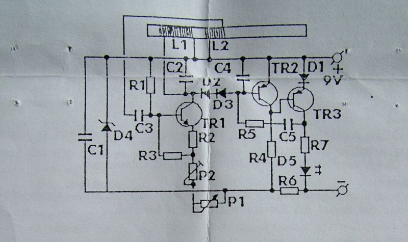
Hello! Ez a rajz van hozzá, amit csatoltam. Ez egy igen egyszerű pici kereső. Viszonylag felszínközelben kellene egy csövet megtalálnom, de arra elég gyenge. Ezért szerettem volna picit megnövelni a teljesítményét.
Ezt én is megcsináltam. A teljesítmény növelés engem is érdekelne, mert ez megfelelne pinpointernek is.
A két kép két variáció, de lényegében ugyanaz.
Helló! Ez a kereső tranzisztor cserével sem fog többet tudni. Ahhoz ,hogy egy csővet 20 -30 cm mélyen megtalálj már egy komolyabb kereső kell. Ha ilyen egyszerű lenne az érzékenység növelése akkor nem építenénk 10 db IC-ből és még két marék alkatrészből keresőt. Szerintem csinálj egy PI rendszerű egyszerűbb keresőt ami már egy csövet 30-40 cm mélyen meg talál.
Nem csak megfelel, ez gyakorlatilag az is, csövet lehet vele keresni, de csak falban. Nem is jó, ha túl érzékeny. Ha egyszerű detektort akarsz, csinálhatsz BFO -t, láttam már olyat, ami használható volt, viszont ha nincs sok tapasztalatod, egyszerűbb venni, 30ezerért már olyat kapni, amit tapasztalat nélkül szinte lehetetlen megcsinálni. Ezt meg tedd el, mert ha lesz egy keresőd, a pinpoiter igen hasznos eszköz
De nincs véletlenül valami jó kapcsolási rajzod ferrit rudas keresőhöz?
Mi a jó? Szerintem arra, amire való, ezek a rajzok is elég jók. Ezek pár centit tudnak. Én találtam egy olyat, amit csatolok, ezt megcsinálom a jövőhéten, próbából, pinpointernek (pár centis keresésre).
Épített itt után valaki Fisher 1260, 1266 ot, esetleg 1270 et?
Úgy tudom az IC nem beszerezhető. Vagy jó helyette valami más?
Ma már minden beszerezhető
http://hu.farnell.com/jsp/search/browse.jsp;jsessionid=5LXQEMT3XDZD...672651 van egy másik rajz is, de cs209 valóban nem egyszerű. A két IC kb ugyan az lehet... Nem írtad, mi a jó, mire kell. Ha kincset akarsz ásni, felejtsd el a ferritest
Ja, a farnell-nek van magyar képviselete, ha oda kéred nincs költség.
Pinpointerre lenne szükségem. Amikor a "nagy" fémkereső jelez, elkezdesz ásni. De a kiásott földben nem mindig egyszerű megtalálni az apróbb fémtárgyakat. Erre kellene egy kis könnyen kezelhető (ferrit rudas) kereső.
Na akkor egy cipőben járunk, kezdtem aggódni, hogy valaki ezzel akar keresnei. Nekem az IC-s tetszik, aki megcsinálta az azt állítja, jó, de van egy másik rajzom, ez az automax v4 100usd körül van, sajnos nics hozzá semmi a rajzon felül, kísérletezgetni kell a tekerccsel, ráadásul smd.
Van nekem egy fémképem az automax-ról, és azon látszik egy másik panel is, egy 8 lábú IC-vel, ami nincs rajt ezen a rajzon. És akkor még mindig ott van a két tekercs... Ez már nagyon nyűgösnek tűnik nekem.
És ezek?
A első hogyan működik? Csak egy tekercs van benne.
Fordítva lettek a képek. Az hogyan működik amiről két kép van?
Érdekes, akitől az automax van nem szokott rossz rajzot adni.
Egytekercses működhet, olyan mint egy rendes fémkereső, de én azt nem tudom megmondani, jó-e és ha igen mennyire. Ritkán babrálok LC osszcillátorokkal, de szerintem a frekiváltozásból szűr egy kitöltési tényezőt, ez egy egyenszint lesz, és ennek a változását indikálja egy diferenciál erősítő. Kissé bizar. Az ozzy-t nem találtam sehol a neten, ez így elég bizalmatlanná tesz. Én olyat szeretek csak csinálni, ami másnak már bevállt, mert egy párezer forintos kütyüvel kár hetekig kísérletezni. (igaz a detectoromra fordított munkaórákat nagyon alacsony órabérrel számolva is kijőnne egy pár csúcsgép )
Megjegyzem, pár éve hozott egy ismerősöm amerikából egy játék fémkeresőt, ha jól emlékszem 5dollár volt. Panaszkodtak, hogy lehetne érzékenyebb, alu nyilvesszőket akatrtak keresni a fűben. Szétszedtem, egy BFO cucc volt kb 3 tranzisztorral és olyan 15 cm-es keresőfejjel. Kis állítgatással egy régi 2forintost kb 15cm-ről érzékelt amivel sok rádiótechnika évkönyves kapcsolással felvette a versenyt....5 dollárét....3 tranyóval
Találtam még egyet, aki megcsinálta elég nagy barbár volt, de van hozzá nyákterv, így sokat nem kell vele babrálni, ha nem jó, valami kisgyerek biztos örül neki a környéken.
A tekercs alá a ferritre érdemes egy papíralátétet tenni, hogy lehessen állítani a tekercseket.
Most nézem a Garrett pinpointer csodáját, még fölkaparó él is van rajta, valami élelmes 38k-t akar érte kérni zsibvásáron, igaz kint 127dolcsi a googlen feljövő első oldalon.
Ne ez sem tud többet 2cm-nél
link meg lemeradt, valami garrett reklámfilm lehet, mert a kereső, de még a lapátka is márkahű, ami közel 4rugó
http://www.youtube.com/watch?v=Rq83_DCLYLY |
Bejelentkezés
Hirdetés |





), és a kijelző süket, mert annak a vezérlését már nem írták meg..
De ez nem rajtunk múlik, esetleg ha annyira unatkozik valaki, hogy leméri ezeknek a programoknak a mintavételezési idejét és leprogramozza, még nem vetemültem annyira el, most a tekercsemet kellene valamibe bezárni hogy használható legyen. 










)





