Fórum témák

» Több friss téma
Fórum » Házilag építhető fémkereső
Lapozás: OK   14 / 272
(#) proli007 válasza berkesandor hozzászólására (») Jún 30, 2009 /
 
Hello!
Az 1 forintost, ma már tényleg 5-ről lehet érzékelni..
üdv! proli007
(#) koadi válasza berkesandor hozzászólására (») Júl 4, 2009 /
 
Szia Berkesandor!
Sajnos most nem igazán tudunk tanácsot adni, mert akik ebbe a topikba írtak, azok közül senki sem csinált PinPopointert..
(#) koadi válasza huba hozzászólására (») Júl 4, 2009 / 1
 
Szia Huba! (Azért címzem neked az üzenetet, mert most konkrétan a MP3-al kapcsolatban írok.)
A mai nap volt egy kis időm, így megcsináltam rendesen az AVR programozóm, és kisérleteztem is egy kicsit. A nemrég általam említett német felhasználó írt még más programot is a keresőnkre, amit most be is csatolok mellékletként. Ezeket kipróbálva az érzékenység tényleg ugrásszerűen növekszik! Egy 20-as gyors söprögetéssel kb 25cm-ről lazán észrevehető, és ha fölötte hagyon a keresőt, akkor 35-40 (!)cm-ről adja az egyre jobban berregő hangot!
3 féle programot írt: ALL METAL, GOLD, IRON.
Ezek nagyjából a a nevükhöz mérten hoznak nagyobb érzékenységet, más fémek rovására.
A GOLD-dal pl már határozottan észlelhető egy kisebb aranygyűrű, kb 5-10cm-ről.
Szóval tényleg jók a programok, de hogy nehogy nagyon beleéljük magunkat, ezeknek is van hátrányuk:
Ahogy észrevettem, a földhatás már erősen közrejátszik (vagy mi építkeztünk aranymezőre, nemtudom ), és a kijelző süket, mert annak a vezérlését már nem írták meg..
Na szóval jelenleg ennyi újdonsággal tudok szolgálni..
(#) huba válasza koadi hozzászólására (») Júl 4, 2009 /
 
Na ez érdekes. Ezek szerint kell mellékelni még vezérlőt a kereső dobozába és csak cserélgetni kell, de el tudom képzelni az egybevont változatot, mikor a nem használt bemenő lábra kötött potival lehet állítani a módokat. De ez nem rajtunk múlik, esetleg ha annyira unatkozik valaki, hogy leméri ezeknek a programoknak a mintavételezési idejét és leprogramozza, még nem vetemültem annyira el, most a tekercsemet kellene valamibe bezárni hogy használható legyen.
(#) koadi válasza huba hozzászólására (») Júl 5, 2009 /
 
A srác írta is, hogy ő is pont egy kapcsolót tervezett, és így tudta a módokat váltani. Sajnos ezzel sem készült el...
Egyébként én pont úgy csináltam, ahogy mondtad: 2 AVR-em van, az egyiken maradt az eredeti progi, a másikon pedíg az aranykereső!
Én a keresőfejjel nem szórakoztam sokat, vettem 350ft-ért egy müanyag lavort, aminek az aljába pont belepasszolt a tekercsem. Levágtam a lavor peremét kb 4-5 centi magasra, de hagytam egy kis részt magasabbra, aminél fogva a szárhoz lehet erősíteni.
A tekercset 4 kábelbinder tartja a lavorban. Fél órás meló, nem szép, de a célnak egyenlőre tökéletesen megfelel.
(#) pulseman hozzászólása Júl 8, 2009 /
 
Üdv Mindenkinek!
Tudnátok ajánlani erősebb és stabilabb tranyót ezeknél: c32725 ph5v, c548c ph83?
Van egy keresőm és javasolták, hogy ha teljesítmény növekedést akarok elérni, akkor cseréljem a tranzisztorokat első körben.
Köszönöm a segítséget!
(#) nagy hoho válasza koadi hozzászólására (») Júl 8, 2009 /
 
Szia ! Légyszíves néz meg, hogy a minipuls-2-re nincs másik program. Mert én azt csináltam meg. Az enyémben az AVR is más típusú.
Köszi:nagy hoho
(#) nagy hoho válasza pulseman hozzászólására (») Júl 8, 2009 /
 
Helló! Egy rajzot tegyél fel mert ezekről a tranyókról nem hallottam. Illetve a C548c az a BC548C lesz.
(#) pulseman válasza nagy hoho hozzászólására (») Júl 8, 2009 /
 
Üdv nagy hoho!
No, akkor előkotortam a papírját, amelyen ez áll: bc 547, bc 548, bc 549 NPN és bc 558 PNP tranzisztor. Bocs az előbbiért, csak azokat az adatokat közvetlenül a tranyókról olvastam le.
(#) nagy hoho válasza pulseman hozzászólására (») Júl 8, 2009 /
 
Helló! Tedd fel a rajzot úgy könnyebb vagy legalább a kereső típusát. Vagy ,hogy milyen rendszerű pl: PI, IB, stb
(#) pulseman válasza nagy hoho hozzászólására (») Júl 9, 2009 /
 
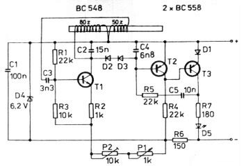
Hello! Ez a rajz van hozzá, amit csatoltam. Ez egy igen egyszerű pici kereső. Viszonylag felszínközelben kellene egy csövet megtalálnom, de arra elég gyenge. Ezért szerettem volna picit megnövelni a teljesítményét.

masina.jpg
    
(#) berkesandor válasza pulseman hozzászólására (») Júl 9, 2009 /
 
Ezt én is megcsináltam. A teljesítmény növelés engem is érdekelne, mert ez megfelelne pinpointernek is.

A két kép két variáció, de lényegében ugyanaz.
(#) nagy hoho válasza pulseman hozzászólására (») Júl 10, 2009 /
 
Helló! Ez a kereső tranzisztor cserével sem fog többet tudni. Ahhoz ,hogy egy csővet 20 -30 cm mélyen megtalálj már egy komolyabb kereső kell. Ha ilyen egyszerű lenne az érzékenység növelése akkor nem építenénk 10 db IC-ből és még két marék alkatrészből keresőt. Szerintem csinálj egy PI rendszerű egyszerűbb keresőt ami már egy csövet 30-40 cm mélyen meg talál.
(#) Yowie válasza berkesandor hozzászólására (») Júl 11, 2009 /
 
Nem csak megfelel, ez gyakorlatilag az is, csövet lehet vele keresni, de csak falban. Nem is jó, ha túl érzékeny. Ha egyszerű detektort akarsz, csinálhatsz BFO -t, láttam már olyat, ami használható volt, viszont ha nincs sok tapasztalatod, egyszerűbb venni, 30ezerért már olyat kapni, amit tapasztalat nélkül szinte lehetetlen megcsinálni. Ezt meg tedd el, mert ha lesz egy keresőd, a pinpoiter igen hasznos eszköz
(#) berkesandor válasza Yowie hozzászólására (») Júl 11, 2009 /
 
De nincs véletlenül valami jó kapcsolási rajzod ferrit rudas keresőhöz?
(#) Yowie válasza berkesandor hozzászólására (») Júl 11, 2009 /
 
Mi a jó? Szerintem arra, amire való, ezek a rajzok is elég jók. Ezek pár centit tudnak. Én találtam egy olyat, amit csatolok, ezt megcsinálom a jövőhéten, próbából, pinpointernek (pár centis keresésre).

TDA0161B.png
    
(#) Yowie hozzászólása Júl 11, 2009 /
 
Épített itt után valaki Fisher 1260, 1266 ot, esetleg 1270 et?
(#) berkesandor válasza Yowie hozzászólására (») Júl 11, 2009 /
 
Úgy tudom az IC nem beszerezhető. Vagy jó helyette valami más?
(#) Yowie válasza berkesandor hozzászólására (») Júl 11, 2009 /
 
Ma már minden beszerezhető

http://hu.farnell.com/jsp/search/browse.jsp;jsessionid=5LXQEMT3XDZD...672651

van egy másik rajz is, de cs209 valóban nem egyszerű. A két IC kb ugyan az lehet...

Nem írtad, mi a jó, mire kell. Ha kincset akarsz ásni, felejtsd el a ferritest

rajz.gif
    
(#) Yowie válasza Yowie hozzászólására (») Júl 11, 2009 /
 
Ja, a farnell-nek van magyar képviselete, ha oda kéred nincs költség.
(#) berkesandor válasza Yowie hozzászólására (») Júl 11, 2009 /
 
Pinpointerre lenne szükségem. Amikor a "nagy" fémkereső jelez, elkezdesz ásni. De a kiásott földben nem mindig egyszerű megtalálni az apróbb fémtárgyakat. Erre kellene egy kis könnyen kezelhető (ferrit rudas) kereső.
(#) Yowie válasza berkesandor hozzászólására (») Júl 11, 2009 /
 
Na akkor egy cipőben járunk, kezdtem aggódni, hogy valaki ezzel akar keresnei. Nekem az IC-s tetszik, aki megcsinálta az azt állítja, jó, de van egy másik rajzom, ez az automax v4 100usd körül van, sajnos nics hozzá semmi a rajzon felül, kísérletezgetni kell a tekerccsel, ráadásul smd.
(#) berkesandor válasza Yowie hozzászólására (») Júl 11, 2009 /
 
Van nekem egy fémképem az automax-ról, és azon látszik egy másik panel is, egy 8 lábú IC-vel, ami nincs rajt ezen a rajzon. És akkor még mindig ott van a két tekercs... Ez már nagyon nyűgösnek tűnik nekem.
(#) berkesandor válasza Yowie hozzászólására (») Júl 11, 2009 / 1
 
És ezek?
A első hogyan működik? Csak egy tekercs van benne.
(#) berkesandor válasza berkesandor hozzászólására (») Júl 11, 2009 /
 
Fordítva lettek a képek. Az hogyan működik amiről két kép van?
(#) Yowie válasza berkesandor hozzászólására (») Júl 11, 2009 /
 
Érdekes, akitől az automax van nem szokott rossz rajzot adni.

Egytekercses működhet, olyan mint egy rendes fémkereső, de én azt nem tudom megmondani, jó-e és ha igen mennyire. Ritkán babrálok LC osszcillátorokkal, de szerintem a frekiváltozásból szűr egy kitöltési tényezőt, ez egy egyenszint lesz, és ennek a változását indikálja egy diferenciál erősítő. Kissé bizar.

Az ozzy-t nem találtam sehol a neten, ez így elég bizalmatlanná tesz. Én olyat szeretek csak csinálni, ami másnak már bevállt, mert egy párezer forintos kütyüvel kár hetekig kísérletezni. (igaz a detectoromra fordított munkaórákat nagyon alacsony órabérrel számolva is kijőnne egy pár csúcsgép )
(#) Yowie válasza berkesandor hozzászólására (») Júl 11, 2009 /
 
Megjegyzem, pár éve hozott egy ismerősöm amerikából egy játék fémkeresőt, ha jól emlékszem 5dollár volt. Panaszkodtak, hogy lehetne érzékenyebb, alu nyilvesszőket akatrtak keresni a fűben. Szétszedtem, egy BFO cucc volt kb 3 tranzisztorral és olyan 15 cm-es keresőfejjel. Kis állítgatással egy régi 2forintost kb 15cm-ről érzékelt amivel sok rádiótechnika évkönyves kapcsolással felvette a versenyt....5 dollárét....3 tranyóval
(#) Yowie válasza berkesandor hozzászólására (») Júl 12, 2009 /
 
Találtam még egyet, aki megcsinálta elég nagy barbár volt, de van hozzá nyákterv, így sokat nem kell vele babrálni, ha nem jó, valami kisgyerek biztos örül neki a környéken.

A tekercs alá a ferritre érdemes egy papíralátétet tenni, hogy lehessen állítani a tekercseket.
(#) Yowie hozzászólása Júl 12, 2009 /
 
Most nézem a Garrett pinpointer csodáját, még fölkaparó él is van rajta, valami élelmes 38k-t akar érte kérni zsibvásáron, igaz kint 127dolcsi a googlen feljövő első oldalon.

Ne ez sem tud többet 2cm-nél
(#) Yowie válasza Yowie hozzászólására (») Júl 12, 2009 /
 
link meg lemeradt, valami garrett reklámfilm lehet, mert a kereső, de még a lapátka is márkahű, ami közel 4rugó

http://www.youtube.com/watch?v=Rq83_DCLYLY
Következő: »»   14 / 272
Bejelentkezés

Belépés

Hirdetés
XDT.hu
Az oldalon sütiket használunk a helyes működéshez. Bővebb információt az adatvédelmi szabályzatban olvashatsz. Megértettem